- 您的位置:
- 标准下载网 >>
- 标准分类 >>
- 机械行业标准(JB) >>
- JB/T 4015.4-2013 电缆设备通用部件 收放线装置 第4部分:导轨式收放线装置
标准号:
JB/T 4015.4-2013
标准名称:
电缆设备通用部件 收放线装置 第4部分:导轨式收放线装置
标准类别:
机械行业标准(JB)
标准状态:
现行出版语种:
简体中文下载格式:
.rar .pdf下载大小:

点击下载
标准简介:
标准下载解压密码:www.bzxz.net
JB/T 4015.4-2013 电缆设备通用部件 收放线装置 第4部分:导轨式收放线装置 JB/T4015.4-2013

部分标准内容:
ICS29.060.01
备案号:44320-2014
中华人民共和国机械行业标准
JB/T4015.4—2013
代替JB/T4015.4-1999
收放线装置
电缆设备通用部件Www.bzxZ.net
第4部分:导轨式收放线装置
Adaptable units for general use of wire and cable machinery-Pav-offandtake-up
Part 4:Sliding guide track type pay-off and take-up2013-12-31发布
2014-07-01实施
中华人民共和国工业和信息化部发布前音
规范性引用文件
3术语和定义
4型号和型式.
4.1型号.
4.2型式
5规格,
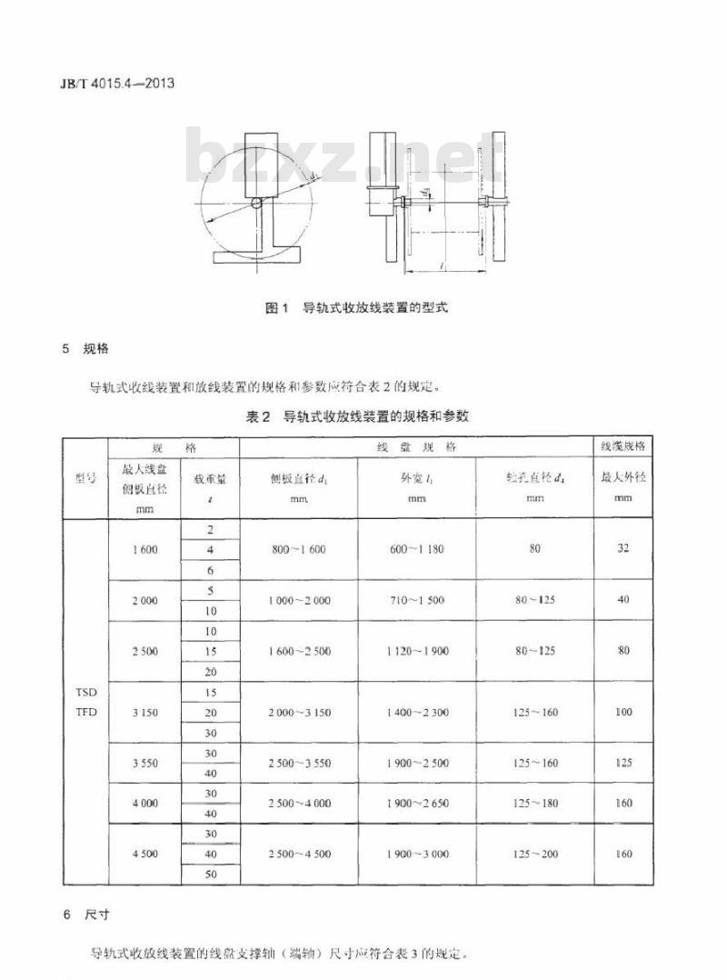
图1导轨式收放线装置的型式。
表1导轨式收放线装置的型号
表2导轨式收放线装置的规格和参数表3线盘支撑轴(端轴)的尺寸
JB/T4015.4--2013
JB/T4015.4--2013
收放线装置》分为六个部分:
JB/T4015《电缆设备通用部件
第1部分:基本技术要求:
第2部分:立柱式收放线装置:
一第3部分:行车式收放线装置:第4部分:导轨式收放线装置:
一第5部分:柜式收线装置:
第6部分:静盘式放线装置。
本部分为JB/T4015的第4部分。
本部分按照GB/T1.1—2009给出的规则起草。本部分代替JB/T4015.4一1999《电缆设备通用部件收放线装置第4部分:导轨式收放线装置》与JB/T4015.4—1999相比主要技术变化如下:一增加了导轨式收放线装置的规格(见表2、表3,1999年版的表2、表3);在线盘规格的参数中,将内宽12改为外宽1(见表2,1999年版的表2);一删除了“使用特性\,将其内容并入“范”中(见第1章,1999年版的第1章和第6章)。本部分由中国机械工业联合会提出。本部分由全国电线电缆标准化技术委员会(SAC/TC213)归口。本部分负责起草单位:上海电缆研究所。本部分参加起草单位:合肥神马科技股份有限公司、江苏苏阳电工机械有限公司。本部分主要起草人:唐远蓓、岳光明、张江。本部分所代替标准的历次版本发布情况为:JB/T4015.4—1985,JB/T4015.4—19991范围
收放线装置
电缆设备通用部件
第4部分:导轨式收放线装置
JB/T4015.4—2013
JB4015的本部分规定了采用门架轴向移动线盘实现排线的导轨式收放线装置的型式尺寸和技术要求。
本部分适用J采用JB/T7600规定的PNS型机用线盘和JB/T8137规定的交货盘的导轨式收放线装置。
2规范性引用文件
下列文件对于本文件的应用是必不可少的。凡是注日期的引用文件,仅注日期的版本适用于本文件。凡是不注日期的引用文件,其最新版本(包括所有的修改单)适用了本文件。GB/T2900.40电T名词术语电线电缆专用设备3术语和定义
GBT2900.40界定的术语和定义适用了本文件。4型号和型式
4.1型号
导轨式收线装置和放线装置的型号见表1。表1
导轨式收放线装置的型号
4.2型式
导轨式收线装置
导轨式放线装置
适用范围
挤塑机、交联挤塑机红、挤橡机、挤橡连续化机组及绞线机、成缆机、装铠机或连续压铅机等导轨式收线装置和放线装置的型式如图1所示。JB/T4015.4—2013
5规格
图1导轨式收放线装置的型式
导轨式收线装置和放线装置的规格和参数应符合表2的规定。表2导轨式收放线装置的规格和参数规
6尺寸
最人线盘
侧板直径
载重望
侧板直径d
800~1600
1000-2000
1600~2500
20003150
2500~3550
2500~4000
2500~4500
线盘规格
外宽!
600~1180
710~1500
1120~1900
1400~2300
1900~2500
1900~2650
1900~3000
导轨式收放线装置的线盘支撑轴(端轴)尺寸成符合表3的规定。2
轴乳直轮d
80-125
125~160
125~160
125~180
125~200
线缆规格
最人外径
端轴直径d
80、100、125
线盘支撑轴(端轴)的尺寸
125、140、160、180、200
对应于最人线盘侧板直径。
JB/T4015.4--2013
小提示:此标准内容仅展示完整标准里的部分截取内容,若需要完整标准请到上方自行免费下载完整标准文档。
备案号:44320-2014
中华人民共和国机械行业标准
JB/T4015.4—2013
代替JB/T4015.4-1999
收放线装置
电缆设备通用部件Www.bzxZ.net
第4部分:导轨式收放线装置
Adaptable units for general use of wire and cable machinery-Pav-offandtake-up
Part 4:Sliding guide track type pay-off and take-up2013-12-31发布
2014-07-01实施
中华人民共和国工业和信息化部发布前音
规范性引用文件
3术语和定义
4型号和型式.
4.1型号.
4.2型式
5规格,
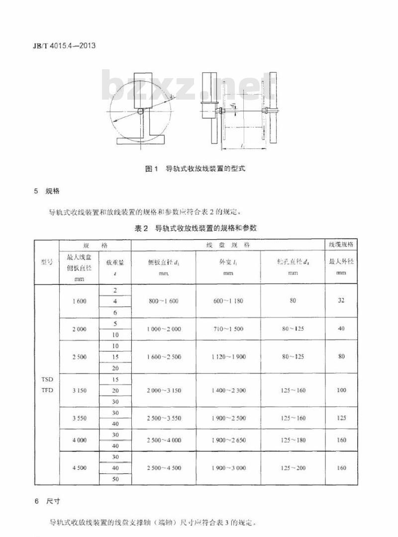
图1导轨式收放线装置的型式。
表1导轨式收放线装置的型号
表2导轨式收放线装置的规格和参数表3线盘支撑轴(端轴)的尺寸
JB/T4015.4--2013
JB/T4015.4--2013
收放线装置》分为六个部分:
JB/T4015《电缆设备通用部件
第1部分:基本技术要求:
第2部分:立柱式收放线装置:
一第3部分:行车式收放线装置:第4部分:导轨式收放线装置:
一第5部分:柜式收线装置:
第6部分:静盘式放线装置。
本部分为JB/T4015的第4部分。
本部分按照GB/T1.1—2009给出的规则起草。本部分代替JB/T4015.4一1999《电缆设备通用部件收放线装置第4部分:导轨式收放线装置》与JB/T4015.4—1999相比主要技术变化如下:一增加了导轨式收放线装置的规格(见表2、表3,1999年版的表2、表3);在线盘规格的参数中,将内宽12改为外宽1(见表2,1999年版的表2);一删除了“使用特性\,将其内容并入“范”中(见第1章,1999年版的第1章和第6章)。本部分由中国机械工业联合会提出。本部分由全国电线电缆标准化技术委员会(SAC/TC213)归口。本部分负责起草单位:上海电缆研究所。本部分参加起草单位:合肥神马科技股份有限公司、江苏苏阳电工机械有限公司。本部分主要起草人:唐远蓓、岳光明、张江。本部分所代替标准的历次版本发布情况为:JB/T4015.4—1985,JB/T4015.4—19991范围
收放线装置
电缆设备通用部件
第4部分:导轨式收放线装置
JB/T4015.4—2013
JB4015的本部分规定了采用门架轴向移动线盘实现排线的导轨式收放线装置的型式尺寸和技术要求。
本部分适用J采用JB/T7600规定的PNS型机用线盘和JB/T8137规定的交货盘的导轨式收放线装置。
2规范性引用文件
下列文件对于本文件的应用是必不可少的。凡是注日期的引用文件,仅注日期的版本适用于本文件。凡是不注日期的引用文件,其最新版本(包括所有的修改单)适用了本文件。GB/T2900.40电T名词术语电线电缆专用设备3术语和定义
GBT2900.40界定的术语和定义适用了本文件。4型号和型式
4.1型号
导轨式收线装置和放线装置的型号见表1。表1
导轨式收放线装置的型号
4.2型式
导轨式收线装置
导轨式放线装置
适用范围
挤塑机、交联挤塑机红、挤橡机、挤橡连续化机组及绞线机、成缆机、装铠机或连续压铅机等导轨式收线装置和放线装置的型式如图1所示。JB/T4015.4—2013
5规格
图1导轨式收放线装置的型式
导轨式收线装置和放线装置的规格和参数应符合表2的规定。表2导轨式收放线装置的规格和参数规
6尺寸
最人线盘
侧板直径
载重望
侧板直径d
800~1600
1000-2000
1600~2500
20003150
2500~3550
2500~4000
2500~4500
线盘规格
外宽!
600~1180
710~1500
1120~1900
1400~2300
1900~2500
1900~2650
1900~3000
导轨式收放线装置的线盘支撑轴(端轴)尺寸成符合表3的规定。2
轴乳直轮d
80-125
125~160
125~160
125~180
125~200
线缆规格
最人外径
端轴直径d
80、100、125
线盘支撑轴(端轴)的尺寸
125、140、160、180、200
对应于最人线盘侧板直径。
JB/T4015.4--2013
小提示:此标准内容仅展示完整标准里的部分截取内容,若需要完整标准请到上方自行免费下载完整标准文档。

标准图片预览:





- 热门标准
- 行业标准
- JB/T6882-2006 泵可靠性验证试验
- JB/T10398-2004 离网型风力发电系统售后技术服务规范
- JB/T9592.2-1999 全金属12角法兰面锁紧螺母 技术条件
- JB/T4718-1992 管壳式换热器用金属包垫片
- JB/T2436.1-1992 导线用铜压接端头 第一部分: 0.5~6.0mm2导线用铜压接端头
- JB8734.2-1998 额定电压 450/750V及以下聚氯乙烯绝缘电缆电线和软线第2部分: 固定布线用电缆电线
- JB/T10325-2002 锅炉除氧器 技术条件
- JB/T10187-2011 滚动轴承 深沟球轴承振动
- JB/T7991.4-2001 电镀超硬磨料制品 磨头
- JB2901-2020 汽轮机防锈技术条件
- JB/T8854.2-2001 GⅡCL型、GⅡCLZ型鼓形齿式联轴器
- JBJ10-1996 机械工厂采暖通风与空气调节设计规范
- JB/T8103.7-2008 碟式分离机 第7部分:酵母分离机
- JB/T2740-2008 工业机械电气设备 电气图、图解和表的绘制
- JB/T6313.2-1992 电工铜编织线 斜纹编织线
- 行业新闻
请牢记:“bzxz.net”即是“标准下载”四个汉字汉语拼音首字母与国际顶级域名“.net”的组合。 ©2009 标准下载网 www.bzxz.net 本站邮件:bzxznet@163.com
网站备案号:湘ICP备2023016450号-1
网站备案号:湘ICP备2023016450号-1