- 您的位置:
- 标准下载网 >>
- 标准分类 >>
- 国家标准(GB) >>
- GB 9108-1995 工业导火索
标准号:
GB 9108-1995
标准名称:
工业导火索
标准类别:
国家标准(GB)
英文名称:
Industrial fuse标准状态:
现行-
发布日期:
1995-11-03 -
实施日期:
1996-04-01 出版语种:
简体中文下载格式:
.rar.pdf下载大小:
201.82 KB
替代情况:
GB 9108-1988采标情况:
GOCT 3470-1980,EQV
首发日期:
1988-04-22复审日期:
2004-10-14起草单位:
山东化工厂归口单位:
国防科学技术工业委员会发布部门:
国家技术监督局主管部门:
国防科学技术工业委员会相关标签:
工业
点击下载
标准简介:
标准下载解压密码:www.bzxz.net
本标准规定了工业导火索的品种、要求、抽样、试验方法、标志、标签、包装、运输和贮存等。本标准适用于在无爆炸性可燃气体或粉尘的环境下延时传火、引爆工业火雷管或黑火药包的棉线工业导火索。 GB 9108-1995 工业导火索 GB9108-1995
部分标准内容:
GB9108-1995
本标准是根据原苏联国家标准TOCT3470—80《导火索工艺条件》对GB9108-88《工业导火索》进行修订的,在技术内容上与该原苏联国家标准等效。本标准从生效之日起,同时代替GB9108一88。对GB9108一88进行修订时,为使其等效采用国外先进标准,按其批燃烧时间极差增加了优级品,并保留了GB9108一88技术指标。增加了定义一章;扩大了批量范围;按质量特性不符合的严重程度进行了分类,并调整了抽样方案,从而提高了对批质量判断的准确性。标准的格式与构成也按GB/T1.1—1993规定进行了修改。本标准的附录 A是标准的附录。本标准由中国兵器工业总公司提出。本标准由中国兵器工业标化研究所归口。本标准由云南燃料二厂负责起草。本标准主要起草人:张佩珠、侯仕忠、董建国。本标准于1968年首次发布WJ641—68,又历经WJ641—73.WJ641—83、GB9108—88四次修订。
本标准委托云南燃料二厂负贵解释。753
1范围
中华人民共和国国家标准
业导火索
Safety fuse
GB 9108—1995
代替GB9108-88
本标准规定了工业导火索的品种、要求、抽样、试验方法、标志、标签、包装、运输和贮存等,本标准适用于在无爆炸性可燃气体或粉尘的环境下延时传火、引爆工业火雷管或黑火药包的棉线工业导火索(以下简称导火索)。2 引用标准
下列标准所包含的条文,通过在本标准中引用而构成为本标准的条文。本标准出版时,所示版本均为有效。所有标准都会被修订,使用本标准的各方应探讨使用下列标准最新版本的可能性。GB190—90危险货物包装标志
GB2828一87逐批检查计数抽样程序及抽样表(适用于连续批的检查)GB10111一88利用随机数般子进行随机抽样方法3定义
本标准采用下列定义。
3.1外壳燃烧
导火索传火时索壳有火焰燃起的现象,称为外壳燃烧。3.2爆声
导火索传火时伴随异常的响声,称为爆声。4品种
本标准中的导火索按其燃烧时间分为普通型和缓燃型两种。其中普通型导火索按其批燃烧时间极差又分为优级品和一级品两个等级。5要求
5.1外观
5.1.1导火索索杆应均匀,不允许有发霉、损伤、明显油污、剪断处散头、外层线在同一索段有两根或两根以上断(并)线的现象,索头必须封以防潮剂。5.1.2允许外层线排列不均,其长度不大于10cm;外层线断(并)一根,其连续长度小于6m。5.1.3普通型导火索的表面为棉线和纸的本色,缓燃型导火索的外层线中有一根绿色线。5.2尺寸
5.2.1直径:5.5mm±0.3mm。
5.2.2药芯直径:不小于2.2mm。国家技术监督局1995-11-03批准754
1996-04-01实施
5.2.3索卷长度分两种:wwW.bzxz.Net
a)250m,不小于248mz
b)100m,不小于99m。
其中最短索段不小于2m。
5.3性能
5.3.1燃烧时间
GB 9108—1995
普通型导火索:每米燃烧时间为100~125s;缓燃型导火索:每米燃烧时间为180~~~215s。5.3.2批燃烧时间极差
普通型导火索:优级品不大于10s,一级品不大于15s;缓燃型导火索:不大于25s。
5.3.3燃烧性
导火索在传火时不充许有断火、透火、外壳燃烧及爆声。5.3.4抗水性
导火索在温度为20℃±5℃、深度为1m的静水中浸4h,燃烧性应符合5.3.3的要求。5.3.5耐热性
导火索在温度为45℃土2℃的恒温箱中放置2h,不允许有粘结和外壳破坏的现象。5.3.6耐寒性
导火索在温度为一25℃士2℃的条件下放置1h,不允许有裂纹和折断的现象。6抽样
按GB2828中一次抽样方案和二次抽样方案的正常检查、加严检查和放宽检查进行,不执行特宽检查。
遂批计数抽样检查抽样方案的补充规定见附录A(标准的附录)。抽样检查方案中的单位产品为“米”,判定数为不合格个数。6.1组批
导火索的批量范围为3201~35000m,正常情况以10000m,20000m,30000m为提交验收的检查批。其中尺寸检查的批量范围为35001~150000m,正常情况以100000,120000,140000,150.000m为提交验收的检查批。6.2包装检查、标志检查
在包装的全过程中对包装与标志的正确性进行全数检查,其检查结果应符合8.1到8.3的规定。若不符合时,应进行返修。
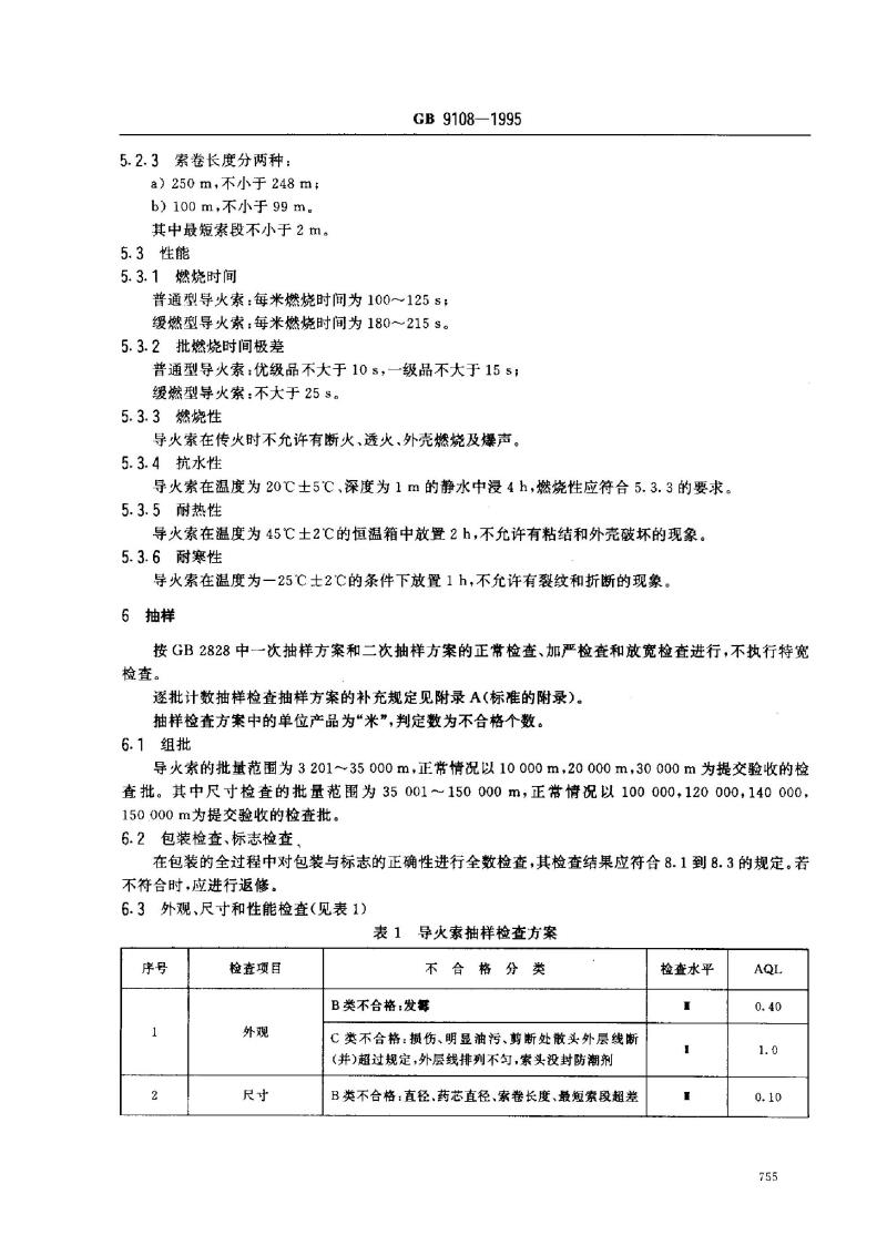
6.3外观、尺寸和性能检查(见表1)表1导火索抽样检查方案
检查项目
不合格分类
B类不合格:发赛
C类不合格:损伤、明显油污、剪断处散头外层线断(并)超过规定,外层线排列不勾,索头没封防潮剂B类不合格:直径、药芯直径、索卷长度、最短索段超差检查水平
检查项目
燃烧时间
批燃烧时间极差
燃烧性
抗水性
耐热性
耐察性
GB 9108--1995
表1(续)
不合格分类
B类不合格:每米燃烧时间超差
C类不合格:批燃烧时间极差超差B类不合格:断火、爆声
C类不合格;透火、外壳燃烧
B类不合格:断火、爆声
C类不合格:透火、外壳燃烧
C类不合格:粘结、外壳破坏
C 类不合格:裂纹、折断
检查水平
抽样方案类型:除燃烧性和抗水性两项指标的B类不合格执行一次抽样方案外,其余指标均执行二次抽样方案。
6.4批的检查、判定和转移规则
6.4.1批的检查
a)经外观检查和尺寸检查合格的批方可进行性能检查。若不合格时,将不合格品剔除或修理好后,再次提交检查;
b)在检查燃烧时间的同时,检查批燃烧时间极差和燃烧性;c)抗水性、耐热性、耐寒性三项指标,在转产验收、停产一年以上后复产;产品结构、主要材料改变或用户提出需要检查时才进行检查。正常情况不作验收指标。6.4.2批的判定
检查结果各项指标全部合格时,才能判为批合格。6.4.3批的转移规贴
按GB2828中4.6.3规定进行。
6.5样本的抽取
6.5.1开始时使用正常检查的抽样方案,从提交的检查批中随机抽样。随机抽样可采用GB10111或其他方法由生产方与检查方共同协商确定。6.5.2性能检查用的样本,必须分别从不少于三个索卷中等量抽取,尺寸、外观检查用的样本,必须分别从不少于两个索卷中等量抽取。将抽出的导火索排成1,2,3卷的顺序依次从索卷外圈、内圈位置上抽取。
6.5.3二次抽样方案所需的样本,允许一次随机取出,并按检验规则要求,将其分成第一样本和第二样本。
7试验方法
7.1外观检验
用目视的方法检查导火索的外观质量。7.2尺寸检验
GB 9108—1995
a)用卷尺或计数器测量导火索的索卷长度,精确到1m。b)用干分尺测量导火索直径,精确到0.1mm。每个索卷的测量点不少于三处。每处垂直测量两次,测量结果在5.0~~5.8mm的范围内,允许取平均值。c)用游标卡尺测量导火索的药芯直径,精确到0.1mm。每个索卷的测量点不少于三处。在药芯的断面处,按垂直位置测量两个结果,取其平均值。7.3燃烧时间及批燃烧时间极差测定将导火索剪切成长度为1.00m试样,逐根点燃,试样之间不允许交叉重叠,用秒表或计时仪器测定试样的燃烧时间,精确到1S。燃烧时间的最大值与最小值之差,即为批燃烧时间极差。7.4燃烧性试验
在测定燃烧时间的同时,观察其燃烧性。7.5抗水性试验
将导火索试样盘成直径不小于25cm的索卷,在温度为20℃士5℃、深度为1m的静水中浸4h后,取出试样,擦去外表面水分,剪去受潮索头,剪切成长度为1m的索段,逐根点燃,试样之间不允许交叉重叠,观察其燃烧性。
7.6耐热性试验
将导火索试样盘成直径不小于25cm的索卷,放在45℃士2℃的恒温箱中保持2h,取出之后,在室温条件下放置20~25min,观察导火索之间是否有粘结和外壳破坏的现象。7.7耐寒性试验
将导火索试样盘成直径不小于25cm的索卷,放置在一25℃士2℃的条件下保持1h,取出之后,立即从索卷的两端起,分别在直径为18mm士2mm的本棒上旋绕三周,观察导火索是否有肉眼可见的裂纹和折断的现象。
8标志、标签、包装、运输、贮存8.1标志
外包装应有下列内容的标志:
商标,
—制造厂名,
一广址,
产品名称和品种;
标准号:
数量,
毛重:
一体积;
一批号:
-生产日期;
一生产许可证编号;
“防火防潮”“轻拿轻放”及符合GB190规定的爆炸品标志等。8.2标签
内包装中的每个索卷上应附有注明生产工代号、机号、生产日期的标签。8.3包装
每500m或1000m导火索为一包装单元。a)内包装为塑料袋;外包装为纸箱、筐、篓、塑料编织袋或木箱;757
GB 9108-1995
b)每一包装单元内装入合格证、产品说明书各一份,内包装以热合法或捆扎法封口;c)外包装应牢固完整;用筐、篓作外包装时,应内衬黄纸板或纸袋纸。8.4运输
导火索的运输应遵守国家有关危险货物的运输规定。贮存
导火索必须贮存在干燥、通风、温度不超过28℃、相对湿度不超过70%的库房内。在原包装条件下,其保证期自生产之日起为两年。758
A1连续批的规定
GB 9108--1995
附录A
(标准的附录)
遂批计数抽样检查抽样方案的补充规定a)连续批检查验收实施过程,不得任意中断;b)连续批非因质量问题停产不超过30天再投产时,可接前批连续实施抽样检查。A2抽样方案
抽样方案按批量从表A1中选取。表Al
检查项目
燃烧时间
10 001~
10001~
35001~
150000
批燃烧时间极差
3201~
燃烧性
抗水性
耐热性
耐寒性
导火索抽样方案表
不合格
分类类型
正常检查
200,200/
1,3;4,5
2,5;6,7
125,125/
2,56,7
500,500/
0,3:3,4
13,13/
0,2,1,2
13,13/
0,2+12
13/0,1
13,13/
0,2:1,2
13/0,1
13,13/
20,20/
20,20/
0,2;1,2
抽样方案
加严检查
200,200/
0,3;3,4
315,315/
125125
200,200/
500,500/
0,2;1,2
20,20/
0,2;1,2
0,2;1,2
20,20/
0,2;1,2
放宽检查
0,2;1,2
125,125/
0,3;3,4
50,50/
0,3;3,4
200,200/
0,2;1,2
0,2;1,2
0,21,2
0,2;1,2
A3严格度调整的补充规定
GB 9108—1995
a)抽样检查从正常检查开始,进行严格度调整时,要严格执行GB2828规定的转移规则和放宽检查界限数。
b)在检查的过程中,除要按转移规则改变检查的严格度外,下一批检查的严格度继续保持不变。检查严格度的改变,原则上按各种不同类型不合格程度分别进行,允许在不同类型不合格之间给出改变检查严格度的统一规定
c)一个检验项目中的各类不合格只要有一个向较严等级转移时,就全项转移;反之,一个检验项目中,只有各类不合格都符合向较宽一级转移时,才能转移。A4不合格数的计算
a)…个检验项目中的各类不合格数分别按类计算。b)外层线断(并)一根的连续长度以6 m的倍数(取整数)为不合格数。A5返检与返修
经检验判定拒收的批,凡经过返修,将发现的不合格品剔除或修理后能达到标准要求的允许重新提交检查。
小提示:此标准内容仅展示完整标准里的部分截取内容,若需要完整标准请到上方自行免费下载完整标准文档。
本标准是根据原苏联国家标准TOCT3470—80《导火索工艺条件》对GB9108-88《工业导火索》进行修订的,在技术内容上与该原苏联国家标准等效。本标准从生效之日起,同时代替GB9108一88。对GB9108一88进行修订时,为使其等效采用国外先进标准,按其批燃烧时间极差增加了优级品,并保留了GB9108一88技术指标。增加了定义一章;扩大了批量范围;按质量特性不符合的严重程度进行了分类,并调整了抽样方案,从而提高了对批质量判断的准确性。标准的格式与构成也按GB/T1.1—1993规定进行了修改。本标准的附录 A是标准的附录。本标准由中国兵器工业总公司提出。本标准由中国兵器工业标化研究所归口。本标准由云南燃料二厂负责起草。本标准主要起草人:张佩珠、侯仕忠、董建国。本标准于1968年首次发布WJ641—68,又历经WJ641—73.WJ641—83、GB9108—88四次修订。
本标准委托云南燃料二厂负贵解释。753
1范围
中华人民共和国国家标准
业导火索
Safety fuse
GB 9108—1995
代替GB9108-88
本标准规定了工业导火索的品种、要求、抽样、试验方法、标志、标签、包装、运输和贮存等,本标准适用于在无爆炸性可燃气体或粉尘的环境下延时传火、引爆工业火雷管或黑火药包的棉线工业导火索(以下简称导火索)。2 引用标准
下列标准所包含的条文,通过在本标准中引用而构成为本标准的条文。本标准出版时,所示版本均为有效。所有标准都会被修订,使用本标准的各方应探讨使用下列标准最新版本的可能性。GB190—90危险货物包装标志
GB2828一87逐批检查计数抽样程序及抽样表(适用于连续批的检查)GB10111一88利用随机数般子进行随机抽样方法3定义
本标准采用下列定义。
3.1外壳燃烧
导火索传火时索壳有火焰燃起的现象,称为外壳燃烧。3.2爆声
导火索传火时伴随异常的响声,称为爆声。4品种
本标准中的导火索按其燃烧时间分为普通型和缓燃型两种。其中普通型导火索按其批燃烧时间极差又分为优级品和一级品两个等级。5要求
5.1外观
5.1.1导火索索杆应均匀,不允许有发霉、损伤、明显油污、剪断处散头、外层线在同一索段有两根或两根以上断(并)线的现象,索头必须封以防潮剂。5.1.2允许外层线排列不均,其长度不大于10cm;外层线断(并)一根,其连续长度小于6m。5.1.3普通型导火索的表面为棉线和纸的本色,缓燃型导火索的外层线中有一根绿色线。5.2尺寸
5.2.1直径:5.5mm±0.3mm。
5.2.2药芯直径:不小于2.2mm。国家技术监督局1995-11-03批准754
1996-04-01实施
5.2.3索卷长度分两种:wwW.bzxz.Net
a)250m,不小于248mz
b)100m,不小于99m。
其中最短索段不小于2m。
5.3性能
5.3.1燃烧时间
GB 9108—1995
普通型导火索:每米燃烧时间为100~125s;缓燃型导火索:每米燃烧时间为180~~~215s。5.3.2批燃烧时间极差
普通型导火索:优级品不大于10s,一级品不大于15s;缓燃型导火索:不大于25s。
5.3.3燃烧性
导火索在传火时不充许有断火、透火、外壳燃烧及爆声。5.3.4抗水性
导火索在温度为20℃±5℃、深度为1m的静水中浸4h,燃烧性应符合5.3.3的要求。5.3.5耐热性
导火索在温度为45℃土2℃的恒温箱中放置2h,不允许有粘结和外壳破坏的现象。5.3.6耐寒性
导火索在温度为一25℃士2℃的条件下放置1h,不允许有裂纹和折断的现象。6抽样
按GB2828中一次抽样方案和二次抽样方案的正常检查、加严检查和放宽检查进行,不执行特宽检查。
遂批计数抽样检查抽样方案的补充规定见附录A(标准的附录)。抽样检查方案中的单位产品为“米”,判定数为不合格个数。6.1组批
导火索的批量范围为3201~35000m,正常情况以10000m,20000m,30000m为提交验收的检查批。其中尺寸检查的批量范围为35001~150000m,正常情况以100000,120000,140000,150.000m为提交验收的检查批。6.2包装检查、标志检查
在包装的全过程中对包装与标志的正确性进行全数检查,其检查结果应符合8.1到8.3的规定。若不符合时,应进行返修。
6.3外观、尺寸和性能检查(见表1)表1导火索抽样检查方案
检查项目
不合格分类
B类不合格:发赛
C类不合格:损伤、明显油污、剪断处散头外层线断(并)超过规定,外层线排列不勾,索头没封防潮剂B类不合格:直径、药芯直径、索卷长度、最短索段超差检查水平
检查项目
燃烧时间
批燃烧时间极差
燃烧性
抗水性
耐热性
耐察性
GB 9108--1995
表1(续)
不合格分类
B类不合格:每米燃烧时间超差
C类不合格:批燃烧时间极差超差B类不合格:断火、爆声
C类不合格;透火、外壳燃烧
B类不合格:断火、爆声
C类不合格:透火、外壳燃烧
C类不合格:粘结、外壳破坏
C 类不合格:裂纹、折断
检查水平
抽样方案类型:除燃烧性和抗水性两项指标的B类不合格执行一次抽样方案外,其余指标均执行二次抽样方案。
6.4批的检查、判定和转移规则
6.4.1批的检查
a)经外观检查和尺寸检查合格的批方可进行性能检查。若不合格时,将不合格品剔除或修理好后,再次提交检查;
b)在检查燃烧时间的同时,检查批燃烧时间极差和燃烧性;c)抗水性、耐热性、耐寒性三项指标,在转产验收、停产一年以上后复产;产品结构、主要材料改变或用户提出需要检查时才进行检查。正常情况不作验收指标。6.4.2批的判定
检查结果各项指标全部合格时,才能判为批合格。6.4.3批的转移规贴
按GB2828中4.6.3规定进行。
6.5样本的抽取
6.5.1开始时使用正常检查的抽样方案,从提交的检查批中随机抽样。随机抽样可采用GB10111或其他方法由生产方与检查方共同协商确定。6.5.2性能检查用的样本,必须分别从不少于三个索卷中等量抽取,尺寸、外观检查用的样本,必须分别从不少于两个索卷中等量抽取。将抽出的导火索排成1,2,3卷的顺序依次从索卷外圈、内圈位置上抽取。
6.5.3二次抽样方案所需的样本,允许一次随机取出,并按检验规则要求,将其分成第一样本和第二样本。
7试验方法
7.1外观检验
用目视的方法检查导火索的外观质量。7.2尺寸检验
GB 9108—1995
a)用卷尺或计数器测量导火索的索卷长度,精确到1m。b)用干分尺测量导火索直径,精确到0.1mm。每个索卷的测量点不少于三处。每处垂直测量两次,测量结果在5.0~~5.8mm的范围内,允许取平均值。c)用游标卡尺测量导火索的药芯直径,精确到0.1mm。每个索卷的测量点不少于三处。在药芯的断面处,按垂直位置测量两个结果,取其平均值。7.3燃烧时间及批燃烧时间极差测定将导火索剪切成长度为1.00m试样,逐根点燃,试样之间不允许交叉重叠,用秒表或计时仪器测定试样的燃烧时间,精确到1S。燃烧时间的最大值与最小值之差,即为批燃烧时间极差。7.4燃烧性试验
在测定燃烧时间的同时,观察其燃烧性。7.5抗水性试验
将导火索试样盘成直径不小于25cm的索卷,在温度为20℃士5℃、深度为1m的静水中浸4h后,取出试样,擦去外表面水分,剪去受潮索头,剪切成长度为1m的索段,逐根点燃,试样之间不允许交叉重叠,观察其燃烧性。
7.6耐热性试验
将导火索试样盘成直径不小于25cm的索卷,放在45℃士2℃的恒温箱中保持2h,取出之后,在室温条件下放置20~25min,观察导火索之间是否有粘结和外壳破坏的现象。7.7耐寒性试验
将导火索试样盘成直径不小于25cm的索卷,放置在一25℃士2℃的条件下保持1h,取出之后,立即从索卷的两端起,分别在直径为18mm士2mm的本棒上旋绕三周,观察导火索是否有肉眼可见的裂纹和折断的现象。
8标志、标签、包装、运输、贮存8.1标志
外包装应有下列内容的标志:
商标,
—制造厂名,
一广址,
产品名称和品种;
标准号:
数量,
毛重:
一体积;
一批号:
-生产日期;
一生产许可证编号;
“防火防潮”“轻拿轻放”及符合GB190规定的爆炸品标志等。8.2标签
内包装中的每个索卷上应附有注明生产工代号、机号、生产日期的标签。8.3包装
每500m或1000m导火索为一包装单元。a)内包装为塑料袋;外包装为纸箱、筐、篓、塑料编织袋或木箱;757
GB 9108-1995
b)每一包装单元内装入合格证、产品说明书各一份,内包装以热合法或捆扎法封口;c)外包装应牢固完整;用筐、篓作外包装时,应内衬黄纸板或纸袋纸。8.4运输
导火索的运输应遵守国家有关危险货物的运输规定。贮存
导火索必须贮存在干燥、通风、温度不超过28℃、相对湿度不超过70%的库房内。在原包装条件下,其保证期自生产之日起为两年。758
A1连续批的规定
GB 9108--1995
附录A
(标准的附录)
遂批计数抽样检查抽样方案的补充规定a)连续批检查验收实施过程,不得任意中断;b)连续批非因质量问题停产不超过30天再投产时,可接前批连续实施抽样检查。A2抽样方案
抽样方案按批量从表A1中选取。表Al
检查项目
燃烧时间
10 001~
10001~
35001~
150000
批燃烧时间极差
3201~
燃烧性
抗水性
耐热性
耐寒性
导火索抽样方案表
不合格
分类类型
正常检查
200,200/
1,3;4,5
2,5;6,7
125,125/
2,56,7
500,500/
0,3:3,4
13,13/
0,2,1,2
13,13/
0,2+12
13/0,1
13,13/
0,2:1,2
13/0,1
13,13/
20,20/
20,20/
0,2;1,2
抽样方案
加严检查
200,200/
0,3;3,4
315,315/
125125
200,200/
500,500/
0,2;1,2
20,20/
0,2;1,2
0,2;1,2
20,20/
0,2;1,2
放宽检查
0,2;1,2
125,125/
0,3;3,4
50,50/
0,3;3,4
200,200/
0,2;1,2
0,2;1,2
0,21,2
0,2;1,2
A3严格度调整的补充规定
GB 9108—1995
a)抽样检查从正常检查开始,进行严格度调整时,要严格执行GB2828规定的转移规则和放宽检查界限数。
b)在检查的过程中,除要按转移规则改变检查的严格度外,下一批检查的严格度继续保持不变。检查严格度的改变,原则上按各种不同类型不合格程度分别进行,允许在不同类型不合格之间给出改变检查严格度的统一规定
c)一个检验项目中的各类不合格只要有一个向较严等级转移时,就全项转移;反之,一个检验项目中,只有各类不合格都符合向较宽一级转移时,才能转移。A4不合格数的计算
a)…个检验项目中的各类不合格数分别按类计算。b)外层线断(并)一根的连续长度以6 m的倍数(取整数)为不合格数。A5返检与返修
经检验判定拒收的批,凡经过返修,将发现的不合格品剔除或修理后能达到标准要求的允许重新提交检查。
小提示:此标准内容仅展示完整标准里的部分截取内容,若需要完整标准请到上方自行免费下载完整标准文档。
标准图片预览:





- 其它标准
- 上一篇: GB 4947-1990 工业赤磷
- 下一篇: GB 1616-1988 工业过氧化氢
- 热门标准
- 国家标准(GB)
- GB/T228.1-2021 金属材料 拉伸试验 第1部分:室温试验方法
- GB/T7534-1987 工业用挥发性有机液体沸程的测定
- GB/T4100-2015 陶瓷砖
- GB/T3836.1-2021 爆炸性环境 第1部分:设备 通用要求
- GB/T50772-2012 木结构工程施工规范
- GB/T10125-2021 人造气氛腐蚀试验 盐雾试验
- GB50666-2011 混凝土结构工程施工规范
- GB/T18204.4-2000 公共场所毛巾、床上卧具微生物检验方法细菌总数测定
- GB8552-1987 电子器件详细规范 低功率非线绕固定电阻器 RJ13型金属膜固定电阻器评定水平E(可供认证用)
- GB/T11379-2008 金属覆盖层 工程用铬电镀层
- GB/T23892.3-2009 滑动轴承 稳态条件下流体动压可倾瓦块止推轴承 第3部分:可倾瓦块止推轴承计算的许用值
- GB50303-2015 建筑电气工程施工质量验收规范
- GB/T20976-2023 软冰淇淋预拌粉质量要求
- GB/T15917.3-1995 金属镝及氧化镝化学分析方法 对氯苯基荧光酮--溴化十六烷基三甲基胺分光光度法测定钽量
- GB/T11839-1989 二氧化铀芯块中硼的测定 姜黄素萃取光度法
- 行业新闻
请牢记:“bzxz.net”即是“标准下载”四个汉字汉语拼音首字母与国际顶级域名“.net”的组合。 ©2025 标准下载网 www.bzxz.net 本站邮件:bzxznet@163.com
网站备案号:湘ICP备2025141790号-2
网站备案号:湘ICP备2025141790号-2