- 您的位置:
- 标准下载网 >>
- 标准分类 >>
- 国家标准(GB) >>
- GB/T 4744-2013 纺织品 防水性能的检测和评价 静水压法
标准号:
GB/T 4744-2013
标准名称:
纺织品 防水性能的检测和评价 静水压法
标准类别:
国家标准(GB)
标准状态:
现行出版语种:
简体中文下载格式:
.rar .pdf下载大小:
部分标准内容:
ICS59.080.30
中华人民共和国国家标准
GB/T4744—2013
代替GB/T4744—1997
纺织品
防水性能的检测和评价
静水压法
Textiles-Testing and evaluation for water resistance-Hydrostatic pressure method
(ISO 811-1981,Textile fabricsDetermination of resistance to waterpenetrationHydrostaticpressuretest,MOD)2013-10-10发布
中华人民共和国国家质量监督检验检疫总局中国国家标准化管理委员会
2014-05-01实施
本标准按照GB/T1.1—2009给出的规则起草。GB/T4744—2013
静水压试验》,本标准与GB/T4744本标准代替GB/T4744—1997《纺织织物抗渗水性测定1997相比,主要差异如下:
修改了标准名称;
修改了第1章适用范围;
增加了第3章,其后章条编号顺延;删除了5.3中的水压上升速率1.00kPa/min士0.05kPa/min;将第6章的两条合并和简化;
第7章中增加了有接缝试样的取样;8.2、8.3和8.4分别增加了注,删除了8.4的读数精度;增加了9.2;
删除了附录A。
本标准使用重新起草法修改采用ISO811:1981《纺织织物抗渗水性的测定静水压试验》。本标准与ISO811:1981相比,主要差异如下:修改了标准名称;
修改了第1章适用范围;
增加了第3章,其后章条编号顺延;简化了第4章原理;
修改了第5章中条的编号,删除了5.3中的水压上升速率1.00kPa/min士0.05kPa/min;第7章中增加了有接缝试样的取样;第8章修改为分条表述,8.2、8.3和8.4中分别增加了注,删除了8.4的读数精度;9.1中增加了同一样品不同类型试样的结果表达;增加了9.2;
第10章增加了列项b)、i)和i);删除了附录A。
本标准由中国纺织工业联合会提出。本标准由全国纺织品标准化技术委员会基础标准分技术委员会(SAC/TC209/SC1)归口。本标准起草单位:纺织工业标准化研究所、纺织工业科学技术发展中心、温州市大荣纺织仪器有限公司。
本标准主要起草人:王欢、王国建、郑宇英、张孟胜。本标准所代替标准的历次版本发布情况为:GB4744---1984;
-GB/T4744-1997。
1范围
纺织品
防水性能的检测和评价
静水压法
GB/T4744—2013
本标准规定了采用静水压试验测定织物防水性能的方法,并给出了防水性能的评价。本标准适用于各类织物(包括复合织物)及其制品。2规范性引用文件
下列文件对于本文件的应用是必不可少的。凡是注日期的引用文件,仅注日期的版本适用于本文件。凡是不注日期的引用文件,其最新版本(包括所有的修改单)适用于本文件。GB/T6529纺织品调湿和试验用标准大气(GB/T6529—2008,ISO139:2005,MOD)3术语和定义
下列术语和定义适用于本文件。3.1
防水性能
water resistance
织物抵抗被水润湿和渗透的性能。织物防水性能的表征指标有沾水等级、抗静水压等级、水渗透量等。
抗静水压等级hydrostaticpressurerating织物抵抗被水渗透的程度。
织物正面face
在制成品中,作为外部可见的表面。4原理
以织物承受的静水压来表示水透过织物所遇到的阻力。在标准大气条件下,试样的一面承受持续上升的水压,直到另一面出现三处渗水点为止,记录第三处渗水点出现时的压力值,并以此评价试样的防水性能。
5仪器
5.1静水压仪应能以下列方式夹持试样:a)试样水平夹持,且不鼓起;
从试样上面或下面承受持续上升水压的试验面积为100cm;b)
试验过程中,夹持装置不漏水;c)
GB/T4744—2013
d)试样在夹持装置中不滑移;
e)尽量降低试样在夹持装置边缘渗水的可能性。5.2与试样接触的试验用水宜是蒸馏水或去离子水,温度保持为(20士2)℃或(27土2)℃。试验用水及温度应在报告中注明(水温较高会得出较低的水压值,其影响的大小因织物不同而异)。5.3水压上升速率应为6.0kPa/min士0.3kPa/min(60cmH0/min士3cmH0/min)。5.4压力计与试验头连接,压力读数精度不大于0.05kPa(0.5cmHzO)6调湿与试验用大气
调湿和试验用大气按GB/T6529的规定执行。经相关方同意,调湿和试验可在室温或实际环境下进行。
7试样
取样后,尽量减少对试样的处理,避免用力折叠。除调湿外不作任何处理(如熨烫)。在织物不同部位裁取至少5块试样,试样尺寸应能满足试验面积的要求,试样尽可能具有代表性。可不剪下试样进行测试。
不应在有很深褶皱或折痕的部位进行试验。如需测定接缝处静水压值,宜使接缝位于试样的中间位置。
8步骤
8.1每个试样使用洁净的蒸馏水或去离子水进行试验。8.2擦净夹持装置表面的试验用水,夹持调湿后的试样,使试样正面与水面接触。夹持试样时,确保在测试开始前试验用水不会因受压而透过试样。注:如果无法确定织物正面,单面涂层织物涂层一面与水面接触,其他织物两面分别测试,分别报出结果。8.3以6.0kPa/min士0.3kPa/min(60cmHO/min士3cmHzO/min)的水压上升速率对试样施加持续递增的水压,并观察渗水现象。注:如果选用其他水压上升速率,例如1,0kPa/min,在报告中注明。8.4记录试样上第三处水珠刚出现时的静水压值。不考虑那些形成以后不再增大的细微水珠,在织物同一处渗出的连续性水珠不作累计。如果第三处水珠出现在夹持装置的边缘,且导致第三处水珠的静水压值低于同一样品其他试样的最低值,则剔除此数据,增补试样另行试验,直到获得正常试验结果为止。
注:试验时如果出现织物破裂水柱喷出或复合织物出现充水鼓起现象,记录此时的压力值,并在报告中说明试验现象。
9结果和评价
9.1结果表达
以kPa(cmH,O)表示每个试样的静水压值及其平均值P,保留一位小数。对于同-样品的不同类型试样(例如,有接缝试样和无接缝试样)分别计算其静水压平均值。9.2防水性能评价
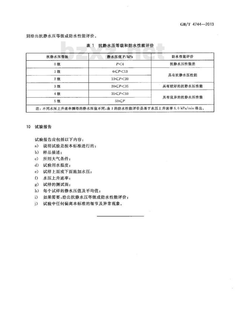
如果需要,按照表1给出样品的抗静水压等级或防水性能评价。对于同一样品的不同类型试样,分2
别给出抗静水压等级或防水性能评价。表1抗静水压等级和防水性能评价抗静水压等级
静水压值P/kPa
13≤P<20
20≤P<35
35≤P<50
50≤P
GB/T4744—2013
防水性能评价
抗静水压性能差
具有抗静水压性能
具有较好的抗静水压性能
具有优异的抗静水压性能bzxz.net
注:不同水压上升速率测得的静水压值不同,表1的防水性能评价是基于水压上升速率6.0kPa/min得出。10
试验报告
试验报告应包括以下内容:
说明试验是按本标准进行的;
样品描述;
所用大气条件;
试验用水温度;
试样上面或下面施加水压;
水压上升速率;
试样的测试面;
每个试样的静水压值及平均值;如果需要,给出抗静水压等级或防水性能评价;试验中任何偏离本标准的细节及异常现象GB/T4744-2013
中华人民共和国
国家标准
纺织品防水性能的检测和评价
静水压法
GB/T4744—2013
中国标准出版社出版发行
北京市朝阳区和平里西街甲2号(100013)北京市西城区三里河北街16号(100045)网址spc.net.cn
总编室:(010)64275323发行中心:(010)51780235读者服务部:(010)68523946
中国标准出版社秦皇岛印刷厂印刷各地新华书店经销
开本880×12301/16
印张0.5字数8千字
2013年12月第一版 2013年12月第一次印刷*
书号:155066·1-47835
由本社发行中心调换
如有印装差错
版权专有侵权必究
举报电话:010)68510107
小提示:此标准内容仅展示完整标准里的部分截取内容,若需要完整标准请到上方自行免费下载完整标准文档。
中华人民共和国国家标准
GB/T4744—2013
代替GB/T4744—1997
纺织品
防水性能的检测和评价
静水压法
Textiles-Testing and evaluation for water resistance-Hydrostatic pressure method
(ISO 811-1981,Textile fabricsDetermination of resistance to waterpenetrationHydrostaticpressuretest,MOD)2013-10-10发布
中华人民共和国国家质量监督检验检疫总局中国国家标准化管理委员会
2014-05-01实施
本标准按照GB/T1.1—2009给出的规则起草。GB/T4744—2013
静水压试验》,本标准与GB/T4744本标准代替GB/T4744—1997《纺织织物抗渗水性测定1997相比,主要差异如下:
修改了标准名称;
修改了第1章适用范围;
增加了第3章,其后章条编号顺延;删除了5.3中的水压上升速率1.00kPa/min士0.05kPa/min;将第6章的两条合并和简化;
第7章中增加了有接缝试样的取样;8.2、8.3和8.4分别增加了注,删除了8.4的读数精度;增加了9.2;
删除了附录A。
本标准使用重新起草法修改采用ISO811:1981《纺织织物抗渗水性的测定静水压试验》。本标准与ISO811:1981相比,主要差异如下:修改了标准名称;
修改了第1章适用范围;
增加了第3章,其后章条编号顺延;简化了第4章原理;
修改了第5章中条的编号,删除了5.3中的水压上升速率1.00kPa/min士0.05kPa/min;第7章中增加了有接缝试样的取样;第8章修改为分条表述,8.2、8.3和8.4中分别增加了注,删除了8.4的读数精度;9.1中增加了同一样品不同类型试样的结果表达;增加了9.2;
第10章增加了列项b)、i)和i);删除了附录A。
本标准由中国纺织工业联合会提出。本标准由全国纺织品标准化技术委员会基础标准分技术委员会(SAC/TC209/SC1)归口。本标准起草单位:纺织工业标准化研究所、纺织工业科学技术发展中心、温州市大荣纺织仪器有限公司。
本标准主要起草人:王欢、王国建、郑宇英、张孟胜。本标准所代替标准的历次版本发布情况为:GB4744---1984;
-GB/T4744-1997。
1范围
纺织品
防水性能的检测和评价
静水压法
GB/T4744—2013
本标准规定了采用静水压试验测定织物防水性能的方法,并给出了防水性能的评价。本标准适用于各类织物(包括复合织物)及其制品。2规范性引用文件
下列文件对于本文件的应用是必不可少的。凡是注日期的引用文件,仅注日期的版本适用于本文件。凡是不注日期的引用文件,其最新版本(包括所有的修改单)适用于本文件。GB/T6529纺织品调湿和试验用标准大气(GB/T6529—2008,ISO139:2005,MOD)3术语和定义
下列术语和定义适用于本文件。3.1
防水性能
water resistance
织物抵抗被水润湿和渗透的性能。织物防水性能的表征指标有沾水等级、抗静水压等级、水渗透量等。
抗静水压等级hydrostaticpressurerating织物抵抗被水渗透的程度。
织物正面face
在制成品中,作为外部可见的表面。4原理
以织物承受的静水压来表示水透过织物所遇到的阻力。在标准大气条件下,试样的一面承受持续上升的水压,直到另一面出现三处渗水点为止,记录第三处渗水点出现时的压力值,并以此评价试样的防水性能。
5仪器
5.1静水压仪应能以下列方式夹持试样:a)试样水平夹持,且不鼓起;
从试样上面或下面承受持续上升水压的试验面积为100cm;b)
试验过程中,夹持装置不漏水;c)
GB/T4744—2013
d)试样在夹持装置中不滑移;
e)尽量降低试样在夹持装置边缘渗水的可能性。5.2与试样接触的试验用水宜是蒸馏水或去离子水,温度保持为(20士2)℃或(27土2)℃。试验用水及温度应在报告中注明(水温较高会得出较低的水压值,其影响的大小因织物不同而异)。5.3水压上升速率应为6.0kPa/min士0.3kPa/min(60cmH0/min士3cmH0/min)。5.4压力计与试验头连接,压力读数精度不大于0.05kPa(0.5cmHzO)6调湿与试验用大气
调湿和试验用大气按GB/T6529的规定执行。经相关方同意,调湿和试验可在室温或实际环境下进行。
7试样
取样后,尽量减少对试样的处理,避免用力折叠。除调湿外不作任何处理(如熨烫)。在织物不同部位裁取至少5块试样,试样尺寸应能满足试验面积的要求,试样尽可能具有代表性。可不剪下试样进行测试。
不应在有很深褶皱或折痕的部位进行试验。如需测定接缝处静水压值,宜使接缝位于试样的中间位置。
8步骤
8.1每个试样使用洁净的蒸馏水或去离子水进行试验。8.2擦净夹持装置表面的试验用水,夹持调湿后的试样,使试样正面与水面接触。夹持试样时,确保在测试开始前试验用水不会因受压而透过试样。注:如果无法确定织物正面,单面涂层织物涂层一面与水面接触,其他织物两面分别测试,分别报出结果。8.3以6.0kPa/min士0.3kPa/min(60cmHO/min士3cmHzO/min)的水压上升速率对试样施加持续递增的水压,并观察渗水现象。注:如果选用其他水压上升速率,例如1,0kPa/min,在报告中注明。8.4记录试样上第三处水珠刚出现时的静水压值。不考虑那些形成以后不再增大的细微水珠,在织物同一处渗出的连续性水珠不作累计。如果第三处水珠出现在夹持装置的边缘,且导致第三处水珠的静水压值低于同一样品其他试样的最低值,则剔除此数据,增补试样另行试验,直到获得正常试验结果为止。
注:试验时如果出现织物破裂水柱喷出或复合织物出现充水鼓起现象,记录此时的压力值,并在报告中说明试验现象。
9结果和评价
9.1结果表达
以kPa(cmH,O)表示每个试样的静水压值及其平均值P,保留一位小数。对于同-样品的不同类型试样(例如,有接缝试样和无接缝试样)分别计算其静水压平均值。9.2防水性能评价
如果需要,按照表1给出样品的抗静水压等级或防水性能评价。对于同一样品的不同类型试样,分2
别给出抗静水压等级或防水性能评价。表1抗静水压等级和防水性能评价抗静水压等级
静水压值P/kPa
13≤P<20
20≤P<35
35≤P<50
50≤P
GB/T4744—2013
防水性能评价
抗静水压性能差
具有抗静水压性能
具有较好的抗静水压性能
具有优异的抗静水压性能bzxz.net
注:不同水压上升速率测得的静水压值不同,表1的防水性能评价是基于水压上升速率6.0kPa/min得出。10
试验报告
试验报告应包括以下内容:
说明试验是按本标准进行的;
样品描述;
所用大气条件;
试验用水温度;
试样上面或下面施加水压;
水压上升速率;
试样的测试面;
每个试样的静水压值及平均值;如果需要,给出抗静水压等级或防水性能评价;试验中任何偏离本标准的细节及异常现象GB/T4744-2013
中华人民共和国
国家标准
纺织品防水性能的检测和评价
静水压法
GB/T4744—2013
中国标准出版社出版发行
北京市朝阳区和平里西街甲2号(100013)北京市西城区三里河北街16号(100045)网址spc.net.cn
总编室:(010)64275323发行中心:(010)51780235读者服务部:(010)68523946
中国标准出版社秦皇岛印刷厂印刷各地新华书店经销
开本880×12301/16
印张0.5字数8千字
2013年12月第一版 2013年12月第一次印刷*
书号:155066·1-47835
由本社发行中心调换
如有印装差错
版权专有侵权必究
举报电话:010)68510107
小提示:此标准内容仅展示完整标准里的部分截取内容,若需要完整标准请到上方自行免费下载完整标准文档。
标准图片预览:





- 热门标准
- 国家标准
- GB/T12053-1989 光学识别用字母数字字符集 第一部分:OCR-A字符集印刷图象的形状和尺寸
- GB/T18204.4-2000 公共场所毛巾、床上卧具微生物检验方法细菌总数测定
- GB/T11839-1989 二氧化铀芯块中硼的测定 姜黄素萃取光度法
- GB/T6122.1-2002 圆角铣刀 第1部分:型式和尺寸
- GB/T23892.3-2009 滑动轴承 稳态条件下流体动压可倾瓦块止推轴承 第3部分:可倾瓦块止推轴承计算的许用值
- GB13851-2022 内河交通安全标志
- GB50209-2002 建筑地面工程施工质量验收规范
- GB/T7433-1987 对称电缆载波通信系统抗无线电广播和通信干扰的指标
- GB/T21238-2007 玻璃纤维增强塑料夹砂管
- GB17945-2024 消防应急照明和疏散指示系统
- GB/T24974—2010 收费用手动栏杆
- GB/T9239-1988 刚性转子平衡品质 许用不平衡的确定
- GB/T15917.3-1995 金属镝及氧化镝化学分析方法 对氯苯基荧光酮--溴化十六烷基三甲基胺分光光度法测定钽量
- GB/T13985-1992 照相机操作力和强度
- GB/T28809-2012 轨道交通 通信、信号和处理系统 信号用安全相关电子系统
- 行业新闻
请牢记:“bzxz.net”即是“标准下载”四个汉字汉语拼音首字母与国际顶级域名“.net”的组合。 ©2025 标准下载网 www.bzxz.net 本站邮件:bzxznet@163.com
网站备案号:湘ICP备2025141790号-2
网站备案号:湘ICP备2025141790号-2