- 您的位置:
- 标准下载网 >>
- 标准分类 >>
- 农业行业标准(NY) >>
- NY 5182-2002 无公害食品 杨桃
标准号:
NY 5182-2002
标准名称:
无公害食品 杨桃
标准类别:
农业行业标准(NY)
标准状态:
现行出版语种:
简体中文下载格式:
.rar .pdf下载大小:
部分标准内容:
ICS67.080.10
中华人民共和国农业行业标准
NY5182-2002
无公害食品,
2002-07-25发布
2002-09-01实施
中华人民共和国农业部发布
NY51822002
本标准由中华人民共和国农业部提出。前
本标准起草单位:农业部热带农产品质量监督检验测试中心。本标准主要起草人:冯信平、彭黎旭、章程辉、汤建彪、刘洪升、贺利民、周永华。298
1范围
无公害食品
NY 5182—2002
本标准规定了无公害食品杨桃的要求、试验方法、检验规则、标志、包装、贮存和运输等。本标准适用于无公害食品鲜杨桃的收购、销售和无公害食品认证。2规范性引用文件
下列文件中的条款通过本标准的引用而成为本标准的条款。凡是注日期的引用文件,其随后所有的修改单(不包括勘误的内容)或修订版均不适用于本标准,然而,鼓励根据本标准达成协议的各方研究是否可使用这些文件的最新版本。凡是不注日期的引用文件,其最新版本适用于本标准。GB/T5009.11食品中总砷的测定方法GB/T 5009.12
2食品中铅的测定方法
GB/T 5009.15
食品中镉的测定方法
GB/T5009.17食品中总汞的测定方法GB/T5009.18食品中氟的测定方法GB/T5009.20食品中有机磷农药残留量的测定方法GB/T5009.38蔬菜、水果卫生标准的分析方法食品标签通用标准
GB 7718
GB/T8855新鲜水果和蔬菜的取样方法GB14875
食品中辛硫磷农药残留量的测定方法GB14878
食品中百菌清残留量的测定方法GB/T14929.6大米和柑桔中喹硫磷残留量测定方法GB/T 17331
食品中有机磷和氨基甲酸酯类农药多种残留的测定GB/T17332食品中有机氟和拟除虫菊酯类农药多种残留的测定3要求
3.1感官要求
果实无腐烂,基本无外物污染、病虫害。3.2卫生指标
卫生指标应符合表1要求。
表1无公窖食品杨桃卫生指标
砷(以As计)
铅(以Pb计)
镉(以 Cd计)
汞(以Hg计)
单位为亳克每千克
NY 5182--2002
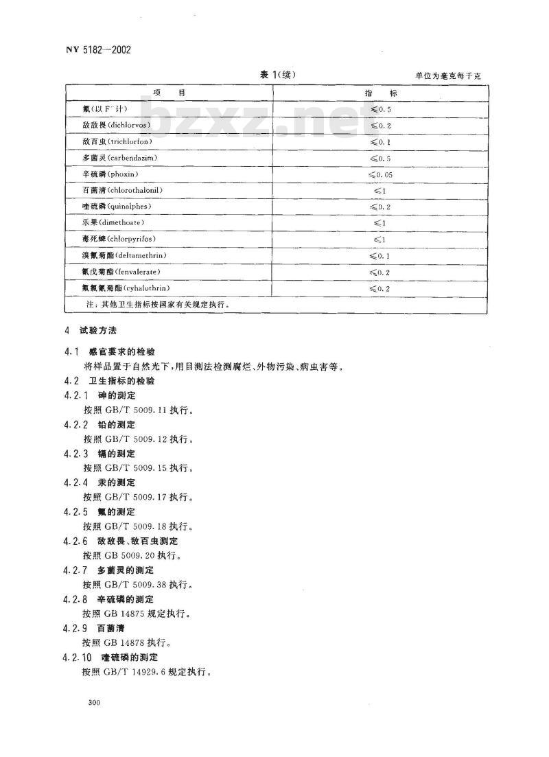
氟(以F\计)
敌敌畏(dichlorvs)
敌百虫(trichlorfon)
多菌灵(carbendazim)
辛硫磷(phoxin)
百菌清(chlorothalonil)
喹硫磷(quinalphes)
乐果(dimethoate)
毒死蜱(chlorpyrifos)
溴氰菊酯(deltamethrin)
氰戊菊酯(fenvalerate)
氟氯氰菊酯(cyhalothrin)
注:其他卫生指标按国家有关规定执行。4试验方法
4.1感官要求的检验
表1(续)
将样品置于自然光下,用目测法检测腐烂、外物污染、病虫害等。4.2卫生指标的检验
4.2.1碑的测定
按照GB/T5009.11执行。
4.2.2铅的测定
按照GB/T5009.12执行。
4.2.3镉的测定
按照GB/T5009.15执行。
4.2.4汞的测定
按照GB/T5009.17执行。
4.2.5氟的测定
按照GB/T5009.18执行。
4.2.6敌敌畏、敌百虫测定
按照GB5009.20执行。
4.2.7多菌灵的测定
按照GB/T5009.38执行。
4.2.8辛硫磷的测定
按照GB14875规定执行。
4.2.9百蘭清
按照GB14878执行。Www.bzxZ.net
4.2.10喹硫磷的测定
按照GB/T14929.6规定执行。
单位为毫克每千克
4.2.11乐果、毒死蜱的测定
按照GB/T17331执行。
4. 2. 12澳氰菊酯、氰戊菊酯、氯氨氰菊酯的测定按照GB/T17332执行。
5检验规则
5.1组批规则
同一产地,同时采收的杨桃作为一个检验批次。5.2抽样方法
按GB/T8855规定执行。
5.3检验分类
5.3.1型式检验
NY 5182—2002
型式检验是对产品进行全面考核,即对本标准规定的全部要求(指标)进行检验。有下列情形之一者应进行型式检验:
a)前后两次抽样检验结果差异较大;b)因人为或自然因素使生产环境发生较大变化;c)国家质量监督机构或主管部门提出型式检验要求。5.3.2交收检验
每批产品交收前,生产单位都应进行交收检验。交收检验内容包括基本要求、包装、标志等要求,卫生指标由交易双方根据合同选择,检验合格方可交收。5.4判定规则
5.4.1每批受检样品抽样检验时,对感官有缺陷的样品做记录,不合格百分率按有缺陷的果重计算。每批受检样品的平均不合格率不应超过5%。5.4.2卫生指标有一项不合格,应加倍抽样复验一次,如仍不合格,则该批产品判为不合格。6标志
按GB7718的规定执行。
7包装、贮存、运输
7.1包装
包装容器应符合质量、卫生和透气性的要求,保证杨桃适宜处理、贮存和运输。包装容器和材料要求无毒、无污染、无异味,应符合国家相关标准和规定。7.2贮存
贮存场地要求:清洁、通风,有防晒防雨设施或制冷设施,不得与有毒、有害、有异味的物品混存。7.3运输
7.3.1运输工具通风良好,卫生条件良好,无毒、无不良气味。7.3.2严禁与有毒、有害、有异味物质混运。301
小提示:此标准内容仅展示完整标准里的部分截取内容,若需要完整标准请到上方自行免费下载完整标准文档。
中华人民共和国农业行业标准
NY5182-2002
无公害食品,
2002-07-25发布
2002-09-01实施
中华人民共和国农业部发布
NY51822002
本标准由中华人民共和国农业部提出。前
本标准起草单位:农业部热带农产品质量监督检验测试中心。本标准主要起草人:冯信平、彭黎旭、章程辉、汤建彪、刘洪升、贺利民、周永华。298
1范围
无公害食品
NY 5182—2002
本标准规定了无公害食品杨桃的要求、试验方法、检验规则、标志、包装、贮存和运输等。本标准适用于无公害食品鲜杨桃的收购、销售和无公害食品认证。2规范性引用文件
下列文件中的条款通过本标准的引用而成为本标准的条款。凡是注日期的引用文件,其随后所有的修改单(不包括勘误的内容)或修订版均不适用于本标准,然而,鼓励根据本标准达成协议的各方研究是否可使用这些文件的最新版本。凡是不注日期的引用文件,其最新版本适用于本标准。GB/T5009.11食品中总砷的测定方法GB/T 5009.12
2食品中铅的测定方法
GB/T 5009.15
食品中镉的测定方法
GB/T5009.17食品中总汞的测定方法GB/T5009.18食品中氟的测定方法GB/T5009.20食品中有机磷农药残留量的测定方法GB/T5009.38蔬菜、水果卫生标准的分析方法食品标签通用标准
GB 7718
GB/T8855新鲜水果和蔬菜的取样方法GB14875
食品中辛硫磷农药残留量的测定方法GB14878
食品中百菌清残留量的测定方法GB/T14929.6大米和柑桔中喹硫磷残留量测定方法GB/T 17331
食品中有机磷和氨基甲酸酯类农药多种残留的测定GB/T17332食品中有机氟和拟除虫菊酯类农药多种残留的测定3要求
3.1感官要求
果实无腐烂,基本无外物污染、病虫害。3.2卫生指标
卫生指标应符合表1要求。
表1无公窖食品杨桃卫生指标
砷(以As计)
铅(以Pb计)
镉(以 Cd计)
汞(以Hg计)
单位为亳克每千克
NY 5182--2002
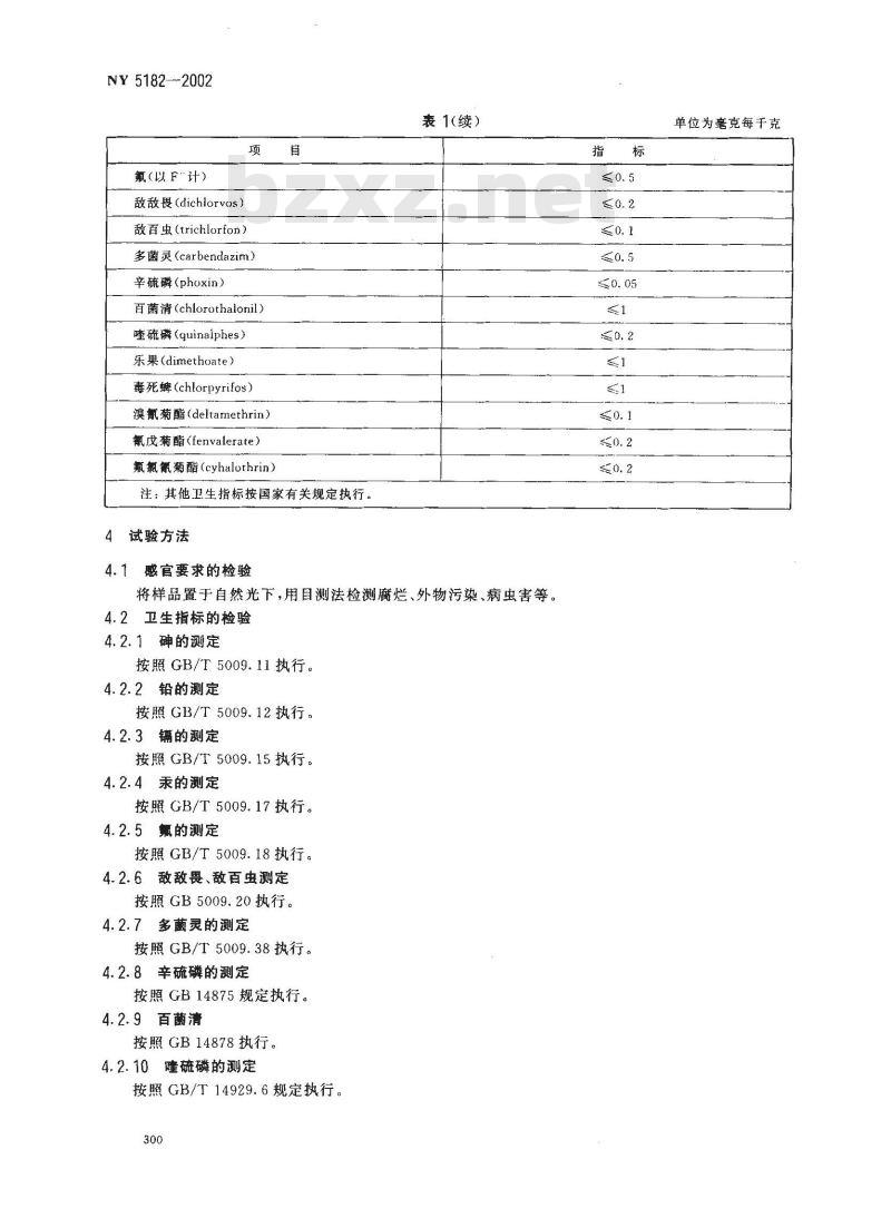
氟(以F\计)
敌敌畏(dichlorvs)
敌百虫(trichlorfon)
多菌灵(carbendazim)
辛硫磷(phoxin)
百菌清(chlorothalonil)
喹硫磷(quinalphes)
乐果(dimethoate)
毒死蜱(chlorpyrifos)
溴氰菊酯(deltamethrin)
氰戊菊酯(fenvalerate)
氟氯氰菊酯(cyhalothrin)
注:其他卫生指标按国家有关规定执行。4试验方法
4.1感官要求的检验
表1(续)
将样品置于自然光下,用目测法检测腐烂、外物污染、病虫害等。4.2卫生指标的检验
4.2.1碑的测定
按照GB/T5009.11执行。
4.2.2铅的测定
按照GB/T5009.12执行。
4.2.3镉的测定
按照GB/T5009.15执行。
4.2.4汞的测定
按照GB/T5009.17执行。
4.2.5氟的测定
按照GB/T5009.18执行。
4.2.6敌敌畏、敌百虫测定
按照GB5009.20执行。
4.2.7多菌灵的测定
按照GB/T5009.38执行。
4.2.8辛硫磷的测定
按照GB14875规定执行。
4.2.9百蘭清
按照GB14878执行。Www.bzxZ.net
4.2.10喹硫磷的测定
按照GB/T14929.6规定执行。
单位为毫克每千克
4.2.11乐果、毒死蜱的测定
按照GB/T17331执行。
4. 2. 12澳氰菊酯、氰戊菊酯、氯氨氰菊酯的测定按照GB/T17332执行。
5检验规则
5.1组批规则
同一产地,同时采收的杨桃作为一个检验批次。5.2抽样方法
按GB/T8855规定执行。
5.3检验分类
5.3.1型式检验
NY 5182—2002
型式检验是对产品进行全面考核,即对本标准规定的全部要求(指标)进行检验。有下列情形之一者应进行型式检验:
a)前后两次抽样检验结果差异较大;b)因人为或自然因素使生产环境发生较大变化;c)国家质量监督机构或主管部门提出型式检验要求。5.3.2交收检验
每批产品交收前,生产单位都应进行交收检验。交收检验内容包括基本要求、包装、标志等要求,卫生指标由交易双方根据合同选择,检验合格方可交收。5.4判定规则
5.4.1每批受检样品抽样检验时,对感官有缺陷的样品做记录,不合格百分率按有缺陷的果重计算。每批受检样品的平均不合格率不应超过5%。5.4.2卫生指标有一项不合格,应加倍抽样复验一次,如仍不合格,则该批产品判为不合格。6标志
按GB7718的规定执行。
7包装、贮存、运输
7.1包装
包装容器应符合质量、卫生和透气性的要求,保证杨桃适宜处理、贮存和运输。包装容器和材料要求无毒、无污染、无异味,应符合国家相关标准和规定。7.2贮存
贮存场地要求:清洁、通风,有防晒防雨设施或制冷设施,不得与有毒、有害、有异味的物品混存。7.3运输
7.3.1运输工具通风良好,卫生条件良好,无毒、无不良气味。7.3.2严禁与有毒、有害、有异味物质混运。301
小提示:此标准内容仅展示完整标准里的部分截取内容,若需要完整标准请到上方自行免费下载完整标准文档。
标准图片预览:





- 其它标准
- 热门标准
- 行业标准
- NY/T2581-2014 植物新品种特异性、一致性和稳定性测试指南 水仙属
- NY/T2385-2013 水稻条纹叶枯病防治技术规程
- NY/T2962-2016 奶牛乳房炎乳汁中金黄色葡萄球菌、凝固酶阴性葡萄球菌、无乳链球菌分离鉴定方法
- NY/T1668-2008 农业野生植物原生境保护点建设技术规范
- NY/T2049-2011 香蕉、番石榴、胡椒、菠萝线虫防治技术规范
- NY/T2279-2012 食用菌中岩藻糖、阿糖醇、海藻糖、甘露醇、甘露糖、葡萄糖、半乳糖、核糖的测定 离子色谱法
- NY/T2605-2014 饲料配方师
- NY/T2630-2014 黄瓜绿斑驳花叶病毒病防控技术规程
- NY/T296-1995 土壤全量钙、镁、钠的测定
- NY/T2525-2013 植物新品种特异性、一致性和稳定性测试指南 草菇
- NY/T2028-2011 农作物优异种质资源评价规范 杏
- NY/T1153.6-2013 农药登记用白蚁防治剂药效试验方法及评价 第6部分农药滞留喷洒防治白蚁
- NY/T1785-2009 甘蔗种茎生产技术规程
- NY3472-2005 联合收割机行驶证证件
- NY/T1094.2-2006 小麦实验制粉 第2部分:布勒氏法 用于硬麦
- 行业新闻
请牢记:“bzxz.net”即是“标准下载”四个汉字汉语拼音首字母与国际顶级域名“.net”的组合。 ©2025 标准下载网 www.bzxz.net 本站邮件:bzxznet@163.com
网站备案号:湘ICP备2025141790号-2
网站备案号:湘ICP备2025141790号-2