- 您的位置:
- 标准下载网 >>
- 标准分类 >>
- 机械行业标准(JB) >>
- JB/T 10944-2010 电气绝缘用玻璃纤维增强挤拉型材 复合绝缘子芯棒
标准号:
JB/T 10944-2010
标准名称:
电气绝缘用玻璃纤维增强挤拉型材 复合绝缘子芯棒
标准类别:
机械行业标准(JB)
标准状态:
现行-
发布日期:
2010-02-11 出版语种:
简体中文下载格式:
.rar .pdf下载大小:
1.75 MB
点击下载
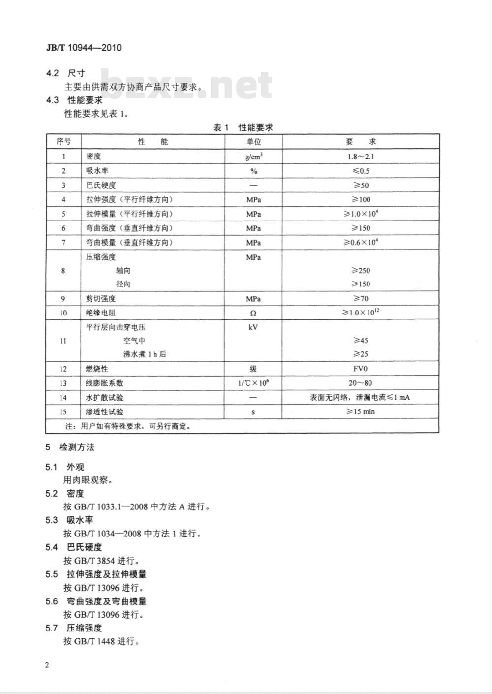
标准简介:
标准下载解压密码:www.bzxz.net
本标准规定了电气绝缘用玻璃纤维增强挤拉型材-复合绝缘子芯棒的产品要求、试验方法、检验、包装、标志、贮存和运输。本标准适用于电气绝缘用玻璃纤维增强挤拉型材-复合绝缘子芯棒。 JB/T 10944-2010 电气绝缘用玻璃纤维增强挤拉型材 复合绝缘子芯棒 JB/T10944-2010
标准图片预览:





- 热门标准
- 机械行业标准(JB)
- JB/T5110.7-1992 螺旋压力机锻模 压圈
- JB/T11340.1-2012 阀控式铅酸蓄电池安全阀 第1部分:安全阀
- JB/T7422.2-1999 立式内圆珩磨机 精度检验
- JB/T8728-1998 低速大扭矩液压马达
- JB/T9848-1999 气镐
- JB/T10438-2004 额定电压450/750V及以下交联聚氯乙烯绝缘电线和电缆
- JB/T9161.1-1999 外圆磨床顶尖 尺寸
- JB/T3627.1-1999 组合夹具组装用工具、辅具 六角套筒扳手
- JB/T3767-1992 调车绞车
- JBJ/T34-1999 机械工厂热处理车间设计规范
- JB/T6805-2008 压力表接点装置 技术条件
- JB/T2523.2-2011 落地车床 第2部分:型式与参数
- JB/T5319.1-1991 有轨巷道堆垛起重机 术语
- JB/T5397-1991 滚子链和套筒链 图形简化表示法
- JB/T6991-1993 周边传动式浓缩机
- 行业新闻
请牢记:“bzxz.net”即是“标准下载”四个汉字汉语拼音首字母与国际顶级域名“.net”的组合。 ©2025 标准下载网 www.bzxz.net 本站邮件:bzxznet@163.com
网站备案号:湘ICP备2025141790号-2
网站备案号:湘ICP备2025141790号-2