 
			【国家标准(GB)】 信息技术 系统之间的远程通信和信息交换 高级数据链路控制(HDLC)规程 通用XID帧信息字段内容和格式
本网站 发布时间:
				2024-08-08 16:09:10
				
				
			- GB/T15698-1995
- 已作废
- 点击下载此标准
- 标准号: - GB/T 15698-1995
- 标准名称: - 信息技术 系统之间的远程通信和信息交换 高级数据链路控制(HDLC)规程 通用XID帧信息字段内容和格式
- 标准类别: - 国家标准(GB)
- 标准状态: 已作废
- 
          	发布日期: 1995-08-03
- 
		 实施日期: 1996-04-01
- 
          	作废日期: 2009-01-01
- 出版语种: 简体中文
- 下载格式: .rar.pdf
- 下载大小: 396.24 KB
- 标准ICS号: 电信、音频和视频技术>>电信系统>>33.040.40数据通信网络
- 中标分类号: 电子元器件与信息技术>>信息处理技术>>L78数据信息
- 替代情况: 被GB/T 7421-2008代替
- 采标情况: ISO/IEC 8885-1991
 标准简介/下载
标准简介/下载点击下载
标准简介:
										 标准下载解压密码:www.bzxz.net
					 					 
						 
	        
	      本标准描述了通用XID帧信息字段内容和格式。本标准不限制在一些特定应用中把XID帧信息字段定义成其它标准格式。 GB/T 15698-1995 信息技术 系统之间的远程通信和信息交换 高级数据链路控制(HDLC)规程 通用XID帧信息字段内容和格式 GB/T15698-1995
 标准内容
标准内容部分标准内容:
					
					中华人民共和国国家标准
信息技术系统之间的远程通信和信息交换高级数据链路控制(HDLC)规程通用XID懒信息字段内容和格式
Information technology-Telecommunicatlons and infarmatlonexchange hetween systems High-level data link contrnl(HDLc) procedures-General purpose XID frameinformation field content and formatGB/T 15698—1995
ISO/IEC8885---1991
本标准等同采用国际标准IS0/IEC8885一1991倍息技术系统之间的远程通信和信息交换高
级数据链路控制(HIDLC)规程通用XID顿信息学段内睿和格式》。高级数据链路控制(H[I.C)规程将交换标识(XID))命令/响应顿定义为数据链路信息交换的可选功能。本标准定义了通用XID帧信息段的内容和格式。1 主题内容与适用范围
XII)顿的主要用途是在两个或多个HILC站之间交换数据链路信息。对于本标准,数据链路信息应包恬任何一种战全部基本操作特征,例如标识鉴别和/或有关的每个站的可选功能和设施的选择。当个或多个站能够提供多种选择时,本标准为建立操作特征定义了单次交换协商规程。本标准为在需要通信的双方之问至少建立一个数据链路连接而提供交换所需倍息的-手段。本标准描述了通用XID顺信息字段内容和格式。本标雅不限制在些特定应用中把XI)顿信息宇段定义成其它标准格式下而是可能使用XII)命令/响应顿交换的一些例子,当使用电路交焕网络(包括电路交换网络备份应用)附,主呼和被呼站的标识。a.
h。在心动时需要标认的非交换网络上进行操作的站的标识。在数据链璐建立之前或以后,带有单·个站、组站或全站地址的XID命令帧可用来向数据链路上其它站请求XII)响应顿。
d在数据链路建立之前,运送可能需要的较高层信息在数据链路建立以后在任何响应机会上发送XID响应顿,请求XID交换,以修改某些操作参e.
数(例如,窗口人小),
2引用标准』
GB5271.9数据处理词汇09部分数据通信采用说明:
1二本标准提供的组成部分,文木巾的会文参考内窄,均包括在下列标准提供的内容中。现在这些标准对出版、版本指示均有效,对所有这些标准的题目进行修改+并且各部分内容与本标准基本是一致的,鼓励进行研究并尽可能地利用以下所展示的标准的最新版本。ISO和TEC的成员都应保持登记当前有效的国际标,国家技术监督局1995-08-30批准1996-04-01实施
..comGB/T 15698—1995
GB9387信息处理系统开放系统互连基本参考模型GB/T 15124
GB/T 14400
信息处理系统数据通信
多链路规程
善高级数据链路控制平衡类规程交换环境中数据链路信息处理系统数据通信
层地址的决定/协商
信息技术系统之间的远程通信和信息交换高级数据链路控制(HD[.C)规程
ISO/IEC4335
规程要素
3术语
GB9387、GB/T15124和ISO/IEC4335中给出的术语以及下述术语适用于本标准。3.1地址决定/协商addressresolution/negotiation交换/决定每-数据链路层实体的数据链路层标识的规程。3.2数据链路连接datalinkconnection见GB9387。
3.3格式标识符formatidentifier见 ISO/IEC 4335。
3.4组标识符groupidentifier
数据链路层特征或参数在功能方面的分类符(如地址决定、参数协商、用户数据)。3.5层参数layerparameter
数据链路层特征和参数规范以及它们可用的或可选择的值。3.6单次交换协商规程single-exchangenegotiation procedure启动站在它的命令恢中指出其能力的菜单,而响应站在它的响应懒中指出对该莱单的选择。3.7唯一标识符uniqueidentifier与每一站有关的唯:-比特/字符序列(例如,全球电话号码,站标识或其等效物)。3.8 用户数据 user data
从数据链路层用户获得的信息,或交付给数据链路层用户的信息。4XID 赖信患字段结构
通用XID慎信息字段的通用结构如图1所示。第1个发送的比特
格式标设符
子字段
XID燃控制字段的编码
教据链路层
子字段
XID信息字段Www.bzxZ.net
符号说明F一标志IC一控制;A一地址+FCS顿检验序列。数据路层
子字段
图1XID 顿的通用结构
用户数嵌
子字段
XID恢信息字段由若干个子学段组成。这些子字段是一个格式标识符(FI)子字段,若干个数据链GB/T 15698—1995
路层子字段和一个用户数据子字段。在XID 信息字段中可以容纳的信息量(长度)仅受到HDLC愤息字段最大长度的限制。
4.1格式标识符子字段
格式标识符(FI)子字段在 ISO/IEC 4335 中已定义。 已注册的标准格式标识符的列表在 ISO/IEC4335的附录C(参考件)中给出。
FI子字段具有一个儿位位组的固定长魔。它的编码能够表示128种不同的标推格式和128种用户定义的不间格式的能力,
本标准仅涉及通用格式标识符,该标识符定义了需要在HDLC环境中通信的双方所使用的XID赖信息字段的内容和格式。
4.2数据链路层子字段
数据链路层子字段的通用结构如图2 所示。组标识符(GD)
组长理(GL)
数据链赔尽子字段
雾数字段
图2数据链路层子字段的结构
数据链路层子字段规定各种数据链路层的特征和参数。这些子字段的内容仅由数据链路层逻辑产生和使用。这些子字段的长度仅受到包括FI子字段和用户数据子字段的长度在内的HDLC顿信息字段的最大长度的限制。
往:实际系统的实现还可能对XID赖的长度撼加加的限制。按照图2,一个数据链路层子字段由下述内奔组成:组标识符(1 个八位位组),
组长度(2个八位位组),和
参数字段(n个八位位组)。
组标识符(GI)标识该数据链路层子字段的功能。下面规定了三种数据链路层子字段标识符:地址决定,
参数协商,和
多链路参数协商。
参数字段由若干组参数标识符(PI)(1 个八位位组)、参数长度(PL)(1 个八位位组)和参数值(PV)(m个八位位组)组成,每一组对应于一个所定义的数据链路层子字段元案。所定义的PI/PL/PV组的结构在第 6 章中详述。
因此,数据链路层子字段的通用结构如图3所示。GI
4.3用户数据子字段
鑫数字段
数据鞋路层于字段
图3典型的数据链路层子字段
GB/T156981995
用户数据子字段包括在XID帧交换期间要传送的数据链路用户信息。该数据链路用户信息在数据链路上透明地传输并传递到数据链路用户。可以容纳的信息量(比特数)仅受到包括【了字段和数据链路层子字段长度在内的HII心慎信息学段的最大长度的限制。注:实际系统的实现对于面向八位位组和/或xID慎纳长度可能施加附加限制。用户数据子字段由下述内容组成:用户数据标识符(1个八位位组),和用户数据字段(\比特)。
因此,用户数据子字段具有图4所示的结构。用户数据标识符
用门数据宁段
图4用数据子字段
4.4综述
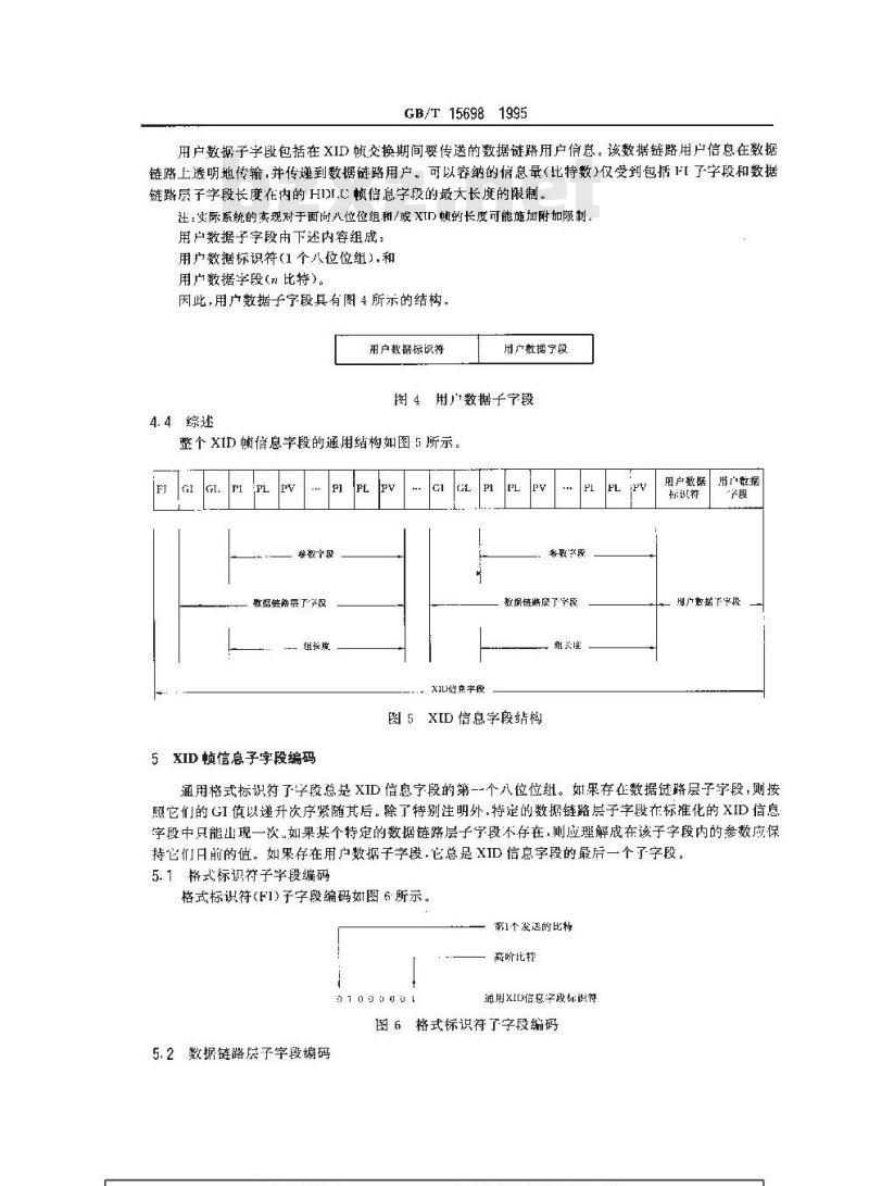
整个XID 信息字段的通用结构如图 5 所示。P
按数宁
数据链路层了段
组求展
5XID顿信息子字段编码
XID倍良字段
零效题
数据链路员了学区
图5XID信息字段结构
用户数据
标认符
用广数据
用户数据于字段
通用格式标识符了字段总是XID信息字段的第一个八位位组。如果存企数据链层子字段,则按照它们的GI值以递升次序紧随其后。除了特别注明外,特定的数据链路层子字段在标准化的XID信息字段中只能山现一次.如果某个特定的数据链路层子段不存在,则应理解成在该子字段内的参数应保持它们日前的值。如果存在用户数据子字段.它总是XID信息字段的最后一个了字段。5.1格式标识符子学段编码
格式标识符(F1)子字段编码图 6·所示。第1个发送的比特
商脐比特
通用XID信意字段款识符
图6格式标识符了字段编码
5.2数据链路层子字段编码
5.2.1组标识符编码
GB/T 15698—1995
组标识等标识与数据链路层有关的各种功能。图7表示了在本标准中所包括的数据链路层子字段的编码,
第1个发送的比特
高所比转
F0t:0UU1
地址决定标识符
参教协商标识符
多链晰参数协商标识符
图7‘数据链路层了字段编码
注,;)卷数协商数据链路层子字段可以在XID信息字段中出现一次以上。这就允许一个站祭选单次XID帧的交换运送彩个可支持的参数的莱单。② 全 1(1111111>的 GI 编码不用作数据链路层子字段的编码。 未使用的其它全部 GI 编码留作将来使用,5.2.2组长度编码
组长度指示有关参数字段的长度。该长度可表示为两个八位位组的二进制数,这两个二进制数代表以八位位组计算的有关参数字段长度。长度值的郑些高阶比特为两个八位位组的第一个,注:纠长度慎不包括它本身或与它有关的组标识符的长度组长度值0表示没有有关的参数字段,而且由有关组标识符规定的子段内的全部参数应使用它们的缺脊值。
5.2.3参数字段编码
参数字段包含 --连串按参数标识符(PI),参数长度(PI.)和参数值(PV)次序构成的组。每个PI 标识一个参数,而且其长度为一个八位位组,每个PI指示有关参数值(PV)的长度,其长度为一个八位位组。每个PV是参数值,其长度为班个八位位组,往;PL 值不包括亡本身的或与它有关的 PI 的长度,PL 值可表示为一个八位位组的二进制数,代表以八位位组计算的 PV 长度。PL 值 0 表示有关的PV不存在·而Ⅱ该参数应使用缺省值。如果不需要运送倍息,或如果打算使用参数的当前值,则可省去PI/PI./PV组。包含本标谁未规定的PI参数字段定义为无效井且不于理躲。除「特别注明外,在同数据链路层了字段内不应发送重复的 PIs。接收器在同一数据链路层了字段内收到重复的Pl,时的动作不在本标难中定义,每个 PI/PL/PV 组的编码在第 6 章中详述。5.3用户数据-F字段编码
5.3.1用户数据标识符编码
用广数据标识符标识用广数据子字段。图8为它的编码。第1个发送的比持
高阶比特
用\数据标误符
8用片数据子字段编码
5.3.2用户数据字段缩码
用户数据宁段经数据链路透明地传输,并传递给数据链路用户,用户数据字段的编码是数据链路用广的责任,而且可以是所涉及的数拐链路用户相协商致的任何格式。GB/T 15698—1995
数据链路层子字段餐数字段的定义和编码对地址决定、参数协商和多链路参数协商数据链路层子字段定义的参数字段元素列表如下。下面解释表1.2、3和4所用的符号:PI:参数标识符,以十进制表示。PL:用八位位组计算的参数长度,以十进制表示,E;表示该字段按比特编码。当该比特罩“1”时,这种特性存在或受发送器支持。当该比特置“0”时,这种特性不存在,或不受发送器支持。B,指示该字段为二进制编码。
N:八位位组数。
NA:不使用
SD:系统定义
Bit No:发送比特的序号。
TRI)待决定。
数据链路层子字段参数字段元案地址快定(GI—10000010)
琴数字段元素
唯一标识符
本地数据链路层地址
参数协商(GI00000001)
参数字段元
唯--标识符
规程类别
HDLC可选功能
组地址
信息字段最大长度发送
信息字段最大长度-接收
窗口大小(k)发送
窗口大小(k)接收
碗认定时器
重发尝试
应答延退定时器
蹦口号
标识符
CB/T 15698-—1995
续表1
多链路参数协商(GI=00010001)
参敷宰段元素
丢失顿定时器(MT1)
组忙定时器(MT2)
复位证实定时器(MT3)
多链路窗口大小(MW)一发送
多链路窗H大小(MW)一接收
保护区留口大小(MX)
多链路纽大小
多链路组感员
地址决定数据链路层子字段参数字段元案表2
参数宇段元索
唯·标积符
本地数据
钱路累地址
注;1)该 PV 的定义和编码是进-步研究的课题。表3
标识符
规程类别\
编码类型
参数协商数据链路层子字段参数字段元素PL.
参数段元察
唯一标识符
平衡-ABM
不平衡NRM·主站
不平衡NRM-次站
不平衡ARM·主站
不平衡ARM-次站
双向交替
双向同时
编码类型
可选功能
组地址3
信息字段长度
(发送)
信息字段长度
(接收)
口大小
(发送)
窗!大小
(接收)
确认时器
重发尝试
应答延
定时器
GB/T15698—1995
续表3
参数字段元索
命令/响应
命令/应
命令/响应
命令/RIM响应
6UP命令
基本地址
13扩充地址
剧除响应1
删除命含1
104模8
10E模128
11RSET命令
TEST命令/响应
13RD响应
A:16比特FCS
14B32比特FCS
15A同步传输
15[3起/止式传输
数据链路纽地址
发送的信息字段
最大长度(比特)
接收的信息字段
最人长度(比特)
窗口大小k发送(顿)
密口大小k接收()
等待确认定时器(mg)
重发尝试最大次数
产生应答时的最大时
本地端标识符
(用于多链路)
注:1)该[V 的定义和缩码是进一步研究的课题,编码类型
20~-24
0~-127
GB/T 15698 -- 1995
2)该孝数字段元素可以重复,以规定率种操作配置。3)该参数字段元素可以重复,以用于多个组地址。门采用说明:IS0/IEC8886—1991为3,有误。表4多链路参数协商数据链路层子字段名称
丢头械定时器
纠忙定时器
复位证实
定时帮
名链路窗口
大小(发送)
乡链路窗口
人小(接收)
保护区窗口
多链路长度
多链路组成员!
参数字段元素
MT1一丢失顿定时器
MT2--组忙定时器
MT3-复位证实定时器
多链路窗1T大小(MW)-
发送(顿)
多链路窗口人小(MW)
接收(慎)
保护区窗口大小(MX)
多链路组的数据链键路编号
本地端口号远程端口号
用于数据链路连接
注:1)该参数字段元索可重复以用于多链路组的每个成员。单次顿交换协商过程
编码类型
(1-41195
0~4095
·标准信息字段来标识,希望
本章定义使用XID命令/响应换的单次帧交换协商过程·其用在转换的或专用的数据链路上通信的双方来描述通信的轮廊。希望或已被请求启动XID慎交换的主站/组合站发送P比特暨\1”的XID命令顿,其信息字段包括可支持的参数的轮席。
响应站启动XII)响应帧,其信息字段表示根据上述轮选定的参数。7.1地址决定
L GB/T 11400。
7.2参数协商
7.2.1规定可支持的参数
XIⅡ)命令顿应规定本地站支持的方式。这些方式的编码如下:3.在参数协商期间可能产生XID顿碰撞的情况下,本地唯一标识符应置下参数字段b。通过成套使用规程类别和 H[.C, 可选功能参数值,来指定多种操作方式。每一套都应这样进行编码,使得HLLC 可选功能参数值中现定的全部 HIJI.C可选功能都得到支持,并与规程类别值中规定的全部规程类别相联系。
所有其它参数值按需要编码。
7.2.2规定所选的参数值
GB/T15698—1995
XID响应顿指定本地站操作方式。响应站的接受准则或参数值的选择方法如下:对“E”比特蕴码的参数,只能选择两个站都支持的选项。b。对窗口大小参数和信息字段最大长度参数,应选择最小值。不理躲接收器不支持的参数宇段,并从XID 响应中制除。c
d。对于HDLC可选功能参数 7、10,14 和 15(见表 3)必须选择其中的一种。从方式 A改变到方式B的方法,或相反的情况,都不是本标准的课题。7.2.3XI命令顿的碰撞
在碰撞期间,用下述方法解决由哪个站控制参数选择。本地唯一标识符与在 XID 命令帧中收到的远程唯一标识符进行比较,如果本地唯一标识符大于远程唯一标识符,那么,本地站应以由远程站提供的XID命令顿内可支持参数轮哪中选择操作参数。这些操作数的选择和XID响应懒的传输在7.2.2条中描述。如果本地唯标识符小于远程站唯…一标识符,则本地站将操作参数选择控制让给远程站。如果XID响应顿不包含参数协商层子字段,可将它解释为在该子字段内的参数应维持它们日前的值(见第5章)。
附加说明:
本标准由中华人民其和国机械电子工业部提出。本标准出机械电子工业部电子标准化研究所归口。本标由机械电子工业部华北计算技术研究所和国家气象局国家气象中心负责起草。本标准主要起草人蔡道法、张保栋、黄家英、李韵琴。
小提示:此标准内容仅展示完整标准里的部分截取内容,若需要完整标准请到上方自行免费下载完整标准文档。
	 
	        
	      信息技术系统之间的远程通信和信息交换高级数据链路控制(HDLC)规程通用XID懒信息字段内容和格式
Information technology-Telecommunicatlons and infarmatlonexchange hetween systems High-level data link contrnl(HDLc) procedures-General purpose XID frameinformation field content and formatGB/T 15698—1995
ISO/IEC8885---1991
本标准等同采用国际标准IS0/IEC8885一1991倍息技术系统之间的远程通信和信息交换高
级数据链路控制(HIDLC)规程通用XID顿信息学段内睿和格式》。高级数据链路控制(H[I.C)规程将交换标识(XID))命令/响应顿定义为数据链路信息交换的可选功能。本标准定义了通用XID帧信息段的内容和格式。1 主题内容与适用范围
XII)顿的主要用途是在两个或多个HILC站之间交换数据链路信息。对于本标准,数据链路信息应包恬任何一种战全部基本操作特征,例如标识鉴别和/或有关的每个站的可选功能和设施的选择。当个或多个站能够提供多种选择时,本标准为建立操作特征定义了单次交换协商规程。本标准为在需要通信的双方之问至少建立一个数据链路连接而提供交换所需倍息的-手段。本标准描述了通用XID顺信息字段内容和格式。本标雅不限制在些特定应用中把XI)顿信息宇段定义成其它标准格式下而是可能使用XII)命令/响应顿交换的一些例子,当使用电路交焕网络(包括电路交换网络备份应用)附,主呼和被呼站的标识。a.
h。在心动时需要标认的非交换网络上进行操作的站的标识。在数据链璐建立之前或以后,带有单·个站、组站或全站地址的XID命令帧可用来向数据链路上其它站请求XII)响应顿。
d在数据链路建立之前,运送可能需要的较高层信息在数据链路建立以后在任何响应机会上发送XID响应顿,请求XID交换,以修改某些操作参e.
数(例如,窗口人小),
2引用标准』
GB5271.9数据处理词汇09部分数据通信采用说明:
1二本标准提供的组成部分,文木巾的会文参考内窄,均包括在下列标准提供的内容中。现在这些标准对出版、版本指示均有效,对所有这些标准的题目进行修改+并且各部分内容与本标准基本是一致的,鼓励进行研究并尽可能地利用以下所展示的标准的最新版本。ISO和TEC的成员都应保持登记当前有效的国际标,国家技术监督局1995-08-30批准1996-04-01实施
..comGB/T 15698—1995
GB9387信息处理系统开放系统互连基本参考模型GB/T 15124
GB/T 14400
信息处理系统数据通信
多链路规程
善高级数据链路控制平衡类规程交换环境中数据链路信息处理系统数据通信
层地址的决定/协商
信息技术系统之间的远程通信和信息交换高级数据链路控制(HD[.C)规程
ISO/IEC4335
规程要素
3术语
GB9387、GB/T15124和ISO/IEC4335中给出的术语以及下述术语适用于本标准。3.1地址决定/协商addressresolution/negotiation交换/决定每-数据链路层实体的数据链路层标识的规程。3.2数据链路连接datalinkconnection见GB9387。
3.3格式标识符formatidentifier见 ISO/IEC 4335。
3.4组标识符groupidentifier
数据链路层特征或参数在功能方面的分类符(如地址决定、参数协商、用户数据)。3.5层参数layerparameter
数据链路层特征和参数规范以及它们可用的或可选择的值。3.6单次交换协商规程single-exchangenegotiation procedure启动站在它的命令恢中指出其能力的菜单,而响应站在它的响应懒中指出对该莱单的选择。3.7唯一标识符uniqueidentifier与每一站有关的唯:-比特/字符序列(例如,全球电话号码,站标识或其等效物)。3.8 用户数据 user data
从数据链路层用户获得的信息,或交付给数据链路层用户的信息。4XID 赖信患字段结构
通用XID慎信息字段的通用结构如图1所示。第1个发送的比特
格式标设符
子字段
XID燃控制字段的编码
教据链路层
子字段
XID信息字段Www.bzxZ.net
符号说明F一标志IC一控制;A一地址+FCS顿检验序列。数据路层
子字段
图1XID 顿的通用结构
用户数嵌
子字段
XID恢信息字段由若干个子学段组成。这些子字段是一个格式标识符(FI)子字段,若干个数据链GB/T 15698—1995
路层子字段和一个用户数据子字段。在XID 信息字段中可以容纳的信息量(长度)仅受到HDLC愤息字段最大长度的限制。
4.1格式标识符子字段
格式标识符(FI)子字段在 ISO/IEC 4335 中已定义。 已注册的标准格式标识符的列表在 ISO/IEC4335的附录C(参考件)中给出。
FI子字段具有一个儿位位组的固定长魔。它的编码能够表示128种不同的标推格式和128种用户定义的不间格式的能力,
本标准仅涉及通用格式标识符,该标识符定义了需要在HDLC环境中通信的双方所使用的XID赖信息字段的内容和格式。
4.2数据链路层子字段
数据链路层子字段的通用结构如图2 所示。组标识符(GD)
组长理(GL)
数据链赔尽子字段
雾数字段
图2数据链路层子字段的结构
数据链路层子字段规定各种数据链路层的特征和参数。这些子字段的内容仅由数据链路层逻辑产生和使用。这些子字段的长度仅受到包括FI子字段和用户数据子字段的长度在内的HDLC顿信息字段的最大长度的限制。
往:实际系统的实现还可能对XID赖的长度撼加加的限制。按照图2,一个数据链路层子字段由下述内奔组成:组标识符(1 个八位位组),
组长度(2个八位位组),和
参数字段(n个八位位组)。
组标识符(GI)标识该数据链路层子字段的功能。下面规定了三种数据链路层子字段标识符:地址决定,
参数协商,和
多链路参数协商。
参数字段由若干组参数标识符(PI)(1 个八位位组)、参数长度(PL)(1 个八位位组)和参数值(PV)(m个八位位组)组成,每一组对应于一个所定义的数据链路层子字段元案。所定义的PI/PL/PV组的结构在第 6 章中详述。
因此,数据链路层子字段的通用结构如图3所示。GI
4.3用户数据子字段
鑫数字段
数据鞋路层于字段
图3典型的数据链路层子字段
GB/T156981995
用户数据子字段包括在XID帧交换期间要传送的数据链路用户信息。该数据链路用户信息在数据链路上透明地传输并传递到数据链路用户。可以容纳的信息量(比特数)仅受到包括【了字段和数据链路层子字段长度在内的HII心慎信息学段的最大长度的限制。注:实际系统的实现对于面向八位位组和/或xID慎纳长度可能施加附加限制。用户数据子字段由下述内容组成:用户数据标识符(1个八位位组),和用户数据字段(\比特)。
因此,用户数据子字段具有图4所示的结构。用户数据标识符
用门数据宁段
图4用数据子字段
4.4综述
整个XID 信息字段的通用结构如图 5 所示。P
按数宁
数据链路层了段
组求展
5XID顿信息子字段编码
XID倍良字段
零效题
数据链路员了学区
图5XID信息字段结构
用户数据
标认符
用广数据
用户数据于字段
通用格式标识符了字段总是XID信息字段的第一个八位位组。如果存企数据链层子字段,则按照它们的GI值以递升次序紧随其后。除了特别注明外,特定的数据链路层子字段在标准化的XID信息字段中只能山现一次.如果某个特定的数据链路层子段不存在,则应理解成在该子字段内的参数应保持它们日前的值。如果存在用户数据子字段.它总是XID信息字段的最后一个了字段。5.1格式标识符子学段编码
格式标识符(F1)子字段编码图 6·所示。第1个发送的比特
商脐比特
通用XID信意字段款识符
图6格式标识符了字段编码
5.2数据链路层子字段编码
5.2.1组标识符编码
GB/T 15698—1995
组标识等标识与数据链路层有关的各种功能。图7表示了在本标准中所包括的数据链路层子字段的编码,
第1个发送的比特
高所比转
F0t:0UU1
地址决定标识符
参教协商标识符
多链晰参数协商标识符
图7‘数据链路层了字段编码
注,;)卷数协商数据链路层子字段可以在XID信息字段中出现一次以上。这就允许一个站祭选单次XID帧的交换运送彩个可支持的参数的莱单。② 全 1(1111111>的 GI 编码不用作数据链路层子字段的编码。 未使用的其它全部 GI 编码留作将来使用,5.2.2组长度编码
组长度指示有关参数字段的长度。该长度可表示为两个八位位组的二进制数,这两个二进制数代表以八位位组计算的有关参数字段长度。长度值的郑些高阶比特为两个八位位组的第一个,注:纠长度慎不包括它本身或与它有关的组标识符的长度组长度值0表示没有有关的参数字段,而且由有关组标识符规定的子段内的全部参数应使用它们的缺脊值。
5.2.3参数字段编码
参数字段包含 --连串按参数标识符(PI),参数长度(PI.)和参数值(PV)次序构成的组。每个PI 标识一个参数,而且其长度为一个八位位组,每个PI指示有关参数值(PV)的长度,其长度为一个八位位组。每个PV是参数值,其长度为班个八位位组,往;PL 值不包括亡本身的或与它有关的 PI 的长度,PL 值可表示为一个八位位组的二进制数,代表以八位位组计算的 PV 长度。PL 值 0 表示有关的PV不存在·而Ⅱ该参数应使用缺省值。如果不需要运送倍息,或如果打算使用参数的当前值,则可省去PI/PI./PV组。包含本标谁未规定的PI参数字段定义为无效井且不于理躲。除「特别注明外,在同数据链路层了字段内不应发送重复的 PIs。接收器在同一数据链路层了字段内收到重复的Pl,时的动作不在本标难中定义,每个 PI/PL/PV 组的编码在第 6 章中详述。5.3用户数据-F字段编码
5.3.1用户数据标识符编码
用广数据标识符标识用广数据子字段。图8为它的编码。第1个发送的比持
高阶比特
用\数据标误符
8用片数据子字段编码
5.3.2用户数据字段缩码
用户数据宁段经数据链路透明地传输,并传递给数据链路用户,用户数据字段的编码是数据链路用广的责任,而且可以是所涉及的数拐链路用户相协商致的任何格式。GB/T 15698—1995
数据链路层子字段餐数字段的定义和编码对地址决定、参数协商和多链路参数协商数据链路层子字段定义的参数字段元素列表如下。下面解释表1.2、3和4所用的符号:PI:参数标识符,以十进制表示。PL:用八位位组计算的参数长度,以十进制表示,E;表示该字段按比特编码。当该比特罩“1”时,这种特性存在或受发送器支持。当该比特置“0”时,这种特性不存在,或不受发送器支持。B,指示该字段为二进制编码。
N:八位位组数。
NA:不使用
SD:系统定义
Bit No:发送比特的序号。
TRI)待决定。
数据链路层子字段参数字段元案地址快定(GI—10000010)
琴数字段元素
唯一标识符
本地数据链路层地址
参数协商(GI00000001)
参数字段元
唯--标识符
规程类别
HDLC可选功能
组地址
信息字段最大长度发送
信息字段最大长度-接收
窗口大小(k)发送
窗口大小(k)接收
碗认定时器
重发尝试
应答延退定时器
蹦口号
标识符
CB/T 15698-—1995
续表1
多链路参数协商(GI=00010001)
参敷宰段元素
丢失顿定时器(MT1)
组忙定时器(MT2)
复位证实定时器(MT3)
多链路窗口大小(MW)一发送
多链路窗H大小(MW)一接收
保护区留口大小(MX)
多链路纽大小
多链路组感员
地址决定数据链路层子字段参数字段元案表2
参数宇段元索
唯·标积符
本地数据
钱路累地址
注;1)该 PV 的定义和编码是进-步研究的课题。表3
标识符
规程类别\
编码类型
参数协商数据链路层子字段参数字段元素PL.
参数段元察
唯一标识符
平衡-ABM
不平衡NRM·主站
不平衡NRM-次站
不平衡ARM·主站
不平衡ARM-次站
双向交替
双向同时
编码类型
可选功能
组地址3
信息字段长度
(发送)
信息字段长度
(接收)
口大小
(发送)
窗!大小
(接收)
确认时器
重发尝试
应答延
定时器
GB/T15698—1995
续表3
参数字段元索
命令/响应
命令/应
命令/响应
命令/RIM响应
6UP命令
基本地址
13扩充地址
剧除响应1
删除命含1
104模8
10E模128
11RSET命令
TEST命令/响应
13RD响应
A:16比特FCS
14B32比特FCS
15A同步传输
15[3起/止式传输
数据链路纽地址
发送的信息字段
最大长度(比特)
接收的信息字段
最人长度(比特)
窗口大小k发送(顿)
密口大小k接收()
等待确认定时器(mg)
重发尝试最大次数
产生应答时的最大时
本地端标识符
(用于多链路)
注:1)该[V 的定义和缩码是进一步研究的课题,编码类型
20~-24
0~-127
GB/T 15698 -- 1995
2)该孝数字段元素可以重复,以规定率种操作配置。3)该参数字段元素可以重复,以用于多个组地址。门采用说明:IS0/IEC8886—1991为3,有误。表4多链路参数协商数据链路层子字段名称
丢头械定时器
纠忙定时器
复位证实
定时帮
名链路窗口
大小(发送)
乡链路窗口
人小(接收)
保护区窗口
多链路长度
多链路组成员!
参数字段元素
MT1一丢失顿定时器
MT2--组忙定时器
MT3-复位证实定时器
多链路窗1T大小(MW)-
发送(顿)
多链路窗口人小(MW)
接收(慎)
保护区窗口大小(MX)
多链路组的数据链键路编号
本地端口号远程端口号
用于数据链路连接
注:1)该参数字段元索可重复以用于多链路组的每个成员。单次顿交换协商过程
编码类型
(1-41195
0~4095
·标准信息字段来标识,希望
本章定义使用XID命令/响应换的单次帧交换协商过程·其用在转换的或专用的数据链路上通信的双方来描述通信的轮廊。希望或已被请求启动XID慎交换的主站/组合站发送P比特暨\1”的XID命令顿,其信息字段包括可支持的参数的轮席。
响应站启动XII)响应帧,其信息字段表示根据上述轮选定的参数。7.1地址决定
L GB/T 11400。
7.2参数协商
7.2.1规定可支持的参数
XIⅡ)命令顿应规定本地站支持的方式。这些方式的编码如下:3.在参数协商期间可能产生XID顿碰撞的情况下,本地唯一标识符应置下参数字段b。通过成套使用规程类别和 H[.C, 可选功能参数值,来指定多种操作方式。每一套都应这样进行编码,使得HLLC 可选功能参数值中现定的全部 HIJI.C可选功能都得到支持,并与规程类别值中规定的全部规程类别相联系。
所有其它参数值按需要编码。
7.2.2规定所选的参数值
GB/T15698—1995
XID响应顿指定本地站操作方式。响应站的接受准则或参数值的选择方法如下:对“E”比特蕴码的参数,只能选择两个站都支持的选项。b。对窗口大小参数和信息字段最大长度参数,应选择最小值。不理躲接收器不支持的参数宇段,并从XID 响应中制除。c
d。对于HDLC可选功能参数 7、10,14 和 15(见表 3)必须选择其中的一种。从方式 A改变到方式B的方法,或相反的情况,都不是本标准的课题。7.2.3XI命令顿的碰撞
在碰撞期间,用下述方法解决由哪个站控制参数选择。本地唯一标识符与在 XID 命令帧中收到的远程唯一标识符进行比较,如果本地唯一标识符大于远程唯一标识符,那么,本地站应以由远程站提供的XID命令顿内可支持参数轮哪中选择操作参数。这些操作数的选择和XID响应懒的传输在7.2.2条中描述。如果本地唯标识符小于远程站唯…一标识符,则本地站将操作参数选择控制让给远程站。如果XID响应顿不包含参数协商层子字段,可将它解释为在该子字段内的参数应维持它们日前的值(见第5章)。
附加说明:
本标准由中华人民其和国机械电子工业部提出。本标准出机械电子工业部电子标准化研究所归口。本标由机械电子工业部华北计算技术研究所和国家气象局国家气象中心负责起草。本标准主要起草人蔡道法、张保栋、黄家英、李韵琴。
小提示:此标准内容仅展示完整标准里的部分截取内容,若需要完整标准请到上方自行免费下载完整标准文档。
 标准图片预览
标准图片预览 标准图片预览:





- 热门标准
- 国家标准(GB)
- GB/T21666-2008 尿吸收辅助器具 评价的一般指南
- GB/T2828.1-2012 计数抽样检验程序 第1部分:按接收质量限(AQL)检索的逐批检验抽样计划
- GB/T32999-2016 表面化学分析 深度剖析 用机械轮廓仪栅网复型法测量溅射速率
- GB/T13589-2007 锌及锌合金废料
- GB/T39454-2020 国际贸易业务数据规范货物跟踪与追溯
- GB/T38604.4-2020 公共信息导向系统 评价要求 第4部分:公共汽电车车站
- GB28355-2012 食品添加剂 水杨酸甲酯(柳酸甲酯)
- GB/T38948-2020 沥青混合料低温抗裂性能评价方法
- GB/T19561-2004 寒地节能日光温室建造规程
- GB/T13070-1991 铀矿石中铀的测定 电位滴定法
- GB14880-2012 食品营养强化剂使用标准
- GB/T43912-2024 铸造机械 再制造 通用技术规范
- GB/T9003-1988 调音台基本特性测量方法
- GB5585.3-1985 电工用铜、铝及其合金母线 第3部分:铝母线
- GB/T7574-1987 信息处理交换用磁带标号和文卷结构
- 行业新闻
请牢记:“bzxz.net”即是“标准下载”四个汉字汉语拼音首字母与国际顶级域名“.net”的组合。 ©2025 标准下载网 www.bzxz.net 本站邮件:bzxznet@163.com
网站备案号:湘ICP备2025141790号-2
网站备案号:湘ICP备2025141790号-2