- 您的位置:
- 标准下载网 >>
- 标准分类 >>
- 国家标准(GB) >>
- GB/T 15335-1994 矿用风筒漏风率和风阻的测定方法
标准号:
GB/T 15335-1994
标准名称:
矿用风筒漏风率和风阻的测定方法
标准类别:
国家标准(GB)
标准状态:
已作废-
发布日期:
1994-01-02 -
实施日期:
1995-08-01 -
作废日期:
2006-08-01 出版语种:
简体中文下载格式:
.rar.pdf下载大小:
121.61 KB
替代情况:
被GB/T 15335-2006代替

点击下载
标准简介:
标准下载解压密码:www.bzxz.net
本标准规定了矿用风筒漏风率和风阻的测定系统、测定条件、测定步骤和测定结果的表述。本标准适用于矿用正压风筒和负压风筒产品。 GB/T 15335-1994 矿用风筒漏风率和风阻的测定方法 GB/T15335-1994

部分标准内容:
中华人民共和国国家标准
矿用风筒漏风率和风阻的测定方法Determination of leakage rate and specificresistance for mine air duct1主题内容与适用范围
GB/T 1533594
本标准规定了矿用风简漏风率和风阻的测定系统、测定条件、测定步骤和测定结果的表述。本标准适用于矿用正压风简和负压风简产品。2引用标准
GB1236通风机空气动力性能试验方法MT164煤矿用正压风简
MT165煤矿用负压风简
3术语
3.1百米[风简漏风率
leakage rate per l00 m of air duct在规定的风压条件下,平均每百米风简漏风量占风简进口风量的百分数。3.2百米[风簡]风阻
specific resistance per 100 m of air duct平均每百米风簡轴线方向上的摩擦风阻和接头风阻之和。3.3百米[风]标准风阻
reference specific resistance per lo0 m of air duct在空气密度为1.20kg/m的条件下,平均每百米风简轴线方向上的摩擦风阻和接头风阻之和。4测定系统
测定系统由测定装置、被测风简、测量仪器组成。测定系统布置如图1、图2所示。国家技术监督局1994-12-22批准1995-08-01实施
>6D[4 >5DGB/T15335—94
正压风简测定系统示意图
1--通风机;2-—连接风简3—整流段;4--测量段;5—-皮托管;6—温度计7--微压计;8被测风简;9—胶管;10—风量调节器;L整流段长度456
5DL>4.5D
图2负压风简测定系统示意图
1--通风机;2—连接风简;3—整流段;4--温度计;5—皮托管?6—测量段,7—微压计;8—被测风简;9-胶管10—风量调节器,L—整流段长度4.1测定装置
测定装置由通风机、测试管路、整流装置和风量调节器组成。测试管路采用圆形管道。测量段的直径应与被测风簡的直径一致。4.1.1应采用能满足要求的JBT型轴流式通风机。4.1.2测试管路和整流装置的尺寸和形状应符合GB1236中3.3.1.3和3.4的规定。4.2测量仪器
测量仪器应符合表1的规定。
仪器名称
气压计
温度计
皮托管
测量范围
0~2500
80X103~106×103
0~50
最小分度值bzxZ.net
(准确度二等)
5测定条件
GB/T15335—94
5.1测定系统应设置在不受外界气流干扰的场所。5.2被测风简总长度应不少于100m,平直地安装在测定系统内。6测定步骤
6.1检查被测风简的安装是否平直、牢固。6.2调试仪器,检查连接仪器的胶管有无堵塞或漏气。6.3启动通风机,运转30min。
6.4测量被测风简的长度。
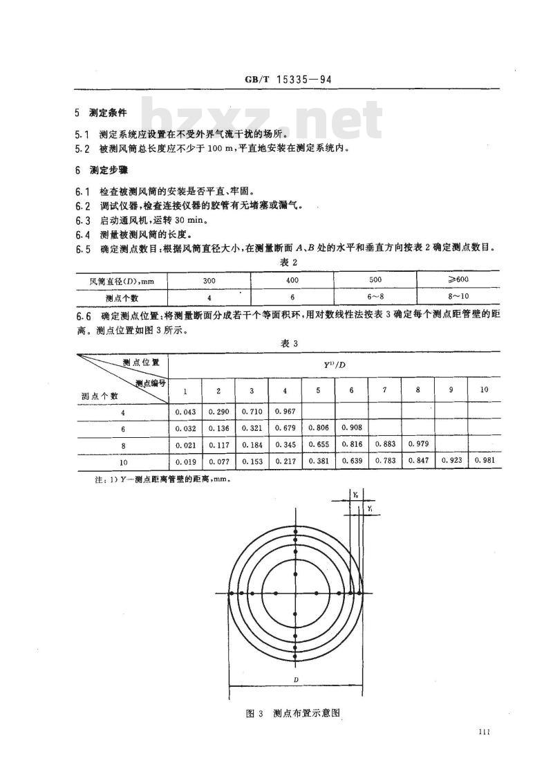
确定测点数目;根据风简直径大小,在测量断面 A、B处的水平和垂直方向按表 2 确定测点数目。6.5
风简直径(D),mm
测点个数
≥600
6.6确定测点位置:将测量断面分成若干个等面积环,用对数线性法按表3确定每个测点距管壁的距离。测点位置如图3所示。
测点位置
测点个数
测点编号
注:1)Y测点距离管壁的距离,mm。0.710
图3测点布置示意图
GB/T 15335—94
6.7用风量调节器将测量断面A处的相对静压调至(1200~~2000)土20Pa(根据风简直径选定)后,进行下列参数测量:
6.7.1环境大气压力P。
6.7.2测量断面 A、B处的风流温度 tA、tB,6. 7. 3 测量断面 A、B 处的相对静压 PnA、PB36.7.4测量断面A、B之间的静压差△P.36. 7. 5测量断面 A,B 的动压 PdA、PaBa将皮托管从测量断面 A、B 处的管壁一侧插入到测点位置,在 A、B断面处同时测定动压,读取每个测点的动压值。每个测点应重复读数至少三次。皮托管测头迎面正对风流,测头与风流轴向保持一致,其偏角应不大于士3°。7 测定结果的表述
7.1空气密度按式(1)计算:
p: 3. 483 × 10-3 ×
式中:P:测量断面A、B任一处的空气密度,kg/m,Pe
“士”_
一测量断面处的大气压力,Pa;
一“十\用于正压风简,“一”用于负压风筒,P.n——测量断面 A、B 任一处的相对静压,Pa,T——热力学温度,T273.15+,K
t, --测量断面 A、B 任-处的风流温度,℃。7.2风量
7.2.1 测量断面 A、B任一处的平均风速按式(2)计算:24
式中:V--测量断面 A、B 任-处的平均风速,m /s,Pa——第i个测点的动压,Pa;
.n测点总数;
-皮托管校正系数。
7.2.2测量断面 A、B任一-处的风量按式(3)计算:Vp
Q. = S, ? V
式中:Q -测量断面 A、B 任一处的风量,m /s;S-测量断面 A、B 任一处的面积,m。7.3风簡漏风率
7.3.1风简漏风量按式(4)计算:112
(2)
(3)
GB/T15335—94
AQ = QA Q:
式中AQ—测量断面 A、B之间的风简漏风量,m/s;Q -测量断面 A 处的风量,m /s;QB-测量断面 B处的风量,m /s。7.3.2风简漏风率(%)按式(5)计算:Q= Q=×100
式中:K-
测量断面A、B之间的风简漏风率,7.3.3百米[风筒门漏风率(%)按式(6)计算:K100
式中:K100——百米[风简]漏风率;LAa——测量断面 A,B之间的风简长度、m。100K
7.4风簡测量断面A、B之间的通风阻力按式(7)计算:h = AP. ± eVa_ Pav)
式中:h一
测量断面A、B之间的风简通风阻力,Pa:PA~P=—--分别为测量断面A处和B处的空气密度,kg/m;VA、Vz一一分别为测量断面 A处和 B处的平均风速,m /s。7.4.1风简测量断面间的风阻按式(8)计算:RAR =
一风简测量断面 A、B 间的风阻,N · s\ / m°。式中:Ra—
7.4.2百米[风简]风阻按式(9)计算:Rioo
式中:R100——-百米[风简]风阻,N·s\/m°。7.4.3百米[风筒]标准风阻按式(10)计算:Rs =
式中,Rs-——百米[风简]标准风阻,N·s\/m。100RAB
ea + ps
(5)
(7)
(8)
·(9)
GB/T15335—94
百米[风简]漏风率和百米[风简]风阻分别测定三次,取其算术平均值。附加说明:
本标准由中华人民共和国煤炭工业部提出。本标准由煤炭工业部煤矿安全标准化技术委员会归口。本标准由煤炭科学研究总院重庆分院起草和负责解释。本标准主要起草人冯宗福、左兴福、李万鹏。111
小提示:此标准内容仅展示完整标准里的部分截取内容,若需要完整标准请到上方自行免费下载完整标准文档。
矿用风筒漏风率和风阻的测定方法Determination of leakage rate and specificresistance for mine air duct1主题内容与适用范围
GB/T 1533594
本标准规定了矿用风简漏风率和风阻的测定系统、测定条件、测定步骤和测定结果的表述。本标准适用于矿用正压风简和负压风简产品。2引用标准
GB1236通风机空气动力性能试验方法MT164煤矿用正压风简
MT165煤矿用负压风简
3术语
3.1百米[风简漏风率
leakage rate per l00 m of air duct在规定的风压条件下,平均每百米风简漏风量占风简进口风量的百分数。3.2百米[风簡]风阻
specific resistance per 100 m of air duct平均每百米风簡轴线方向上的摩擦风阻和接头风阻之和。3.3百米[风]标准风阻
reference specific resistance per lo0 m of air duct在空气密度为1.20kg/m的条件下,平均每百米风简轴线方向上的摩擦风阻和接头风阻之和。4测定系统
测定系统由测定装置、被测风简、测量仪器组成。测定系统布置如图1、图2所示。国家技术监督局1994-12-22批准1995-08-01实施
>6D[4 >5D
正压风简测定系统示意图
1--通风机;2-—连接风简3—整流段;4--测量段;5—-皮托管;6—温度计7--微压计;8被测风简;9—胶管;10—风量调节器;L整流段长度456
图2负压风简测定系统示意图
1--通风机;2—连接风简;3—整流段;4--温度计;5—皮托管?6—测量段,7—微压计;8—被测风简;9-胶管10—风量调节器,L—整流段长度4.1测定装置
测定装置由通风机、测试管路、整流装置和风量调节器组成。测试管路采用圆形管道。测量段的直径应与被测风簡的直径一致。4.1.1应采用能满足要求的JBT型轴流式通风机。4.1.2测试管路和整流装置的尺寸和形状应符合GB1236中3.3.1.3和3.4的规定。4.2测量仪器
测量仪器应符合表1的规定。
仪器名称
气压计
温度计
皮托管
测量范围
0~2500
80X103~106×103
0~50
最小分度值bzxZ.net
(准确度二等)
5测定条件
GB/T15335—94
5.1测定系统应设置在不受外界气流干扰的场所。5.2被测风简总长度应不少于100m,平直地安装在测定系统内。6测定步骤
6.1检查被测风简的安装是否平直、牢固。6.2调试仪器,检查连接仪器的胶管有无堵塞或漏气。6.3启动通风机,运转30min。
6.4测量被测风简的长度。
确定测点数目;根据风简直径大小,在测量断面 A、B处的水平和垂直方向按表 2 确定测点数目。6.5
风简直径(D),mm
测点个数
≥600
6.6确定测点位置:将测量断面分成若干个等面积环,用对数线性法按表3确定每个测点距管壁的距离。测点位置如图3所示。
测点位置
测点个数
测点编号
注:1)Y测点距离管壁的距离,mm。0.710
图3测点布置示意图
GB/T 15335—94
6.7用风量调节器将测量断面A处的相对静压调至(1200~~2000)土20Pa(根据风简直径选定)后,进行下列参数测量:
6.7.1环境大气压力P。
6.7.2测量断面 A、B处的风流温度 tA、tB,6. 7. 3 测量断面 A、B 处的相对静压 PnA、PB36.7.4测量断面A、B之间的静压差△P.36. 7. 5测量断面 A,B 的动压 PdA、PaBa将皮托管从测量断面 A、B 处的管壁一侧插入到测点位置,在 A、B断面处同时测定动压,读取每个测点的动压值。每个测点应重复读数至少三次。皮托管测头迎面正对风流,测头与风流轴向保持一致,其偏角应不大于士3°。7 测定结果的表述
7.1空气密度按式(1)计算:
p: 3. 483 × 10-3 ×
式中:P:测量断面A、B任一处的空气密度,kg/m,Pe
“士”_
一测量断面处的大气压力,Pa;
一“十\用于正压风简,“一”用于负压风筒,P.n——测量断面 A、B 任一处的相对静压,Pa,T——热力学温度,T273.15+,K
t, --测量断面 A、B 任-处的风流温度,℃。7.2风量
7.2.1 测量断面 A、B任一处的平均风速按式(2)计算:24
式中:V--测量断面 A、B 任-处的平均风速,m /s,Pa——第i个测点的动压,Pa;
.n测点总数;
-皮托管校正系数。
7.2.2测量断面 A、B任一-处的风量按式(3)计算:Vp
Q. = S, ? V
式中:Q -测量断面 A、B 任一处的风量,m /s;S-测量断面 A、B 任一处的面积,m。7.3风簡漏风率
7.3.1风简漏风量按式(4)计算:112
(2)
(3)
GB/T15335—94
AQ = QA Q:
式中AQ—测量断面 A、B之间的风简漏风量,m/s;Q -测量断面 A 处的风量,m /s;QB-测量断面 B处的风量,m /s。7.3.2风简漏风率(%)按式(5)计算:Q= Q=×100
式中:K-
测量断面A、B之间的风简漏风率,7.3.3百米[风筒门漏风率(%)按式(6)计算:K100
式中:K100——百米[风简]漏风率;LAa——测量断面 A,B之间的风简长度、m。100K
7.4风簡测量断面A、B之间的通风阻力按式(7)计算:h = AP. ± eVa_ Pav)
式中:h一
测量断面A、B之间的风简通风阻力,Pa:PA~P=—--分别为测量断面A处和B处的空气密度,kg/m;VA、Vz一一分别为测量断面 A处和 B处的平均风速,m /s。7.4.1风简测量断面间的风阻按式(8)计算:RAR =
一风简测量断面 A、B 间的风阻,N · s\ / m°。式中:Ra—
7.4.2百米[风简]风阻按式(9)计算:Rioo
式中:R100——-百米[风简]风阻,N·s\/m°。7.4.3百米[风筒]标准风阻按式(10)计算:Rs =
式中,Rs-——百米[风简]标准风阻,N·s\/m。100RAB
ea + ps
(5)
(7)
(8)
·(9)
GB/T15335—94
百米[风简]漏风率和百米[风简]风阻分别测定三次,取其算术平均值。附加说明:
本标准由中华人民共和国煤炭工业部提出。本标准由煤炭工业部煤矿安全标准化技术委员会归口。本标准由煤炭科学研究总院重庆分院起草和负责解释。本标准主要起草人冯宗福、左兴福、李万鹏。111
小提示:此标准内容仅展示完整标准里的部分截取内容,若需要完整标准请到上方自行免费下载完整标准文档。

标准图片预览:





- 其它标准
- 热门标准
- 国家标准(GB)
- GB/T2828.1-2012 计数抽样检验程序 第1部分:按接收质量限(AQL)检索的逐批检验抽样计划
- GB/T39249-2020 橡胶和塑料软管及非增强软管织物增强型 低温压扁试验
- GB50115-2009 工业电视系统工程设计规范
- GB/T7095.1-2008漆 漆包铜扁绕组线 第1部分:一般规定
- GB/T12449-1990 以专用连接线方式互连的声音和电视广播发射设备与监控设备之间的接口
- GB/T285-1994 滚动轴承 双列圆柱滚子轴承 外形尺寸
- GB/T1599-2002 锑锭
- GB/T27404-2008 实验室质量控制规范 食品理化检测
- GB50724-2011 大宗气体纯化及输送系统工程技术规范
- GB/T6178-1986 1型六角开槽螺母A和B级
- GB5903-1995 工业闭式齿轮油
- GB/T5094.1-2002 工业系统、装置与设备以及工业产品结构原则与参照代号 第1部分:基本规则
- GB/T5094-1985 电气技术中的项目代号
- GB/T23344-2009 纺织品 4-氨基偶氮苯的测定
- GB4623-1994 环形预应力混凝土电杆
- 行业新闻
请牢记:“bzxz.net”即是“标准下载”四个汉字汉语拼音首字母与国际顶级域名“.net”的组合。 ©2009 标准下载网 www.bzxz.net 本站邮件:bzxznet@163.com
网站备案号:湘ICP备2023016450号-1
网站备案号:湘ICP备2023016450号-1