- 您的位置:
- 标准下载网 >>
- 标准分类 >>
- 国家标准(GB) >>
- GB/T 1239.2-2009 冷卷圆柱螺旋弹簧技术条件 第2部分:压缩弹簧
标准号:
GB/T 1239.2-2009
标准名称:
冷卷圆柱螺旋弹簧技术条件 第2部分:压缩弹簧
标准类别:
国家标准(GB)
标准状态:
现行-
发布日期:
2009-03-16 -
实施日期:
2009-11-01 出版语种:
简体中文下载格式:
.rar .pdf下载大小:
2.36 MB
替代情况:
替代GB/T 1239.2-1989
点击下载
标准简介:
标准下载解压密码:www.bzxz.net
GB/T1239的本部分规定了冷卷圆截面圆柱螺旋压缩弹簧的技术要求、试验方法、检验规则及包装、标志、运输、贮存要求等。本部分适用于冷卷圆截面圆柱螺旋压缩弹簧(以下简称弹簧),弹簧材料的截面直径大于或等于0.5mm。本部分不适用于特殊要求的弹簧。 GB/T 1239.2-2009 冷卷圆柱螺旋弹簧技术条件 第2部分:压缩弹簧 GB/T1239.2-2009
部分标准内容:
ICS 21.160
中华人民共和国国家标准
GB/T1239.2—2009
代替GB/T1239.2—1989
冷卷圆柱螺旋弹簧技术条件
第2部分:压缩弹簧
Cold coiled helical springs technical specifications-Part 2:Compressions spring
2009-03-16发布
中华人民共和国国家质量监督检验检疫总局中国国家标准化管理委员会
2009-11-01实施
GB/T1239《冷卷圆柱螺旋弹簧技术条件》分为3个部分:第1部分:拉伸弹簧;
第2部分:压缩弹簧;
第3部分:扭转弹簧。
本部分是GB/T1239的第2部分。
GB/T1239.2—2009
本部分是对GB/T1239.2一1989《冷卷圆柱螺旋压缩弹簧技术条件》的修订。修订时仍保留GB1239.2一1989《冷卷圆柱螺旋压缩弹簧技术条件》中有效的部分,对已不适应的内容进行重新修订。本部分与被修订标准的主要技术差异如下:按GB/T1805一2001《弹簧术语》,对原标准涉及负荷、刚度、变形量等符号进行修订;由于材料的更新,对引用的材料标准进行了全面查新,使用已修订过的最新版本代替原标准所引用的老版本;
增加了对于弹簧特性的选用条件、旋向,拓展了弹簧旋绕比的取值范围;由于原材料供货方式的改变,导致生产制造模式的变革,删除了采用退火料等软状态的条款;增加了直线度和压并高度的测量方法;增加了弹簧检查项目的分类:
对章节顺序进行调整,使GB/T1239.1~1239.3标准章节顺序保持一致本部分的附录A为资料性附录。
本部分由中国机械工业联合会提出,本部分由全国弹簧标准化技术委员会(SAC/TC235)归口。本部分负责起草单位:杭州弹簧有限公司、中机生产力促进中心。本部分参加起草单位:常州市铭锦弹簧有限公司、解放军1001强力弹簧研究所、浙江美力弹簧有限公司、浙江金昌弹簧有限公司、钱江弹簧有限公司、无锡威孚精密机械制造有限公司弹簧厂、北京弹簧厂、立洲(福建)弹簧有限公司、杭州富春弹簧有限公司、无锡丰力弹簧有限公司。本部分主要起草人:姜晓炜、杨伟明、姜膺、舒荣福、曹辉荣、蒋欣荣、昊刚、陈洁、贺永义、严世平、王卫、章碧鸿、张涌森、邵文武、尤伟明、陆培根、赵志鹏。本部分所代替标准的历次版本发布情况为:GB1239—1976、GB/T1239.2—1989。1
1范围
冷卷圆柱螺旋弹簧技术条件
第2部分:压缩弹簧
GB/T1239.2—2009
GB/T1239的本部分规定了冷卷圆截面圆柱螺旋压缩弹簧的技术要求、试验方法、检验规则及包装、标志、运输、贮存要求等。本部分适用于冷卷圆截面圆柱螺旋压缩弹簧(以下简称弹簧),弹簧材料的截面直径大于或等于0.5mm。
本部分不适用于特殊要求的弹簧。2规范性引用文件
下列文件中的条款通过GB/T1239的本部分的引用而成为本部分的条款。凡是注目期的引用文件,其随后所有的修改单(不包括勘误的内容)或修订版均不适用于本部分,然而,鼓励根据本部分达成协议的各方研究是否可使用这些文件的最新版本。凡是不注日期的引用文件,其最新版本适用于本部分。GB/T1805弹簧术语
GB/T4357—1989石
碳素弹簧钢丝(neqJISG3521:1984)GB/T16947
GB/T18983
GB/T21652
JB/T7367
JB/T7944
JB/T10802
YB(T)11
YB/T5311
YS/T571
3术语和定义
螺旋弹簧疲劳试验规范
油淬火-回火弹簧钢丝(GB/T18983—2003,IS0/FDIS8458-3:1992,MOD)铜及铜合金线材
圆柱螺旋压缩弹簧磁粉探伤方法圆柱螺旋弹簧抽样检查
弹簧喷丸强化技术规范
弹簧用不锈钢丝
重要用途碳素弹簧钢丝
铍青铜线
GB/T1805确立的术语和定义适用于GB/T1239的本部分。4结构型式
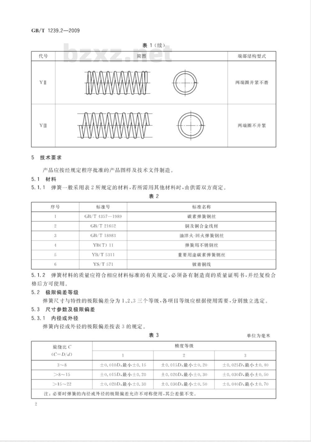
弹簧端部结构型式见表1。
端部结构型式
两端圈并紧磨平
GB/T1239.2—2009
5技术要求
表1(续)
产品应按经规定程序批准的产品图样及技术文件制造,5.1材料
弹簧一般采用表2所规定的材料,若所需用其他材料时,由供需双方商定。表2
标准号
GB/T4357—1989
GB/T 21652
GB/T18983
YB(T) 11
YB/T5311
YS/T571
标准名称
碳素弹簧钢丝
铜及铜合金线材
油淬火-回火弹簧钢丝
弹簧用不锈钢丝
重要用途碳素弹簧钢丝
铍青铜线
端部结构型式
两端圈并紧不磨
两端圈不并紧
弹簧材料的质量应符合相应材料标准的有关规定,必须备有制造商的质量证明书,并经复检合5.1.2
格后方可使用。
极限偏差等级
弹簧尺寸与特性的极限偏差分为1、2、3三个等级,各项目等级应根据使用需要,分别独立选定。5.3尺寸参数及极限偏差
5.3.1内径或外径
弹簧内径或外径的极限偏差按表3的规定。表3
旋绕比C
(C=D/d)
>15~22
±0.010D,最小±0.15
±0.015D,最小±0.20
±0.020D,最小±0.30
精度等级
±0.015D,最小±0.20
±0.020D,最小±0.30
±0.030D,最小±0.50
注:必要时弹簧的内径或外径的极限偏差允许不对称使用,其公差值不变。2
单位为毫米
±0.025D,最小±0.40
±0.030D.最小±0.50
±0.040D,最小±0.70
自由高度
GB/T1239.2—2009
弹簧自由高度H。的极限偏差按表4规定,当图样要求测量两点或两点以上负荷时,自由高度作为参考。
旋绕比C
(C=D/d)
>8~15
>15~22
±0.010H。,最小±0.20
±0.015H。,最小±0.50
士0.020H。最小±0.60
精度等级
±0.020H。,最小±0.50
±0.030H。,最小±0.70
±0.040H。最小±0.80
注:必要时弹簧的自由高度的极限偏差允许不对称使用,其公差值不变5.3.3总圈数
总圈数的极限偏差按表5规定。当弹簧有特性要求时,总圈数作为参考。表5
总圈数n
>10~20
>20~50
垂直度
单位为毫米
±0.030H。,最小±0.70
±0.040H,最小±0.80
±0.060H,最小±1.0
单位为圈
极限偏差
两端面经过磨削的弹簧,在自由状态下,弹簧轴心对两端面的垂直度按表6的规定。表6
精度等级
垂直度
0.02H。(1.15°)
0.05H.(2.9°)
注:当高径比b≥5(h=H。/D)宜考核直线度,直线度要求按理论垂直度要求之半。5.3.5节距均匀度
单位为毫米
0.08H.(4.6°)
等节距的弹簧在压缩到全变形量的80%时,其正常节距圈不得接触,弹簧压缩到全变形量的80%的负荷应不大于试验负荷。图样上的弹簧节距值作为参考。5.3.6压并高度
弹簧的压并高度原则上不规定
对端面磨削3/4圈的弹簧,当需要规定压并高度时,按式(1)计算:H,≤n,X dmx
对两端不磨的弹簧,当需要规定压并高度时,按式(2)计算:H≤(n,+1.5)Xdmx
式中:
压并高度,单位为毫米(mm);n
d msux
总圈数,单位为圈;
材料最大直径(材料直径十极限偏差的最大值),单位为毫米(mm)。5.3.7端面磨削
.........( 2)
两端面并紧磨平的弹簧支承圈磨平部分不小于3/4圈,其粗糙度不大于Ra12.5,端头厚度不小于1/8d。
GB/T1239.2—2009
5.4弹簧特性及极限偏差
5.4.1特性
弹簧特性应符合5.4.1.1或5.1.1.2规定,一般不同时选用。特殊需要时,由供需双方商定。5.4.1.1在指定高度或变形量下的负荷,弹簧变形量应在试验负荷下变形量的20%~80%之间。弹簧要求1级精度时,指定高度下负荷的变形量应在4mm以上。但在最大变形量下的负荷应不大于试验负荷。
5.4.1.2图样规定需要测量弹簧刚度时,弹簧变形量应在试验负荷下变形量的30%~70%之间。5.4.2极限偏差
指定高度或变形量下的负荷F的极限偏差按表7规定。表7
有效圈数n
弹簧刚度F的极限偏差按表8规定。表8
有效圈数n
5.5旋向
±0. 04 F
精度等级
精度等级
单位为牛
单位为牛每毫米
弹簧的旋向分为左旋、右旋,图样中未注明时按右旋,内外组合使用的内外旋向相反。5.6永久变形
弹簧成品的永久变形不得大于自由高度的0.3%。5.7热处理
弹簧在成形后需经去应力退火处理,用铍青铜线成形的弹簧需进行时效处理,其硬度不予考核。5.8表面质量
弹簧表面不得有肉眼可见的有害缺陷。5.9表面处理
弹簧表面处理应在产品图样中注明,表面处理的介质、方法应符合相应的环境保护法规,但弹簧应尽量避免采用可能导致氢脆的表面处理。5.10其他要求
根据需要,可在产品图样中对弹簧规定下列要求:喷丸处理;
b)无损探伤;
c)疲劳试验;
d)加温强压处理等。
弹簧图例参见附录A,有特殊技术要求时,由供需双方协议规定。6试验方法
6.1永久变形
GB/T1239.2—2009
将弹簧用试验负荷压缩三次,测量第二次和第三次压缩后的自由高度变化值。当试验负荷大于压并负荷时,则该压并负荷被视为试验负荷。6.2弹簧特性
弹簧特性的测量在精度不低于土1%的弹簧试验机上进行,按图样规定测量负荷或刚度。当测量指定变形量下负荷时,其预压量由供需双方商定。弹簧特性的测定是将弹簧预压一次后进行,预压高度为试验负荷相对应的高度或压并高度,压并负荷最大值不得超过理论压并负荷的1.5倍。试验负荷用式(3)计算,试验应力见表9。F
式中:
试验负荷,单位为牛(N);
试验应力,单位为兆帕(MPa);材料直径,单位为毫米(mm);弹簧中径,单位为毫米(mm)。d3
8KD(K
注:当旋绕比C<6时,应用曲度系数K值修正,其公式变为F表9
试验应力t,
油淬火-回火类钢丝
抗拉强度×0.55
碳素弹簧钢丝、
重要用途碳素弹簧钢丝
抗拉强度×0.50
注:抗拉强度选取相应材料标准的下限值。6.3外径或内径
4C1,0.615
弹簧用不锈钢丝
抗拉强度×0.45
(3)
单位为兆帕
青铜线、
铍青铜线
抗拉强度×0.40
用分度值小于或等于0.02mm的通用量具或专用量具测量。图样上标明外径或中径的测量外径,并以外径最大值为准;标明内径的测量内径,并以内径最小值为准。6.4自由高度
自由高度用分度值小于或等于0.05mm的通用量具或专用量具测量,以其最大值为准,当弹簧自重影响自由高度测量时,将弹簧水平放置测量。6.5垂直度
按如图1所示方法,用2级精度平板、3级精度直角尺和专用量具测量。在无负荷状态下将弹簧竖直放在平板上,自转一周后再检查另一端(端头至1/2圈处考核相邻的第二圈)外圆素线与直角尺之间的最大距离△,即为垂直度偏差。图1
GB/T1239.2—2009
直线度
按图2所示方法,将弹簧水平放置在2级精度平板上,将弹簧转动一周,用专用量具测量弹簧外圆素线与平板之间的最大间隙\。图2
6.7压并高度
用小于等于1.5倍的理论压并负荷,将弹簧压并后用分度值小于或等于0.02mm的通用量具或专用量具测量弹簧高度,施加负荷的方法应由供需双方商定。6.8表面质量
采用目测或用5倍放大镜检查弹簧表面。6.9表面处理
弹簧表面处理按有关标准或技术协议规定进行。6.10其他要求
弹簧的喷丸强化按JB/T10802规定执行;弹簧的磁粉探伤按JB/T7367规定执行;弹簧的疲劳试验按GB/T16947规定执行;弹簧的立定处理、加温强压等其他特殊要求,按产品图样、相关标准执行。检验规则
抽样检查
产品的验收抽样检查按JB/T7911的规定,也可按供需双方商定。7.2
产品检验项目
弹簧特性;
外径或内径;
自由高度;
总圈数;
垂直度或直线度;
压并高度;
永久变形;
表面质量;
表面处理;
疲劳寿命(需要时进行)。
弹簧检查项目分类
弹簧检查项目分类见表10。
疲劳寿命
Λ缺陷项目
B缺陷项目
内径或外径、弹簧特性、永久变形表面质量、喷丸强化
注:图样有要求时,疲劳寿命可作为Λ缺陷项目进行检查。标志、包装、运输、贮存
8.1包装
a)产品在包装前应清洁,用适宜的包装材料进行包装;b)包装应保证在正常运输中不致使弹簧损伤。8.2
合格证
包装内应附有产品合格证。合格证包括下列内容:a)
制造商名称;
产品名称、型号或零件号;
制造日期或生产批号;
质量检查部门签章。
包装外部应标明:
发往地址及收货单位名称;
产品名称、型号或零件号、数量;c)
制造商名称、商标、地址;
d)“轻放”“防潮”等字样或符号;出厂日期。
8.4购存
GB/T1239.2—2009
C缺陷项目
自由高度、总圈数、垂直度或直线度、压并高度、表面处理
产品应存放在通风和干燥的仓库内。在正常保管情况下,自出厂之日起,制造商应保证在12个月内不致锈蚀,
对包装、标志、运输与贮存有特殊要求的,由供需双方商定。GB/T1239.2—2009
技术要求:
1.旋向:
2.总圈数:
3.磨削面及端部要求:
1.永久变形要求:
5.特殊要求如喷丸、强压等;
6.表面处理要求;
7.相应的执行标准。
,有效圈数:
附录A
(资料性附录)
注1:对于孔安装的标注外径,对于轴安装的标准内径,例
注2:H.、H主要是考核永久变形时用,相应负荷不予考核。图A.1
指定高度下的负荷wwW.bzxz.Net
技术要求:
1.旋向:
2.总圈数:
3.磨削面及端部要求:
1.永久变形要求:
,有效圈数:
5.特殊要求如喷丸、强压等;
6.表面处理要求;
7.相应的执行标准。
注1:对于孔安装的标注外径,对于轴安装的标准内径。注2:H,、H.主要是考核永久变形时用,相应负荷不予考核。图A.2
指定变形量下的负荷
GB/T1239.2—2009
小提示:此标准内容仅展示完整标准里的部分截取内容,若需要完整标准请到上方自行免费下载完整标准文档。
中华人民共和国国家标准
GB/T1239.2—2009
代替GB/T1239.2—1989
冷卷圆柱螺旋弹簧技术条件
第2部分:压缩弹簧
Cold coiled helical springs technical specifications-Part 2:Compressions spring
2009-03-16发布
中华人民共和国国家质量监督检验检疫总局中国国家标准化管理委员会
2009-11-01实施
GB/T1239《冷卷圆柱螺旋弹簧技术条件》分为3个部分:第1部分:拉伸弹簧;
第2部分:压缩弹簧;
第3部分:扭转弹簧。
本部分是GB/T1239的第2部分。
GB/T1239.2—2009
本部分是对GB/T1239.2一1989《冷卷圆柱螺旋压缩弹簧技术条件》的修订。修订时仍保留GB1239.2一1989《冷卷圆柱螺旋压缩弹簧技术条件》中有效的部分,对已不适应的内容进行重新修订。本部分与被修订标准的主要技术差异如下:按GB/T1805一2001《弹簧术语》,对原标准涉及负荷、刚度、变形量等符号进行修订;由于材料的更新,对引用的材料标准进行了全面查新,使用已修订过的最新版本代替原标准所引用的老版本;
增加了对于弹簧特性的选用条件、旋向,拓展了弹簧旋绕比的取值范围;由于原材料供货方式的改变,导致生产制造模式的变革,删除了采用退火料等软状态的条款;增加了直线度和压并高度的测量方法;增加了弹簧检查项目的分类:
对章节顺序进行调整,使GB/T1239.1~1239.3标准章节顺序保持一致本部分的附录A为资料性附录。
本部分由中国机械工业联合会提出,本部分由全国弹簧标准化技术委员会(SAC/TC235)归口。本部分负责起草单位:杭州弹簧有限公司、中机生产力促进中心。本部分参加起草单位:常州市铭锦弹簧有限公司、解放军1001强力弹簧研究所、浙江美力弹簧有限公司、浙江金昌弹簧有限公司、钱江弹簧有限公司、无锡威孚精密机械制造有限公司弹簧厂、北京弹簧厂、立洲(福建)弹簧有限公司、杭州富春弹簧有限公司、无锡丰力弹簧有限公司。本部分主要起草人:姜晓炜、杨伟明、姜膺、舒荣福、曹辉荣、蒋欣荣、昊刚、陈洁、贺永义、严世平、王卫、章碧鸿、张涌森、邵文武、尤伟明、陆培根、赵志鹏。本部分所代替标准的历次版本发布情况为:GB1239—1976、GB/T1239.2—1989。1
1范围
冷卷圆柱螺旋弹簧技术条件
第2部分:压缩弹簧
GB/T1239.2—2009
GB/T1239的本部分规定了冷卷圆截面圆柱螺旋压缩弹簧的技术要求、试验方法、检验规则及包装、标志、运输、贮存要求等。本部分适用于冷卷圆截面圆柱螺旋压缩弹簧(以下简称弹簧),弹簧材料的截面直径大于或等于0.5mm。
本部分不适用于特殊要求的弹簧。2规范性引用文件
下列文件中的条款通过GB/T1239的本部分的引用而成为本部分的条款。凡是注目期的引用文件,其随后所有的修改单(不包括勘误的内容)或修订版均不适用于本部分,然而,鼓励根据本部分达成协议的各方研究是否可使用这些文件的最新版本。凡是不注日期的引用文件,其最新版本适用于本部分。GB/T1805弹簧术语
GB/T4357—1989石
碳素弹簧钢丝(neqJISG3521:1984)GB/T16947
GB/T18983
GB/T21652
JB/T7367
JB/T7944
JB/T10802
YB(T)11
YB/T5311
YS/T571
3术语和定义
螺旋弹簧疲劳试验规范
油淬火-回火弹簧钢丝(GB/T18983—2003,IS0/FDIS8458-3:1992,MOD)铜及铜合金线材
圆柱螺旋压缩弹簧磁粉探伤方法圆柱螺旋弹簧抽样检查
弹簧喷丸强化技术规范
弹簧用不锈钢丝
重要用途碳素弹簧钢丝
铍青铜线
GB/T1805确立的术语和定义适用于GB/T1239的本部分。4结构型式
弹簧端部结构型式见表1。
端部结构型式
两端圈并紧磨平
GB/T1239.2—2009
5技术要求
表1(续)
产品应按经规定程序批准的产品图样及技术文件制造,5.1材料
弹簧一般采用表2所规定的材料,若所需用其他材料时,由供需双方商定。表2
标准号
GB/T4357—1989
GB/T 21652
GB/T18983
YB(T) 11
YB/T5311
YS/T571
标准名称
碳素弹簧钢丝
铜及铜合金线材
油淬火-回火弹簧钢丝
弹簧用不锈钢丝
重要用途碳素弹簧钢丝
铍青铜线
端部结构型式
两端圈并紧不磨
两端圈不并紧
弹簧材料的质量应符合相应材料标准的有关规定,必须备有制造商的质量证明书,并经复检合5.1.2
格后方可使用。
极限偏差等级
弹簧尺寸与特性的极限偏差分为1、2、3三个等级,各项目等级应根据使用需要,分别独立选定。5.3尺寸参数及极限偏差
5.3.1内径或外径
弹簧内径或外径的极限偏差按表3的规定。表3
旋绕比C
(C=D/d)
>15~22
±0.010D,最小±0.15
±0.015D,最小±0.20
±0.020D,最小±0.30
精度等级
±0.015D,最小±0.20
±0.020D,最小±0.30
±0.030D,最小±0.50
注:必要时弹簧的内径或外径的极限偏差允许不对称使用,其公差值不变。2
单位为毫米
±0.025D,最小±0.40
±0.030D.最小±0.50
±0.040D,最小±0.70
自由高度
GB/T1239.2—2009
弹簧自由高度H。的极限偏差按表4规定,当图样要求测量两点或两点以上负荷时,自由高度作为参考。
旋绕比C
(C=D/d)
>8~15
>15~22
±0.010H。,最小±0.20
±0.015H。,最小±0.50
士0.020H。最小±0.60
精度等级
±0.020H。,最小±0.50
±0.030H。,最小±0.70
±0.040H。最小±0.80
注:必要时弹簧的自由高度的极限偏差允许不对称使用,其公差值不变5.3.3总圈数
总圈数的极限偏差按表5规定。当弹簧有特性要求时,总圈数作为参考。表5
总圈数n
>10~20
>20~50
垂直度
单位为毫米
±0.030H。,最小±0.70
±0.040H,最小±0.80
±0.060H,最小±1.0
单位为圈
极限偏差
两端面经过磨削的弹簧,在自由状态下,弹簧轴心对两端面的垂直度按表6的规定。表6
精度等级
垂直度
0.02H。(1.15°)
0.05H.(2.9°)
注:当高径比b≥5(h=H。/D)宜考核直线度,直线度要求按理论垂直度要求之半。5.3.5节距均匀度
单位为毫米
0.08H.(4.6°)
等节距的弹簧在压缩到全变形量的80%时,其正常节距圈不得接触,弹簧压缩到全变形量的80%的负荷应不大于试验负荷。图样上的弹簧节距值作为参考。5.3.6压并高度
弹簧的压并高度原则上不规定
对端面磨削3/4圈的弹簧,当需要规定压并高度时,按式(1)计算:H,≤n,X dmx
对两端不磨的弹簧,当需要规定压并高度时,按式(2)计算:H≤(n,+1.5)Xdmx
式中:
压并高度,单位为毫米(mm);n
d msux
总圈数,单位为圈;
材料最大直径(材料直径十极限偏差的最大值),单位为毫米(mm)。5.3.7端面磨削
.........( 2)
两端面并紧磨平的弹簧支承圈磨平部分不小于3/4圈,其粗糙度不大于Ra12.5,端头厚度不小于1/8d。
GB/T1239.2—2009
5.4弹簧特性及极限偏差
5.4.1特性
弹簧特性应符合5.4.1.1或5.1.1.2规定,一般不同时选用。特殊需要时,由供需双方商定。5.4.1.1在指定高度或变形量下的负荷,弹簧变形量应在试验负荷下变形量的20%~80%之间。弹簧要求1级精度时,指定高度下负荷的变形量应在4mm以上。但在最大变形量下的负荷应不大于试验负荷。
5.4.1.2图样规定需要测量弹簧刚度时,弹簧变形量应在试验负荷下变形量的30%~70%之间。5.4.2极限偏差
指定高度或变形量下的负荷F的极限偏差按表7规定。表7
有效圈数n
弹簧刚度F的极限偏差按表8规定。表8
有效圈数n
5.5旋向
±0. 04 F
精度等级
精度等级
单位为牛
单位为牛每毫米
弹簧的旋向分为左旋、右旋,图样中未注明时按右旋,内外组合使用的内外旋向相反。5.6永久变形
弹簧成品的永久变形不得大于自由高度的0.3%。5.7热处理
弹簧在成形后需经去应力退火处理,用铍青铜线成形的弹簧需进行时效处理,其硬度不予考核。5.8表面质量
弹簧表面不得有肉眼可见的有害缺陷。5.9表面处理
弹簧表面处理应在产品图样中注明,表面处理的介质、方法应符合相应的环境保护法规,但弹簧应尽量避免采用可能导致氢脆的表面处理。5.10其他要求
根据需要,可在产品图样中对弹簧规定下列要求:喷丸处理;
b)无损探伤;
c)疲劳试验;
d)加温强压处理等。
弹簧图例参见附录A,有特殊技术要求时,由供需双方协议规定。6试验方法
6.1永久变形
GB/T1239.2—2009
将弹簧用试验负荷压缩三次,测量第二次和第三次压缩后的自由高度变化值。当试验负荷大于压并负荷时,则该压并负荷被视为试验负荷。6.2弹簧特性
弹簧特性的测量在精度不低于土1%的弹簧试验机上进行,按图样规定测量负荷或刚度。当测量指定变形量下负荷时,其预压量由供需双方商定。弹簧特性的测定是将弹簧预压一次后进行,预压高度为试验负荷相对应的高度或压并高度,压并负荷最大值不得超过理论压并负荷的1.5倍。试验负荷用式(3)计算,试验应力见表9。F
式中:
试验负荷,单位为牛(N);
试验应力,单位为兆帕(MPa);材料直径,单位为毫米(mm);弹簧中径,单位为毫米(mm)。d3
8KD(K
注:当旋绕比C<6时,应用曲度系数K值修正,其公式变为F表9
试验应力t,
油淬火-回火类钢丝
抗拉强度×0.55
碳素弹簧钢丝、
重要用途碳素弹簧钢丝
抗拉强度×0.50
注:抗拉强度选取相应材料标准的下限值。6.3外径或内径
4C1,0.615
弹簧用不锈钢丝
抗拉强度×0.45
(3)
单位为兆帕
青铜线、
铍青铜线
抗拉强度×0.40
用分度值小于或等于0.02mm的通用量具或专用量具测量。图样上标明外径或中径的测量外径,并以外径最大值为准;标明内径的测量内径,并以内径最小值为准。6.4自由高度
自由高度用分度值小于或等于0.05mm的通用量具或专用量具测量,以其最大值为准,当弹簧自重影响自由高度测量时,将弹簧水平放置测量。6.5垂直度
按如图1所示方法,用2级精度平板、3级精度直角尺和专用量具测量。在无负荷状态下将弹簧竖直放在平板上,自转一周后再检查另一端(端头至1/2圈处考核相邻的第二圈)外圆素线与直角尺之间的最大距离△,即为垂直度偏差。图1
GB/T1239.2—2009
直线度
按图2所示方法,将弹簧水平放置在2级精度平板上,将弹簧转动一周,用专用量具测量弹簧外圆素线与平板之间的最大间隙\。图2
6.7压并高度
用小于等于1.5倍的理论压并负荷,将弹簧压并后用分度值小于或等于0.02mm的通用量具或专用量具测量弹簧高度,施加负荷的方法应由供需双方商定。6.8表面质量
采用目测或用5倍放大镜检查弹簧表面。6.9表面处理
弹簧表面处理按有关标准或技术协议规定进行。6.10其他要求
弹簧的喷丸强化按JB/T10802规定执行;弹簧的磁粉探伤按JB/T7367规定执行;弹簧的疲劳试验按GB/T16947规定执行;弹簧的立定处理、加温强压等其他特殊要求,按产品图样、相关标准执行。检验规则
抽样检查
产品的验收抽样检查按JB/T7911的规定,也可按供需双方商定。7.2
产品检验项目
弹簧特性;
外径或内径;
自由高度;
总圈数;
垂直度或直线度;
压并高度;
永久变形;
表面质量;
表面处理;
疲劳寿命(需要时进行)。
弹簧检查项目分类
弹簧检查项目分类见表10。
疲劳寿命
Λ缺陷项目
B缺陷项目
内径或外径、弹簧特性、永久变形表面质量、喷丸强化
注:图样有要求时,疲劳寿命可作为Λ缺陷项目进行检查。标志、包装、运输、贮存
8.1包装
a)产品在包装前应清洁,用适宜的包装材料进行包装;b)包装应保证在正常运输中不致使弹簧损伤。8.2
合格证
包装内应附有产品合格证。合格证包括下列内容:a)
制造商名称;
产品名称、型号或零件号;
制造日期或生产批号;
质量检查部门签章。
包装外部应标明:
发往地址及收货单位名称;
产品名称、型号或零件号、数量;c)
制造商名称、商标、地址;
d)“轻放”“防潮”等字样或符号;出厂日期。
8.4购存
GB/T1239.2—2009
C缺陷项目
自由高度、总圈数、垂直度或直线度、压并高度、表面处理
产品应存放在通风和干燥的仓库内。在正常保管情况下,自出厂之日起,制造商应保证在12个月内不致锈蚀,
对包装、标志、运输与贮存有特殊要求的,由供需双方商定。GB/T1239.2—2009
技术要求:
1.旋向:
2.总圈数:
3.磨削面及端部要求:
1.永久变形要求:
5.特殊要求如喷丸、强压等;
6.表面处理要求;
7.相应的执行标准。
,有效圈数:
附录A
(资料性附录)
注1:对于孔安装的标注外径,对于轴安装的标准内径,例
注2:H.、H主要是考核永久变形时用,相应负荷不予考核。图A.1
指定高度下的负荷wwW.bzxz.Net
技术要求:
1.旋向:
2.总圈数:
3.磨削面及端部要求:
1.永久变形要求:
,有效圈数:
5.特殊要求如喷丸、强压等;
6.表面处理要求;
7.相应的执行标准。
注1:对于孔安装的标注外径,对于轴安装的标准内径。注2:H,、H.主要是考核永久变形时用,相应负荷不予考核。图A.2
指定变形量下的负荷
GB/T1239.2—2009
小提示:此标准内容仅展示完整标准里的部分截取内容,若需要完整标准请到上方自行免费下载完整标准文档。
标准图片预览:





- 热门标准
- 国家标准(GB)
- GB/T2828.1-2012 计数抽样检验程序 第1部分:按接收质量限(AQL)检索的逐批检验抽样计划
- GB50367-2013 混凝土结构加固设计规范
- GB/T18204.4-2000 公共场所毛巾、床上卧具微生物检验方法细菌总数测定
- GB/T3836.1-2021 爆炸性环境 第1部分:设备 通用要求
- GB5009.225-2023 食品安全国家标准 酒和食用酒精中乙醇浓度的测定
- GB/T11379-2008 金属覆盖层 工程用铬电镀层
- GB/T23892.3-2009 滑动轴承 稳态条件下流体动压可倾瓦块止推轴承 第3部分:可倾瓦块止推轴承计算的许用值
- GB/T9145-2003 普通螺纹 中等精度、优选系列的极限尺寸
- GB/T9239-1988 刚性转子平衡品质 许用不平衡的确定
- GB/T15917.3-1995 金属镝及氧化镝化学分析方法 对氯苯基荧光酮--溴化十六烷基三甲基胺分光光度法测定钽量
- GB/T11839-1989 二氧化铀芯块中硼的测定 姜黄素萃取光度法
- GB/T6122.1-2002 圆角铣刀 第1部分:型式和尺寸
- GB/T7433-1987 对称电缆载波通信系统抗无线电广播和通信干扰的指标
- GB/T12053-1989 光学识别用字母数字字符集 第一部分:OCR-A字符集印刷图象的形状和尺寸
- GB17945-2024 消防应急照明和疏散指示系统
- 行业新闻
请牢记:“bzxz.net”即是“标准下载”四个汉字汉语拼音首字母与国际顶级域名“.net”的组合。 ©2025 标准下载网 www.bzxz.net 本站邮件:bzxznet@163.com
网站备案号:湘ICP备2025141790号-2
网站备案号:湘ICP备2025141790号-2