- 您的位置:
- 标准下载网 >>
- 标准分类 >>
- 农业行业标准(NY) >>
- NY 1428-2007 微量元素水溶肥料
标准号:
NY 1428-2007
标准名称:
微量元素水溶肥料
标准类别:
农业行业标准(NY)
标准状态:
现行-
发布日期:
2007-09-14 -
实施日期:
2007-12-01 出版语种:
简体中文下载格式:
.rar.pdf下载大小:
697.15 KB
标准ICS号:
农业>>65.080肥料中标分类号:
化工>>化肥、农药>>G21化肥、化学土壤调理剂
点击下载
标准简介:
标准下载解压密码:www.bzxz.net
本标准规定了微量元素水溶肥料的技术要求、试验方法、检验规则、标识、包装、运输和贮存。本标准适用于中华人民共和国境内生产和销售的,由铜、铁、锰、锌、硼、铝微量元素按适合植物生长所需比例支撑的液体和固体水溶肥料。 NY 1428-2007 微量元素水溶肥料 NY1428-2007
部分标准内容:
ICS 65.080
中华人民共和国农业行业标准
NY 1428—2007
微量元素水溶肥料
Water-Soluble Fertilizers Containing Micronutrients2007-09-14发布
2007-12-01实施
中华人民共和国农业部
本标准附录A.附录B、附录C、附录D、附录E、附录F、附录G为规范性附录。本标准由中华人民共和国农业部提出并归口:NY14282007
本标推起草单位:国家化肥质量监督检验中心(北京)农业部肥料质晟监督检验中心(威)华中农业大学
本标谁主要起草人:王旭、封朝眸,任萍、李昆、范洪黎、赵竹青。1范围
微量元素水溶肥料
NY1428—2007Www.bzxZ.net
本标推规定了微量元素水溶肥料的技术要求、试验方法,检验规则、标识、包装、运输和贮荐。本标准适用于中华人民共和国境内生产和销售的,出钢、铁、锰、锌、硼、钼微量元素按适合植物生长所需比例制成的液体或固体水溶肥料。2规范性引用文件
下列文件中的条款通过本标准的引用而成为本标准的条款。凡是注日期的引用文件,其随后所有的修改单(不包括勘误的内容)或修订版均不适用于本标准,然而,鼓励根据本标准达成协议的各方研究是否可使用这些文件的最新版本。凡是不注日期的引用文件,其最新版本适用十本标摊。GB190危险货物包装标志
包装储运图示标志
GB 191
GB/T125U极限数值的表示方法和判定方法(出/I6679固体化T产品采样通则(B/T6680液体化T产品采样通则(B8569固体化学肥料包装
(B/T8576复混肥料中游离水含量的测定真空烘箱法(GB/T14540复混肥料中铜,铁、锰,锌、測.含量的测GB18382肥料标识内容和要求
HG/T2843化肥产品化学分析中常用标准滴定溶液、标准溶液、试剂溶液和指示剂溶液NY/T887液体肥料密度的测定
NY/T 1108液体肥料包装技术安求VY1110水溶肥料中录、砷、镉、铅、铬的限量及其含量测定VY/T1115水溶肥料水不溶物含量的测定《产品质景仲裁检验和产品质量鉴定管理办法》《定量包装商品计量监督管理办法》3术语和定义
下列术语和定义适而丁本标准。3.1
水溶肥料water siluhle fertilizers经水济解或稀释,用于灌溉施肥、叶面施肥、无土栽培、浸种蘸根等用途的液体或固体肥料。4要求
4.1外观
均匀的液体或固休体。
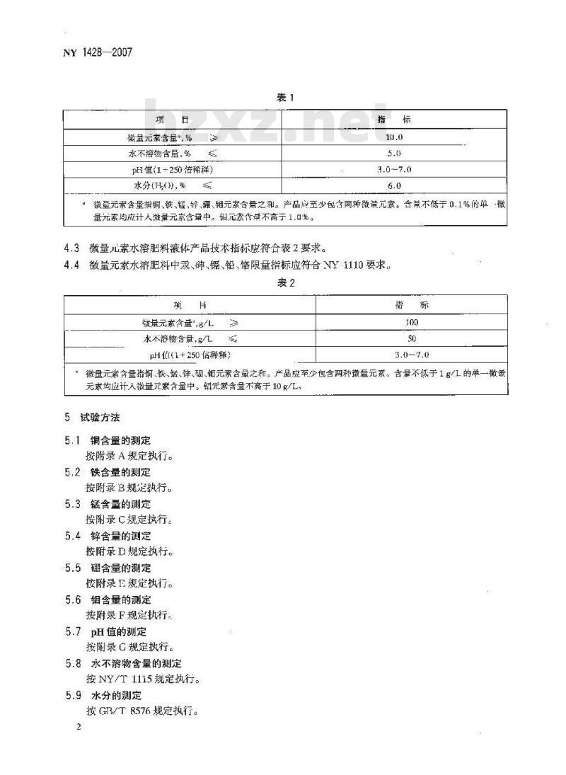
4.2微量元素水溶肥料固体~品技术指标应符合表1要求,1
NY1428—2007
微量元含量,%
水不溶物含显,%
pEI值(1-250倍稀释)
水分(H0),%
微量元素含量指铜,铁、锰、锌、硼、钼元素含量之和。产品应至少包含两种微录元素。含量不低于0.1%的单微量元索均应计人微量元素含量中,元素含单不高于1.0%。4.3微量儿素水溶肥料液体产品技术指标应符合表2要求。微量元素水济肥料中汞、砷、镭、铅、铬限量指标应符合VY-1110要求。4.4
微量元素含蛋\多/L
水不榨物含盘,区/L
pH仙(1+250倍稀释)
微虽元索含基指钢、铁、链、锌、翻、钳元素含量之和产品应至少包含两种微量元索,含量不低于1g/L的单一微旦元素均应计人敏量元素含量中。销元素含量不高于10/L5试验方法
5.1铜含量的测定
按附录A规定执行。
5.2铁含量的测定
按附录B规定执行,
5.3锰含量的测定
按录 C规定执行。
5.4锌含量的测定
按附录D规定执行。
5.5硼含量的测定
按附录E规定执行。
5.6钼含量的测定
按附录F规定执行。
5.7pH 值的测定
按附录G规定执行。
5.8水不溶物含量的测定
按NY/T1115规定执行。
5.9水分的测定
按GB/T 8576 规定热行。
5.10液体肥料密度的测定
按NY/T887规定执行。结果用于质量浓度的换算。5.11汞含量的测定
按 NY 1110 附录 A规定执行。
5.12碑含量的测定
按NY1110附录A规定执行
5.13镉含量的测定
按 NY 1110 附录 B规定执行。
5.14铅含量的测定
按NY1110附录B规定热行
5.15铬含量的测定
按 NY 1110 附录 B规定执行
6检验规则
6.1本标准中产品质量指标合格判断,采用(GB/T1250中修约值比较法。NY 1428—2007
6.2产品应由企业质量监督部门进行检验,牛产企业应保证所有的销售产品均符合本标准的要求。每批产品应附有质量证明书,其内容包括:生产企业名称、地址、产品标准名称和本标准号、批号或生产日期、产品净含量、产品养分保证量、产品汞、种、镉、铅、铬限量等。6.3用户有权按本标准规定的检验规则和检验方法对所收到的产品进行核验。6.4生产企业进行出厂检验时,如果检验结果有·项或-项以上指标不符合本标准要求,应重新户加倍采样批中采样进行复验。复验结果有,-项或--项以上指标不符合本标准要求,则整批产品不应被验收合格。
6.5产品按批检验,以一次配料为一批,最大批量为501。6.6固体或散装产品采样按GB/T6679规定热行。6.7液体产品采样按GB/T6680规定执行。6.8将所采样品置于洁净、T燥的容器小迅速混勾。取固体样品600g或液体样品600mL,分装于两个洁净、干燥容器中,密封并贴上标签,注明生产企业名称、产品名称、批号或生产日期、采样口期、采样人姓名。其中一瓶用十产品质量分析,另一瓶应保存至少两个月,以备复验。6.9固体样品经多次缩分后,取出约100g,将其迅速研磨至全部通过0.50mm孔径筛(如样品潮湿,可通过1.00tnm筛了),混合均匀,置丁洁净、下燥容器巾用于测定。6.10液体样品经多次摇动后,迅速取出约200mL,置于洁净,干燥容器中用于测定。6.11当供需双方对产品质量发牛异议需仲裁时,应按《品质量仲裁检验和产品质量鉴定管理办法》有关规定执行。
7标识
7.1产品包装容器上应标明:
产品标准名称和标准号、肥料登记证号、使用说明皮警示说明,使说明成包括产品主要功能、使用范围、用法、用量及注意事项等;微量元索含最、单一微量元素含量保证量。单一微量元素含量保证量之和应符合微量元素含量要求,各单一微量元素测定值与保证量正负相对偏差的绝对值不应大于40%;一汞、种、、铅、铬限量,
NY1428—2007
7.2其余按GB18382执行
8包装、运输和购存
8.1固体产品包装按照GB8569规定执行。液体产品包装按照VY/I1108规定执行。净含量按《定量包装商品计量监督管理办法》有关规定执行,其中固体产品每餐净含量不应低于25名。8.2在销售包装容器中的物料应混合均匀,不应附加小包装物料成分。8.3产品运输和贮存过程中应防潮、防晒、防被裂,警示说明按GB190利GB 191有关规定执行。A.1原理
附录A
(规范性附录)
水溶肥料铜含量的测定原子吸收分光光度法NY 1428--2007
试样溶液中的铜在微酸性介质中,于空气一乙炔火中原了化,所产生的原「蒸气吸收从铜空心阴极灯射出的特征波长324.6mm的光,吸光度的人小与铜基态原了浓度成正比:A.2试剂和材料
本标准中所瓜试剂,冰和溶液的配制,在未注明规格和配制方法时,均应按HG/T 2843 之规定A.2.1盐酸溶液:1+1;
A.2.2铜标准储备液:p(Ca)-1mg/mL;A.2.3铜标准溶液:α(Cu)一100强/ml。吸取铜标准储备液(A.2.2)10.00 mL于100 mL容量瓶中,用水定容,混匀;
A.2.4溶解乙炔
A.3仪器
A.3.1通常带实验室仪器
A.3.2水平往复式振荡幕或具有相同功效的振荡装置;A.3.3原了吸收分光光度计,附有空气一乙炔燃烧器及铜空心阴极灯A.4分析步骤
A.4.1试样溶液的制备
称取试样1g2(精确至0.0001g)于250mL荠量瓶中,加水约150mL,置(25±5)C振器内,在(180士20)1/min的振荡频率下振荡30min。敢出后用水定容,混勾,干过滤,充去最初几毫升滤液后,保留滤液。
A.4.2空自溶液制备
空白溶液除不加试样外其他同试样溶液。A.4.3标准曲线的绘制
分别吸取铜标准溶液(A.2.3)0,0.10,0.50,1.00,2.00,5.00mL于六个100mL容量瓶中,加入4mL盐酸(A.2.1)溶液,用水定容,混匀。此标准系列铜溶液浓度分别为0,0.10,0.50,1.00,2.005.00/rnL,在选定最住工作条件下,丁波长324.6mn处,使用空气乙炔火焰,以钢含量为0的标准溶液为参比溶液调零,测定各标准溶液的吸光值以各标准溶液的铜的质量浓度(ug/m)为横标,相应的吸光值为纵坐标,绘制工作曲线。A.4.4测定
吸取试样溶液1.00mL10.00mL于100mL容量瓶中,加人4mL盐酸(A.2.1)济液,用水定容,混匀,在与测定标准系列溶液相同的条件下,测定试样济液的吸光值,在工作曲线上查出相应的铜质量浓度(μg/mL)。
NY 1428—2007
A.4.5 空白试验
采用空白溶液,其他步骤同试样溶液的测定。A.5分析结果的表述
钢(Cu)含量以质量分数(%)表示按式(A.1)计算:w=(o-po)×250×D
m×100
式中:
× 100
一由工作曲线查出的试样溶液中铜的质量浓度,单位为毫克每升(mg/L):po—由工作曲线食出的空白溶液中铜的质量浓度,单位为毫克每升(mg/L);250—试样溶液总体积,单位为毫(m);D-
一测定时试样溶液的烯释倍数;试料的质量,单位为克(\)
取平行测定结果的算术平均值为测定结荣,结果保密到小数点后两位。A.6充许差
乎行测定结果的相对相差不大于10%;(A.1)
不同实验室测定结果的相对相差不大于30%。当测定结果小丁0.15%时,不同实验室测定结果相对相差不计。
还:相对相差为二次测量值相差与二次测量值均之比。A.7质量浓度的换算
液体肥料铜(Cu)含量e(Cu)以质量浓度(g/L)表示,按式(A.2)计算:o(Cu) = 10wp
式中:
试样中铜的质量分数(%):
液休试样的密度,单位为克每毫升(g/mL)。密度的测定按NY/T887规定执行c结果保密到小数点后一位。
B.1原理
附录B
【规范性附录】
水溶肥料铁含量的测定原子吸收分光光度法NY1428—2007
试样溶液中的铁在微酸性介质中,于空气一乙炔火焰中原子化,所产生的原子蒸气吸收从铁空心阴极灯射出的特征波长248.3nm的光,吸光度的大小与铁基态原子浓度成正比。B.2试剂和材料
本标准中所用试剂、水和溶液的配制,在未注明规格和配制方法时,均应按HG/T2843之规定。B.2.1盐酸溶液:1+1;
B.2.2铁标准储备液:o(Fe)=1ng/mL;B.2.3铁标准荠液:p(Fe)100μg/mL吸取铁标准储备液(B.2.2)10.00mL于100rrL容量瓶中,用水定容,混匀;
B.2.4溶解乙炔。
B.3仪器
通常实验室仪器:
B.3.2水平往复式振荡器或具有相同功效的振荡装置;B.3.3原子吸收分光光度计,附有空气一乙炔燃烧器及铁空心阴极灯。B.4分析步骤
B.4.1试样溶液的制备
称取试样1g~2g(精确至0.0001g)于250mL容量瓶中,加水约150mL,置于(25±5)℃振荡器内,在(180120)r/min的振荡顺率下振荡30min。取出后用水定容,混匀,十过滤,弃去最初儿毫升滤液后,保留滤液,
B.4.2空白溶液制备
空白溶液除不加试样外,其他同试样溶液。B.4.3标准曲线的绘制
分别吸取铁标准溶液(B.2.3)0,0.50,1.00,2.00,5.00mL于寸.个10)mL容量瓶中,加人4m盐酸(B.2.1)溶液,用水定容,混匀。此标准系列铁溶液浓度分别为0,0.50,1.00,2.00,5.00μg/mL。在选定最佳工作条件下,于波长248.3nm处,使用空气一乙炔火焰,以铁合量为0的标准溶液为参比溶液调零,测定各标准溶液的吸光值。以各标准溶液的铁的质量浓度(/ml.)为横坐标,相应的吸光值为纵坐标,绘制工作曲线。B.4.4测定
吸取试样溶液1.00rnL~10.00mL于100mL容量瓶中,加人4mL盐酸(B.2.1)溶液,用水定容混匀,在与测定标准系列溶液相同的条件下,测定试样溶液的吸光值,在工作曲线上查出相应的铁质量浓度(μg/mL)。
NY1428—2007
B.4.5空白试验
采用空溶,其他步骤同试样溶液的测定。B.5
5分析结果的裹述
铁(Fe)含量 w以质量分数(%)表示,按式(B.1)计算:zz=(e-po)×250×D
yn×10
式中:
由工作曲线查出的试样溶液中铁的质量浓度,单位为毫克每Ⅱ(rg/L)由工作曲线查出的空白溶液中铁的质量浓度,单位为毫克每升(mg/L);o
试样溶液总体积,单位为毫升(mL);测定时试样溶液的稀释倍数;
试料的质量,单位为克()。
联平行测定结果的算术平均值为测定结果,结果保留到小数点后两位。B.6允许差
平行测定结果的相对相差不大于10%;(B.1)
不同实验室测定结果的相对相差不大于30%。当测定结果小子0.15%时,不同实验室测定结果相对相差不让。
注:相对相差为二次测量值相差与二次测量值均值之比。B.7质量浓度的换算
液体肥料钦(Fe)含量p(Fe)以质量浓度(g/L)表示,接试(B.2)计算:(Fe)=10up
试样中铁的质量分数(%);
体试样的密度,单位为克每毫升(g/mL)。密度的测定按NY/T887规定执行。结果保留到小数点后一位。
c.1原理
附录C
【规范性附录】
水溶肥料锰含量的测定原子吸收分光光度法NY 1428—2007
试样溶液中的锰在徽酸性介质中,丁空气一乙炔火焰中原子化,所产生的原子蒸气吸收从锰空心阴极灯射出的特征波长279.5nm的光,吸光度的人小与锰基态原广浓度成正比。C.2试剂和材料
本标准中所用试剂、水和溶液的配制,在未注即规格和配制方法时,均成按HG/T2843之规定。C.2.1盐酸溶液:1-1;
C.2.2锰标准储备液:o(Mn)-1mg/ml;C.2.3锰标准溶液:p(Mm)=100μg/mL,准确吸取锰标准储备液(C.2.2)10.00mL于100mL容量瓶中,用水定容,混匀;
C.2.4辫解乙炔。
C.3仪器
C.3.1通常实验室仪器;
C.3.2水平往复式振荡器或具有相功效的振荡装置;C.3.3原子吸收分光光度计,附有空气一乙炔燃烧器及锰空心阴极灯。C.4分析步骤
C.4.1试样溶液的制备
称取试样1g~2g(精确至0.0001g)于250mL容量瓶中,加水约150mL,置于(25±5)℃振荡器内,在(180120)r/min的振荡频率下振荡30rnin:取出后用水定容,混勾,十过滤,弃去最初儿毫升滤液后,保留滤液。
C.4.2空白溶液制备
空户溶液除不加试样外,其它同样辫液。C.4.3标准曲线的绘制
分别吸取锰标准溶液(C.2.3)0,0.50,1.00,2.00,5.00mL于五个100mL容量瓶中,加入4ml.盐酸(C.2.1)溶液,用水定容,混勾。此标准系列锰溶液浓度分别为0,0.50,1.00.2.00,5.00g/mT。在选定最佳工作条件下,于波长279.5nm处,使用空气一乙炔火焰,以锰含量为0的标准溶液为参比溶液调零,测定各标准溶液的吸光值:以各标准溶液的锰的质量浓度(竭/nL)为横坐标,相成的吸光值为纵坐标,绘制工作曲线。C.4.4测定
吸取试样浒液1.00mL--10.00 mL于100mL窄量瓶中,加入4mL盐酸(C.2.,1)溶液,用水定容,混匀,在与测定标准系列溶液相同的条件下,测定试样溶液的吸光值,在工作曲线上查出相应的锰质量浓度(gg/mL)。
NY1428—2007
C.4.5空白试验
采用空白溶液,其他步骤同试样溶液的测定。C.5分析结果的表述
锰(Mn)含量 饮以质量分数(%)表示,按式(C.1)计算:(ppo)×250×D
7n×106
式中:
由工作曲线查出的试样溶液中铁的质景浓度,单位为毫克每升(mg/L);Q
-由工作曲线查出的空白溶液中铁的质量浓度,单位为毫克每升(mg/L):-试样溶液总休积,单位为毫升(mL);D.测定时试样溶液的稀释倍数;-试料的质量,单位为克(g)
取平行测定结果的算术平均值为测定结果,结果保留到小数点后两位。C.6允许差
乎行测定结果的相对相差不人于10%;(c.1)
不同实验宰测定结果的相对相差不大于30%。当测定结果小于0.15%时,不同实验室测定结果相对相差不计,
注:相对相差为二次测量慎相差与二次测量值均值之比。C.7质量浓度的换算
液体肥料锰(Mn)含量o(Mn)以质量浓度(u/L)表示,按式(C.2)计算:p(Mn) = 10rg
式中:
-试样中锰的质量分数(%);
一液体试样的密度,单位为克每毫升(g/mL)。密度的测定按NY/T887规定执行
结果保留到小数点后一位。
小提示:此标准内容仅展示完整标准里的部分截取内容,若需要完整标准请到上方自行免费下载完整标准文档。
中华人民共和国农业行业标准
NY 1428—2007
微量元素水溶肥料
Water-Soluble Fertilizers Containing Micronutrients2007-09-14发布
2007-12-01实施
中华人民共和国农业部
本标准附录A.附录B、附录C、附录D、附录E、附录F、附录G为规范性附录。本标准由中华人民共和国农业部提出并归口:NY14282007
本标推起草单位:国家化肥质量监督检验中心(北京)农业部肥料质晟监督检验中心(威)华中农业大学
本标谁主要起草人:王旭、封朝眸,任萍、李昆、范洪黎、赵竹青。1范围
微量元素水溶肥料
NY1428—2007Www.bzxZ.net
本标推规定了微量元素水溶肥料的技术要求、试验方法,检验规则、标识、包装、运输和贮荐。本标准适用于中华人民共和国境内生产和销售的,出钢、铁、锰、锌、硼、钼微量元素按适合植物生长所需比例制成的液体或固体水溶肥料。2规范性引用文件
下列文件中的条款通过本标准的引用而成为本标准的条款。凡是注日期的引用文件,其随后所有的修改单(不包括勘误的内容)或修订版均不适用于本标准,然而,鼓励根据本标准达成协议的各方研究是否可使用这些文件的最新版本。凡是不注日期的引用文件,其最新版本适用十本标摊。GB190危险货物包装标志
包装储运图示标志
GB 191
GB/T125U极限数值的表示方法和判定方法(出/I6679固体化T产品采样通则(B/T6680液体化T产品采样通则(B8569固体化学肥料包装
(B/T8576复混肥料中游离水含量的测定真空烘箱法(GB/T14540复混肥料中铜,铁、锰,锌、測.含量的测GB18382肥料标识内容和要求
HG/T2843化肥产品化学分析中常用标准滴定溶液、标准溶液、试剂溶液和指示剂溶液NY/T887液体肥料密度的测定
NY/T 1108液体肥料包装技术安求VY1110水溶肥料中录、砷、镉、铅、铬的限量及其含量测定VY/T1115水溶肥料水不溶物含量的测定《产品质景仲裁检验和产品质量鉴定管理办法》《定量包装商品计量监督管理办法》3术语和定义
下列术语和定义适而丁本标准。3.1
水溶肥料water siluhle fertilizers经水济解或稀释,用于灌溉施肥、叶面施肥、无土栽培、浸种蘸根等用途的液体或固体肥料。4要求
4.1外观
均匀的液体或固休体。
4.2微量元素水溶肥料固体~品技术指标应符合表1要求,1
NY1428—2007
微量元含量,%
水不溶物含显,%
pEI值(1-250倍稀释)
水分(H0),%
微量元素含量指铜,铁、锰、锌、硼、钼元素含量之和。产品应至少包含两种微录元素。含量不低于0.1%的单微量元索均应计人微量元素含量中,元素含单不高于1.0%。4.3微量儿素水溶肥料液体产品技术指标应符合表2要求。微量元素水济肥料中汞、砷、镭、铅、铬限量指标应符合VY-1110要求。4.4
微量元素含蛋\多/L
水不榨物含盘,区/L
pH仙(1+250倍稀释)
微虽元索含基指钢、铁、链、锌、翻、钳元素含量之和产品应至少包含两种微量元索,含量不低于1g/L的单一微旦元素均应计人敏量元素含量中。销元素含量不高于10/L5试验方法
5.1铜含量的测定
按附录A规定执行。
5.2铁含量的测定
按附录B规定执行,
5.3锰含量的测定
按录 C规定执行。
5.4锌含量的测定
按附录D规定执行。
5.5硼含量的测定
按附录E规定执行。
5.6钼含量的测定
按附录F规定执行。
5.7pH 值的测定
按附录G规定执行。
5.8水不溶物含量的测定
按NY/T1115规定执行。
5.9水分的测定
按GB/T 8576 规定热行。
5.10液体肥料密度的测定
按NY/T887规定执行。结果用于质量浓度的换算。5.11汞含量的测定
按 NY 1110 附录 A规定执行。
5.12碑含量的测定
按NY1110附录A规定执行
5.13镉含量的测定
按 NY 1110 附录 B规定执行。
5.14铅含量的测定
按NY1110附录B规定热行
5.15铬含量的测定
按 NY 1110 附录 B规定执行
6检验规则
6.1本标准中产品质量指标合格判断,采用(GB/T1250中修约值比较法。NY 1428—2007
6.2产品应由企业质量监督部门进行检验,牛产企业应保证所有的销售产品均符合本标准的要求。每批产品应附有质量证明书,其内容包括:生产企业名称、地址、产品标准名称和本标准号、批号或生产日期、产品净含量、产品养分保证量、产品汞、种、镉、铅、铬限量等。6.3用户有权按本标准规定的检验规则和检验方法对所收到的产品进行核验。6.4生产企业进行出厂检验时,如果检验结果有·项或-项以上指标不符合本标准要求,应重新户加倍采样批中采样进行复验。复验结果有,-项或--项以上指标不符合本标准要求,则整批产品不应被验收合格。
6.5产品按批检验,以一次配料为一批,最大批量为501。6.6固体或散装产品采样按GB/T6679规定热行。6.7液体产品采样按GB/T6680规定执行。6.8将所采样品置于洁净、T燥的容器小迅速混勾。取固体样品600g或液体样品600mL,分装于两个洁净、干燥容器中,密封并贴上标签,注明生产企业名称、产品名称、批号或生产日期、采样口期、采样人姓名。其中一瓶用十产品质量分析,另一瓶应保存至少两个月,以备复验。6.9固体样品经多次缩分后,取出约100g,将其迅速研磨至全部通过0.50mm孔径筛(如样品潮湿,可通过1.00tnm筛了),混合均匀,置丁洁净、下燥容器巾用于测定。6.10液体样品经多次摇动后,迅速取出约200mL,置于洁净,干燥容器中用于测定。6.11当供需双方对产品质量发牛异议需仲裁时,应按《品质量仲裁检验和产品质量鉴定管理办法》有关规定执行。
7标识
7.1产品包装容器上应标明:
产品标准名称和标准号、肥料登记证号、使用说明皮警示说明,使说明成包括产品主要功能、使用范围、用法、用量及注意事项等;微量元索含最、单一微量元素含量保证量。单一微量元素含量保证量之和应符合微量元素含量要求,各单一微量元素测定值与保证量正负相对偏差的绝对值不应大于40%;一汞、种、、铅、铬限量,
NY1428—2007
7.2其余按GB18382执行
8包装、运输和购存
8.1固体产品包装按照GB8569规定执行。液体产品包装按照VY/I1108规定执行。净含量按《定量包装商品计量监督管理办法》有关规定执行,其中固体产品每餐净含量不应低于25名。8.2在销售包装容器中的物料应混合均匀,不应附加小包装物料成分。8.3产品运输和贮存过程中应防潮、防晒、防被裂,警示说明按GB190利GB 191有关规定执行。A.1原理
附录A
(规范性附录)
水溶肥料铜含量的测定原子吸收分光光度法NY 1428--2007
试样溶液中的铜在微酸性介质中,于空气一乙炔火中原了化,所产生的原「蒸气吸收从铜空心阴极灯射出的特征波长324.6mm的光,吸光度的人小与铜基态原了浓度成正比:A.2试剂和材料
本标准中所瓜试剂,冰和溶液的配制,在未注明规格和配制方法时,均应按HG/T 2843 之规定A.2.1盐酸溶液:1+1;
A.2.2铜标准储备液:p(Ca)-1mg/mL;A.2.3铜标准溶液:α(Cu)一100强/ml。吸取铜标准储备液(A.2.2)10.00 mL于100 mL容量瓶中,用水定容,混匀;
A.2.4溶解乙炔
A.3仪器
A.3.1通常带实验室仪器
A.3.2水平往复式振荡幕或具有相同功效的振荡装置;A.3.3原了吸收分光光度计,附有空气一乙炔燃烧器及铜空心阴极灯A.4分析步骤
A.4.1试样溶液的制备
称取试样1g2(精确至0.0001g)于250mL荠量瓶中,加水约150mL,置(25±5)C振器内,在(180士20)1/min的振荡频率下振荡30min。敢出后用水定容,混勾,干过滤,充去最初几毫升滤液后,保留滤液。
A.4.2空自溶液制备
空白溶液除不加试样外其他同试样溶液。A.4.3标准曲线的绘制
分别吸取铜标准溶液(A.2.3)0,0.10,0.50,1.00,2.00,5.00mL于六个100mL容量瓶中,加入4mL盐酸(A.2.1)溶液,用水定容,混匀。此标准系列铜溶液浓度分别为0,0.10,0.50,1.00,2.005.00/rnL,在选定最住工作条件下,丁波长324.6mn处,使用空气乙炔火焰,以钢含量为0的标准溶液为参比溶液调零,测定各标准溶液的吸光值以各标准溶液的铜的质量浓度(ug/m)为横标,相应的吸光值为纵坐标,绘制工作曲线。A.4.4测定
吸取试样溶液1.00mL10.00mL于100mL容量瓶中,加人4mL盐酸(A.2.1)济液,用水定容,混匀,在与测定标准系列溶液相同的条件下,测定试样济液的吸光值,在工作曲线上查出相应的铜质量浓度(μg/mL)。
NY 1428—2007
A.4.5 空白试验
采用空白溶液,其他步骤同试样溶液的测定。A.5分析结果的表述
钢(Cu)含量以质量分数(%)表示按式(A.1)计算:w=(o-po)×250×D
m×100
式中:
× 100
一由工作曲线查出的试样溶液中铜的质量浓度,单位为毫克每升(mg/L):po—由工作曲线食出的空白溶液中铜的质量浓度,单位为毫克每升(mg/L);250—试样溶液总体积,单位为毫(m);D-
一测定时试样溶液的烯释倍数;试料的质量,单位为克(\)
取平行测定结果的算术平均值为测定结荣,结果保密到小数点后两位。A.6充许差
乎行测定结果的相对相差不大于10%;(A.1)
不同实验室测定结果的相对相差不大于30%。当测定结果小丁0.15%时,不同实验室测定结果相对相差不计。
还:相对相差为二次测量值相差与二次测量值均之比。A.7质量浓度的换算
液体肥料铜(Cu)含量e(Cu)以质量浓度(g/L)表示,按式(A.2)计算:o(Cu) = 10wp
式中:
试样中铜的质量分数(%):
液休试样的密度,单位为克每毫升(g/mL)。密度的测定按NY/T887规定执行c结果保密到小数点后一位。
B.1原理
附录B
【规范性附录】
水溶肥料铁含量的测定原子吸收分光光度法NY1428—2007
试样溶液中的铁在微酸性介质中,于空气一乙炔火焰中原子化,所产生的原子蒸气吸收从铁空心阴极灯射出的特征波长248.3nm的光,吸光度的大小与铁基态原子浓度成正比。B.2试剂和材料
本标准中所用试剂、水和溶液的配制,在未注明规格和配制方法时,均应按HG/T2843之规定。B.2.1盐酸溶液:1+1;
B.2.2铁标准储备液:o(Fe)=1ng/mL;B.2.3铁标准荠液:p(Fe)100μg/mL吸取铁标准储备液(B.2.2)10.00mL于100rrL容量瓶中,用水定容,混匀;
B.2.4溶解乙炔。
B.3仪器
通常实验室仪器:
B.3.2水平往复式振荡器或具有相同功效的振荡装置;B.3.3原子吸收分光光度计,附有空气一乙炔燃烧器及铁空心阴极灯。B.4分析步骤
B.4.1试样溶液的制备
称取试样1g~2g(精确至0.0001g)于250mL容量瓶中,加水约150mL,置于(25±5)℃振荡器内,在(180120)r/min的振荡顺率下振荡30min。取出后用水定容,混匀,十过滤,弃去最初儿毫升滤液后,保留滤液,
B.4.2空白溶液制备
空白溶液除不加试样外,其他同试样溶液。B.4.3标准曲线的绘制
分别吸取铁标准溶液(B.2.3)0,0.50,1.00,2.00,5.00mL于寸.个10)mL容量瓶中,加人4m盐酸(B.2.1)溶液,用水定容,混匀。此标准系列铁溶液浓度分别为0,0.50,1.00,2.00,5.00μg/mL。在选定最佳工作条件下,于波长248.3nm处,使用空气一乙炔火焰,以铁合量为0的标准溶液为参比溶液调零,测定各标准溶液的吸光值。以各标准溶液的铁的质量浓度(/ml.)为横坐标,相应的吸光值为纵坐标,绘制工作曲线。B.4.4测定
吸取试样溶液1.00rnL~10.00mL于100mL容量瓶中,加人4mL盐酸(B.2.1)溶液,用水定容混匀,在与测定标准系列溶液相同的条件下,测定试样溶液的吸光值,在工作曲线上查出相应的铁质量浓度(μg/mL)。
NY1428—2007
B.4.5空白试验
采用空溶,其他步骤同试样溶液的测定。B.5
5分析结果的裹述
铁(Fe)含量 w以质量分数(%)表示,按式(B.1)计算:zz=(e-po)×250×D
yn×10
式中:
由工作曲线查出的试样溶液中铁的质量浓度,单位为毫克每Ⅱ(rg/L)由工作曲线查出的空白溶液中铁的质量浓度,单位为毫克每升(mg/L);o
试样溶液总体积,单位为毫升(mL);测定时试样溶液的稀释倍数;
试料的质量,单位为克()。
联平行测定结果的算术平均值为测定结果,结果保留到小数点后两位。B.6允许差
平行测定结果的相对相差不大于10%;(B.1)
不同实验室测定结果的相对相差不大于30%。当测定结果小子0.15%时,不同实验室测定结果相对相差不让。
注:相对相差为二次测量值相差与二次测量值均值之比。B.7质量浓度的换算
液体肥料钦(Fe)含量p(Fe)以质量浓度(g/L)表示,接试(B.2)计算:(Fe)=10up
试样中铁的质量分数(%);
体试样的密度,单位为克每毫升(g/mL)。密度的测定按NY/T887规定执行。结果保留到小数点后一位。
c.1原理
附录C
【规范性附录】
水溶肥料锰含量的测定原子吸收分光光度法NY 1428—2007
试样溶液中的锰在徽酸性介质中,丁空气一乙炔火焰中原子化,所产生的原子蒸气吸收从锰空心阴极灯射出的特征波长279.5nm的光,吸光度的人小与锰基态原广浓度成正比。C.2试剂和材料
本标准中所用试剂、水和溶液的配制,在未注即规格和配制方法时,均成按HG/T2843之规定。C.2.1盐酸溶液:1-1;
C.2.2锰标准储备液:o(Mn)-1mg/ml;C.2.3锰标准溶液:p(Mm)=100μg/mL,准确吸取锰标准储备液(C.2.2)10.00mL于100mL容量瓶中,用水定容,混匀;
C.2.4辫解乙炔。
C.3仪器
C.3.1通常实验室仪器;
C.3.2水平往复式振荡器或具有相功效的振荡装置;C.3.3原子吸收分光光度计,附有空气一乙炔燃烧器及锰空心阴极灯。C.4分析步骤
C.4.1试样溶液的制备
称取试样1g~2g(精确至0.0001g)于250mL容量瓶中,加水约150mL,置于(25±5)℃振荡器内,在(180120)r/min的振荡频率下振荡30rnin:取出后用水定容,混勾,十过滤,弃去最初儿毫升滤液后,保留滤液。
C.4.2空白溶液制备
空户溶液除不加试样外,其它同样辫液。C.4.3标准曲线的绘制
分别吸取锰标准溶液(C.2.3)0,0.50,1.00,2.00,5.00mL于五个100mL容量瓶中,加入4ml.盐酸(C.2.1)溶液,用水定容,混勾。此标准系列锰溶液浓度分别为0,0.50,1.00.2.00,5.00g/mT。在选定最佳工作条件下,于波长279.5nm处,使用空气一乙炔火焰,以锰含量为0的标准溶液为参比溶液调零,测定各标准溶液的吸光值:以各标准溶液的锰的质量浓度(竭/nL)为横坐标,相成的吸光值为纵坐标,绘制工作曲线。C.4.4测定
吸取试样浒液1.00mL--10.00 mL于100mL窄量瓶中,加入4mL盐酸(C.2.,1)溶液,用水定容,混匀,在与测定标准系列溶液相同的条件下,测定试样溶液的吸光值,在工作曲线上查出相应的锰质量浓度(gg/mL)。
NY1428—2007
C.4.5空白试验
采用空白溶液,其他步骤同试样溶液的测定。C.5分析结果的表述
锰(Mn)含量 饮以质量分数(%)表示,按式(C.1)计算:(ppo)×250×D
7n×106
式中:
由工作曲线查出的试样溶液中铁的质景浓度,单位为毫克每升(mg/L);Q
-由工作曲线查出的空白溶液中铁的质量浓度,单位为毫克每升(mg/L):-试样溶液总休积,单位为毫升(mL);D.测定时试样溶液的稀释倍数;-试料的质量,单位为克(g)
取平行测定结果的算术平均值为测定结果,结果保留到小数点后两位。C.6允许差
乎行测定结果的相对相差不人于10%;(c.1)
不同实验宰测定结果的相对相差不大于30%。当测定结果小于0.15%时,不同实验室测定结果相对相差不计,
注:相对相差为二次测量慎相差与二次测量值均值之比。C.7质量浓度的换算
液体肥料锰(Mn)含量o(Mn)以质量浓度(u/L)表示,按式(C.2)计算:p(Mn) = 10rg
式中:
-试样中锰的质量分数(%);
一液体试样的密度,单位为克每毫升(g/mL)。密度的测定按NY/T887规定执行
结果保留到小数点后一位。
小提示:此标准内容仅展示完整标准里的部分截取内容,若需要完整标准请到上方自行免费下载完整标准文档。
标准图片预览:





- 其它标准
- 热门标准
- 农业行业标准(NY)
- NY/T1561-2007 秸秆燃气灶
- NY/T3102-2017 枇杷贮藏技术规范
- NY∕T3212-2018 拖拉机和联合收割机登记证书
- NY/T5357-2007 无公害食品 海洋水产品捕捞生产管理规范
- NY/T2444-2013 菠萝叶纤维
- NY/T1153.3-2013 农药登记用白蚁防治剂药效试验方法及评价 第3部分农药土壤处理预防白蚁
- NY2188-2012 联合收割机号牌座设置技术要求
- NY/T2493-2013 植物新品种特异性、一致性和稳定性测试指南 荞麦
- NY/T2422-2013 植物新品种特异性、一致性和稳定性测试指南 茶树
- NY/T2446-2013 热带作物品种区域试验技术规程 木薯
- NY/T2494-2013 植物新品种特异性、一致性和稳定性测试指南 紫苏
- NY/T3051-2016 生乳安全指标监测前样品处理规范
- NY/T2484-2013 植物新品种特异性 一致性和稳定性测试指南 无芒雀麦
- NY/T2520-2013 植物新品种特异性、一致性和稳定性测试指南 树莓
- NY/T2360-2013 十字花科小菜蛾抗药性监测技术规程
- 行业新闻
请牢记:“bzxz.net”即是“标准下载”四个汉字汉语拼音首字母与国际顶级域名“.net”的组合。 ©2025 标准下载网 www.bzxz.net 本站邮件:bzxznet@163.com
网站备案号:湘ICP备2025141790号-2
网站备案号:湘ICP备2025141790号-2