- 您的位置:
- 标准下载网 >>
- 标准分类 >>
- 国家标准(GB) >>
- GB/T 6139-2007 阶梯麻花钻 技术条件
标准号:
GB/T 6139-2007
标准名称:
阶梯麻花钻 技术条件
标准类别:
国家标准(GB)
标准状态:
现行-
发布日期:
2007-07-26 -
实施日期:
2007-12-01 出版语种:
简体中文下载格式:
.rar.pdf下载大小:
577.74 KB
替代情况:
替代GB/T 6139-1997
点击下载
标准简介:
标准下载解压密码:www.bzxz.net
本标准规定了阶梯麻花钻(普通级和精密级)的尺寸、材料和硬度、外观和表面粗糙度、标志和包装的技术要求。本标准适用于按GB/T6138.1和GB/T6138.2生产的攻丝前钻孔用阶梯麻花钻及其他阶梯麻花钻。 GB/T 6139-2007 阶梯麻花钻 技术条件 GB/T6139-2007
部分标准内容:
ICS 25. 100. 30
中华人民共和国国家标准
GB/T6139—2007
代替G3/T6139---1997
阶梯麻花钻
技术条件
Subland twist drillsTechnical specifications2007-07-26发布
中华人民共和国国家质量监督检验检疫总局中国国家标准化管理委员会
2007-12-01实施
本标准代替GB/T6139—1997阶梯麻花钻技术条件》。本标准与(B/T6139—1997相比主要变化如下:”-瑕消了性能试验部分;
—-增媚了普通级和精密级的分类:增加了精密级钻孔部分真径公差:-增加了精密级草柄阶梯麻花钻柄部直径公差;GB/T 6139—2007
一—-增娜了4.4的要求,即:制造带扁尾的攻丝前钻孔用直柄阶梯麻花钻时,扁尾的尺寸和公差按GB/T 1442:
一一增加了阶梯麻花钻精密皱钻孔部分钻芯对懿孔部分轴线的对称度:-增加了阶梯麻花钻精密级切削刃刘孔部分轴线的斜向圆跳动;……补充规定了阶梯麻花钻钻孔部分的公差类别;.-增如了整体高性能高速钢(HSSE)柄部的硬度要求;一增加了阶梯麻花钻精密级表面粗糙度的数值。本标推由中国机械工业联合会提出。本标滩出全国刀具标推化技术委员会(SAC/TC91)归口。本标雄起草单位:河南.具有限公司、上海工具厂有限公司。本标准主要起草人:邀建敏,孔春艳、潘爱国、励敢伟,陈丽萍、华建荣.王炼林,赵键斌.张振刚.本标准所代替标准的历次版本发布情况为:G13 6139—85,GB/T 6139—19971
1范围
阶梯麻花钻
技术条件
GB/T 6139--2007
本标准规定了阶梯麻花钻(普通级利精密级)的尺寸、材料和碰度、外观和表面粗糙度,标志和包装的技术要求,
本标准适用丁按GB/T6138证粘GB/T5138.2生产的致丝前针孔用阶榜麻花钻及其他阶梯麻花钻。
2规范性引用文件
下列文件中的条款遵对举标准的引思而成为本标谁的紊款,凡是日期韵引用文件,其随后所有的修改单(不包括勘设)或修订配否可使用这些文伴最新版本嘴
GB/T1442置辆工具用
鼓励根据本标达般协议的务方研究是新版本适用于标推。
CB/T1442-2804,ISO4203:1978,
窗锥(GB/T144粥
GB/T 144%
机和工具橘
T最公的在OBT
GH/T 18
GB/T 61等-情
玫丝前
2007egI2003
(GB/T 6138.
GB/T61品攻丝前钻wwW.bzxz.Net
-207,ev Is0
(GB/T 6138. 2)
乾钻孔部分
t.·.阶梯
4尺寸
阶梯麻花黏潮孔部分
阶梯麻花钻意券:
一阶佛麻花新满礼长度;
阶梯麻花钻钻乳部学
长度。
教钻業
1v IS0 296.1991)
42000,eqv 1g0 2798-1:1989)
直柄阶檬麻裙钻的型式和尺计
氏柄阶嘛花钻的型式和尺
4.1阶梯麻花钻钻孔部分直径(a松差为:普通级h9,精密级h8,锶孔部分首径(da)公差为:普通级h9.精密级h8.
4.2阶梯麻花销销孔部分直径倒锥度:每100mm长度上为0.02 mm~-0.08mm,4.3直柄阶梯麻花钻柄部直径公差为:普通级为hl1,精密级为h10;其夹持部分的圆柱度公差为0.02mm.
4.4:制造带扁尾的直柄阶梯麻化钻时,席尾的尺寸和公差按GB/T1412。4.5链柄阶梯麻花钻的锥柄为带扇尾的莫氏锥橱,莫氏锥柄尺寸和公差按GB/T1443。4.6阶廉花钻总长「及沟槽长度11的公差按CB/T1804最粗级的规定;钻孔部分长度1,的公差:当通级为js16,精密缀为js13.
特殊情况下,根据供需双方协议,阶梯麻花钻总长和沟槽长度的极限尺寸允许是上,下相邻阶梯麻花钻长度的基本尺
GB/T 6139—2007
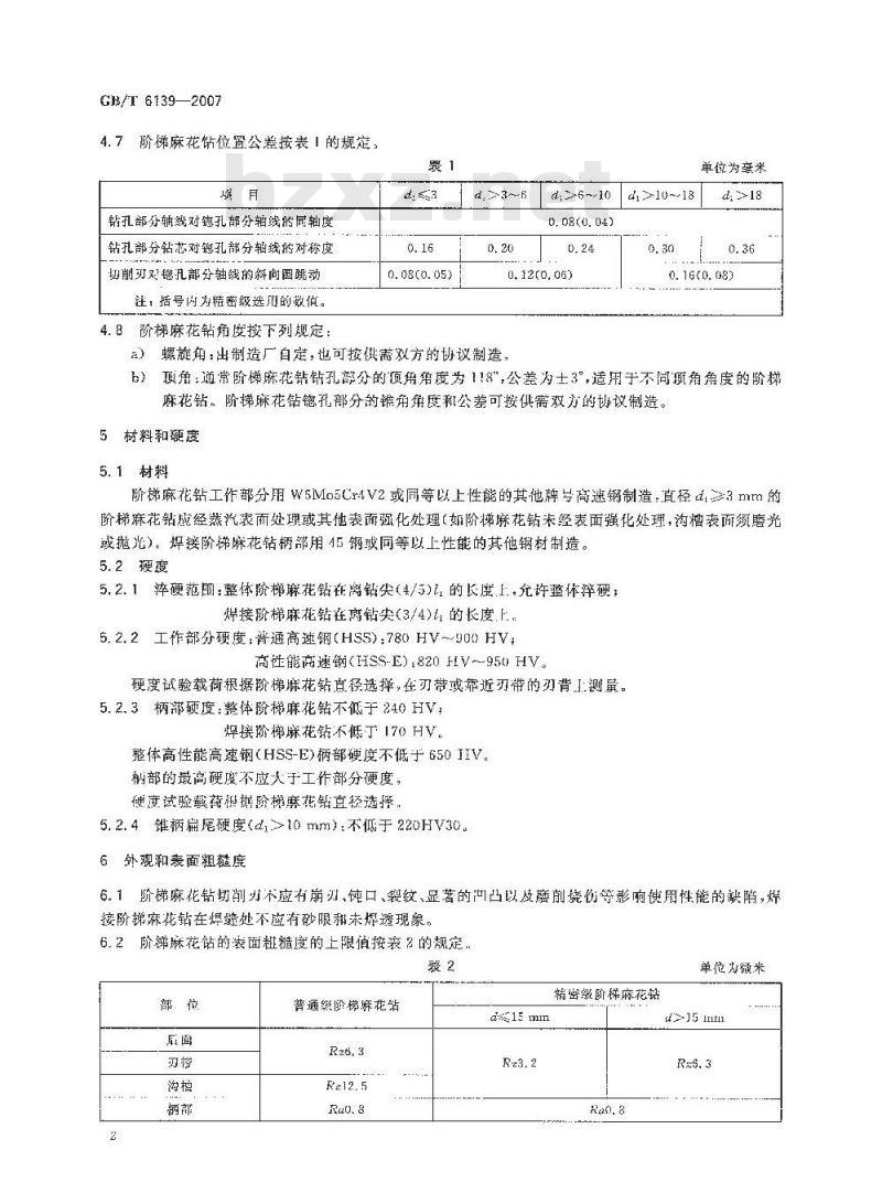
4.7阶梯麻花钻位置公按表1的规定,頭月
钻孔部分轴线对密孔部分轴线的轴度钻孔部分钻芯对孔部分轴线的对称度切削刃对锶孔部分轴线的斜向国跳动注,括号内为猜密级选的数值。4.8阶梯麻花钻角度按下列规定:器一
0.08(0.05)
d:26~-10
0, 08(0. 04)
0.12(0. 06)
a)螺旋角:出制造厂自定,也可按供需双方的协议制造,单位为毫米
d>10~-18
d: >18
0.16(0.08)
b)项角:通常阶梯麻花钻钻孔部分的顶角角度为118”,公差为士3°,适用于不同项角角度的阶梯麻花钻。阶梯麻花钻孔部分的销角角度和公差可按供需双方的协议制造。5材料和硬度
5.1材料
阶梯麻花钻工作部分用WSMo5Cr4V2或同等以上性能的其他牌号高速钢制造,直径dt3mm的阶梯麻花钻戚经蒸汽表而处理或其他表而强化处理(如阶梯麻花钻未经表面强化处理,沟槽表面须磨光或抛光)。焊接阶梯麻花钻柄部用45钢或同等以上性能的其他钢材制造。5.2瘦度
5.2.1淬硬范围:整体阶梯麻花钻能离钻尖(4/5)1的长度上,允许整体率硬;焊接阶梯麻花钻在离钻尖(3/4)1的长度.F,5.2.2工作部分硬度:普通高递钢(HS5):780 HV~900 HV;高性能商速钢(HSS-E):820 HV~95t HV硬度试验截荷根据阶麻花钻言径选择,在刃带或靠近刃带的刃背I.测量。5.2.3柄部硬度:整体阶梯麻花钻不低于240HV;焊接阶梯糜花钻不低丁170HV。
整体高性能高速钢(HSS-E)柄部硬度不低于650IIV,树部的最高硬度不应大于工作部分硬度,硬度试验懿萄褪据阶梯麻花钻直径选摔:5.2.4锥柄扁尾硬度(dl>10 mm):不低于220HV30。6外观和表面粗糙度
6.1阶梯麻花钻切削刃不应有崩刃、饨口、裂纹、显著的河凸以及磨削烧价等影响使用性能的缺陷,焊接阶梯麻花钻在焊缝处不应有砂限和未爆透现象,6.2阶梯麻花钻的表面粗糙度的上限值按表2的规定.袭2
普通照阶梯麻花站
ds15mm
精密缀阶梯麻花钻
单位为微米
t=-j5nm
标志和包装
7.1标志
产品上庭标志
制造厂或销售商的商标
阶梯麻花钻的尺(d,x):
高速钢代号;
阶梯麻花钻等级(精密级阶梯麻花钻标志\II\,普通级阶梯麻花钻不标志)。包装盒上应标志:
制造厂或销售商的名称,地址和商标;阶梯麻花钻的标记:
高速钢的牌号或代号;
件数;
制造年月
7.2包装
阶梯麻花钻在包装前应经防锈处理:包装必须牢靠并能防止运输过程中的损伤。GB/T 6139-2007
GB/T 6139-2007
中华人民共和
国家标准
阶梯麻花钻技术条件
GB/T 613S—2007
中国标准出版社出版发行
北京复兴门外三里菏北街15号
邯政编码:100015
网址spc.net.cn
电话:6852391663517513
中国标推出版社案皇岛印刷印刷各地新华书店祭销
厂木880×12301/16印张05字数5千字2007个年11月第一版
2007 年 1.1 月第一次印刷
书号:155056。1-3034定价10.00元如有印装差错臼木社发行中心调换版权专有侵权必究
举报电话:(010)68533533
2002-6019 H/
小提示:此标准内容仅展示完整标准里的部分截取内容,若需要完整标准请到上方自行免费下载完整标准文档。
中华人民共和国国家标准
GB/T6139—2007
代替G3/T6139---1997
阶梯麻花钻
技术条件
Subland twist drillsTechnical specifications2007-07-26发布
中华人民共和国国家质量监督检验检疫总局中国国家标准化管理委员会
2007-12-01实施
本标准代替GB/T6139—1997阶梯麻花钻技术条件》。本标准与(B/T6139—1997相比主要变化如下:”-瑕消了性能试验部分;
—-增媚了普通级和精密级的分类:增加了精密级钻孔部分真径公差:-增加了精密级草柄阶梯麻花钻柄部直径公差;GB/T 6139—2007
一—-增娜了4.4的要求,即:制造带扁尾的攻丝前钻孔用直柄阶梯麻花钻时,扁尾的尺寸和公差按GB/T 1442:
一一增加了阶梯麻花钻精密皱钻孔部分钻芯对懿孔部分轴线的对称度:-增加了阶梯麻花钻精密级切削刃刘孔部分轴线的斜向圆跳动;……补充规定了阶梯麻花钻钻孔部分的公差类别;.-增如了整体高性能高速钢(HSSE)柄部的硬度要求;一增加了阶梯麻花钻精密级表面粗糙度的数值。本标推由中国机械工业联合会提出。本标滩出全国刀具标推化技术委员会(SAC/TC91)归口。本标雄起草单位:河南.具有限公司、上海工具厂有限公司。本标准主要起草人:邀建敏,孔春艳、潘爱国、励敢伟,陈丽萍、华建荣.王炼林,赵键斌.张振刚.本标准所代替标准的历次版本发布情况为:G13 6139—85,GB/T 6139—19971
1范围
阶梯麻花钻
技术条件
GB/T 6139--2007
本标准规定了阶梯麻花钻(普通级利精密级)的尺寸、材料和碰度、外观和表面粗糙度,标志和包装的技术要求,
本标准适用丁按GB/T6138证粘GB/T5138.2生产的致丝前针孔用阶榜麻花钻及其他阶梯麻花钻。
2规范性引用文件
下列文件中的条款遵对举标准的引思而成为本标谁的紊款,凡是日期韵引用文件,其随后所有的修改单(不包括勘设)或修订配否可使用这些文伴最新版本嘴
GB/T1442置辆工具用
鼓励根据本标达般协议的务方研究是新版本适用于标推。
CB/T1442-2804,ISO4203:1978,
窗锥(GB/T144粥
GB/T 144%
机和工具橘
T最公的在OBT
GH/T 18
GB/T 61等-情
玫丝前
2007egI2003
(GB/T 6138.
GB/T61品攻丝前钻wwW.bzxz.Net
-207,ev Is0
(GB/T 6138. 2)
乾钻孔部分
t.·.阶梯
4尺寸
阶梯麻花黏潮孔部分
阶梯麻花钻意券:
一阶佛麻花新满礼长度;
阶梯麻花钻钻乳部学
长度。
教钻業
1v IS0 296.1991)
42000,eqv 1g0 2798-1:1989)
直柄阶檬麻裙钻的型式和尺计
氏柄阶嘛花钻的型式和尺
4.1阶梯麻花钻钻孔部分直径(a松差为:普通级h9,精密级h8,锶孔部分首径(da)公差为:普通级h9.精密级h8.
4.2阶梯麻花销销孔部分直径倒锥度:每100mm长度上为0.02 mm~-0.08mm,4.3直柄阶梯麻花钻柄部直径公差为:普通级为hl1,精密级为h10;其夹持部分的圆柱度公差为0.02mm.
4.4:制造带扁尾的直柄阶梯麻化钻时,席尾的尺寸和公差按GB/T1412。4.5链柄阶梯麻花钻的锥柄为带扇尾的莫氏锥橱,莫氏锥柄尺寸和公差按GB/T1443。4.6阶廉花钻总长「及沟槽长度11的公差按CB/T1804最粗级的规定;钻孔部分长度1,的公差:当通级为js16,精密缀为js13.
特殊情况下,根据供需双方协议,阶梯麻花钻总长和沟槽长度的极限尺寸允许是上,下相邻阶梯麻花钻长度的基本尺
GB/T 6139—2007
4.7阶梯麻花钻位置公按表1的规定,頭月
钻孔部分轴线对密孔部分轴线的轴度钻孔部分钻芯对孔部分轴线的对称度切削刃对锶孔部分轴线的斜向国跳动注,括号内为猜密级选的数值。4.8阶梯麻花钻角度按下列规定:器一
0.08(0.05)
d:26~-10
0, 08(0. 04)
0.12(0. 06)
a)螺旋角:出制造厂自定,也可按供需双方的协议制造,单位为毫米
d>10~-18
d: >18
0.16(0.08)
b)项角:通常阶梯麻花钻钻孔部分的顶角角度为118”,公差为士3°,适用于不同项角角度的阶梯麻花钻。阶梯麻花钻孔部分的销角角度和公差可按供需双方的协议制造。5材料和硬度
5.1材料
阶梯麻花钻工作部分用WSMo5Cr4V2或同等以上性能的其他牌号高速钢制造,直径dt3mm的阶梯麻花钻戚经蒸汽表而处理或其他表而强化处理(如阶梯麻花钻未经表面强化处理,沟槽表面须磨光或抛光)。焊接阶梯麻花钻柄部用45钢或同等以上性能的其他钢材制造。5.2瘦度
5.2.1淬硬范围:整体阶梯麻花钻能离钻尖(4/5)1的长度上,允许整体率硬;焊接阶梯麻花钻在离钻尖(3/4)1的长度.F,5.2.2工作部分硬度:普通高递钢(HS5):780 HV~900 HV;高性能商速钢(HSS-E):820 HV~95t HV硬度试验截荷根据阶麻花钻言径选择,在刃带或靠近刃带的刃背I.测量。5.2.3柄部硬度:整体阶梯麻花钻不低于240HV;焊接阶梯糜花钻不低丁170HV。
整体高性能高速钢(HSS-E)柄部硬度不低于650IIV,树部的最高硬度不应大于工作部分硬度,硬度试验懿萄褪据阶梯麻花钻直径选摔:5.2.4锥柄扁尾硬度(dl>10 mm):不低于220HV30。6外观和表面粗糙度
6.1阶梯麻花钻切削刃不应有崩刃、饨口、裂纹、显著的河凸以及磨削烧价等影响使用性能的缺陷,焊接阶梯麻花钻在焊缝处不应有砂限和未爆透现象,6.2阶梯麻花钻的表面粗糙度的上限值按表2的规定.袭2
普通照阶梯麻花站
ds15mm
精密缀阶梯麻花钻
单位为微米
t=-j5nm
标志和包装
7.1标志
产品上庭标志
制造厂或销售商的商标
阶梯麻花钻的尺(d,x):
高速钢代号;
阶梯麻花钻等级(精密级阶梯麻花钻标志\II\,普通级阶梯麻花钻不标志)。包装盒上应标志:
制造厂或销售商的名称,地址和商标;阶梯麻花钻的标记:
高速钢的牌号或代号;
件数;
制造年月
7.2包装
阶梯麻花钻在包装前应经防锈处理:包装必须牢靠并能防止运输过程中的损伤。GB/T 6139-2007
GB/T 6139-2007
中华人民共和
国家标准
阶梯麻花钻技术条件
GB/T 613S—2007
中国标准出版社出版发行
北京复兴门外三里菏北街15号
邯政编码:100015
网址spc.net.cn
电话:6852391663517513
中国标推出版社案皇岛印刷印刷各地新华书店祭销
厂木880×12301/16印张05字数5千字2007个年11月第一版
2007 年 1.1 月第一次印刷
书号:155056。1-3034定价10.00元如有印装差错臼木社发行中心调换版权专有侵权必究
举报电话:(010)68533533
2002-6019 H/
小提示:此标准内容仅展示完整标准里的部分截取内容,若需要完整标准请到上方自行免费下载完整标准文档。
标准图片预览:





- 热门标准
- 国家标准(GB)
- GB/T2828.1-2012 计数抽样检验程序 第1部分:按接收质量限(AQL)检索的逐批检验抽样计划
- GB/T29863-2023 服装制图
- GB/T3836.1-2021 爆炸性环境 第1部分:设备 通用要求
- GB50367-2013 混凝土结构加固设计规范
- GB/T228.1-2021 金属材料 拉伸试验 第1部分:室温试验方法
- GB5009.225-2023 食品安全国家标准 酒和食用酒精中乙醇浓度的测定
- GB/T18204.4-2000 公共场所毛巾、床上卧具微生物检验方法细菌总数测定
- GB/T23892.3-2009 滑动轴承 稳态条件下流体动压可倾瓦块止推轴承 第3部分:可倾瓦块止推轴承计算的许用值
- GB/T9145-2003 普通螺纹 中等精度、优选系列的极限尺寸
- GB/T11839-1989 二氧化铀芯块中硼的测定 姜黄素萃取光度法
- GB/T12053-1989 光学识别用字母数字字符集 第一部分:OCR-A字符集印刷图象的形状和尺寸
- GB5725-2009 安全网
- GB/T18380.33-2022 电缆和光缆在火焰条件下的燃烧试验 第33部分:垂直安装的成束电线电缆火焰垂直蔓延试验 A类
- GB/T9239-1988 刚性转子平衡品质 许用不平衡的确定
- GB/T15917.3-1995 金属镝及氧化镝化学分析方法 对氯苯基荧光酮--溴化十六烷基三甲基胺分光光度法测定钽量
- 行业新闻
请牢记:“bzxz.net”即是“标准下载”四个汉字汉语拼音首字母与国际顶级域名“.net”的组合。 ©2025 标准下载网 www.bzxz.net 本站邮件:bzxznet@163.com
网站备案号:湘ICP备2025141790号-2
网站备案号:湘ICP备2025141790号-2