- 您的位置:
- 标准下载网 >>
- 标准分类 >>
- 烟草行业标准(YC) >>
- YC/T 235.4-2007 一般公差第4部分:焊接件
标准号:
YC/T 235.4-2007
标准名称:
一般公差第4部分:焊接件
标准类别:
烟草行业标准(YC)
标准状态:
现行-
发布日期:
2007-07-05 -
实施日期:
2007-09-01 出版语种:
简体中文下载格式:
.rar.pdf下载大小:
82.08 KB
点击下载
标准简介:
标准下载解压密码:www.bzxz.net
YC/T 235的本部分规定了焊接件的线性尺寸和角度尺寸一般公差的极限偏差以及直线度、平面度和平行度一般公差。本部分适用于焊接件。 YC/T 235.4-2007 一般公差第4部分:焊接件 YC/T235.4-2007
部分标准内容:
ICS 65.160
备案号:21222—2007
中华人民共和国烟草行业标准
YC/T235.4-—2007
一般公差
第4部分:焊接件
General tolerances-Part 4:jointings2007-07-05发布
数码防伪
国家烟草专卖局
2007-09-01实施
YC/T235《一般公差》分为五个部分:第1部分:概论;
-第2部分:切削加工件;
第3部分:冲压件;
-第4部分:焊接件;
第5部分:由塑料半成品加工制成的塑料件。本部分为YC/T235的第4部分。
YC/T 235.4—2007
YC/T235的本部分根据德国HAUNI公司企业标准NK1220-4:1997《—般公差—焊接结构》
(德文版)重新起草。在采用NK1220-4:1997时,增加了“第1章范围”的内容,原标准的第1章为本部分的第2章,其余各章依次类推。两标准在技术内容上和章条排列顺序上完全相同。为符合我国国情和便于使用,对于NK1220-4:1997,本部分还作了下列编辑性修改:a)删除诸如“本标准之表述仅供参考,恕不负改动之责”“备注:代替1995年9月9版本”等说明性语句;
b)将第1章之前的叙述内容作为“引言”;c)用小数点“”代替作为小数点的号“,”;d)“NK1220-4\改为\YC/T235.4”。本部分由国家烟草专卖局提出。本部分由全国烟草标推化技术委员会(TC144)归口。本部分起草单位:中烟机械技术中心有限责任公司。本部分主要起草人:徐庆涛、徐祖发、龚美华。1
YC/T235.4--2007
NK引言
YC/T235的本部分等效DINISO13920:1996如果在图纸或其他技术资料中提示采用本部分,则本部分所述之线性尺寸和角度尺寸的一般公差适用于焊接零件、焊接组件和焊接结构件。该公差适用的线性尺寸有诸如外部尺寸、内部尺寸、凸缘尺寸、宽度尺寸、中心间距尺寸和角度尺寸。
适用于螺纹轴孔心间距的极限偏差是YC/T235.3--2007的表3。适用于角度尺寸的公差既可用于未标注的角度尺寸,亦可用于已标注的角度尺寸,例如90°角或通常的四个直角。
一般公差
第4部分:焊接件
YC/T 235.4--2007
YC/T235的本部分规定了焊接件的线性尺寸和角度尺寸一般公差的极限偏差以及直线度、平面度和平行度般公差。
本部分适用于焊接件。
线性尺寸
线性尺寸极限偏差见表1。
基本尺寸
>30~120
>120~400
>400~1000
>1000~2 000
>2 000~4 000
>4000~8000
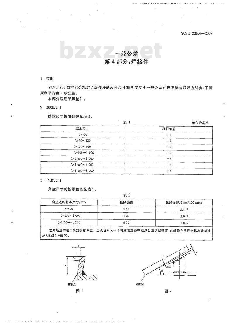
3角度尺寸
角度尺寸的极限偏差见表2。
角短边的基本尺寸/mm
>400~1 000
>1 0001 200
极限偏差
±30″
极限偏差
单位为慈米
极限偏差/((mm/100 mm)
按角短边的边长确定极限偏差。边长也可从一个特别规定的基准点出发予以确定,此时在图样中标出该基准点(见图1图5)。
基推点
基准点
YC/T235.4--2007
4直线度、平面度和平行度
蒸准点
基准点
基准点
直线度、平面度和平行度的一般公差值见表3。其他的位置公差,如同轴度、对称度等,则未予规定。如果由于功能方面的原因需要这些公差,则应将这些公差值标注在图样上。表3
基本尺寸·
>30~120
>120~400
以裘面的长边为基本尺寸。
400~1000免费标准bzxz.net
>1 000~2 000
>2 000~4 000
单位为毫米
YC/T 235. 4-2007
中华人民共和国烟草
行业标准
般公差
第4部分:焊接件
YC/T 235. 4—2007
中国标准出版社出版发行
北京复兴门外三里河北街16号
邮政编码:100045
网址 spc.net.cn
电话:6852394668517548
中国标准出版社寨皇岛印刷广印刷各地新华书店经销
开本880×12301/16
印张0.5字数7千字
2007年9月第一版2007年9月第一次印刷*
书号:155066·2-18099定价10.00元如有印装差错由本社发行中心调换版权专有侵权必究
举报电话:(010)68533533
小提示:此标准内容仅展示完整标准里的部分截取内容,若需要完整标准请到上方自行免费下载完整标准文档。
备案号:21222—2007
中华人民共和国烟草行业标准
YC/T235.4-—2007
一般公差
第4部分:焊接件
General tolerances-Part 4:jointings2007-07-05发布
数码防伪
国家烟草专卖局
2007-09-01实施
YC/T235《一般公差》分为五个部分:第1部分:概论;
-第2部分:切削加工件;
第3部分:冲压件;
-第4部分:焊接件;
第5部分:由塑料半成品加工制成的塑料件。本部分为YC/T235的第4部分。
YC/T 235.4—2007
YC/T235的本部分根据德国HAUNI公司企业标准NK1220-4:1997《—般公差—焊接结构》
(德文版)重新起草。在采用NK1220-4:1997时,增加了“第1章范围”的内容,原标准的第1章为本部分的第2章,其余各章依次类推。两标准在技术内容上和章条排列顺序上完全相同。为符合我国国情和便于使用,对于NK1220-4:1997,本部分还作了下列编辑性修改:a)删除诸如“本标准之表述仅供参考,恕不负改动之责”“备注:代替1995年9月9版本”等说明性语句;
b)将第1章之前的叙述内容作为“引言”;c)用小数点“”代替作为小数点的号“,”;d)“NK1220-4\改为\YC/T235.4”。本部分由国家烟草专卖局提出。本部分由全国烟草标推化技术委员会(TC144)归口。本部分起草单位:中烟机械技术中心有限责任公司。本部分主要起草人:徐庆涛、徐祖发、龚美华。1
YC/T235.4--2007
NK引言
YC/T235的本部分等效DINISO13920:1996如果在图纸或其他技术资料中提示采用本部分,则本部分所述之线性尺寸和角度尺寸的一般公差适用于焊接零件、焊接组件和焊接结构件。该公差适用的线性尺寸有诸如外部尺寸、内部尺寸、凸缘尺寸、宽度尺寸、中心间距尺寸和角度尺寸。
适用于螺纹轴孔心间距的极限偏差是YC/T235.3--2007的表3。适用于角度尺寸的公差既可用于未标注的角度尺寸,亦可用于已标注的角度尺寸,例如90°角或通常的四个直角。
一般公差
第4部分:焊接件
YC/T 235.4--2007
YC/T235的本部分规定了焊接件的线性尺寸和角度尺寸一般公差的极限偏差以及直线度、平面度和平行度般公差。
本部分适用于焊接件。
线性尺寸
线性尺寸极限偏差见表1。
基本尺寸
>30~120
>120~400
>400~1000
>1000~2 000
>2 000~4 000
>4000~8000
3角度尺寸
角度尺寸的极限偏差见表2。
角短边的基本尺寸/mm
>400~1 000
>1 0001 200
极限偏差
±30″
极限偏差
单位为慈米
极限偏差/((mm/100 mm)
按角短边的边长确定极限偏差。边长也可从一个特别规定的基准点出发予以确定,此时在图样中标出该基准点(见图1图5)。
基推点
基准点
YC/T235.4--2007
4直线度、平面度和平行度
蒸准点
基准点
基准点
直线度、平面度和平行度的一般公差值见表3。其他的位置公差,如同轴度、对称度等,则未予规定。如果由于功能方面的原因需要这些公差,则应将这些公差值标注在图样上。表3
基本尺寸·
>30~120
>120~400
以裘面的长边为基本尺寸。
400~1000免费标准bzxz.net
>1 000~2 000
>2 000~4 000
单位为毫米
YC/T 235. 4-2007
中华人民共和国烟草
行业标准
般公差
第4部分:焊接件
YC/T 235. 4—2007
中国标准出版社出版发行
北京复兴门外三里河北街16号
邮政编码:100045
网址 spc.net.cn
电话:6852394668517548
中国标准出版社寨皇岛印刷广印刷各地新华书店经销
开本880×12301/16
印张0.5字数7千字
2007年9月第一版2007年9月第一次印刷*
书号:155066·2-18099定价10.00元如有印装差错由本社发行中心调换版权专有侵权必究
举报电话:(010)68533533
小提示:此标准内容仅展示完整标准里的部分截取内容,若需要完整标准请到上方自行免费下载完整标准文档。
标准图片预览:





- 其它标准
- 热门标准
- 烟草行业标准(YC)
- YC/T341.1-2010 烟草病害预测预报调查规程 第1部分:赤星病
- YC/T102-1996 烟草机械 YJ26型滤嘴接装机
- YC/T271.4-2008 烟草机械 形态设计 第4部分:弓形把手和门锁
- YC/T155-2001 烟草和烟草制品 空气中气相烟碱的测定 气相色谱法
- YC/T271.5-2008 烟草机械 形态设计 第5部分:降噪
- YC/T189-2004 烟草及烟草制品 监测卷烟的要求和应用
- YC/T144-1998 烟用三乙酸甘油酯
- YC/T30-1996 卷烟 烟气气相中一氧化碳的测定非散射红外法
- YC002-1990 YS14型滚刀式烟叶切丝机 YS44型滚刀式烟梗切丝机
- YC/T270-2008 烟草机械常用材料
- YC/T341.6-2010 烟草病害预测预报调查规程 第6部分:野火、角斑病
- YC/T142-2010 烟草农艺性状调查测量方法
- YC/T184-2004 烟草及烟草制品 烟草特有N-亚硝胺的测定
- YC/T235.5-2007 一般公差第5部分:由塑料半成品加工制成的塑料件
- YC/T223.2-2007 特种滤棒 第2部分:复合滤棒 活性炭-醋纤二复合滤棒
- 行业新闻
请牢记:“bzxz.net”即是“标准下载”四个汉字汉语拼音首字母与国际顶级域名“.net”的组合。 ©2025 标准下载网 www.bzxz.net 本站邮件:bzxznet@163.com
网站备案号:湘ICP备2025141790号-2
网站备案号:湘ICP备2025141790号-2