- 您的位置:
- 标准下载网 >>
- 标准分类 >>
- 国家标准(GB) >>
- GB/T 6887-2007 烧结金属过滤元件
标准号:
GB/T 6887-2007
标准名称:
烧结金属过滤元件
标准类别:
国家标准(GB)
标准状态:
现行-
发布日期:
2007-07-11 -
实施日期:
2007-11-01 出版语种:
简体中文下载格式:
.rar.pdf下载大小:
223.68 KB
标准ICS号:
冶金>>77.160粉末冶金中标分类号:
冶金>>粉末冶金>>H72粉末冶金材料与制品
点击下载
标准简介:
标准下载解压密码:www.bzxz.net
本标准规定了烧结钛、烧结镍及镍合金过滤件的要求、试验方法、检验规则和标志、包装、运输、贮存。本标准适用于粉末冶金方法生产的用于气体和液体净化与分离的钛、镍及镍合金过滤件。 GB/T 6887-2007 烧结金属过滤元件 GB/T6887-2007
部分标准内容:
ICS.77.160
中华人民共和国国家标准
GB/T 6887--2007
代替 G3/T 6887—1986,GB/T 6888—1986,GB/T 6889-1986烧结金属过滤元件
Sintered metal filter elements2007-04-30发布
中华人民共和国国家质量监督检验检疫总局中国国家标准化管理委员会
2007-11-01实施
GB/T 6887-2007
本标准是对GB/T6887.-1986烧结钛过滤元件及材料》、GB/T6888—1986烧结镍过滤元件》及GB/T6889---1986《烧结锦铜合金过滤元件》的整台修订。本部分与GB/T6887-1986.GB/T6888—1986.GB/T6889—1986相比,主要变化如下:一采用[SO16889检测过滤元件特定过滤效率所对应的颗粒尺寸值作为元件牌号别分依据一本标准规定的牌号名称替代原按“粉未给翁材料分类和牌号表示方法”的定义,将法兰的尺寸及联接形式作了适当变动,对元件型号、规格及尺寸偏差作了适当调整。本标准自实施之日起,同时代替G13/T6887-—1986,GB/I 6888-1986.GB/T6889—1985。本标由中国有色金属工业协会提出。本标推出全国有色金属标推化技术委员会归口。本标谁起草单位:西北有色金属研究院。本标灌主要起草人:意领锋,汤慧游、刘延邑,昊全兴、灵引汇朵梅生、畏费、张江峰。本标准出全国有色金届标准化技术委员会负疏解释。木标雅所代替标雅的历款版本发布情说为:GB/T 6887—1986;
-G3/T 6888—1986;
—GB/T 6889—1986。
1范围
烧结金属过滤元件
GB/T 6887--2007
本标准规定了烧结钛、烧结锈及镍合金过滤元件的要求、试验方法、检验规则和标志、包装,运输、贮存。
本标准适用于粉末冶金方法生产的用于气体和液体净化与分离的钛、镍及镍合金过滤元件。2规范性引用文件
下列文件中的条款通过本标准的引用而成为本标准的条款。凡是注日期的引用文件,其随后所有的修改单(不包括勘误的内容)或修订版均不适用于本标准,然而,鼓励根据本标准达成协议的方研究是否可使用这些文件的最新版本。凡是不注日期的引用文件,其最新版本适用于本标准。GB/T2524--2002海绵钛
GB/T4698(所有部分)海绵钛.钛及钛合金化学分析方法GB/T5235加T镍及锦会金化学成分和产品形状GB/T5250可渗透烧结金属材料流体渗透的测定GB/T6886--2001烧结不锈钢过滤元件GB/F8647(所有部分)镍化学分析方法YS/T325镍铜合金(NCu28-2.5-1.5)化学分析方法液压传动过滤器评价过滤特性的多饮通过法ISO 16889
3术谱
本标准中采用的术语:过滤效率、渗透性、粘性渗透系数的定义见GI3/T6886一2001。4要求
4.1过滤元件分类及性能
4.1.1过滤元件型号
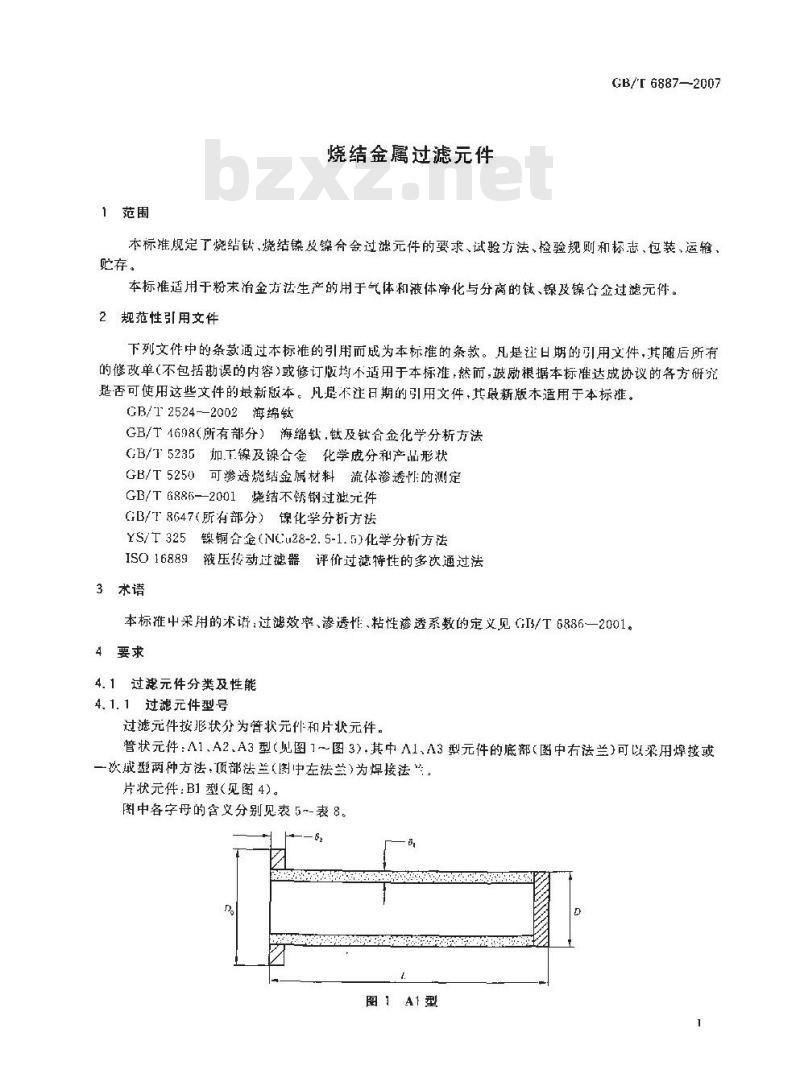
过滤元件按形状分为管状元件和片状元件。管状元件:A1、A2、A3型(见图1图3).其中A1、A3型元件的底部(图中有法兰)可以采用焊接或一次成型两种方法,顶部法兰(图中左法兰)为焊接法“。片状元件:B1型(见图4)。
图中各字母的含义分别见表5~-表8。6
......
图1A1型
GB/T 6887—2007
4.1.2过滤元件牌号
图2A2型
图3A3型
图4B1型
过滤元件参照1S016889标准的现定:按照在液体中过滤效率为9名%时所阻挡的固体颗粒尺寸值进行分类。烧结钛过滤元件分为6种牌号,见表1:烧结镍及镍合金型滤儿件分为5种牌号,见表2.表烧结钛过滤元件的輝号
注:牌号中的1代材质钛,乙代表过滤.后三位代表过撼效率为8%时阻挡的颗铣尺小值。表2烧结锦及锦合金过滤元件的牌号牌
注:牌号中的>代表材压锦及锦合会,G代发过癌,后_位代表过滤效率为98%时阻挡的颗粒尺于慎4.1.3过滤元件性能
各种牌号烧结过滤元件的性能应符合表3的规定·烧结镍及镍合金过滤元件的性:能应符合表4的规定。
表3烧结钛过滤元件的性能
渡体中阻挡的颗粒尺计值/um
过效98)
过滤效率(99.9%)
诊透性,不小于
渗透系数/10m
相对透系数/
[m\/(h·kPa·m*)]
GB/T6887--2007
压酸环强度 / MPa
不小于
注1:轧制成型的过滤元件,其耐破坏强度不小于0.3MPa。臂状元件凝进行耐内压破坏强度试验。注2:表中的\渗避系效值对应的元件呼度为1 mm。表 4 结镶及锦合金过滤元件的性能没体中阻挡的题粒尺寸值/μm
过糖效穿(%
过想效率(99, 9%)
注1:管状元件优先进行硅内压破坏强度试验。诱选性,不小于
诊透系数/10-18 m
注2:表中的\渗避系数\值对应的元件厚度为2mm4.1.4:过滤元件标记
4.1.4.1过滤元件标记方法
管状元件:TG(或 NG) XX~-XX-
相对透[系数
[mh· kPa+ u\)]
耐正破坏强度/MPa
不小于
理为焊接管,无缝管没有此标记过滤元件长度
过滤元件直径
过滤元件型号
过滤元件牌号
片状元件:TG(或NG)XX区一B1一直径一厚度过滤元件型号
过滤元件牌号
GB/T 6887—2007
4.1.4.2标记示例
示例1:
过滤效率为98%时的阻挡题粒尺寸值为10mn,外径为20mn长度为200Inm的A1型焊接烧结过滤元件标记为:TG010-A1-20-200H
相同条件的无缝敏过滤元件标记为:TG010-A1-20-200
示例2:
过滤效率为 98%时的阻挡题粒尺寸值为 12 m,直径为 30 11m1,厚度为 3 inm的片状烧结線及镍合金过滤元件标记为:
NGO12-BI-30-3
4.2化学成分
各种牌号烧结钛过滤元件的化学成分,除氧含量≤1.0%以外其余化学成分应符合GB/T2524中对牌号为 MHT-160 的海绵钛的要求。各种牌号烧结镍及镍合金过滤元件的化学成分应符合G3/T 5235中N6.NCu28-2.5-1.5的规定.4. 3尺寸及其允许偏差
不同型号过滤元件的尺寸及其允许偏差应符合表5~表8的规定。表5A1型过滤元件的尺寸及其充许偏差南径D
公称尺寸
充许储券
长度!
公称尺寸允许偏整
猴原品
公称尺寸
允许偏券
±0, 5
±0, 5
法兰直径D
公称尺寸
允许确差
单位为毫米
法兰障度品
直径D
公称尺寸
允许偏差
长度!
公称尺寸|充许偏差
表5(续)
整库品
公称尺寸
法关占径 Dp
允许偏差公称尺寸
犯许偏差
注:壁厚公称尺寸为 1. 0 mm,1. 5 nm 的管状过滤元件由乳制板材卷悼而或:表6
直径D
公称尺寸
允许偏差
A2型过滤元件的尺寸及其充许偏差长度!
公称尺寸
充许偏差
公称尺寸
GB/T 6887—2007
单位为毫米
法兰厚度品
单位为亲
允许偏差
GB/T 6887—2007
公称尺寸
允许偏差
表6 (续)
长度L
公称尺寸
充许偏差
注:壁厚公称尺 寸为 1. 0 mt,1. 5 mm的情状过滤元件由轧制板材替焊面成。表 7 A3 型过速元件的尺寸及偏露直径
公称尺寸
充许偏差
长度L
公踪尺寸
允许确差
虚厚a
公称尺寸
公称尺寸
充许偏差
单位为毫米
充许偏差
单位为毫米
臂接头
蝶衰小
长度!
直径D
公称尺寸
充许偏差wwW.bzxz.Net
长度1
公称尺寸
表7(续)
允许偏差
壁库8
公称尺寸
充许愉差
±0, 2
注:壁厚公称尺寸为 1. 0 mm, 1. 5 mm的管状过样元性由乳制板封发碍面成,表 B1型过滤元件的尺寸及其允许偏差直径D
公称尺寸
充许编郑
公称尺与
1. 0.,1. 5,2. 0,2. 5.3, 0
1. 0.1. 5,2. 0,2. 5.3. 0
1,0.1.5.2.0,2.5,3. 0
1.0,1. 5,2, 0.2.5,3, 0
1.0,1. 5,2. 0.2.5,3.0
2.5,3.0,3.5.1.0,5.0
3.0.3.5、4.0.5.0
3, 0,3. 5,4.0,5. 0
注:厚度公称尺寸为1.0mm.1.5mm的片状过滤元件由轧制板材机加.1.而成。4.4需方对过滤元件的规格、尺寸、性能有特殊要求时,由供需双方商定,+
GB/T 6887—2007
单位为老来
普按头
螺纹尺寸
长度1
单位为嗜米
元许偏差
GB/T 6887—2007
4.5过滤元件表面不应有浮粉、裂纹、斑点及过烧等缺陷.焊接元件焊缝应没有严重氧化现象。5试验方法
5.1烧结钻过滤元件的化学成分按GB/T4698.1~4698.25进行分析烧结镍及锦合金过滤元件的化学成分按GB/T8647,YS/T325的规定进行分桥。5.2在特定过滤效率值下阻挡固体颗粒尺寸值的测定按1SO16889进行。5.3渗透性的测定按GB/T5250进行。5.4耐压破坏强度的测定按G3/T6886—2001附录A的规定进行。5.5表面缺陷日视检查。
5.6外形尺寸用足够精度的具测量。6检验规则
6.1产品应出供方技术监督部门进行检查.保证产品质量符合本标摊或订货合同的规定,并附质量证明书。
6.2需方可对收到的产品按本标准或订货合同规定进行验收,如果检验结果与本标或订货合同的规定不符时·应在产品收到之日起三个月内向供方提出,由供需双方协商解决。6.3产品应成批提交检验,每批出同一合批粉末按相同工艺参数生产的产品组成。6.4检验项目取样规则及数量按表9规定进行,表 9过滤元件的检验项目及数量检验项目
核透性
外型尺寸
联样规则及样品数其
每批3%.但不少于3个
遂件检验
注:化学成分、过迹效率、耐压破环强度合同中注明时方予检测。检验时,每批产品各项性能随机捆敢试样,试样数益出供带双方协商。
6.5尺寸偏差和表面质量检验不合格时,按件报废。其余项日的检验结果如有一项不符合木标准规定时,则在该批产品中对该项加倍取样避行重复试验,若仍有一项不符合本标难要求时,则该批产品为不合格。
7标志,包装,运输、存
7.1标志
7.1.1检验合格的产品应有如下标患或标签:a)产品牌号;
b)生产日期:
产品型号;
d)产品规格:
产品批号:
供方技术监督部门的检印。
包装箱上应注明:
供方名称;
)产品名称:
订货单位及地址:
d)防潮、防展等字样或标志。
7.2包装、运输、贮存
GB/T 6887—2007
7.2.1产品以塑料装或纸盒包装,包装好的产品置丁运输包装箱内,以软质物隔开并填紧。7.2.2
产品运输过程中,不得受潮、撞击和滚动。7.2.3产品应存放于干爆处,以免受潮。7.3质量证明书
每批过滤元件应附有产品质量证明书,注明:a)
供方名称:
产品名称;
产品牌号:
产品型号:
产品规格;
产品批号:
件数或净重:
各项分析检验结果和技术监督部门检印:本标雅编号:
山厂期。
订货单(或合司内容
订购本标准所列材料的订货单(或合同)应包拓括以下内容:产品名称;
产品牌号:
产品塑号:
产品舰格;
重量或件数;
本标准要求的“应在合同中注明的”事项:本标翟编号;
增加本标谁以外的协商结果。
小提示:此标准内容仅展示完整标准里的部分截取内容,若需要完整标准请到上方自行免费下载完整标准文档。
中华人民共和国国家标准
GB/T 6887--2007
代替 G3/T 6887—1986,GB/T 6888—1986,GB/T 6889-1986烧结金属过滤元件
Sintered metal filter elements2007-04-30发布
中华人民共和国国家质量监督检验检疫总局中国国家标准化管理委员会
2007-11-01实施
GB/T 6887-2007
本标准是对GB/T6887.-1986烧结钛过滤元件及材料》、GB/T6888—1986烧结镍过滤元件》及GB/T6889---1986《烧结锦铜合金过滤元件》的整台修订。本部分与GB/T6887-1986.GB/T6888—1986.GB/T6889—1986相比,主要变化如下:一采用[SO16889检测过滤元件特定过滤效率所对应的颗粒尺寸值作为元件牌号别分依据一本标准规定的牌号名称替代原按“粉未给翁材料分类和牌号表示方法”的定义,将法兰的尺寸及联接形式作了适当变动,对元件型号、规格及尺寸偏差作了适当调整。本标准自实施之日起,同时代替G13/T6887-—1986,GB/I 6888-1986.GB/T6889—1985。本标由中国有色金属工业协会提出。本标推出全国有色金属标推化技术委员会归口。本标谁起草单位:西北有色金属研究院。本标灌主要起草人:意领锋,汤慧游、刘延邑,昊全兴、灵引汇朵梅生、畏费、张江峰。本标准出全国有色金届标准化技术委员会负疏解释。木标雅所代替标雅的历款版本发布情说为:GB/T 6887—1986;
-G3/T 6888—1986;
—GB/T 6889—1986。
1范围
烧结金属过滤元件
GB/T 6887--2007
本标准规定了烧结钛、烧结锈及镍合金过滤元件的要求、试验方法、检验规则和标志、包装,运输、贮存。
本标准适用于粉末冶金方法生产的用于气体和液体净化与分离的钛、镍及镍合金过滤元件。2规范性引用文件
下列文件中的条款通过本标准的引用而成为本标准的条款。凡是注日期的引用文件,其随后所有的修改单(不包括勘误的内容)或修订版均不适用于本标准,然而,鼓励根据本标准达成协议的方研究是否可使用这些文件的最新版本。凡是不注日期的引用文件,其最新版本适用于本标准。GB/T2524--2002海绵钛
GB/T4698(所有部分)海绵钛.钛及钛合金化学分析方法GB/T5235加T镍及锦会金化学成分和产品形状GB/T5250可渗透烧结金属材料流体渗透的测定GB/T6886--2001烧结不锈钢过滤元件GB/F8647(所有部分)镍化学分析方法YS/T325镍铜合金(NCu28-2.5-1.5)化学分析方法液压传动过滤器评价过滤特性的多饮通过法ISO 16889
3术谱
本标准中采用的术语:过滤效率、渗透性、粘性渗透系数的定义见GI3/T6886一2001。4要求
4.1过滤元件分类及性能
4.1.1过滤元件型号
过滤元件按形状分为管状元件和片状元件。管状元件:A1、A2、A3型(见图1图3).其中A1、A3型元件的底部(图中有法兰)可以采用焊接或一次成型两种方法,顶部法兰(图中左法兰)为焊接法“。片状元件:B1型(见图4)。
图中各字母的含义分别见表5~-表8。6
......
图1A1型
GB/T 6887—2007
4.1.2过滤元件牌号
图2A2型
图3A3型
图4B1型
过滤元件参照1S016889标准的现定:按照在液体中过滤效率为9名%时所阻挡的固体颗粒尺寸值进行分类。烧结钛过滤元件分为6种牌号,见表1:烧结镍及镍合金型滤儿件分为5种牌号,见表2.表烧结钛过滤元件的輝号
注:牌号中的1代材质钛,乙代表过滤.后三位代表过撼效率为8%时阻挡的颗铣尺小值。表2烧结锦及锦合金过滤元件的牌号牌
注:牌号中的>代表材压锦及锦合会,G代发过癌,后_位代表过滤效率为98%时阻挡的颗粒尺于慎4.1.3过滤元件性能
各种牌号烧结过滤元件的性能应符合表3的规定·烧结镍及镍合金过滤元件的性:能应符合表4的规定。
表3烧结钛过滤元件的性能
渡体中阻挡的颗粒尺计值/um
过效98)
过滤效率(99.9%)
诊透性,不小于
渗透系数/10m
相对透系数/
[m\/(h·kPa·m*)]
GB/T6887--2007
压酸环强度 / MPa
不小于
注1:轧制成型的过滤元件,其耐破坏强度不小于0.3MPa。臂状元件凝进行耐内压破坏强度试验。注2:表中的\渗避系效值对应的元件呼度为1 mm。表 4 结镶及锦合金过滤元件的性能没体中阻挡的题粒尺寸值/μm
过糖效穿(%
过想效率(99, 9%)
注1:管状元件优先进行硅内压破坏强度试验。诱选性,不小于
诊透系数/10-18 m
注2:表中的\渗避系数\值对应的元件厚度为2mm4.1.4:过滤元件标记
4.1.4.1过滤元件标记方法
管状元件:TG(或 NG) XX~-XX-
相对透[系数
[mh· kPa+ u\)]
耐正破坏强度/MPa
不小于
理为焊接管,无缝管没有此标记过滤元件长度
过滤元件直径
过滤元件型号
过滤元件牌号
片状元件:TG(或NG)XX区一B1一直径一厚度过滤元件型号
过滤元件牌号
GB/T 6887—2007
4.1.4.2标记示例
示例1:
过滤效率为98%时的阻挡题粒尺寸值为10mn,外径为20mn长度为200Inm的A1型焊接烧结过滤元件标记为:TG010-A1-20-200H
相同条件的无缝敏过滤元件标记为:TG010-A1-20-200
示例2:
过滤效率为 98%时的阻挡题粒尺寸值为 12 m,直径为 30 11m1,厚度为 3 inm的片状烧结線及镍合金过滤元件标记为:
NGO12-BI-30-3
4.2化学成分
各种牌号烧结钛过滤元件的化学成分,除氧含量≤1.0%以外其余化学成分应符合GB/T2524中对牌号为 MHT-160 的海绵钛的要求。各种牌号烧结镍及镍合金过滤元件的化学成分应符合G3/T 5235中N6.NCu28-2.5-1.5的规定.4. 3尺寸及其允许偏差
不同型号过滤元件的尺寸及其允许偏差应符合表5~表8的规定。表5A1型过滤元件的尺寸及其充许偏差南径D
公称尺寸
充许储券
长度!
公称尺寸允许偏整
猴原品
公称尺寸
允许偏券
±0, 5
±0, 5
法兰直径D
公称尺寸
允许确差
单位为毫米
法兰障度品
直径D
公称尺寸
允许偏差
长度!
公称尺寸|充许偏差
表5(续)
整库品
公称尺寸
法关占径 Dp
允许偏差公称尺寸
犯许偏差
注:壁厚公称尺寸为 1. 0 mm,1. 5 nm 的管状过滤元件由乳制板材卷悼而或:表6
直径D
公称尺寸
允许偏差
A2型过滤元件的尺寸及其充许偏差长度!
公称尺寸
充许偏差
公称尺寸
GB/T 6887—2007
单位为毫米
法兰厚度品
单位为亲
允许偏差
GB/T 6887—2007
公称尺寸
允许偏差
表6 (续)
长度L
公称尺寸
充许偏差
注:壁厚公称尺 寸为 1. 0 mt,1. 5 mm的情状过滤元件由轧制板材替焊面成。表 7 A3 型过速元件的尺寸及偏露直径
公称尺寸
充许偏差
长度L
公踪尺寸
允许确差
虚厚a
公称尺寸
公称尺寸
充许偏差
单位为毫米
充许偏差
单位为毫米
臂接头
蝶衰小
长度!
直径D
公称尺寸
充许偏差wwW.bzxz.Net
长度1
公称尺寸
表7(续)
允许偏差
壁库8
公称尺寸
充许愉差
±0, 2
注:壁厚公称尺寸为 1. 0 mm, 1. 5 mm的管状过样元性由乳制板封发碍面成,表 B1型过滤元件的尺寸及其允许偏差直径D
公称尺寸
充许编郑
公称尺与
1. 0.,1. 5,2. 0,2. 5.3, 0
1. 0.1. 5,2. 0,2. 5.3. 0
1,0.1.5.2.0,2.5,3. 0
1.0,1. 5,2, 0.2.5,3, 0
1.0,1. 5,2. 0.2.5,3.0
2.5,3.0,3.5.1.0,5.0
3.0.3.5、4.0.5.0
3, 0,3. 5,4.0,5. 0
注:厚度公称尺寸为1.0mm.1.5mm的片状过滤元件由轧制板材机加.1.而成。4.4需方对过滤元件的规格、尺寸、性能有特殊要求时,由供需双方商定,+
GB/T 6887—2007
单位为老来
普按头
螺纹尺寸
长度1
单位为嗜米
元许偏差
GB/T 6887—2007
4.5过滤元件表面不应有浮粉、裂纹、斑点及过烧等缺陷.焊接元件焊缝应没有严重氧化现象。5试验方法
5.1烧结钻过滤元件的化学成分按GB/T4698.1~4698.25进行分析烧结镍及锦合金过滤元件的化学成分按GB/T8647,YS/T325的规定进行分桥。5.2在特定过滤效率值下阻挡固体颗粒尺寸值的测定按1SO16889进行。5.3渗透性的测定按GB/T5250进行。5.4耐压破坏强度的测定按G3/T6886—2001附录A的规定进行。5.5表面缺陷日视检查。
5.6外形尺寸用足够精度的具测量。6检验规则
6.1产品应出供方技术监督部门进行检查.保证产品质量符合本标摊或订货合同的规定,并附质量证明书。
6.2需方可对收到的产品按本标准或订货合同规定进行验收,如果检验结果与本标或订货合同的规定不符时·应在产品收到之日起三个月内向供方提出,由供需双方协商解决。6.3产品应成批提交检验,每批出同一合批粉末按相同工艺参数生产的产品组成。6.4检验项目取样规则及数量按表9规定进行,表 9过滤元件的检验项目及数量检验项目
核透性
外型尺寸
联样规则及样品数其
每批3%.但不少于3个
遂件检验
注:化学成分、过迹效率、耐压破环强度合同中注明时方予检测。检验时,每批产品各项性能随机捆敢试样,试样数益出供带双方协商。
6.5尺寸偏差和表面质量检验不合格时,按件报废。其余项日的检验结果如有一项不符合木标准规定时,则在该批产品中对该项加倍取样避行重复试验,若仍有一项不符合本标难要求时,则该批产品为不合格。
7标志,包装,运输、存
7.1标志
7.1.1检验合格的产品应有如下标患或标签:a)产品牌号;
b)生产日期:
产品型号;
d)产品规格:
产品批号:
供方技术监督部门的检印。
包装箱上应注明:
供方名称;
)产品名称:
订货单位及地址:
d)防潮、防展等字样或标志。
7.2包装、运输、贮存
GB/T 6887—2007
7.2.1产品以塑料装或纸盒包装,包装好的产品置丁运输包装箱内,以软质物隔开并填紧。7.2.2
产品运输过程中,不得受潮、撞击和滚动。7.2.3产品应存放于干爆处,以免受潮。7.3质量证明书
每批过滤元件应附有产品质量证明书,注明:a)
供方名称:
产品名称;
产品牌号:
产品型号:
产品规格;
产品批号:
件数或净重:
各项分析检验结果和技术监督部门检印:本标雅编号:
山厂期。
订货单(或合司内容
订购本标准所列材料的订货单(或合同)应包拓括以下内容:产品名称;
产品牌号:
产品塑号:
产品舰格;
重量或件数;
本标准要求的“应在合同中注明的”事项:本标翟编号;
增加本标谁以外的协商结果。
小提示:此标准内容仅展示完整标准里的部分截取内容,若需要完整标准请到上方自行免费下载完整标准文档。
标准图片预览:





- 其它标准
- 热门标准
- 国家标准(GB)
- GB/T228.1-2021 金属材料 拉伸试验 第1部分:室温试验方法
- GB/T7534-1987 工业用挥发性有机液体沸程的测定
- GB/T3836.1-2021 爆炸性环境 第1部分:设备 通用要求
- GB/T4100-2015 陶瓷砖
- GB/T10125-2021 人造气氛腐蚀试验 盐雾试验
- GB/T50772-2012 木结构工程施工规范
- GB/T30835-2014 锂离子电池用炭复合磷酸铁锂正极材料
- GB5226.1-2019 机械电气安全 机械电气设备 第1部分:通用技术条件
- GB50666-2011 混凝土结构工程施工规范
- GB/T15449-1995 管壳额定开关用场效应晶体管空白详细规范
- GB/T18204.4-2000 公共场所毛巾、床上卧具微生物检验方法细菌总数测定
- GB8552-1987 电子器件详细规范 低功率非线绕固定电阻器 RJ13型金属膜固定电阻器评定水平E(可供认证用)
- GB/T11379-2008 金属覆盖层 工程用铬电镀层
- GB/T23892.3-2009 滑动轴承 稳态条件下流体动压可倾瓦块止推轴承 第3部分:可倾瓦块止推轴承计算的许用值
- GB50303-2015 建筑电气工程施工质量验收规范
- 行业新闻
请牢记:“bzxz.net”即是“标准下载”四个汉字汉语拼音首字母与国际顶级域名“.net”的组合。 ©2025 标准下载网 www.bzxz.net 本站邮件:bzxznet@163.com
网站备案号:湘ICP备2025141790号-2
网站备案号:湘ICP备2025141790号-2