- 您的位置:
- 标准下载网 >>
- 标准分类 >>
- 农业行业标准(NY) >>
- NY 5113-2002 无公害食品 桃产地环境条件
标准号:
NY 5113-2002
标准名称:
无公害食品 桃产地环境条件
标准类别:
农业行业标准(NY)
英文名称:
Environmental conditions for the production of pollution-free peaches标准状态:
已作废-
发布日期:
2002-07-25 -
实施日期:
2002-09-01 -
作废日期:
2006-04-01 出版语种:
简体中文下载格式:
.rar.pdf下载大小:
86.68 KB
标准ICS号:
环保、保健与安全>>环境保护>>13.020.50环境分类中标分类号:
环境保护>>环境质量标准>>Z51专业环境质量标准
替代情况:
被NY 5013-2006代替

点击下载
标准简介:
标准下载解压密码:www.bzxz.net
本标准规定了无公害桃产地选择要求、环境空气质量要求、灌溉水质要求、土壤环境质量要求、试验方法及采样方法。 本标准适用于无公害桃产地。 NY 5113-2002 无公害食品 桃产地环境条件 NY5113-2002

部分标准内容:
ICS 13. 020. 50
中华人民共和国农业行业标准
NY 5113—2002
无公害食品
2002-07-25发布
桃产地环境条件
2002-09-01实施
中华人民共和国农业部发布
NY 5113—2002
本标由中华人民共和国农业部提出。前
本标准起草单位:农业部农业环境质量监督检验测试中心(北京)、中国农科院郑州果树研究所。本标准主要起草人:赵婴荣、欧阳喜辉、黄生斌、张敬锁、郑立鑫、王力荣。220
1范围
无公害食品
桃产地环境条件
NY 5113--2002
本标准规定了无公害桃产地选择要求、环境空气质量要求、灌溉水质量要求、土壤环境质量要求、试验方法及其采样方法。
本标准适用无公害桃产地。
2规范性引用文件
下列文件中的条款通过本标准的引用而成为本标准的条款。凡是注日期的引用文件,其随后所有的修改单(不包括勘误的内容)或修订版均不适用于本标准,然而,鼓励根据本标准达成协议的各方研究是否可使用这些文件的最新版本。凡是不注日期的引用文件,其最新版本适用于本标准。GB/T 6920
水质pH值的测定玻璃电极法
GB/T7468
GB/T 7475
GB/T 7485
总汞的测定冷原子吸收分光光度法铜、锌、铅、镐的测定原子吸收分光光度法水质
GB/T 15262
GB/T15432
GB/T15434
GB/T 17135
GB/T 17136
GB/T 17138
GB/T 17141
NY/T395
NY/T 396
NY/T 397
3要求
3.1产地选择
二乙基硫代氨基甲酸银分光光度法总砷的测定
环境空气
环境空气
环境空气
土壤质量
土壤质量
土壤质量
土壤质量
二氧化硫的测定甲醛吸收-副玫瑰苯胺分光光度法总悬浮颗粒物的测定重量法
氟化物的测定滤膜·氟离子选择电极法总砷的测定硼氢化钾-硝酸银分光光度法总汞的测定冷原子吸收分光光度法铜、锌的测定火焰原子吸收分光光度法铅、镉的测定石墨炉原子吸收分光光度法农田土壤环境质量监测技术规范农用水源环境质量检测技术规范农区环境空气质量检测技术规范无公害桃产地,应选择生态条件良好,远离污染源,并具有可持续生产能力的农业生产区域。3.2产地环境空气质量
无公害桃产地环境空气质量应符合表1的规定。表1环境空气质量要求
总悬浮颗粒物(标准状态)/(mg/m2)二氧化硫(标准状态)/(mg/m2)日平均
浓度限值
1h平均
NY 5113—2002
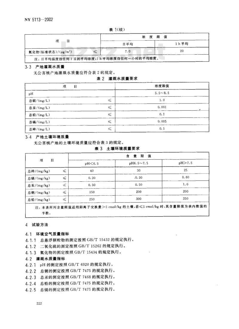
氟化物(标准状态)/(μg/m°)表1(续)
日平均
浓度限
注:日平均温度指任何1日的平均浓度,1h平均浓度指任何一小时的平均浓度。3.3产地灌溉水质量
无公害桃产地灌溉水质量应符合表2的规定。表2灌溉水质量要求
总铜/(mg/L)
总汞/(mg/L)
总铅/(mg/L)
总锅/(mg/1)
总砷/(mg/1L))
3.4产地土壤环境质量
无公害桃产地的土壤环境质量应符合表3的规定。表 3土填环境质量要求
总碑/(mg/kg)
总镐/(mg/kg)
总汞/(mg/kg)
总铜/(mg/kg)下载标准就来标准下载网
总铅/(mg/kg)
含量限值
pH6.5~7.5
浓度限值
1h平均
注:本表所列含量限值适用阳离子交换量≥5cmol/kg的土壤,若≤5cmol/kg时,其含量限值为表内数值的半数。
4试验方法
4.1环境空气质量指标
总悬浮颗粒物的测定按照GB/T15432的规定执行。4.1.1
4.1.2二氧化硫的测定按照GB/T15262的规定执行。4.1.3氟化物的测定按照GB/T15434的规定执行。4.2灌溉水质量指标
4.2.1pH的测定按照GB/T6920的规定执行。4.2.2总铜的测定按照GB/T7475的规定执行。4.2.3总汞的测定按照GB/T7468的规定执行。4.2.4总铅的测定按照GB/T7475的规定执行。4.2.5总镉的测定按照GB/T7475的规定执行。222
总碑的测定按照GB/T7485的规定执行。4.2.6
4.3土壤环境质量指标
4.3.1PH的测定按照NY/T395的规定执行。4.3.2总铅的测定按照GB/T17141的规定执行。4.3.3总镉的测定按照GB/T17141的规定执行。4.3.4总的测定按照GB/T17135的规定执行。4.3.5总汞的测定按照GB/T17136的规定执行。5总铜的测定按照GB/T17138的规定执行。4.3.6
5采样方法
5.1环境空气质量监测的采样方法按NY/T397的规定执行。5.2灌溉水质量监测的采样方法按NY/T396执行。5.3土壤环境质量监测的采样方法按NY/T395执行。NY5113—2002
小提示:此标准内容仅展示完整标准里的部分截取内容,若需要完整标准请到上方自行免费下载完整标准文档。
中华人民共和国农业行业标准
NY 5113—2002
无公害食品
2002-07-25发布
桃产地环境条件
2002-09-01实施
中华人民共和国农业部发布
NY 5113—2002
本标由中华人民共和国农业部提出。前
本标准起草单位:农业部农业环境质量监督检验测试中心(北京)、中国农科院郑州果树研究所。本标准主要起草人:赵婴荣、欧阳喜辉、黄生斌、张敬锁、郑立鑫、王力荣。220
1范围
无公害食品
桃产地环境条件
NY 5113--2002
本标准规定了无公害桃产地选择要求、环境空气质量要求、灌溉水质量要求、土壤环境质量要求、试验方法及其采样方法。
本标准适用无公害桃产地。
2规范性引用文件
下列文件中的条款通过本标准的引用而成为本标准的条款。凡是注日期的引用文件,其随后所有的修改单(不包括勘误的内容)或修订版均不适用于本标准,然而,鼓励根据本标准达成协议的各方研究是否可使用这些文件的最新版本。凡是不注日期的引用文件,其最新版本适用于本标准。GB/T 6920
水质pH值的测定玻璃电极法
GB/T7468
GB/T 7475
GB/T 7485
总汞的测定冷原子吸收分光光度法铜、锌、铅、镐的测定原子吸收分光光度法水质
GB/T 15262
GB/T15432
GB/T15434
GB/T 17135
GB/T 17136
GB/T 17138
GB/T 17141
NY/T395
NY/T 396
NY/T 397
3要求
3.1产地选择
二乙基硫代氨基甲酸银分光光度法总砷的测定
环境空气
环境空气
环境空气
土壤质量
土壤质量
土壤质量
土壤质量
二氧化硫的测定甲醛吸收-副玫瑰苯胺分光光度法总悬浮颗粒物的测定重量法
氟化物的测定滤膜·氟离子选择电极法总砷的测定硼氢化钾-硝酸银分光光度法总汞的测定冷原子吸收分光光度法铜、锌的测定火焰原子吸收分光光度法铅、镉的测定石墨炉原子吸收分光光度法农田土壤环境质量监测技术规范农用水源环境质量检测技术规范农区环境空气质量检测技术规范无公害桃产地,应选择生态条件良好,远离污染源,并具有可持续生产能力的农业生产区域。3.2产地环境空气质量
无公害桃产地环境空气质量应符合表1的规定。表1环境空气质量要求
总悬浮颗粒物(标准状态)/(mg/m2)二氧化硫(标准状态)/(mg/m2)日平均
浓度限值
1h平均
NY 5113—2002
氟化物(标准状态)/(μg/m°)表1(续)
日平均
浓度限
注:日平均温度指任何1日的平均浓度,1h平均浓度指任何一小时的平均浓度。3.3产地灌溉水质量
无公害桃产地灌溉水质量应符合表2的规定。表2灌溉水质量要求
总铜/(mg/L)
总汞/(mg/L)
总铅/(mg/L)
总锅/(mg/1)
总砷/(mg/1L))
3.4产地土壤环境质量
无公害桃产地的土壤环境质量应符合表3的规定。表 3土填环境质量要求
总碑/(mg/kg)
总镐/(mg/kg)
总汞/(mg/kg)
总铜/(mg/kg)下载标准就来标准下载网
总铅/(mg/kg)
含量限值
pH6.5~7.5
浓度限值
1h平均
注:本表所列含量限值适用阳离子交换量≥5cmol/kg的土壤,若≤5cmol/kg时,其含量限值为表内数值的半数。
4试验方法
4.1环境空气质量指标
总悬浮颗粒物的测定按照GB/T15432的规定执行。4.1.1
4.1.2二氧化硫的测定按照GB/T15262的规定执行。4.1.3氟化物的测定按照GB/T15434的规定执行。4.2灌溉水质量指标
4.2.1pH的测定按照GB/T6920的规定执行。4.2.2总铜的测定按照GB/T7475的规定执行。4.2.3总汞的测定按照GB/T7468的规定执行。4.2.4总铅的测定按照GB/T7475的规定执行。4.2.5总镉的测定按照GB/T7475的规定执行。222
总碑的测定按照GB/T7485的规定执行。4.2.6
4.3土壤环境质量指标
4.3.1PH的测定按照NY/T395的规定执行。4.3.2总铅的测定按照GB/T17141的规定执行。4.3.3总镉的测定按照GB/T17141的规定执行。4.3.4总的测定按照GB/T17135的规定执行。4.3.5总汞的测定按照GB/T17136的规定执行。5总铜的测定按照GB/T17138的规定执行。4.3.6
5采样方法
5.1环境空气质量监测的采样方法按NY/T397的规定执行。5.2灌溉水质量监测的采样方法按NY/T396执行。5.3土壤环境质量监测的采样方法按NY/T395执行。NY5113—2002
小提示:此标准内容仅展示完整标准里的部分截取内容,若需要完整标准请到上方自行免费下载完整标准文档。

标准图片预览:





- 其它标准
- 热门标准
- 农业行业标准(NY)
- NY/T1406-2007 绿色食品速冻蔬菜
- NY/T691-2003 番木瓜
- NY/T691-2003 番木瓜
- NY/T1056-2006 绿色食品贮藏运输准则
- NY/T1325-2015 绿色食品 芽苗类蔬菜
- NY/T869-2004 沙糖橘
- NY/T1177-2006 牧区干草贮藏设施建设技术规范
- NY/T1987-2011 鲜切蔬菜
- NY/T3100-2017 马铃薯主食产品 分类和术语
- NY/T2098-2011 兽用生物制品制造工
- NY/T2457-2013 包衣种子干燥机 质量评价技术规范
- NY/T2550-2014 饲料中黄曲霉毒素B1的测定 胶体金法
- NY/T439-2001 苹果外观等级标准
- NY5082-2002 无公害食品 萝卜
- NY/T5102-2002 无公害食品 梨生产技术规程
- 行业新闻
请牢记:“bzxz.net”即是“标准下载”四个汉字汉语拼音首字母与国际顶级域名“.net”的组合。 ©2009 标准下载网 www.bzxz.net 本站邮件:bzxznet@163.com
网站备案号:湘ICP备2023016450号-1
网站备案号:湘ICP备2023016450号-1