- 您的位置:
- 标准下载网 >>
- 标准分类 >>
- 国家标准(GB) >>
- GB/T 20621-2006 化学法复合二氧化氯发生器
标准号:
GB/T 20621-2006
标准名称:
化学法复合二氧化氯发生器
标准类别:
国家标准(GB)
标准状态:
现行-
发布日期:
2006-09-14 -
实施日期:
2007-02-01 出版语种:
简体中文下载格式:
.rar.pdf下载大小:
710.26 KB
标准ICS号:
化工技术>>化工产品>>71.100.99其他化工产品中标分类号:
化工>>其他化工产品>>G85其他化工产品综合
点击下载
标准简介:
标准下载解压密码:www.bzxz.net
本标准规定了化学法复合二氧化氯发生器的术语与定义、要求、试验方法、检验规则以及标志、标签、包装、运输、储存。本标准适用于各种水体的杀菌、消毒、灭藻、除臭、漂白、脱色及氧化等处理的化学法复合二氧化氯发生器。 GB/T 20621-2006 化学法复合二氧化氯发生器 GB/T20621-2006
部分标准内容:
ICS 71. 100.99
中华人民共和国国家标准
GB/T20621—2006
化学法复合二氧化氯发生器
Generator of complex chlorine dioxide by chemical reaction2006-09-14发布
中华人民共和国国家质量监督检验检疫总局中国国家标准化管理委员会
2007-02-01实施
本标准附录A为规范性附录、附录B为资料性附录。本标准由中国石油和化学工业协会提出。GB/T20621—2006
本标准由全国化学标准化技术委员会无机化工分会(CSBTS/TC63/SC1)归口。本标准负责起草单位:天津化工研究设计院、山东山大华特科技股份有限公司、深圳欧泰华环保技术有限公司、南京理工大学华浦水处理有限责任公司、成都齐力水处理科技有限公司,本标准主要起草人:范国强、章艺、王水芳、徐光、萘公文、于文敦、李新杰、穆超银、施来顺。1范围
化学法复合二氧化氯发生器
GB/T20621—2006
本标准规定了化学法复合二氧化氯发生器的术语与定义、要求、试验方法、检验规则以及标志,标签、包装、运输、贮存。
本标准适用于各种水体的杀菌、消毒、灭藻、除臭、漂白、脱色及氧化等处理的化学法复合二氧化氧发生器。
2规范性引用文件
下列文件中的条款通过本标准的引用而成为本标准的条款。凡是注日期的引用文件,其随后所有的修改单(不包括勘误的内容)或修订版均不适用于本标准,然而,鼓励根据本标准达成协议的各方研究是否可使用这些文件的最新版本。凡是不注日期的引用文件,其最新版本适用于本标准。GB191--2000包装储运图示标志(ISO780:1997EQV)GB/T1250极限数值的表示方法和判定方法GB/T4064电气设备安全设计导则GB/T4219化工用硬聚氯乙烯(PVC-U)管材GB5083生产设备安全卫生设计总则GB/T5750-一1985生活饮用水标准检验法GB/T9969.1工业产品使用说明书总则GB/T13384机电产品包装通用技术条件GB/T13922.1-1992水处理设备性能试验总则HIG/T3696.1无机化工产品化学分析用标准滴定溶液的制备JB2932—1999水处理设备制造技术条件SB/T10339—2000家用管道增压泵QB/T3802—1999化工用硬聚氯乙烯管件卫生部《生活饮用水水质卫生规范》3术语和定义
本标准采用以下术语和定义
化学法复合二氧化氯发生器
generatorofcomplexchlorinedioxidebychemicalreaction(以下篇称:发生器)
以氧酸钠和盐酸为主要原料经化学反应生成二氧化氯和氯气等混合溶液的发生装置。3.2
二氧化氯产量Productionof chlorinedioxide指发生器在设计的正常工作状态下,每小时产生二氧化氯的质量,单位为g/h,kg/h。3.3
有效氛availablechlorine
有效氯是衡量含氯消毒剂氧化能力的标志,是指与含氯消毒剂氧化能力相当的氧量(非指消毒剂所1
GB/T20621—2006
含氯量),本标准特指发生器出口溶液中反应生成的二氧化氯和氯气全部按氧化价态换算成氧气的质量。
有效氟产量productionofavailablechlorine指发生器在设计的正常工作状态下,每小时产生有效氯的质量,单位为g/h,kg/h。3.5
二氧化氛浓度concentrationof chlorinedioxide指每升出口溶液中所含二氧化氯的质量,单位为mg/L。3.6
有效氯浓度concentration of availablechlorine指每升出口溶液中所含有效氧的质量,单位为mg/L。3.7
二氧化氟转化率yieldof chlorinedioxide每小时产生二氧化氯的摩尔数与每小时进人反应器的氯酸钠的摩尔数之比,以百分数表示。3.8
氯酸钠耗率sodiunchlorateconsumption二氧化氮发生器在额定状态下运转时,每生成1kg有效氯所消耗原料氟酸钠的质量,单位为kg/kg.
4规格系列
化学法复合二氧化氯发生器应按以下格式表明规格。XXX-YXL—EYHL--T(Z)
其中:xxx-
一化学法复合二氧化氯发生器代号;一额定的有效氯产量,单位为g/h或kg/h;YXL
额定的二氧化氯产量,单位为g/h或kg/h;T—温控型(带温度控制的产品);Z——自动控制型。
5要求
5.1基本要求
5.1.1发生器的设计及电器设计应符合GB/T4064和GB5083或相应的国际标准和国际组织认可的标准要求。
5.1.2发生器采用的PVC材料应符合GB4219和QB/T3802—1999或相应的国际标准和国际组织认可的标准的要求。
5.1.3发生器的制造应符合JB2932—1996或相应的国际标准和国际组织认可的标准的规定。5.1.4发生器的反应系统应设置安全防爆装置。5.1.5各管道应无泄漏现象。
5.1.6原料液输送应有连动装置。5.1.7发生器的外观应无明显脱漆、裂缝。5.1.8发生器运行时所用原料盐酸、氯酸钠应符合相应国家标准的规定。5.2性能要求
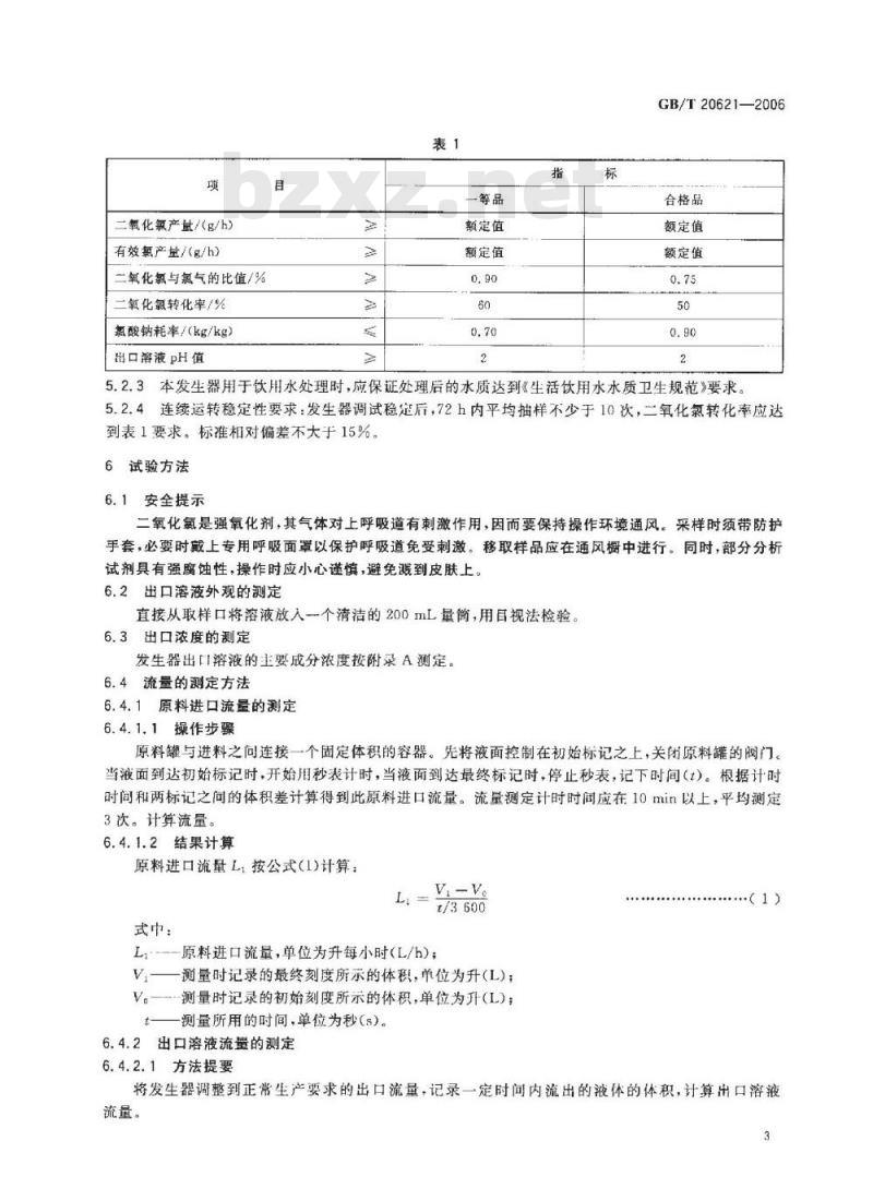
5.2.1出口溶液外观:黄色或淡黄色,清澈透明,无可见机械杂质。5.2.2发生器的性能应符合表1要求。2
二氧化氯产盐/(g/h)
有效氯产量/(g/h)
二氧化氯与氯气的比值/%
二氧化氯转化率/%
氯酸钠耗率/(kg/kg)
出口溶液pH值
一等品
额定值
额定值
GB/T20621—2006
合格品
额定值
额定值
5.2.3本发生器用于饮用水处理时,应保证处理后的水质达到《生活饮用水水质卫生规范》要求。5.2.4连续运转稳定性要求:发生器调试稳定后,72h内平均抽样不少于10次,二氧化氯转化率应达到表1要求。标准和对偏差不大于15%。6试验方法
6.1安全提示
二氧化氯是强氧化剂,其气体对上呼吸道有刺激作用,因而要保持操作环境通风。采样时须带防护手套,必要时戴上专用呼吸面罩以保护呼吸道免受刺激。移取样品应在通风橱中进行。同时,部分分析试剂具有强魔蚀性,操作时应小心谨慎,避免溅到皮肤上。6.2出口溶液外观的测定
直接从取样口将溶液放入一个清洁的200mL量筒,用目视法检验。6.3出口浓度的测定
发生器出口溶液的主要成分浓度按附录A测定。6.4流量的测定方法
6.4.1原料进口流量的测定
6.4.1.1操作步骤
原料罐与进料之问连接一个固定体积的容器。先将液面控制在初始标记之上,关闭原料罐的阀门。当液面到达初始标记时,开始用秒表计时,当液面到达最终标记时,停止秒表,记下时间(t)。根据计时时间和两标记之问的体积差计算得到此原料进口流量。流量测定计时时间应在10min以上,平均测定3次。计算流量。
6.4.1.2结果计算
原料进口流量L,按公式(1)计算:L
式中:
t/3600
L,---原料进口流量,单位为升每小时(L/h);Vi
测量时记录的最终刻度所示的体积,单位为升(L);V。-测量时记录的初始刻度所示的体积,单位为升(L);测量所用的时间,单位为秒(s)。6.4.2出口溶液流量的测定
6.4.2.1方法提要
·(1)
将发生器调整到正常生产要求的出口流量,记录一定时间内流出的液体的体积,计算出口溶液流量。
GB/T20621-2006
6.4.2.2仪器
秒表。
6.4.2.3操作步骤
取一适当体积的容器,预先校正好某个标记段的体积,将发生器排出口的导管与容器连接,打开阀门,待液面到初始标记刻度(V。)时,启动秒表,当液面上升至最终标记刻度(V1)时,停止秒表,记下时间(t)。流量测定计时时间应在60s以上,平均测定3次,相对偏差不大于1%。6.4.2.4结果计算
发生器出口流量L2按公式(2)计算:L
式中:
Vi-V。
t/3600
-发生器出口流量,单位为升每小时(L/h);测量时记录的最终刻度所示的体积,单位为升(L);测量时记录的初始刻度所示的体积,单位为升(L):测量所用的时间,单位为秒(s)。6.5产量的计算
6.5.1二氧化氯产量Q按公式(3)计算:Q= LX c1/1000
式中:
一二氧化氯的产量,单位为克每小时(g/h);Q
Lz2产品正常运行时与采样同周期出口溶液的流量,单位为升每小时(L/h);Ci
发生器正常运行时出口溶液中测得的二氧化氯的浓度,单位为毫克每升(mg/L)。6.5.2有效氯产量Q.按公式(4)计算:Q2= LX(2. 63 Xc1 +c2)/1 000
式中:
有效氯的产量,单位为克每小时(g/h);产品正常运行时,与采样同周期出口溶液的流量,单位为升每小时(L/h);发生器正常运行时出口溶液中测得的二氧化氯的浓度,单位为毫克每升(mg/L);发生器正常运行时出口溶液中测得的氯气的浓度,单位为毫克每升(mg/L);二氧化氯换算成氯气的系数。
6.6二氧化氯与氯的比值的计算
二氧化氯与氯气的质量比值R按式(5)计算:R=c/c2
式中:
c1———发生器正常运行时出口溶液中测得的二氧化氯的浓度,单位为毫克每升(mg/L);Ca
发生器正常运行时出口溶液中测得的氯气的浓度,单位为毫克每升(mg/L)。6.7二氧化氯转化率的计算
以百分数表示的二氧化氯转化率按公式(6)计算(gx)×10/M×100
式中:
(LXpXw)/Mz
发生器出口溶液中二氧化氟浓度,单位为毫克每升(mg/L);出口二氧化氟溶液的流量,单位为升每小时(L/h);+(2)
(3))
(5)
原料氯酸钠进口溶液的流量,单位为升每小时(L/h);L
β原料氟酸钠溶液的密度,单位为千克每升(kg/L);u原料氯酸钠溶液的质量分数,%;M二氧化氮的摩尔质量,单位为克每摩尔(g/mol)(M,=67.45);Mz—氯酸钠的摩尔质量,单位为克每摩尔(g/mol)(Mz一106.45)。6.8氯酸钠耗率的计算
氯酸钠耗率H的计算按公式(7)计算:H
式中:
(L,Xp×w)×105
(2.63×c1+c)×L
发生器出口溶液中二氧化氯浓度,单位为毫克每升(mg/L)发生器出口溶液中氯气浓度,单位为毫克每升(mg/L);L1—原料氯酸钠进口溶液的流量,单位为升每小时(L/h);L2——出口二氧化氯溶液的流量,单位为升每小时(L/h);—原料氯酸钠溶液的密度,单位为克每毫升(kg/L);W——原料氯酸钠溶液的质量分数,%2.63-
二氧化氯换算成氯气的系数。
6.9出口溶液pH值的测定
6.9.1方法提要
GB/T20621—2006
(7)
用配有复合电极或玻璃测量电极和饱和甘汞参比电极的酸度计直接测量试样溶液的pH值。6.9.2仪器、设备
6.9.2.1酸度计:分度值为0.1PH单位,配有复合电极或玻璃电极和饱和甘汞电极。使用前进行校正。
6.9.3分析步骤
取约80mL试样,置于100mL烧杯中;用搅拌子缓缓搅勾。用酸度计测量。6.9.4允许差
取平行测定结果的算术平均值为测定结果,两次平行测定结果的绝对值之差不大于0.2pH单位。6.10连续运转稳定性测试
6.10.1方法提要
设备开机达到稳定,调整好发生量后,按附录A的要求取样,测定二氧化氯的浓度,分别计算出产量、二氧化氯转化率及其相对偏差。6.10.2测定
6.10.2.1开机,调试设备达稳定后,调整好发生量,在72h内,平均时间间隔采取不少于10次样品,按6.5、6.7分别计算产量和二氧化氯转化率。应符合5.2.2的要求。6.11发生器的一般性能试验
按GB/T13922.1-—1992进行试验。6.12发生器有关电气试验
按SB/T10339-2000有关规定进行试验。7检验规则
7.1本标准采用出厂检验和型式检验。7.1.1本标准规定的所有要求项目为型式检验项目。7.1.2其中5.1.1~5.1.7规定的要求为出厂检验项目。正常生产时,每生产100台(年产少于100台5
GB/T20621—2006
的每年进行1次)进行1次型式检验。进行型式检验时,以每台发生器为采样单元,随机抽取不少于采样单元数3%的样机,但最低不少于1台。7.2每台发生器由生产厂的质量监督检验部门按本标准的规定进行检验。生产厂应保证所有出厂的发生器都符合本标准的要求。
7.3使用单位有权按照本标准的规定对所收到的发生器进行验收,验收应在到货之日算起的一个月内进行。
7.4检验结果如有一项指标不符合本标准要求时,应重新加倍抽样复验,仍不符合要求应停止生产,待查清原因后,重新进行型式检验。7.5化学分析数据按GB/T1250的修约值比较法判定结果是否符合本标准。8标志、标签、使用说明书
8.1发生器包装上应有牢固清晰的标志,内容包括:生产厂名、厂址、产品名称、商标、规格、净含量、批号或生产日期、执行标准编号及GB/T191一2000中规定“防止倒置”和“怕雨”标志。8.2每台设备应在明显的位置固定铭牌,铭牌的内容主要应包括:生产厂名、产品名称、商标、规格、产品日期或批号、产品的主要技术参数、产品执行本标准编号。8.3每台出厂的发生器应附有产品使用说明书,编写应符合GB/T9969.1的要求。内容应包括:生产厂名、厂址、产品名称、商标、规格、批号或生产日期、产品的主要技术参数、产品使用说明、产品质量符合执行标准的证明和执行标准编号,9包装、运输和贮存
9.1包装方式:发生器采用木板箱装,个别备件也可采用捆装。箱装应防潮、防震、包装件外形尺寸和重量应符合GB/T13384的规定
9.2随机文件应包括:使用说明书、安全操作规程、产品合格证、装箱单、随机备件、附件清单、其他有关技术文件资料
9.3发生器运输过程中防止碰撞和震动,发生器不得倒置,应防止日晒和雨淋。9.4发生器应贮存在干燥通风的场地,应防止日晒和雨淋,周围无腐蚀性的气体,A.1
一般规定
附录A
(规范性附录)
五步碘量法
GB/T20621-2006
A.1.1本标准所用试剂和水,在没有注明其他要求时,均指分析纯试剂和GB/T6682一1992中规定的三级水。
A.1.2试验中所用标准滴定溶液,杂质标准溶液,制剂及制品,在没有注明其他要求时,均按HG/T3696.1的规定制备。
A.2范围
本方法适合于测定0.1mg/L100.0mg/L范围的二氧化氯,高浓度溶液可稀释后测定;含量低的样品可适当增加取样量,或将标准溶液稀释后测定。A.3原理
该法是利用不同pH值条件下CIO2Cl2.CIOz、CIO与I的反应来测定各物质含量的方法。如方程式所示:
Cl2+2I-=I+2CI-
2C102+21+2CI02
2C1Oz+10I-+8H+=512+2CI-+4H,0CIO+4I-+4H+=2I2+CI-+2H,0
ClO+61+6H+=3Iz+CI-+3H20
(pH=7)
(pH≤2)
(pH≤2)
(pH≤0.1)
然后用硫代硫酸钠作滴定剂,以淀粉溶液作指示剂,分步滴定游离出的碘,算出各种氧化性物质的含量。
A.4试剂和材料
A.4.1碘化钾;
A.4.2盐酸;
A.4.3盐酸溶液:1+1;
A,4.4溴化钾溶液:50g/L,贮存于棕色瓶中;A.4.5磷酸氢二钠饱和溶液;
A.4.6磷酸盐缓冲溶液:pH-7;
称取25.4g无水磷酸二氢钾和86.0g十二水磷酸氢二钠,溶于800mL水中,用水稀释至1000mL.
A.4.7硫代硫酸钠标准滴定溶液:c(Na,S,O,)约为0.05mol/L;用水准确稀释按HG/T3696.1配制标定的0.1mol/L硫代硫酸钠标准滴定溶液。A.4.8淀粉指示液:10g/L。
A.5仪器、设备
A.5.1高纯氮气钢瓶。
GB/T20621-2006
A.6菜样
A.6.1应用清洁干燥的棕色玻璃瓶采集样品。采样时,将发生器采样口的管子直接插到瓶底,打开采样口阀门,直至样品溶液溢出达采样瓶体积的1倍时,关闭阅门,立即盖上瓶盖。A.6.2样品避光保存,2h内使用;如超过2h,应重新取样。A.6.3移取分析试料时,应将移液管插入样品瓶的底部取样。取样操作宜在通风橱中进行。A.7操作步骤
A.7.1在250mL碘量瓶中加人100mL水(若移取试样的体积超过20mL,加水量作相应的减少)和5mL的磷酸盐缓冲溶液(若移取试样的体积超过20ml,增加缓冲溶液体积,保证体系pH=7),移取相当于10mg左右的二氧化氯的试样,加人1g碘化钾,用0.05mol/L硫代硫酸钠标准滴定溶液滴定至近终点,加人1mL淀粉指示液,继续滴定至蓝色刚好消失为止。记录体积为V1。此溶液为溶液A,留作下步测定用。
A.7.2在溶液A中加人1mL1+1盐酸溶液(使滴定体系pH≤2),立即塞上瓶塞,水封,置于暗处反应5min,用0.05mol/L硫代硫酸钠标准滴定溶液滴定至终点。记录体积为VA.7.3移取相当于10mg二氧化氟的试样,置于装有5mL的磷酸盐缓冲溶液(若移取试样的体积超过20mL,增加缓冲溶液体积,保证体系pH一7)的250mL碘量瓶中,通人高纯氮气至黄绿色消失,加人1g碘化钾,用0.05mol/l.硫代硫酸钠标准滴定溶液滴定至近终点,加人1mL淀粉指示液,继续滴定至蓝色刚好消失为止。记录体积为V。此溶液为溶液B,留作下一步测定用。A.7.4在溶液B中加人1mL1+1盐酸溶液(使滴定体系pII≤2),立即塞上瓶塞,水封,置于暗处反应5min,继续用005mol/L硫代硫酸钠标准滴定溶液滴定至终点。记录体积为V.。A.7.5在250mL的碘量瓶中加入2mL溴化钾溶液和10mL浓盐酸混匀(可适当增加浓盐酸用量,保证体系pH<0.1),用移液管移取与上述步骤相同体积的二氧化氯溶液,加人到碘量瓶中,立即塞任瓶塞,水封,轻轻摇动混匀,至于暗处反应20nin,加入1g碘化钾,剧烈振荡5s,加人25mL磷酸氢二钠饱和溶液,加10ml水,用0.05mol/L硫代硫酸钠标准滴定溶液滴定至近终点,加人1mL淀粉指示液,继续滴定至蓝色刚好消失为止。同时用水做空白试验,记录体积为样品读数一空白读数一Vs。A.8结果的表述
各种离子的浓度按以下公式计算:Gj=(V,-V,)×c×67.44×1000/4V=1.686×10(Vg-V.)c/VC2=[V,(Vz-V4)/4]×c×35.45×1000/V=3.545×10*[V/-(V2-V.)/4]c/VCa=V×cX67.44×1000/4V=1.686×10*V.c/Vc=[V-(V/+V,)]×c×83.46×1000/6V1.391×10*[Vs-(V,+V)]c/V式中:
G——二氧化氮的浓度,单位为毫克每升(mg/L);C2——氯气的浓度,单位为毫克每升(mg/L);c——亚氯酸根离子的浓度,单位为毫克每升(tng/L);cl—氯酸根离子的浓度,单位为旁克每升(mg/L);Vi——A.7.1测定所消耗的硫代硫酸钠标准滴定溶液的体积,单位为毫升(mL);V.一一A.7.2测定所消耗的硫代硫酸钠标准滴定溶液的体积,单位为毫升(mL);8
GB/T20621—2006
V.一A.7.3测定所消耗的硫代硫酸钠标准滴定溶液的体积,单位为毫升(mL);Vs—*A.7.5测定所消耗的硫代硫酸钠标准滴定溶液的体积,单位为毫升(mL);硫代硫酸钠标准滴定溶液的实际浓度,单位为摩尔每升(mol/L)G
所取样品的体积,单位为毫升(mL);67.44-
一二氧化氯(CIO,)或亚氮酸根(CIO)的相对分子量;氯酸根(CIO)的相对分子量;
氯气(Cl,)的相对分子量。
取平行测定结果的算术平均值为测定结果,两次平行测定结果的相对差值不大于20%9
GB/T20621-2006
测试项目
反应原料
流盘/
(mL/min)
测试次数
取样时间
原料1
原料2
原料3
原料4
原料5
出口溶液流量/(L/h)
二氧化氟浓度/(mg/L)
亚氯酸根浓度/(mg/L)
氯胶根浓度/(mg/1.)
氯气浓度/(mg/1.)
第1次
第2次
附录B
(资料性附录)
连续运行检测记录表格
第3次
第4次
第5次
第6次
第7次
第8次
第9次Www.bzxZ.net
第10次
小提示:此标准内容仅展示完整标准里的部分截取内容,若需要完整标准请到上方自行免费下载完整标准文档。
中华人民共和国国家标准
GB/T20621—2006
化学法复合二氧化氯发生器
Generator of complex chlorine dioxide by chemical reaction2006-09-14发布
中华人民共和国国家质量监督检验检疫总局中国国家标准化管理委员会
2007-02-01实施
本标准附录A为规范性附录、附录B为资料性附录。本标准由中国石油和化学工业协会提出。GB/T20621—2006
本标准由全国化学标准化技术委员会无机化工分会(CSBTS/TC63/SC1)归口。本标准负责起草单位:天津化工研究设计院、山东山大华特科技股份有限公司、深圳欧泰华环保技术有限公司、南京理工大学华浦水处理有限责任公司、成都齐力水处理科技有限公司,本标准主要起草人:范国强、章艺、王水芳、徐光、萘公文、于文敦、李新杰、穆超银、施来顺。1范围
化学法复合二氧化氯发生器
GB/T20621—2006
本标准规定了化学法复合二氧化氯发生器的术语与定义、要求、试验方法、检验规则以及标志,标签、包装、运输、贮存。
本标准适用于各种水体的杀菌、消毒、灭藻、除臭、漂白、脱色及氧化等处理的化学法复合二氧化氧发生器。
2规范性引用文件
下列文件中的条款通过本标准的引用而成为本标准的条款。凡是注日期的引用文件,其随后所有的修改单(不包括勘误的内容)或修订版均不适用于本标准,然而,鼓励根据本标准达成协议的各方研究是否可使用这些文件的最新版本。凡是不注日期的引用文件,其最新版本适用于本标准。GB191--2000包装储运图示标志(ISO780:1997EQV)GB/T1250极限数值的表示方法和判定方法GB/T4064电气设备安全设计导则GB/T4219化工用硬聚氯乙烯(PVC-U)管材GB5083生产设备安全卫生设计总则GB/T5750-一1985生活饮用水标准检验法GB/T9969.1工业产品使用说明书总则GB/T13384机电产品包装通用技术条件GB/T13922.1-1992水处理设备性能试验总则HIG/T3696.1无机化工产品化学分析用标准滴定溶液的制备JB2932—1999水处理设备制造技术条件SB/T10339—2000家用管道增压泵QB/T3802—1999化工用硬聚氯乙烯管件卫生部《生活饮用水水质卫生规范》3术语和定义
本标准采用以下术语和定义
化学法复合二氧化氯发生器
generatorofcomplexchlorinedioxidebychemicalreaction(以下篇称:发生器)
以氧酸钠和盐酸为主要原料经化学反应生成二氧化氯和氯气等混合溶液的发生装置。3.2
二氧化氯产量Productionof chlorinedioxide指发生器在设计的正常工作状态下,每小时产生二氧化氯的质量,单位为g/h,kg/h。3.3
有效氛availablechlorine
有效氯是衡量含氯消毒剂氧化能力的标志,是指与含氯消毒剂氧化能力相当的氧量(非指消毒剂所1
GB/T20621—2006
含氯量),本标准特指发生器出口溶液中反应生成的二氧化氯和氯气全部按氧化价态换算成氧气的质量。
有效氟产量productionofavailablechlorine指发生器在设计的正常工作状态下,每小时产生有效氯的质量,单位为g/h,kg/h。3.5
二氧化氛浓度concentrationof chlorinedioxide指每升出口溶液中所含二氧化氯的质量,单位为mg/L。3.6
有效氯浓度concentration of availablechlorine指每升出口溶液中所含有效氧的质量,单位为mg/L。3.7
二氧化氟转化率yieldof chlorinedioxide每小时产生二氧化氯的摩尔数与每小时进人反应器的氯酸钠的摩尔数之比,以百分数表示。3.8
氯酸钠耗率sodiunchlorateconsumption二氧化氮发生器在额定状态下运转时,每生成1kg有效氯所消耗原料氟酸钠的质量,单位为kg/kg.
4规格系列
化学法复合二氧化氯发生器应按以下格式表明规格。XXX-YXL—EYHL--T(Z)
其中:xxx-
一化学法复合二氧化氯发生器代号;一额定的有效氯产量,单位为g/h或kg/h;YXL
额定的二氧化氯产量,单位为g/h或kg/h;T—温控型(带温度控制的产品);Z——自动控制型。
5要求
5.1基本要求
5.1.1发生器的设计及电器设计应符合GB/T4064和GB5083或相应的国际标准和国际组织认可的标准要求。
5.1.2发生器采用的PVC材料应符合GB4219和QB/T3802—1999或相应的国际标准和国际组织认可的标准的要求。
5.1.3发生器的制造应符合JB2932—1996或相应的国际标准和国际组织认可的标准的规定。5.1.4发生器的反应系统应设置安全防爆装置。5.1.5各管道应无泄漏现象。
5.1.6原料液输送应有连动装置。5.1.7发生器的外观应无明显脱漆、裂缝。5.1.8发生器运行时所用原料盐酸、氯酸钠应符合相应国家标准的规定。5.2性能要求
5.2.1出口溶液外观:黄色或淡黄色,清澈透明,无可见机械杂质。5.2.2发生器的性能应符合表1要求。2
二氧化氯产盐/(g/h)
有效氯产量/(g/h)
二氧化氯与氯气的比值/%
二氧化氯转化率/%
氯酸钠耗率/(kg/kg)
出口溶液pH值
一等品
额定值
额定值
GB/T20621—2006
合格品
额定值
额定值
5.2.3本发生器用于饮用水处理时,应保证处理后的水质达到《生活饮用水水质卫生规范》要求。5.2.4连续运转稳定性要求:发生器调试稳定后,72h内平均抽样不少于10次,二氧化氯转化率应达到表1要求。标准和对偏差不大于15%。6试验方法
6.1安全提示
二氧化氯是强氧化剂,其气体对上呼吸道有刺激作用,因而要保持操作环境通风。采样时须带防护手套,必要时戴上专用呼吸面罩以保护呼吸道免受刺激。移取样品应在通风橱中进行。同时,部分分析试剂具有强魔蚀性,操作时应小心谨慎,避免溅到皮肤上。6.2出口溶液外观的测定
直接从取样口将溶液放入一个清洁的200mL量筒,用目视法检验。6.3出口浓度的测定
发生器出口溶液的主要成分浓度按附录A测定。6.4流量的测定方法
6.4.1原料进口流量的测定
6.4.1.1操作步骤
原料罐与进料之问连接一个固定体积的容器。先将液面控制在初始标记之上,关闭原料罐的阀门。当液面到达初始标记时,开始用秒表计时,当液面到达最终标记时,停止秒表,记下时间(t)。根据计时时间和两标记之问的体积差计算得到此原料进口流量。流量测定计时时间应在10min以上,平均测定3次。计算流量。
6.4.1.2结果计算
原料进口流量L,按公式(1)计算:L
式中:
t/3600
L,---原料进口流量,单位为升每小时(L/h);Vi
测量时记录的最终刻度所示的体积,单位为升(L);V。-测量时记录的初始刻度所示的体积,单位为升(L);测量所用的时间,单位为秒(s)。6.4.2出口溶液流量的测定
6.4.2.1方法提要
·(1)
将发生器调整到正常生产要求的出口流量,记录一定时间内流出的液体的体积,计算出口溶液流量。
GB/T20621-2006
6.4.2.2仪器
秒表。
6.4.2.3操作步骤
取一适当体积的容器,预先校正好某个标记段的体积,将发生器排出口的导管与容器连接,打开阀门,待液面到初始标记刻度(V。)时,启动秒表,当液面上升至最终标记刻度(V1)时,停止秒表,记下时间(t)。流量测定计时时间应在60s以上,平均测定3次,相对偏差不大于1%。6.4.2.4结果计算
发生器出口流量L2按公式(2)计算:L
式中:
Vi-V。
t/3600
-发生器出口流量,单位为升每小时(L/h);测量时记录的最终刻度所示的体积,单位为升(L);测量时记录的初始刻度所示的体积,单位为升(L):测量所用的时间,单位为秒(s)。6.5产量的计算
6.5.1二氧化氯产量Q按公式(3)计算:Q= LX c1/1000
式中:
一二氧化氯的产量,单位为克每小时(g/h);Q
Lz2产品正常运行时与采样同周期出口溶液的流量,单位为升每小时(L/h);Ci
发生器正常运行时出口溶液中测得的二氧化氯的浓度,单位为毫克每升(mg/L)。6.5.2有效氯产量Q.按公式(4)计算:Q2= LX(2. 63 Xc1 +c2)/1 000
式中:
有效氯的产量,单位为克每小时(g/h);产品正常运行时,与采样同周期出口溶液的流量,单位为升每小时(L/h);发生器正常运行时出口溶液中测得的二氧化氯的浓度,单位为毫克每升(mg/L);发生器正常运行时出口溶液中测得的氯气的浓度,单位为毫克每升(mg/L);二氧化氯换算成氯气的系数。
6.6二氧化氯与氯的比值的计算
二氧化氯与氯气的质量比值R按式(5)计算:R=c/c2
式中:
c1———发生器正常运行时出口溶液中测得的二氧化氯的浓度,单位为毫克每升(mg/L);Ca
发生器正常运行时出口溶液中测得的氯气的浓度,单位为毫克每升(mg/L)。6.7二氧化氯转化率的计算
以百分数表示的二氧化氯转化率按公式(6)计算(gx)×10/M×100
式中:
(LXpXw)/Mz
发生器出口溶液中二氧化氟浓度,单位为毫克每升(mg/L);出口二氧化氟溶液的流量,单位为升每小时(L/h);+(2)
(3))
(5)
原料氯酸钠进口溶液的流量,单位为升每小时(L/h);L
β原料氟酸钠溶液的密度,单位为千克每升(kg/L);u原料氯酸钠溶液的质量分数,%;M二氧化氮的摩尔质量,单位为克每摩尔(g/mol)(M,=67.45);Mz—氯酸钠的摩尔质量,单位为克每摩尔(g/mol)(Mz一106.45)。6.8氯酸钠耗率的计算
氯酸钠耗率H的计算按公式(7)计算:H
式中:
(L,Xp×w)×105
(2.63×c1+c)×L
发生器出口溶液中二氧化氯浓度,单位为毫克每升(mg/L)发生器出口溶液中氯气浓度,单位为毫克每升(mg/L);L1—原料氯酸钠进口溶液的流量,单位为升每小时(L/h);L2——出口二氧化氯溶液的流量,单位为升每小时(L/h);—原料氯酸钠溶液的密度,单位为克每毫升(kg/L);W——原料氯酸钠溶液的质量分数,%2.63-
二氧化氯换算成氯气的系数。
6.9出口溶液pH值的测定
6.9.1方法提要
GB/T20621—2006
(7)
用配有复合电极或玻璃测量电极和饱和甘汞参比电极的酸度计直接测量试样溶液的pH值。6.9.2仪器、设备
6.9.2.1酸度计:分度值为0.1PH单位,配有复合电极或玻璃电极和饱和甘汞电极。使用前进行校正。
6.9.3分析步骤
取约80mL试样,置于100mL烧杯中;用搅拌子缓缓搅勾。用酸度计测量。6.9.4允许差
取平行测定结果的算术平均值为测定结果,两次平行测定结果的绝对值之差不大于0.2pH单位。6.10连续运转稳定性测试
6.10.1方法提要
设备开机达到稳定,调整好发生量后,按附录A的要求取样,测定二氧化氯的浓度,分别计算出产量、二氧化氯转化率及其相对偏差。6.10.2测定
6.10.2.1开机,调试设备达稳定后,调整好发生量,在72h内,平均时间间隔采取不少于10次样品,按6.5、6.7分别计算产量和二氧化氯转化率。应符合5.2.2的要求。6.11发生器的一般性能试验
按GB/T13922.1-—1992进行试验。6.12发生器有关电气试验
按SB/T10339-2000有关规定进行试验。7检验规则
7.1本标准采用出厂检验和型式检验。7.1.1本标准规定的所有要求项目为型式检验项目。7.1.2其中5.1.1~5.1.7规定的要求为出厂检验项目。正常生产时,每生产100台(年产少于100台5
GB/T20621—2006
的每年进行1次)进行1次型式检验。进行型式检验时,以每台发生器为采样单元,随机抽取不少于采样单元数3%的样机,但最低不少于1台。7.2每台发生器由生产厂的质量监督检验部门按本标准的规定进行检验。生产厂应保证所有出厂的发生器都符合本标准的要求。
7.3使用单位有权按照本标准的规定对所收到的发生器进行验收,验收应在到货之日算起的一个月内进行。
7.4检验结果如有一项指标不符合本标准要求时,应重新加倍抽样复验,仍不符合要求应停止生产,待查清原因后,重新进行型式检验。7.5化学分析数据按GB/T1250的修约值比较法判定结果是否符合本标准。8标志、标签、使用说明书
8.1发生器包装上应有牢固清晰的标志,内容包括:生产厂名、厂址、产品名称、商标、规格、净含量、批号或生产日期、执行标准编号及GB/T191一2000中规定“防止倒置”和“怕雨”标志。8.2每台设备应在明显的位置固定铭牌,铭牌的内容主要应包括:生产厂名、产品名称、商标、规格、产品日期或批号、产品的主要技术参数、产品执行本标准编号。8.3每台出厂的发生器应附有产品使用说明书,编写应符合GB/T9969.1的要求。内容应包括:生产厂名、厂址、产品名称、商标、规格、批号或生产日期、产品的主要技术参数、产品使用说明、产品质量符合执行标准的证明和执行标准编号,9包装、运输和贮存
9.1包装方式:发生器采用木板箱装,个别备件也可采用捆装。箱装应防潮、防震、包装件外形尺寸和重量应符合GB/T13384的规定
9.2随机文件应包括:使用说明书、安全操作规程、产品合格证、装箱单、随机备件、附件清单、其他有关技术文件资料
9.3发生器运输过程中防止碰撞和震动,发生器不得倒置,应防止日晒和雨淋。9.4发生器应贮存在干燥通风的场地,应防止日晒和雨淋,周围无腐蚀性的气体,A.1
一般规定
附录A
(规范性附录)
五步碘量法
GB/T20621-2006
A.1.1本标准所用试剂和水,在没有注明其他要求时,均指分析纯试剂和GB/T6682一1992中规定的三级水。
A.1.2试验中所用标准滴定溶液,杂质标准溶液,制剂及制品,在没有注明其他要求时,均按HG/T3696.1的规定制备。
A.2范围
本方法适合于测定0.1mg/L100.0mg/L范围的二氧化氯,高浓度溶液可稀释后测定;含量低的样品可适当增加取样量,或将标准溶液稀释后测定。A.3原理
该法是利用不同pH值条件下CIO2Cl2.CIOz、CIO与I的反应来测定各物质含量的方法。如方程式所示:
Cl2+2I-=I+2CI-
2C102+21+2CI02
2C1Oz+10I-+8H+=512+2CI-+4H,0CIO+4I-+4H+=2I2+CI-+2H,0
ClO+61+6H+=3Iz+CI-+3H20
(pH=7)
(pH≤2)
(pH≤2)
(pH≤0.1)
然后用硫代硫酸钠作滴定剂,以淀粉溶液作指示剂,分步滴定游离出的碘,算出各种氧化性物质的含量。
A.4试剂和材料
A.4.1碘化钾;
A.4.2盐酸;
A.4.3盐酸溶液:1+1;
A,4.4溴化钾溶液:50g/L,贮存于棕色瓶中;A.4.5磷酸氢二钠饱和溶液;
A.4.6磷酸盐缓冲溶液:pH-7;
称取25.4g无水磷酸二氢钾和86.0g十二水磷酸氢二钠,溶于800mL水中,用水稀释至1000mL.
A.4.7硫代硫酸钠标准滴定溶液:c(Na,S,O,)约为0.05mol/L;用水准确稀释按HG/T3696.1配制标定的0.1mol/L硫代硫酸钠标准滴定溶液。A.4.8淀粉指示液:10g/L。
A.5仪器、设备
A.5.1高纯氮气钢瓶。
GB/T20621-2006
A.6菜样
A.6.1应用清洁干燥的棕色玻璃瓶采集样品。采样时,将发生器采样口的管子直接插到瓶底,打开采样口阀门,直至样品溶液溢出达采样瓶体积的1倍时,关闭阅门,立即盖上瓶盖。A.6.2样品避光保存,2h内使用;如超过2h,应重新取样。A.6.3移取分析试料时,应将移液管插入样品瓶的底部取样。取样操作宜在通风橱中进行。A.7操作步骤
A.7.1在250mL碘量瓶中加人100mL水(若移取试样的体积超过20mL,加水量作相应的减少)和5mL的磷酸盐缓冲溶液(若移取试样的体积超过20ml,增加缓冲溶液体积,保证体系pH=7),移取相当于10mg左右的二氧化氯的试样,加人1g碘化钾,用0.05mol/L硫代硫酸钠标准滴定溶液滴定至近终点,加人1mL淀粉指示液,继续滴定至蓝色刚好消失为止。记录体积为V1。此溶液为溶液A,留作下步测定用。
A.7.2在溶液A中加人1mL1+1盐酸溶液(使滴定体系pH≤2),立即塞上瓶塞,水封,置于暗处反应5min,用0.05mol/L硫代硫酸钠标准滴定溶液滴定至终点。记录体积为VA.7.3移取相当于10mg二氧化氟的试样,置于装有5mL的磷酸盐缓冲溶液(若移取试样的体积超过20mL,增加缓冲溶液体积,保证体系pH一7)的250mL碘量瓶中,通人高纯氮气至黄绿色消失,加人1g碘化钾,用0.05mol/l.硫代硫酸钠标准滴定溶液滴定至近终点,加人1mL淀粉指示液,继续滴定至蓝色刚好消失为止。记录体积为V。此溶液为溶液B,留作下一步测定用。A.7.4在溶液B中加人1mL1+1盐酸溶液(使滴定体系pII≤2),立即塞上瓶塞,水封,置于暗处反应5min,继续用005mol/L硫代硫酸钠标准滴定溶液滴定至终点。记录体积为V.。A.7.5在250mL的碘量瓶中加入2mL溴化钾溶液和10mL浓盐酸混匀(可适当增加浓盐酸用量,保证体系pH<0.1),用移液管移取与上述步骤相同体积的二氧化氯溶液,加人到碘量瓶中,立即塞任瓶塞,水封,轻轻摇动混匀,至于暗处反应20nin,加入1g碘化钾,剧烈振荡5s,加人25mL磷酸氢二钠饱和溶液,加10ml水,用0.05mol/L硫代硫酸钠标准滴定溶液滴定至近终点,加人1mL淀粉指示液,继续滴定至蓝色刚好消失为止。同时用水做空白试验,记录体积为样品读数一空白读数一Vs。A.8结果的表述
各种离子的浓度按以下公式计算:Gj=(V,-V,)×c×67.44×1000/4V=1.686×10(Vg-V.)c/VC2=[V,(Vz-V4)/4]×c×35.45×1000/V=3.545×10*[V/-(V2-V.)/4]c/VCa=V×cX67.44×1000/4V=1.686×10*V.c/Vc=[V-(V/+V,)]×c×83.46×1000/6V1.391×10*[Vs-(V,+V)]c/V式中:
G——二氧化氮的浓度,单位为毫克每升(mg/L);C2——氯气的浓度,单位为毫克每升(mg/L);c——亚氯酸根离子的浓度,单位为毫克每升(tng/L);cl—氯酸根离子的浓度,单位为旁克每升(mg/L);Vi——A.7.1测定所消耗的硫代硫酸钠标准滴定溶液的体积,单位为毫升(mL);V.一一A.7.2测定所消耗的硫代硫酸钠标准滴定溶液的体积,单位为毫升(mL);8
GB/T20621—2006
V.一A.7.3测定所消耗的硫代硫酸钠标准滴定溶液的体积,单位为毫升(mL);Vs—*A.7.5测定所消耗的硫代硫酸钠标准滴定溶液的体积,单位为毫升(mL);硫代硫酸钠标准滴定溶液的实际浓度,单位为摩尔每升(mol/L)G
所取样品的体积,单位为毫升(mL);67.44-
一二氧化氯(CIO,)或亚氮酸根(CIO)的相对分子量;氯酸根(CIO)的相对分子量;
氯气(Cl,)的相对分子量。
取平行测定结果的算术平均值为测定结果,两次平行测定结果的相对差值不大于20%9
GB/T20621-2006
测试项目
反应原料
流盘/
(mL/min)
测试次数
取样时间
原料1
原料2
原料3
原料4
原料5
出口溶液流量/(L/h)
二氧化氟浓度/(mg/L)
亚氯酸根浓度/(mg/L)
氯胶根浓度/(mg/1.)
氯气浓度/(mg/1.)
第1次
第2次
附录B
(资料性附录)
连续运行检测记录表格
第3次
第4次
第5次
第6次
第7次
第8次
第9次Www.bzxZ.net
第10次
小提示:此标准内容仅展示完整标准里的部分截取内容,若需要完整标准请到上方自行免费下载完整标准文档。
标准图片预览:





- 其它标准
- 热门标准
- 国家标准(GB)
- GB/T7534-1987 工业用挥发性有机液体沸程的测定
- GB/T50772-2012 木结构工程施工规范
- GB50367-2013 混凝土结构加固设计规范
- GB50666-2011 混凝土结构工程施工规范
- GB/T18204.4-2000 公共场所毛巾、床上卧具微生物检验方法细菌总数测定
- GB8552-1987 电子器件详细规范 低功率非线绕固定电阻器 RJ13型金属膜固定电阻器评定水平E(可供认证用)
- GB/T11379-2008 金属覆盖层 工程用铬电镀层
- GB/T23892.3-2009 滑动轴承 稳态条件下流体动压可倾瓦块止推轴承 第3部分:可倾瓦块止推轴承计算的许用值
- GB/T20976-2023 软冰淇淋预拌粉质量要求
- GB/T15917.3-1995 金属镝及氧化镝化学分析方法 对氯苯基荧光酮--溴化十六烷基三甲基胺分光光度法测定钽量
- GB/T11839-1989 二氧化铀芯块中硼的测定 姜黄素萃取光度法
- GB/T6122.1-2002 圆角铣刀 第1部分:型式和尺寸
- GB/T7433-1987 对称电缆载波通信系统抗无线电广播和通信干扰的指标
- GB/T12053-1989 光学识别用字母数字字符集 第一部分:OCR-A字符集印刷图象的形状和尺寸
- GB/T14463-2022 粘胶短纤维
- 行业新闻
请牢记:“bzxz.net”即是“标准下载”四个汉字汉语拼音首字母与国际顶级域名“.net”的组合。 ©2025 标准下载网 www.bzxz.net 本站邮件:bzxznet@163.com
网站备案号:湘ICP备2025141790号-2
网站备案号:湘ICP备2025141790号-2