- 您的位置:
- 标准下载网 >>
- 标准分类 >>
- 国家标准(GB) >>
- GB/T 9106-2001 包装容器 铝易开盖两片罐
标准号:
GB/T 9106-2001
标准名称:
包装容器 铝易开盖两片罐
标准类别:
国家标准(GB)
英文名称:
Packaging containers--Aluminum easy open end and two-piece can标准状态:
已作废-
发布日期:
2001-11-04 -
实施日期:
2002-04-01 -
作废日期:
2010-05-01 出版语种:
简体中文下载格式:
.rar.pdf下载大小:
9.69 MB
标准ICS号:
货物的包装和调运>>55.100瓶、罐、瓮中标分类号:
综合>>标志、包装、运输、贮存>>A82包装材料与容器
替代情况:
GB/T 9106-1994
点击下载
标准简介:
标准下载解压密码:www.bzxz.net
本标准规定了铝易开盖两片罐的主要技术要求、试验方法、检验规则及标志、包装、运输、贮存。本标准适用于盛装啤酒、充碳酸气及充氮软饮料的未经使用的铝易开盖两片罐的制造、使用、流通和监督检验。 GB/T 9106-2001 包装容器 铝易开盖两片罐 GB/T9106-2001
本标准规定了铝易开盖两片罐的主要技术要求、试验方法、检验规则及标志、包装、运输、贮存。
本标准适用于盛装啤酒、充碳酸气及充氮软饮料的未经使用的铝易开盖两片罐的制造、使用、流通和监督检验。
部分标准内容:
ICS_55.100
中华人民共和国国家标准
GB/T 9106--2001
包装容器
铝易开盖两片罐
Packaging containers-Aluminum easy openendand two-piececan
2001-12-04发布
中华人民共和国
国家质量监督检验检疫总局
2002-0401实施
GB/T 9106—2001
本标准是对GB 9106&包装容器
器铅易开盖两片罐》的第2次修订,修订时保留了GB91Q6·1994中适用的内窖,同时报据实际情记作了如下修收:标推中蚊消了209.型规格。
206型在保留原有355mL规格基础上,新增了表1中250mL、275mL、330ml和600ml四种规格。:
懿体部分增加了钢罐,
由于增加了钢罐,相应增加了表3中的钢髓各项物理性能指标表3中的轴向承压力由原来的至1.25kV改为=1.00kN。-—表5中的封口胶干膜质量从原来的35mg~60mg改为25mg~50mg。表7中新增了涂层质量检验项目,并将易开盖密封性的AQL值由原来的0,65改为2.5。新增了表8正带检查二次抽样方案。7.5条“90关内用户不提出异议视为接受”改为\30天内用户不提出异议视为接受”第11章贮存期由原来的6个月改为9个月。本标准由中国包装总公司提出。本标准由全国包装标准化技术委员会金属容器分技术委员会归口。本标准负责起草单位:国家包装产品质量监督检验中心(广州)三水健力宝富特容器有限公司。本标准参加起草单位:深圳美特容器有限公司、华东联合制罐有限公司、珠海富特波尔容器有限公司、北京欧陆太平洋制有限公司。本标准主要起草人,朱丽萍、周锦昌,罗蓓、唐剑刚、李元阳、赵华、刘泉生。本标准所代替标推的历次版本发布情况为:GB 9106--1988.CB 9106---1994。1范围
包装容器
铝易开盖两片罐
GB/T9106-2001
本标准规定了铝易开盖两片罐的主要技术要求、试验方法、检验规则及标志、包装、运输、贮存。本标准适用于盛装啤酒、充碳酸气及充氮软饮料的未经使用的铝易开盖两片罐的制造、使用、流通和监督检验。
规范性引用文件
下列文件中的条款通过本标准的引用而成为本标准的条款。凡是注日期的引用文件,其随后所有的修改单(不包括勘误的内容)或修订版均不适用于本部分,然而,鼓励根据本部分达成协议的各方研究是否可使用这些文件的最新版本。凡是不注日期的引用文件,其最新版本适用于本部分逐批检查计数抽样程序及抽样表(适用于连续批的检查)GB/T2828
水基改性环氧易拉罐内壁涂料卫生标准GB11677
GB/T13040
术语、符号
包装术语金属容器
1术语应符合GB/T13040的规定。3.1
3.2符号
缩颈翻边罐体!
罐体外径
缩颈内径
罐体高度
翻边宽度
铝易开盖
钩边外径
理头度
钩边高度
钩边开度
每50.80mm盖钩边的重叠个数
4铝易开盖两片罐分类
4.1铝易开盖两片罐按规格分为206/211×310(250mL)、206/211×314(275mL)、206/211×408(330mL)、206/211×413(355mL)、206/211×610(500mL)。4.2罐体按材料分为钢罐和铝罐。4.3铝易开盖分为拉环式和留片式易开盖,见图1。GB/T 9106—2001
4.4结构尺寸
的)拉环式
图 1离开盖示图
b)留片式
4.4.1缩颈翻边碰体的主要尺寸和极限偏差应符合图2和表1的规定。D
国 2 赚体主要尽寸示图
表 1 罐体主要尺寸
体高度
罐休外径
缩颈内径
翻边究度
1)工具保证尺寸。
公称尺寸
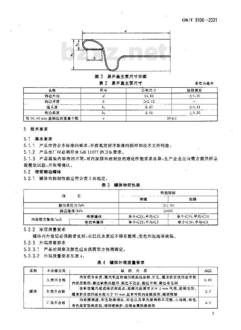
易开盖的主要尺寸和极限偏差应符合图3和表2的规定。355mL
单位为毫米
极限偏差
钩边外径
药边开度
埋头度
胸边高度
每50.80蓝钩边的叠个数
5技术要求
5.1基本要求
图 3 显开主要尺寸示图
囊 2易开益主要尺寸
公称尺可
5.1.1产品应符合本标推的要求,并按规定程序批推的图和技术文件制造。5.1.2产品出厂时必额符合GB11677的卫生要求,GB/T 9106—2001
单位为毫米
极限偏差
±0,25
5.1.3产品灌装内容物的不同,对内涂膜和密封胶的理化性能要求各异,生产企业应间方提供样品做避装试验,并取得确认,
5.2缩颈翻边罐体
5.2.1罐体的物理性能应符合表3的规定。表 3 随体物理性能
轴向系压力/kN
耐压强度/kPa
内涂膜完整性/mA
5.2.2涂层质量要求
啤酒罐体
软饮料灌怀
单个≤25,平均≤3
单个≤25,平均3
性能指标
单个≤75,平均≤50
单个≤30,平均≤B
罐体内外涂层必须附着良好·在巴氏杀菌后不得有脱落、变色和起泡等缺陷。5.2.3外观质量要求
5. 2. 3. 1
5. 2. 3. 2
产品的图案及额色应由供需双方协商确定。外观质量要求见表4,
表 4罐体外观质量要求
不合格分类
A类不合格
B类不合格
“类不合格
缺陷内容
内涂层含杂质,罐内明显的油污或其他茶物、针孔,罐身折曲凹痕导致内涂层损伤、翻边缺摄或撞凹、翻边不完全、翻边开裂、翻边有毛刺涤料在髓内壁成滴状和斑点、底部内涂膜有大于艺mm气范、底部变形随身折曲戒凹痕长度大于 11 mm且未导致内涂膜损伤、缩颈循皱内滁膜斑迹、印包轻谢错位,印色以及阐光两部术宪整、小划痕、印色与色版有轻傲差别、缩颈部微折、底部金属轻微枫伤AQL
GB/T91062001
5.3易开盖
5.3.1易开盖物理性能应符合表5的规定。表5
项目名称
耐压强度/kPa
密封性
内涂膜完整性/mA
启破力/N
全开力/N
开启可靠性
封口胶于膜质量/mg
5.3.2涂层质量要求
易开盖物理性能
啤酒盖
软饮料盖
性能指标
≥610
不允许泄漏
单个≤75,平均≤50
单个≤30,平均≤8
≤31.平均≤20
45,平均≤36
开启时拉环(片)不脱落及完全开启2550
内外涂层附着良好,在巴氏灭菌后不得有脱落、变色和起泡等缺陷。5.3.3外观质量要求
外观质量要求见表6
表6易开盖外观质量要求Www.bzxZ.net
易开盖
不合格分类
A类不合格
B类不合格
C类不合
6试验方法
6.1外观检查
用目测,在自然光
6.2尺寸检查
缺陷内容
破损、盖内侧明显油污、污染、未涂封口胶、涂层起层或脱落、钩边严重皱折、无拉环(片)
封口胶粘连、局部漏涂大于2mm明显的钩边变形内外涂层划痕、擦伤但金属不裸露、钩边轻度皱折和变形、封胶搭接不均匀
用正常视力相距60cm检查。
用专用或通用量具仪)测量,量具(仪)最小读数值不大于0.01mm。6.3罐体内涂膜完整性试验
使用最小读数值不大子04mA的内涂膜完整性测试仪,在罐内加人电解液,液面距罐口3mm,读取第4秒的电流值。
铝罐用电解液是1%氯化钠水溶液,钢罐用电解液是2%硫酸钠水溶液6.4罐体耐压强度试验
使用最小读数值不大于1kPa的罐底耐压强度测试仪,读取罐底部变形的最大读数值。6.5罐体轴向承压力试验
使用最小读数值不大于10N的罐体轴向承压力测试仪,读取罐体变形的最大读数值。6.6易开盖启破力、全开力试验
6.6.1使用最小读数值不大于1N的启破力/全开力测试仪,仪器的全行程时间为155。6.6.2拉环式启破力、全开力试验把易开盖放在测量支架上,支架固定在后倾30(即与水平成60°)位置,先后读取盖开启瞬间及拉环舌片完全撕离盖体时的读数值。6.6.3留片式启破力、全开力试验把易开盖放入水平放置的支架,支架与拉力链成60°,先后读取盖开启瞬间及舌片按预刻线完全打开时的读数值
6.7易开盖耐压强度试验
GB/T9106—2001
使用最小读数值不大于1kPa的易开盖耐压强度测试仪,读取盖变形时的读数值。6.8易开盖内涂膜完整性试验
使用最小读数值不大于0.1mA的内涂膜完整性测试仪,对盖内涂膜测试,读取第4秒的电流值。电解液用1%氯化钠水溶液
6.9内外涂膜巴氏杀菌试验
使用恒温水浴箱,将试样放人温度为(68士2)C的蒸馏水中,恒温30min后取出,检查内外涂膜有无变色、起泡、脱落等现象。
6.10易开盖密封性试验
在进行6.7试验时将测试压力保持在610kPa,观察试样有无漏气现象。6.11封口胶干膜质量
使用感量为0.1mg的精密天平,把易开盖拉环除去,称重为M,再用溶剂除去封口胶,烘干后称重为Mz,封口胶干膜质量为M与M之差。6.12开启可靠性试验
用手或简单工具开启易拉盖,观察拉环(片)是否脱落及完全开启。7检验规则
7.1产品质量按本标准规定的指标及方法进行检验,依据GB/T2828中48.3条的正常检查二次抽样方案进行抽样检骗
7.2生产厂质量
门应按本标准的规定对产品进行检验并出具合格证。7.3铝易开盖两片罐检验分出厂检验和型式检验。7.3.1出厂检验
本标准4.45.2.3、5.3.3条为出厂检验项目7.3.2型式检验
7.3.2.1本标准中44条和第5章(5.13条除外)为型式检验项目。铝易开盖两片罐有下列情况之一时,应进行型式检验:a)新产品或老产品转厂生产的试制定型鉴定,b)当结构、材料艺改变,可能影响产品性能时;c)正常生产,每半年进行一次检验;d)长期停产后.恢复尘产时;
e)出厂检验结果与上次型式检验有较大差异时:f)质量监督机构提出进行型式检验的要求时。7.3.2.2型式检验按表7和表8所列的规定抽样检验。表7型式检验项目AOL值
检验项目
耐压强度
轴向承压力
内涂膜完整性
涂层质量
检查水平(IL)
不合格分类
A类不合格
B类不合格
C类不合格
C类不合格
B类不合格
B类不合格
A类不合格
B类不合格
合格质量水平(AQL)
GB/T 9106—2001
激开盏
检查水乎(IL)
检验项目
耐压强度
密封性
内涂缆完整性
肩被力
全开力
开启可靠性
封口胶干膜质盘
滁层质盘
裹7(续)
检遗水平(IL)
表8正常检查二次抽样方案
批量范围
235 001
35 001--500 000
>500001
85 001~500 000
2500 001
合格质盘水平(AQL)
不合格分类
A类不合格
B类不合格
C类不合格
C类不食格
B类不合格
B类不合格
A类不合格
B类不合格
B类不格
B类不合
C类不合格
B类不合格
样本大小
n= n2 - 8
n,= n2— 20
= nz= 50
合格质量水平(AQL)
判定数组
[A,AR..R]
[0,1,2,2]
[1,4,3,5]
[2.6.5,7]
[0.1,2.2-
[2,6,5.7]
[3.9,6,10]
Lo.3.3,4]
E3,9,6,10]
[5,12,9,13
7.4用户有权按表7、表8所列的规定或订货合同进行检验,检验结果如果不合格数超过规定数时可以拒收,但允许有缺陷的产品别除后再次提交验收,其严格程度不变:但仍不合格时判定该批产品不合格。
7.5产品到达用户后,用户应马上组织人力,按7.3.1要求对该批产品进行抛样检验,确定是否接受,30天内用户不提出异议视为接受。8标志
8.1髓体及易并盖应有制造厂家的标志。8.2产品的托盘包装或包装箱应附有检验合格证,合格证上应注明制造厂名,产品名称,规格、制造日期,批号、数量和检验标记。
9包装
9.1包装材料应清洁、干爆,不允许有异味和污物等。9.2罐体包装
GB/T 9106—2001
9.2.1罐体应采用托盘包装。托盘尺寸根据用户与运输的要求确定。每层罐数及层数由供需双方商定,层与层之间用中性纸板隔并,敢上顶板后用打包带捆扎,然后用塑料薄膜包封。9.2.2预板和托盘为木质或其他合适的材料制造。9.3易开盖包装
9.3.1易开盖采用中性包装纸袋或等效材料包装,不允许用书钉、铁钉封袋。9.3.2易开盖装袋后用包装箱或托盘包装,也可用其他可靠的方式包装,10运输
10.1运输工具应清洁、干燥,不允许有异味、污染等,采用集装箱方式装运或其他方式运输时,应避免雨淋、曝晒、受潮、污染及损伤。10.2运输的其他要求按有关规定执行。11贮存
产品应贮存在干燥、通风、消活的仓库内,不得有污架,损伤和阳光直照,产品在用户的贮存期不应超过9个月。
GB/T 9106-2001
中华人民共和国
国家标
包装容器铝雾开盖两片蜡
GB/T 9106--2001
中国标准出版社出版
北京复兴门外一里河北街16号
邮政编码:100045
电话:6852394668517548
中国标出版社亲皇岛印刷厂印刷新华书店北京发行所发行各地新华书店经售市
并本880×12301/16印张3/4字16平字2002年7月第一版2002年7月第一次印刷印数 1 2 000
书号:155066·1-18499定价10.00元网址 bzchs. com
科日608—682
版权专有侵权必究
举报电话:(010)68533533
小提示:此标准内容仅展示完整标准里的部分截取内容,若需要完整标准请到上方自行免费下载完整标准文档。
中华人民共和国国家标准
GB/T 9106--2001
包装容器
铝易开盖两片罐
Packaging containers-Aluminum easy openendand two-piececan
2001-12-04发布
中华人民共和国
国家质量监督检验检疫总局
2002-0401实施
GB/T 9106—2001
本标准是对GB 9106&包装容器
器铅易开盖两片罐》的第2次修订,修订时保留了GB91Q6·1994中适用的内窖,同时报据实际情记作了如下修收:标推中蚊消了209.型规格。
206型在保留原有355mL规格基础上,新增了表1中250mL、275mL、330ml和600ml四种规格。:
懿体部分增加了钢罐,
由于增加了钢罐,相应增加了表3中的钢髓各项物理性能指标表3中的轴向承压力由原来的至1.25kV改为=1.00kN。-—表5中的封口胶干膜质量从原来的35mg~60mg改为25mg~50mg。表7中新增了涂层质量检验项目,并将易开盖密封性的AQL值由原来的0,65改为2.5。新增了表8正带检查二次抽样方案。7.5条“90关内用户不提出异议视为接受”改为\30天内用户不提出异议视为接受”第11章贮存期由原来的6个月改为9个月。本标准由中国包装总公司提出。本标准由全国包装标准化技术委员会金属容器分技术委员会归口。本标准负责起草单位:国家包装产品质量监督检验中心(广州)三水健力宝富特容器有限公司。本标准参加起草单位:深圳美特容器有限公司、华东联合制罐有限公司、珠海富特波尔容器有限公司、北京欧陆太平洋制有限公司。本标准主要起草人,朱丽萍、周锦昌,罗蓓、唐剑刚、李元阳、赵华、刘泉生。本标准所代替标推的历次版本发布情况为:GB 9106--1988.CB 9106---1994。1范围
包装容器
铝易开盖两片罐
GB/T9106-2001
本标准规定了铝易开盖两片罐的主要技术要求、试验方法、检验规则及标志、包装、运输、贮存。本标准适用于盛装啤酒、充碳酸气及充氮软饮料的未经使用的铝易开盖两片罐的制造、使用、流通和监督检验。
规范性引用文件
下列文件中的条款通过本标准的引用而成为本标准的条款。凡是注日期的引用文件,其随后所有的修改单(不包括勘误的内容)或修订版均不适用于本部分,然而,鼓励根据本部分达成协议的各方研究是否可使用这些文件的最新版本。凡是不注日期的引用文件,其最新版本适用于本部分逐批检查计数抽样程序及抽样表(适用于连续批的检查)GB/T2828
水基改性环氧易拉罐内壁涂料卫生标准GB11677
GB/T13040
术语、符号
包装术语金属容器
1术语应符合GB/T13040的规定。3.1
3.2符号
缩颈翻边罐体!
罐体外径
缩颈内径
罐体高度
翻边宽度
铝易开盖
钩边外径
理头度
钩边高度
钩边开度
每50.80mm盖钩边的重叠个数
4铝易开盖两片罐分类
4.1铝易开盖两片罐按规格分为206/211×310(250mL)、206/211×314(275mL)、206/211×408(330mL)、206/211×413(355mL)、206/211×610(500mL)。4.2罐体按材料分为钢罐和铝罐。4.3铝易开盖分为拉环式和留片式易开盖,见图1。GB/T 9106—2001
4.4结构尺寸
的)拉环式
图 1离开盖示图
b)留片式
4.4.1缩颈翻边碰体的主要尺寸和极限偏差应符合图2和表1的规定。D
国 2 赚体主要尽寸示图
表 1 罐体主要尺寸
体高度
罐休外径
缩颈内径
翻边究度
1)工具保证尺寸。
公称尺寸
易开盖的主要尺寸和极限偏差应符合图3和表2的规定。355mL
单位为毫米
极限偏差
钩边外径
药边开度
埋头度
胸边高度
每50.80蓝钩边的叠个数
5技术要求
5.1基本要求
图 3 显开主要尺寸示图
囊 2易开益主要尺寸
公称尺可
5.1.1产品应符合本标推的要求,并按规定程序批推的图和技术文件制造。5.1.2产品出厂时必额符合GB11677的卫生要求,GB/T 9106—2001
单位为毫米
极限偏差
±0,25
5.1.3产品灌装内容物的不同,对内涂膜和密封胶的理化性能要求各异,生产企业应间方提供样品做避装试验,并取得确认,
5.2缩颈翻边罐体
5.2.1罐体的物理性能应符合表3的规定。表 3 随体物理性能
轴向系压力/kN
耐压强度/kPa
内涂膜完整性/mA
5.2.2涂层质量要求
啤酒罐体
软饮料灌怀
单个≤25,平均≤3
单个≤25,平均3
性能指标
单个≤75,平均≤50
单个≤30,平均≤B
罐体内外涂层必须附着良好·在巴氏杀菌后不得有脱落、变色和起泡等缺陷。5.2.3外观质量要求
5. 2. 3. 1
5. 2. 3. 2
产品的图案及额色应由供需双方协商确定。外观质量要求见表4,
表 4罐体外观质量要求
不合格分类
A类不合格
B类不合格
“类不合格
缺陷内容
内涂层含杂质,罐内明显的油污或其他茶物、针孔,罐身折曲凹痕导致内涂层损伤、翻边缺摄或撞凹、翻边不完全、翻边开裂、翻边有毛刺涤料在髓内壁成滴状和斑点、底部内涂膜有大于艺mm气范、底部变形随身折曲戒凹痕长度大于 11 mm且未导致内涂膜损伤、缩颈循皱内滁膜斑迹、印包轻谢错位,印色以及阐光两部术宪整、小划痕、印色与色版有轻傲差别、缩颈部微折、底部金属轻微枫伤AQL
GB/T91062001
5.3易开盖
5.3.1易开盖物理性能应符合表5的规定。表5
项目名称
耐压强度/kPa
密封性
内涂膜完整性/mA
启破力/N
全开力/N
开启可靠性
封口胶于膜质量/mg
5.3.2涂层质量要求
易开盖物理性能
啤酒盖
软饮料盖
性能指标
≥610
不允许泄漏
单个≤75,平均≤50
单个≤30,平均≤8
≤31.平均≤20
45,平均≤36
开启时拉环(片)不脱落及完全开启2550
内外涂层附着良好,在巴氏灭菌后不得有脱落、变色和起泡等缺陷。5.3.3外观质量要求
外观质量要求见表6
表6易开盖外观质量要求Www.bzxZ.net
易开盖
不合格分类
A类不合格
B类不合格
C类不合
6试验方法
6.1外观检查
用目测,在自然光
6.2尺寸检查
缺陷内容
破损、盖内侧明显油污、污染、未涂封口胶、涂层起层或脱落、钩边严重皱折、无拉环(片)
封口胶粘连、局部漏涂大于2mm明显的钩边变形内外涂层划痕、擦伤但金属不裸露、钩边轻度皱折和变形、封胶搭接不均匀
用正常视力相距60cm检查。
用专用或通用量具仪)测量,量具(仪)最小读数值不大于0.01mm。6.3罐体内涂膜完整性试验
使用最小读数值不大子04mA的内涂膜完整性测试仪,在罐内加人电解液,液面距罐口3mm,读取第4秒的电流值。
铝罐用电解液是1%氯化钠水溶液,钢罐用电解液是2%硫酸钠水溶液6.4罐体耐压强度试验
使用最小读数值不大于1kPa的罐底耐压强度测试仪,读取罐底部变形的最大读数值。6.5罐体轴向承压力试验
使用最小读数值不大于10N的罐体轴向承压力测试仪,读取罐体变形的最大读数值。6.6易开盖启破力、全开力试验
6.6.1使用最小读数值不大于1N的启破力/全开力测试仪,仪器的全行程时间为155。6.6.2拉环式启破力、全开力试验把易开盖放在测量支架上,支架固定在后倾30(即与水平成60°)位置,先后读取盖开启瞬间及拉环舌片完全撕离盖体时的读数值。6.6.3留片式启破力、全开力试验把易开盖放入水平放置的支架,支架与拉力链成60°,先后读取盖开启瞬间及舌片按预刻线完全打开时的读数值
6.7易开盖耐压强度试验
GB/T9106—2001
使用最小读数值不大于1kPa的易开盖耐压强度测试仪,读取盖变形时的读数值。6.8易开盖内涂膜完整性试验
使用最小读数值不大于0.1mA的内涂膜完整性测试仪,对盖内涂膜测试,读取第4秒的电流值。电解液用1%氯化钠水溶液
6.9内外涂膜巴氏杀菌试验
使用恒温水浴箱,将试样放人温度为(68士2)C的蒸馏水中,恒温30min后取出,检查内外涂膜有无变色、起泡、脱落等现象。
6.10易开盖密封性试验
在进行6.7试验时将测试压力保持在610kPa,观察试样有无漏气现象。6.11封口胶干膜质量
使用感量为0.1mg的精密天平,把易开盖拉环除去,称重为M,再用溶剂除去封口胶,烘干后称重为Mz,封口胶干膜质量为M与M之差。6.12开启可靠性试验
用手或简单工具开启易拉盖,观察拉环(片)是否脱落及完全开启。7检验规则
7.1产品质量按本标准规定的指标及方法进行检验,依据GB/T2828中48.3条的正常检查二次抽样方案进行抽样检骗
7.2生产厂质量
门应按本标准的规定对产品进行检验并出具合格证。7.3铝易开盖两片罐检验分出厂检验和型式检验。7.3.1出厂检验
本标准4.45.2.3、5.3.3条为出厂检验项目7.3.2型式检验
7.3.2.1本标准中44条和第5章(5.13条除外)为型式检验项目。铝易开盖两片罐有下列情况之一时,应进行型式检验:a)新产品或老产品转厂生产的试制定型鉴定,b)当结构、材料艺改变,可能影响产品性能时;c)正常生产,每半年进行一次检验;d)长期停产后.恢复尘产时;
e)出厂检验结果与上次型式检验有较大差异时:f)质量监督机构提出进行型式检验的要求时。7.3.2.2型式检验按表7和表8所列的规定抽样检验。表7型式检验项目AOL值
检验项目
耐压强度
轴向承压力
内涂膜完整性
涂层质量
检查水平(IL)
不合格分类
A类不合格
B类不合格
C类不合格
C类不合格
B类不合格
B类不合格
A类不合格
B类不合格
合格质量水平(AQL)
GB/T 9106—2001
激开盏
检查水乎(IL)
检验项目
耐压强度
密封性
内涂缆完整性
肩被力
全开力
开启可靠性
封口胶干膜质盘
滁层质盘
裹7(续)
检遗水平(IL)
表8正常检查二次抽样方案
批量范围
235 001
35 001--500 000
>500001
85 001~500 000
2500 001
合格质盘水平(AQL)
不合格分类
A类不合格
B类不合格
C类不合格
C类不食格
B类不合格
B类不合格
A类不合格
B类不合格
B类不格
B类不合
C类不合格
B类不合格
样本大小
n= n2 - 8
n,= n2— 20
= nz= 50
合格质量水平(AQL)
判定数组
[A,AR..R]
[0,1,2,2]
[1,4,3,5]
[2.6.5,7]
[0.1,2.2-
[2,6,5.7]
[3.9,6,10]
Lo.3.3,4]
E3,9,6,10]
[5,12,9,13
7.4用户有权按表7、表8所列的规定或订货合同进行检验,检验结果如果不合格数超过规定数时可以拒收,但允许有缺陷的产品别除后再次提交验收,其严格程度不变:但仍不合格时判定该批产品不合格。
7.5产品到达用户后,用户应马上组织人力,按7.3.1要求对该批产品进行抛样检验,确定是否接受,30天内用户不提出异议视为接受。8标志
8.1髓体及易并盖应有制造厂家的标志。8.2产品的托盘包装或包装箱应附有检验合格证,合格证上应注明制造厂名,产品名称,规格、制造日期,批号、数量和检验标记。
9包装
9.1包装材料应清洁、干爆,不允许有异味和污物等。9.2罐体包装
GB/T 9106—2001
9.2.1罐体应采用托盘包装。托盘尺寸根据用户与运输的要求确定。每层罐数及层数由供需双方商定,层与层之间用中性纸板隔并,敢上顶板后用打包带捆扎,然后用塑料薄膜包封。9.2.2预板和托盘为木质或其他合适的材料制造。9.3易开盖包装
9.3.1易开盖采用中性包装纸袋或等效材料包装,不允许用书钉、铁钉封袋。9.3.2易开盖装袋后用包装箱或托盘包装,也可用其他可靠的方式包装,10运输
10.1运输工具应清洁、干燥,不允许有异味、污染等,采用集装箱方式装运或其他方式运输时,应避免雨淋、曝晒、受潮、污染及损伤。10.2运输的其他要求按有关规定执行。11贮存
产品应贮存在干燥、通风、消活的仓库内,不得有污架,损伤和阳光直照,产品在用户的贮存期不应超过9个月。
GB/T 9106-2001
中华人民共和国
国家标
包装容器铝雾开盖两片蜡
GB/T 9106--2001
中国标准出版社出版
北京复兴门外一里河北街16号
邮政编码:100045
电话:6852394668517548
中国标出版社亲皇岛印刷厂印刷新华书店北京发行所发行各地新华书店经售市
并本880×12301/16印张3/4字16平字2002年7月第一版2002年7月第一次印刷印数 1 2 000
书号:155066·1-18499定价10.00元网址 bzchs. com
科日608—682
版权专有侵权必究
举报电话:(010)68533533
小提示:此标准内容仅展示完整标准里的部分截取内容,若需要完整标准请到上方自行免费下载完整标准文档。
标准图片预览:





- 其它标准
- 上一篇: GB 9105-1988 光致变色玻璃眼镜片毛坯
- 下一篇: GB/T 9107-1999 精制棉
- 热门标准
- 国家标准(GB)
- GB/T2828.1-2012 计数抽样检验程序 第1部分:按接收质量限(AQL)检索的逐批检验抽样计划
- GB/T3836.1-2021 爆炸性环境 第1部分:设备 通用要求
- GB/T18204.4-2000 公共场所毛巾、床上卧具微生物检验方法细菌总数测定
- GB/T23892.3-2009 滑动轴承 稳态条件下流体动压可倾瓦块止推轴承 第3部分:可倾瓦块止推轴承计算的许用值
- GB/T11839-1989 二氧化铀芯块中硼的测定 姜黄素萃取光度法
- GB/T6122.1-2002 圆角铣刀 第1部分:型式和尺寸
- GB/T7433-1987 对称电缆载波通信系统抗无线电广播和通信干扰的指标
- GB/T21238-2007 玻璃纤维增强塑料夹砂管
- GB/T9124.1-2019 钢制管法兰 第1部分:PN 系列
- GB50303-2015 建筑电气工程施工质量验收规范
- GB17945-2024 消防应急照明和疏散指示系统
- GB/T24974—2010 收费用手动栏杆
- GB/T9239-1988 刚性转子平衡品质 许用不平衡的确定
- GB/T15917.3-1995 金属镝及氧化镝化学分析方法 对氯苯基荧光酮--溴化十六烷基三甲基胺分光光度法测定钽量
- GB/T13985-1992 照相机操作力和强度
- 行业新闻
请牢记:“bzxz.net”即是“标准下载”四个汉字汉语拼音首字母与国际顶级域名“.net”的组合。 ©2025 标准下载网 www.bzxz.net 本站邮件:bzxznet@163.com
网站备案号:湘ICP备2025141790号-2
网站备案号:湘ICP备2025141790号-2