- 您的位置:
- 标准下载网 >>
- 标准分类 >>
- 国家标准(GB) >>
- GB/T 20705-2006 可可液块及可可饼块
标准号:
GB/T 20705-2006
标准名称:
可可液块及可可饼块
标准类别:
国家标准(GB)
标准状态:
现行-
发布日期:
2007-03-26 -
实施日期:
2007-06-01 出版语种:
简体中文下载格式:
.rar.pdf下载大小:
151.19 KB
标准ICS号:
食品技术>>茶、咖啡、可可>>67.140.30可可中标分类号:
食品>>食品加工与制品>>X24果类加工与制品

点击下载
标准简介:
标准下载解压密码:www.bzxz.net
本标准规定了可可液块及可可饼块的产品分类、技术要求、试验方法、检验规则和标签要求等内容。 本标准适用于可可液块及可可饼块的生产、销售和监督。 GB/T 20705-2006 可可液块及可可饼块 GB/T20705-2006

部分标准内容:
ICS 67. 140. 30
中华人民共和国国家标准
GB/T20705—2006
可可液块及可可饼块
Cocoa mass and cocoa cake
2006-12-07发布
、数码防伪
中华人民共和国国家质量监督检验检疫总局中国国家标准化管理委员会
2007-06-01实施
GB/T 20705—2006
本标准是在SB/T10211-199可可液快》实施多年的基础「,参考了国际食品法典委员会制定的CodexStn[41--19H3.Rcv.【—2cc1可可液快(叫可/巧克力浆)和可可饼块标准(SiandardforCuco(Cacao)Nil.Cnuoa(CacanjMars,Cocoa Presx Cake and Cocoa DusttCvroa Fines).for Use in the ManutalcureofCocoaandChocolateProducl:)的有关内容,开结合我阅可可液快及可可饼块牛-现状制定的
木标准的附录为规范附录。下载标准就来标准下载网
称雅山小国商业联令会提出
本标雅由中国商业联合会归!
本标准起草单位:中国业联合会商业标雅中心、中国焙烤食品糖制品工业协会可专业委员会,中国食品发酵工业研究院、中国茶叶股份有限公司、海人明可可制品有限公司、1海司可食品有限公司工海原可可食品有限公司、上游天坛国际贸易有限公司、上海食品有限公司上海圳纳可川食品有限公司、九谌华东叫叫食品有跟公川、上海金丝获集图无锡川可制品有限公司、绍兴启利兴光川可制品有限公司、爱芬食品(北京)有限公司本标准王要起草人:陈岩.赵熊萍、季明、冯宋华、张惠忠、樊永清余诗庆,陶峻骏、钱晨昀、徐长庚、施馆平、徐春利,钱存荧、董-
1范围
可可液块及可可饼块
GB/T 20705—2006
本标谁规定了可可液块及可可训块的产品分类,技术要求、试验方法、检验规则和标签要求。标准适用于川可液坎及可可饼映的生产、销售利监督。2规范性引用文件
下列交件中的条款通过本标准的引用血成为术标准的条款:凡足注日期的引用义件,共随后所有的修改单(不包括助误的内穿)或修订版均不适用于本标准,然而,鼓励根据本标准达成协议的各研究是否可使用这些文件的般新版本凡足不注几期的引用义件,其最新版本适用丁本标雅GH/T4789.2食品卫生微生物学检验的落总数测定GB/T:789.3食品卫生微牛物学检验人肠菌群测定GB/T4789.4食品卫生微生物学检验沙门氏菌捡验
G3/T4789.5食品卫生微牛物学检验志贺氏菌检验GB/T478.10食品卫生微生物学检验金黄色葡蔷球菊检验
(3/T4789.15食品卫牛微生物学检验菌和酵呼计数
GB/T 5000.31
食品中水分的测定
GB/T5009.1食品中灰分的测定
G3/T $009. :!
度品中总砷及无机砷的测定
GH/T 5512
2护食油料检验粗胎防测定法
3术语和定义
下列术语和定义适用于本标推。3. 1
可可仁cocoa nib
以可可豆为谅料,丝消理、蔬选、焙炒、脱壳而制成的产品。3.2
可可液块
oamass
以可可作为原料、经诚化(或不碱化)、研磨等1艺制成的心品3.3
可可饼块
cocoa cako
以可可仁或可可液快为原料,经机榨脱脂等工艺制成的产品。4产品分类
4.1川而饼块按碱化工艺分为天然可可饼块和碱化可可饼块。4.2可可饼块按可可脂含量分为高脂可叫次中脂可可饼块和低脂可可块:5技术要求
5.1原料要求
可可仁;可可仁中的可可亢和胚芽舍量·按非脂干物质计剪不应高于5%,或按喊化「物质计筑GR/T 20705—2006
不应高于4.5%(指可可尧),
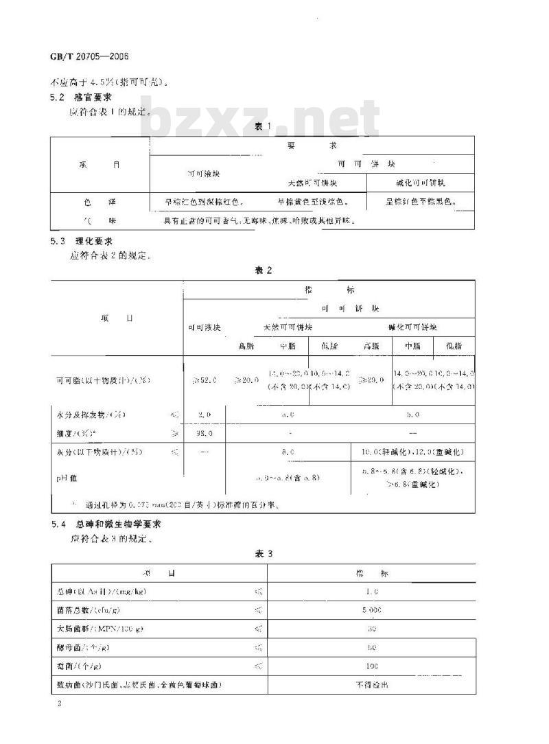
5.2感官要求
虑欲含表!的规定。
5.3理化要求
应符合表2的规定
可可脂(以+将质叶《)
水分及择发物/(%)
细度八
或分(以下质计))
可可没块
早珠红色到深棕红色。
可可饼块
大然可可饼块
早棕黄色至浅宗色。
具有止常的可可香气:无鄉味,焦味、哈败或其他片味,表2
可可腋块
犬然可可饼块
I:.0--38. 0 10, 6.-14.
(不等 2,0张不含 14. 6)
.--0.8(含 o.8)
通过孔径为0. 373 u2℃2 目/英1)标浒筛的百分率,总和微生物学要求
应符合表3的规定.
总神以Ail/mg/k)
菌落总数e[u/g)
大肠菌群/:MPN/100K
酵母菌/:个/)
群南/(个/8)
致病菌沙门氏苗.志帜氏菌、金黄色葡葡球菌)2
喊化可可饼歧
呈棕红色至棕黑色。
碱化可可饼块
14. 0.~-20, c 1c, 0. --14.
本含 20. 不含 14. 们!
10: 0轻化),12.(重碱化)
5.8~-6.8(含6.8)(轻磁化)
6.8(重碱化)
不得检出
6试验方法
6. 1可可仁中可可壳和胚芽含量6.1. 1 仪器
分析大平:感量0.irit::g:
大平,然单0.1g:
钳广钳:尖头:
分样:在机坡璃制;
分样板:玻离制;
金属罐:带有昔子的;
分详筛:12日。
6. 1. 2 分析步骤
GR/T 20705--2006
随机抽取2℃乌只有代表外的样品:保行于金属中。用凸分法分样,称取109店试(精确到().「g),放人分样筛中过筛,你量筛下物的质虽。绪后将网上的物质倒在分样板上,用镊子卸指可叫克和胚穿全部换出,用分析犬平称共质量。6.1.3结果计算
武中:
可而完利顺来含量,炎;
试样的质量,单位为克(g):
筛下物的质量,单位为克(店);m× 0. 25 +m×10c
可可光和雅葬的质鼠,单位为克(g):t. 2
6.2感官
筛下物中残留可可壳的常数
6.2.1仪器
大平感u
烧杯:209 ml.:
被璃惨
6. 2. 2 分析步骤
称戒50g试样,加热年50用玻璃棒边搅境半边弹其气味,用肉吸观察熔化试样的色泽6.3可可脂
6. 3. 1索氏抽提法(仲裁法)
接(G1B/T5512规定的方法测定。6.3.2折光指数法(快速法)
按附录A规定的方法测定。
6.4水分及挥发物
按/T.3规定的方法测定。
6.5细度
6.5. 1试剂
油酵:分析纳沸程
6.5.2仪器
电热仙湿焕箱:
b)烧杯:500 m!;
GB/T 20705--2006
圆筒谛:铜成不锈钢制内径$,cm,筛孔0.075tmm(2(1)回/英寸):d)分析天半:感量二0.0001:
t)—燥器:
f)玻璃怖。
6.5.3分析步骤
称取10试样(精确卒,000 1g),置于已称量的圆简筛中,加热成液体状,在通风拍内将圆简端依次放人:只盛有2:ml.石油醛的烧杯巾,并使石油碰醚光仑浸没样品,然后用玻璃棒轻轻搅拌,直至洗净为止,收出圆简筛放人通风矩内·待游剂挥发后,移人103工2℃的电热恒温十燥箱内,1h后取出,改人下煤露内冷印牟室温,称量筛网上残留物质量,按实际水分和脂肪折算细度白分率,6. 5. 4 结果计算
X = mm/(1
细度,浓:
试样的质量,单位为克(g):
筛网上娥留物的质量,单位为克(g);试样的脂肪含员,%;
试样的水分含量,%。
6. 5. 5允许差
同-试样两饮测定侦之关,不得超过平均侦的0.5兴6.6灰分
按(G15009.1规定的方法测定。6.7pHI值
6.7.1试剂
邻甲酸氨钾;
磷酸氨御:
无水磷胶氢二钠:
研酸(分析纯)。
6.7.2仪器
pH计:量程范围pH1~14,最小分度估0.01:天半;感毕10.1;
刻度烧杯:50ml1.0m1.
定性滤纸:5 cm:
e)玻璃漏斗:内径9 cm。
6.7.3标准缓冲溶液制备
a)pII=.1标雅缓冲溶澈(20r):x100
准确称取经115%+5:烘F21-~3h的优级邻米-甲酸氢钾1012g.落十不含二氧化磷的蒸馏水中,稀释至1000 mL摇勾:
b)H6.88标准缓冲溶液(20℃):推确称取经115℃:=5C烘「21i~3h的磷酸二氮3,31g和元水磷酸氢二钠3.53g,溶」蒸馏水中稀释至1000rml.播:
r)l1-9.22标缓冲溶液(20):
准确称圾3.80g纯硼酸落于不含二氧化嵌的热馅水中,稀郏车1000m1.摇勾4
6.7.4分析步骤
GB/T 20705-2006
称取10试样,既于J50mI.烧杯中,州90m.煮沸蒸馏水,搅拌至悬浮液光结快,即倒人放有滤纸的漏斗内进行过滤.待滤液冷却至室温,即用pH计测定其H值,测定前先按pH说明书按测定需婴逝用PH标准缓冲液进行仪器校正6.7.5允许差
同一试样两欲βH测定值之差,不得超过0.1:6.8总砷
按G3/『 5009.11规定的方法定。6.9菌落总数
按GB/T4789.2规定闪方法检验。6.10大肠菌群
按(B/T 4785. 3 规定的方法检验6.11酵母和诱菌
按(GB/T4781.15规定的方送检验,6.12致病菌
按G13/T4789.4.CH/T4789.5和GB/T1789.1)规定的方法检验7检验规则
7.1产品出厂前应内质量检验部门进行出!检验,H厂检验的项日包拓感官、理化、勤落总数、大弱商群,哮母和菌:
7.2每半年过行一次型式检验,型式检验的项日包括本标准中就定的全部项口。发生下列情况之时小应进行型式检验:
一更改原料时
更政工艺时
长期停产后恢复生产时;
一出!检验结果与上次型式检验结果有较大差异时:一国家质最临肾机构提出进行型式检验的要求时,7.3以回配方,同一批次的产品作为个检验单位:7.4在成品库中随机抽取样品抽样数昆按式(3)汁算:A-N3
A一:应取样品包数:
3待检产品总包缴,
乱算4时取整数.小数部分向上修约样量应不少于50%。7.5检验结果全部项目符合本标准观定时,判该批户品为合格品.7.6检验(令复验)果寸1若有-项指标不符合本标准,则判该批产品为不合格品.-(3)
7.7检验样品成妥普保存以备复验,刘检验结有异议时,样品应送然定或效方间意的件裁机构复验仲裁。
8标签
产品标签工应标示产品名称、产品类型限于可可饼块)净含量、制造者或经销皆的名称和地生产H期(或包装H期))、保质期、产昂你准号·其他参见产品标识称注舰》。GB/T 20705—2006
A.1试剂
a)α-溴代紫:化学纯:
b)在英砂:化学纯:
)无水乙醇:分析纯。
A,2仪器
附录A
(规范性附录)
可可脂含量的测定折光指数法)分析天平感量士C.门们」,
阿贝折光仪:
超级机温器;
刻度吸管:5 ml.;
玻璃研体:7.5rm:
是性滤纸:长 3 cn,宽 4 c:
)脱脂棉,
A.3分析步骤
定性滤纸折叠成长2.5cm,宽1.2cm,高1.1cm的长方形槽,将脱脂棉球浸人尤水乙醇中,用橡皮管将超恒温仪和阿贝折光仪的出水口连按好,用纯水校正好阿贝折光仪,将水温调准至42℃。移取2g样品(精确率C.0001g),准确吸取3tuI。n-溴代置丁洁净干燥的研体中,小心研磨3minr~5min并加入3g右英砂研魔至浆谢状,用乙醛棉球清洗阿贝折光仪校镜面,将泥合波倒人折叠成长方槽形滤小,在校镜而上过滤2 min~3 min.取出滤纸,关闭棱镜、得镜面温度稳定在 10℃时定新光指数,栏品的含脂量由α-汉代蔡折光指数与-漠代禁样品混合液指数的接,根据表A,1和表.2查得,双试验允诈差不大于10.00心1折指数,取其平均值。a
含脂(%)
折光指数差和含脂量查对表(40℃)含腊
含脂(流)
CB/T20705—2006
含脂:路)
56, =4
GB/T20705—2006
含脂%
10, 12
10, 36
折光指数差和含脂量查对表(40亡)含胎公统
13: 11
1i, gr
今脂()
冷脂(%)
表A.2(续)
命脂在
含()
GB/T 20705—2006
含脂落:
GB/T20705
参考文献
_1原国家质质技术监督局技监局监发11997[172号产品标识标注规定》13
小提示:此标准内容仅展示完整标准里的部分截取内容,若需要完整标准请到上方自行免费下载完整标准文档。
中华人民共和国国家标准
GB/T20705—2006
可可液块及可可饼块
Cocoa mass and cocoa cake
2006-12-07发布
、数码防伪
中华人民共和国国家质量监督检验检疫总局中国国家标准化管理委员会
2007-06-01实施
GB/T 20705—2006
本标准是在SB/T10211-199可可液快》实施多年的基础「,参考了国际食品法典委员会制定的CodexStn[41--19H3.Rcv.【—2cc1可可液快(叫可/巧克力浆)和可可饼块标准(SiandardforCuco(Cacao)Nil.Cnuoa(CacanjMars,Cocoa Presx Cake and Cocoa DusttCvroa Fines).for Use in the ManutalcureofCocoaandChocolateProducl:)的有关内容,开结合我阅可可液快及可可饼块牛-现状制定的
木标准的附录为规范附录。下载标准就来标准下载网
称雅山小国商业联令会提出
本标雅由中国商业联合会归!
本标准起草单位:中国业联合会商业标雅中心、中国焙烤食品糖制品工业协会可专业委员会,中国食品发酵工业研究院、中国茶叶股份有限公司、海人明可可制品有限公司、1海司可食品有限公司工海原可可食品有限公司、上游天坛国际贸易有限公司、上海食品有限公司上海圳纳可川食品有限公司、九谌华东叫叫食品有跟公川、上海金丝获集图无锡川可制品有限公司、绍兴启利兴光川可制品有限公司、爱芬食品(北京)有限公司本标准王要起草人:陈岩.赵熊萍、季明、冯宋华、张惠忠、樊永清余诗庆,陶峻骏、钱晨昀、徐长庚、施馆平、徐春利,钱存荧、董-
1范围
可可液块及可可饼块
GB/T 20705—2006
本标谁规定了可可液块及可可训块的产品分类,技术要求、试验方法、检验规则和标签要求。标准适用于川可液坎及可可饼映的生产、销售利监督。2规范性引用文件
下列交件中的条款通过本标准的引用血成为术标准的条款:凡足注日期的引用义件,共随后所有的修改单(不包括助误的内穿)或修订版均不适用于本标准,然而,鼓励根据本标准达成协议的各研究是否可使用这些文件的般新版本凡足不注几期的引用义件,其最新版本适用丁本标雅GH/T4789.2食品卫生微生物学检验的落总数测定GB/T:789.3食品卫生微牛物学检验人肠菌群测定GB/T4789.4食品卫生微生物学检验沙门氏菌捡验
G3/T4789.5食品卫生微牛物学检验志贺氏菌检验GB/T478.10食品卫生微生物学检验金黄色葡蔷球菊检验
(3/T4789.15食品卫牛微生物学检验菌和酵呼计数
GB/T 5000.31
食品中水分的测定
GB/T5009.1食品中灰分的测定
G3/T $009. :!
度品中总砷及无机砷的测定
GH/T 5512
2护食油料检验粗胎防测定法
3术语和定义
下列术语和定义适用于本标推。3. 1
可可仁cocoa nib
以可可豆为谅料,丝消理、蔬选、焙炒、脱壳而制成的产品。3.2
可可液块
oamass
以可可作为原料、经诚化(或不碱化)、研磨等1艺制成的心品3.3
可可饼块
cocoa cako
以可可仁或可可液快为原料,经机榨脱脂等工艺制成的产品。4产品分类
4.1川而饼块按碱化工艺分为天然可可饼块和碱化可可饼块。4.2可可饼块按可可脂含量分为高脂可叫次中脂可可饼块和低脂可可块:5技术要求
5.1原料要求
可可仁;可可仁中的可可亢和胚芽舍量·按非脂干物质计剪不应高于5%,或按喊化「物质计筑GR/T 20705—2006
不应高于4.5%(指可可尧),
5.2感官要求
虑欲含表!的规定。
5.3理化要求
应符合表2的规定
可可脂(以+将质叶《)
水分及择发物/(%)
细度八
或分(以下质计))
可可没块
早珠红色到深棕红色。
可可饼块
大然可可饼块
早棕黄色至浅宗色。
具有止常的可可香气:无鄉味,焦味、哈败或其他片味,表2
可可腋块
犬然可可饼块
I:.0--38. 0 10, 6.-14.
(不等 2,0张不含 14. 6)
.--0.8(含 o.8)
通过孔径为0. 373 u2℃2 目/英1)标浒筛的百分率,总和微生物学要求
应符合表3的规定.
总神以Ail/mg/k)
菌落总数e[u/g)
大肠菌群/:MPN/100K
酵母菌/:个/)
群南/(个/8)
致病菌沙门氏苗.志帜氏菌、金黄色葡葡球菌)2
喊化可可饼歧
呈棕红色至棕黑色。
碱化可可饼块
14. 0.~-20, c 1c, 0. --14.
本含 20. 不含 14. 们!
10: 0轻化),12.(重碱化)
5.8~-6.8(含6.8)(轻磁化)
6.8(重碱化)
不得检出
6试验方法
6. 1可可仁中可可壳和胚芽含量6.1. 1 仪器
分析大平:感量0.irit::g:
大平,然单0.1g:
钳广钳:尖头:
分样:在机坡璃制;
分样板:玻离制;
金属罐:带有昔子的;
分详筛:12日。
6. 1. 2 分析步骤
GR/T 20705--2006
随机抽取2℃乌只有代表外的样品:保行于金属中。用凸分法分样,称取109店试(精确到().「g),放人分样筛中过筛,你量筛下物的质虽。绪后将网上的物质倒在分样板上,用镊子卸指可叫克和胚穿全部换出,用分析犬平称共质量。6.1.3结果计算
武中:
可而完利顺来含量,炎;
试样的质量,单位为克(g):
筛下物的质量,单位为克(店);m× 0. 25 +m×10c
可可光和雅葬的质鼠,单位为克(g):t. 2
6.2感官
筛下物中残留可可壳的常数
6.2.1仪器
大平感u
烧杯:209 ml.:
被璃惨
6. 2. 2 分析步骤
称戒50g试样,加热年50用玻璃棒边搅境半边弹其气味,用肉吸观察熔化试样的色泽6.3可可脂
6. 3. 1索氏抽提法(仲裁法)
接(G1B/T5512规定的方法测定。6.3.2折光指数法(快速法)
按附录A规定的方法测定。
6.4水分及挥发物
按/T.3规定的方法测定。
6.5细度
6.5. 1试剂
油酵:分析纳沸程
6.5.2仪器
电热仙湿焕箱:
b)烧杯:500 m!;
GB/T 20705--2006
圆筒谛:铜成不锈钢制内径$,cm,筛孔0.075tmm(2(1)回/英寸):d)分析天半:感量二0.0001:
t)—燥器:
f)玻璃怖。
6.5.3分析步骤
称取10试样(精确卒,000 1g),置于已称量的圆简筛中,加热成液体状,在通风拍内将圆简端依次放人:只盛有2:ml.石油醛的烧杯巾,并使石油碰醚光仑浸没样品,然后用玻璃棒轻轻搅拌,直至洗净为止,收出圆简筛放人通风矩内·待游剂挥发后,移人103工2℃的电热恒温十燥箱内,1h后取出,改人下煤露内冷印牟室温,称量筛网上残留物质量,按实际水分和脂肪折算细度白分率,6. 5. 4 结果计算
X = mm/(1
细度,浓:
试样的质量,单位为克(g):
筛网上娥留物的质量,单位为克(g);试样的脂肪含员,%;
试样的水分含量,%。
6. 5. 5允许差
同-试样两饮测定侦之关,不得超过平均侦的0.5兴6.6灰分
按(G15009.1规定的方法测定。6.7pHI值
6.7.1试剂
邻甲酸氨钾;
磷酸氨御:
无水磷胶氢二钠:
研酸(分析纯)。
6.7.2仪器
pH计:量程范围pH1~14,最小分度估0.01:天半;感毕10.1;
刻度烧杯:50ml1.0m1.
定性滤纸:5 cm:
e)玻璃漏斗:内径9 cm。
6.7.3标准缓冲溶液制备
a)pII=.1标雅缓冲溶澈(20r):x100
准确称取经115%+5:烘F21-~3h的优级邻米-甲酸氢钾1012g.落十不含二氧化磷的蒸馏水中,稀释至1000 mL摇勾:
b)H6.88标准缓冲溶液(20℃):推确称取经115℃:=5C烘「21i~3h的磷酸二氮3,31g和元水磷酸氢二钠3.53g,溶」蒸馏水中稀释至1000rml.播:
r)l1-9.22标缓冲溶液(20):
准确称圾3.80g纯硼酸落于不含二氧化嵌的热馅水中,稀郏车1000m1.摇勾4
6.7.4分析步骤
GB/T 20705-2006
称取10试样,既于J50mI.烧杯中,州90m.煮沸蒸馏水,搅拌至悬浮液光结快,即倒人放有滤纸的漏斗内进行过滤.待滤液冷却至室温,即用pH计测定其H值,测定前先按pH说明书按测定需婴逝用PH标准缓冲液进行仪器校正6.7.5允许差
同一试样两欲βH测定值之差,不得超过0.1:6.8总砷
按G3/『 5009.11规定的方法定。6.9菌落总数
按GB/T4789.2规定闪方法检验。6.10大肠菌群
按(B/T 4785. 3 规定的方法检验6.11酵母和诱菌
按(GB/T4781.15规定的方送检验,6.12致病菌
按G13/T4789.4.CH/T4789.5和GB/T1789.1)规定的方法检验7检验规则
7.1产品出厂前应内质量检验部门进行出!检验,H厂检验的项日包拓感官、理化、勤落总数、大弱商群,哮母和菌:
7.2每半年过行一次型式检验,型式检验的项日包括本标准中就定的全部项口。发生下列情况之时小应进行型式检验:
一更改原料时
更政工艺时
长期停产后恢复生产时;
一出!检验结果与上次型式检验结果有较大差异时:一国家质最临肾机构提出进行型式检验的要求时,7.3以回配方,同一批次的产品作为个检验单位:7.4在成品库中随机抽取样品抽样数昆按式(3)汁算:A-N3
A一:应取样品包数:
3待检产品总包缴,
乱算4时取整数.小数部分向上修约样量应不少于50%。7.5检验结果全部项目符合本标准观定时,判该批户品为合格品.7.6检验(令复验)果寸1若有-项指标不符合本标准,则判该批产品为不合格品.-(3)
7.7检验样品成妥普保存以备复验,刘检验结有异议时,样品应送然定或效方间意的件裁机构复验仲裁。
8标签
产品标签工应标示产品名称、产品类型限于可可饼块)净含量、制造者或经销皆的名称和地生产H期(或包装H期))、保质期、产昂你准号·其他参见产品标识称注舰》。GB/T 20705—2006
A.1试剂
a)α-溴代紫:化学纯:
b)在英砂:化学纯:
)无水乙醇:分析纯。
A,2仪器
附录A
(规范性附录)
可可脂含量的测定折光指数法)分析天平感量士C.门们」,
阿贝折光仪:
超级机温器;
刻度吸管:5 ml.;
玻璃研体:7.5rm:
是性滤纸:长 3 cn,宽 4 c:
)脱脂棉,
A.3分析步骤
定性滤纸折叠成长2.5cm,宽1.2cm,高1.1cm的长方形槽,将脱脂棉球浸人尤水乙醇中,用橡皮管将超恒温仪和阿贝折光仪的出水口连按好,用纯水校正好阿贝折光仪,将水温调准至42℃。移取2g样品(精确率C.0001g),准确吸取3tuI。n-溴代置丁洁净干燥的研体中,小心研磨3minr~5min并加入3g右英砂研魔至浆谢状,用乙醛棉球清洗阿贝折光仪校镜面,将泥合波倒人折叠成长方槽形滤小,在校镜而上过滤2 min~3 min.取出滤纸,关闭棱镜、得镜面温度稳定在 10℃时定新光指数,栏品的含脂量由α-汉代蔡折光指数与-漠代禁样品混合液指数的接,根据表A,1和表.2查得,双试验允诈差不大于10.00心1折指数,取其平均值。a
含脂(%)
折光指数差和含脂量查对表(40℃)含腊
含脂(流)
CB/T20705—2006
含脂:路)
56, =4
GB/T20705—2006
含脂%
10, 12
10, 36
折光指数差和含脂量查对表(40亡)含胎公统
13: 11
1i, gr
今脂()
冷脂(%)
表A.2(续)
命脂在
含()
GB/T 20705—2006
含脂落:
GB/T20705
参考文献
_1原国家质质技术监督局技监局监发11997[172号产品标识标注规定》13
小提示:此标准内容仅展示完整标准里的部分截取内容,若需要完整标准请到上方自行免费下载完整标准文档。

标准图片预览:





- 其它标准
- 热门标准
- 国家标准(GB)
- GB/T39249-2020 橡胶和塑料软管及非增强软管织物增强型 低温压扁试验
- GB/T7095.1-2008漆 漆包铜扁绕组线 第1部分:一般规定
- GB50115-2009 工业电视系统工程设计规范
- GB/T285-1994 滚动轴承 双列圆柱滚子轴承 外形尺寸
- GB/T1599-2002 锑锭
- GB/T27404-2008 实验室质量控制规范 食品理化检测
- GB50724-2011 大宗气体纯化及输送系统工程技术规范
- GB/T6178-1986 1型六角开槽螺母A和B级
- GB4623-1994 环形预应力混凝土电杆
- GB5903-1995 工业闭式齿轮油
- GB/T5094.1-2002 工业系统、装置与设备以及工业产品结构原则与参照代号 第1部分:基本规则
- GB/T5094-1985 电气技术中的项目代号
- GB/T23344-2009 纺织品 4-氨基偶氮苯的测定
- GB/T1357-1987 渐开线圆柱齿轮模数
- GB/T7932-2003 气动系统通用技术条件
- 行业新闻
请牢记:“bzxz.net”即是“标准下载”四个汉字汉语拼音首字母与国际顶级域名“.net”的组合。 ©2009 标准下载网 www.bzxz.net 本站邮件:bzxznet@163.com
网站备案号:湘ICP备2023016450号-1
网站备案号:湘ICP备2023016450号-1