- 您的位置:
- 标准下载网 >>
- 标准分类 >>
- 冶金行业标准(YB) >>
- YB/T 4176-2008 金属材料 大规格线材扭转试验方法
标准号:
YB/T 4176-2008
标准名称:
金属材料 大规格线材扭转试验方法
标准类别:
冶金行业标准(YB)
标准状态:
现行-
发布日期:
2008-03-12 -
实施日期:
2008-09-01 出版语种:
简体中文下载格式:
.rar.pdf下载大小:
438.57 KB
部分标准内容:
ICS 77. 040. 10
中华人民共和国黑色治金行业标准YB/T41762008
金属材料
大规格线材扭转试验方法
Metailic materials-Large minimeter diameter wire--Torsion test2008-03-12发布
2008-09-01实施
中华人民共和国国家发展和改革委员会发布
本标推由中国钢铁工业协会提出。本标准由全国钢标准化技术委员会归口前
YB/T4176—2008
本标准负贡起草单位:武汉钢铁(集团)公司,潭钢铁公司、治金工业信息标准研究院本标崔主要起草人:李荣锋、严龙、周涛、陈士华、苏赞、董莉。范围免费标准bzxz.net
金属材料大规格线材扭转试验方法YB/T 41762008
本标准规定了金属线材扭转试验方法的原理、符号及说明、试验设备、试样、试验程序和试验报告本标准适用于测定直轻(或特征尺寸)大于10mm的金属线材在单向或双向扭转中承受塑性变形能力及显示线材的表面或内部缺陷。2原理
单向扭转,试样绕自身轴线向一个方向均匀旋转360°作为-次扭转至规定次数或试样断裂双向扭转,试样绕自身轴线向一个方向均匀旋转360°作为一次扭转至规定次数后,向相反方向旋转相同欲数或试样断裂,
3符号及说明
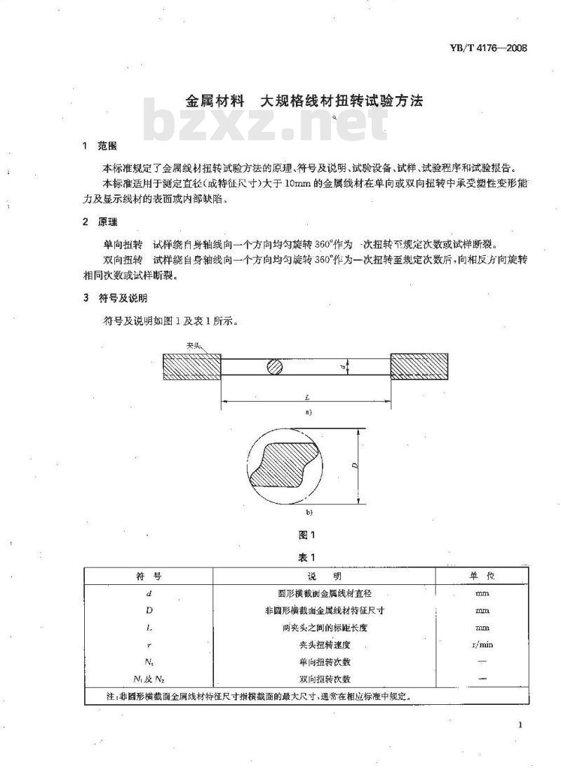
符号及说明如图1及表1所示。
N及N2
圆形横截面金屑线材直径
非圆形横截面金属线材特征尺寸两夹头之间的标距长度
头扭转速度
单问扭转次数
双向扭转次数
注:非圆形横截面金属线材特征尺寸指横截面的最大尺寸,通常在相应标准中规定。单位
YB/T 4176—2008
4试验设备
4.1试验机夹头应有适合的硬度,不同硬度材质的试样应使用合适硬度的夹块进行试验。一般推荐夹头的硬度高于试样硬度20HRC左右。4.2试验期间,两夹头应保持在同…-轴线上,并对试样不施加任何弯曲力,不应妨碍由试样引起的夹头之间的长度的变化,
4.3试验机夹头的一端应能绕试样轴线双向旋转,而另一端不应有任何转动,但能沿轴向自由移动。4.4试验机的速度应能调节,并有自动记录扭转次数的装置及测量两夹头间标距长度的刻度尺。5试样
5.1诚样成尽可能是平直的,试样头部夹持部位应平整,方便夹具的夹持5.2可将试样置于木材、塑料或钢质平面上,用出这些材料制成的工其矫育,或采用其他合适的方法进行矫直。
5.3矫直时,不允诈损伤试样表面,不应扭曲试样,也不允许对试样进行任何热加工处理。5.4存在局部硬弯的线材不允许用于试验。5.5除非另有规定,试样间两夹头间的标距长度L应为22d或22D。6试验程序
6.1试验般应在10℃~35℃下进行,如有特殊要求,试验温度应为23℃土5℃。6.2将试样置于试验机夹持钳口中,使其轴线与夹头轴线相重合。6.3除非另有规定,可按2r/min~6t/min的扭转速度进行试验。6.4试样置于试验机后,以-合适的恒定速度旋转可转动夹头,计数装置同时自动记数,直至试样断裂或达到规定的次数为止。
7试验结果
7.1当试样的扭转次数、表面及断口符合有关标准规定时,则该试验有效。如果试样未达到规定的次数,且断口位置在离夹头2d(D)范围内,则该试验无效。在试验过程中,如试样发牛严重劈裂,则最后一欲扭转次数不计。
7.2试样的扭转断裂类型、外观形貌及断口特征典型分类如表2所示。表2
断裂类型
正常扭转断裂
局部裂纹断裂
(表面有局部裂纹)
类型编号
外观形貌
断口特征描述
断裂面平滑且垂直于线材轴线
(或稍微倾斜),断裂面上无裂纹
脆性断裂面与线材轴线约成
45°;断袋面上无裂致
断裂面乎滑且垂直丁线材轴线
(或稍微倾斜),并有局部裂纹阶梯式,部分断裂面平滑;并有局部裂纹
断裂面
断裂类型
局部裂纹断裂
(表面有局部裂纹)
螺旋裂纹断裂
(试样全长或大部分
长度上有螺旋型裂纹)
8试验报告
类塑编号
外观形貌
试验报告至少成包括以下内容:a)本标准编号;
b)试样标识(如材质、牌号)
c)试样公称直径d或特征尺寸D;如有必要,试样制备情况(矫直方法);d)
试验结果(扭转次数、断裂类型)表2(续)
断口特征描述
不规则断裂面,断裂面上无裂
断裂面平滑且垂直于线材轴线
(或精微倾斜):断裂面上有局部或以穿整个截面的裂纹
阶梯式,部分断裂面乎滑;有局部或贯穿整个面的裂纹
脆性断裂面与线材轴线约成
45,并有局部或贯穿整个裁面的
不规则断裂面,并有局部或贷
穿整个截面的裂纹
YB/T 4176—2008
断裂面
中华人民共和国黑色冶金
行业标准
金属材料大规格线材扭转试验方法YB/T4176--2008
冶金工业出版社出版发行
北京北河沿大街嵩祝院北巷39号邮政编码:100009
北京兴华印副厂印刷
各地新华书店经销
开本880X12301/1印张0.5字数10千字2008年6月第一版2008年6月第次印刷统—书号:135024·239定价:10.00元00
小提示:此标准内容仅展示完整标准里的部分截取内容,若需要完整标准请到上方自行免费下载完整标准文档。
中华人民共和国黑色治金行业标准YB/T41762008
金属材料
大规格线材扭转试验方法
Metailic materials-Large minimeter diameter wire--Torsion test2008-03-12发布
2008-09-01实施
中华人民共和国国家发展和改革委员会发布
本标推由中国钢铁工业协会提出。本标准由全国钢标准化技术委员会归口前
YB/T4176—2008
本标准负贡起草单位:武汉钢铁(集团)公司,潭钢铁公司、治金工业信息标准研究院本标崔主要起草人:李荣锋、严龙、周涛、陈士华、苏赞、董莉。范围免费标准bzxz.net
金属材料大规格线材扭转试验方法YB/T 41762008
本标准规定了金属线材扭转试验方法的原理、符号及说明、试验设备、试样、试验程序和试验报告本标准适用于测定直轻(或特征尺寸)大于10mm的金属线材在单向或双向扭转中承受塑性变形能力及显示线材的表面或内部缺陷。2原理
单向扭转,试样绕自身轴线向一个方向均匀旋转360°作为-次扭转至规定次数或试样断裂双向扭转,试样绕自身轴线向一个方向均匀旋转360°作为一次扭转至规定次数后,向相反方向旋转相同欲数或试样断裂,
3符号及说明
符号及说明如图1及表1所示。
N及N2
圆形横截面金屑线材直径
非圆形横截面金属线材特征尺寸两夹头之间的标距长度
头扭转速度
单问扭转次数
双向扭转次数
注:非圆形横截面金属线材特征尺寸指横截面的最大尺寸,通常在相应标准中规定。单位
YB/T 4176—2008
4试验设备
4.1试验机夹头应有适合的硬度,不同硬度材质的试样应使用合适硬度的夹块进行试验。一般推荐夹头的硬度高于试样硬度20HRC左右。4.2试验期间,两夹头应保持在同…-轴线上,并对试样不施加任何弯曲力,不应妨碍由试样引起的夹头之间的长度的变化,
4.3试验机夹头的一端应能绕试样轴线双向旋转,而另一端不应有任何转动,但能沿轴向自由移动。4.4试验机的速度应能调节,并有自动记录扭转次数的装置及测量两夹头间标距长度的刻度尺。5试样
5.1诚样成尽可能是平直的,试样头部夹持部位应平整,方便夹具的夹持5.2可将试样置于木材、塑料或钢质平面上,用出这些材料制成的工其矫育,或采用其他合适的方法进行矫直。
5.3矫直时,不允诈损伤试样表面,不应扭曲试样,也不允许对试样进行任何热加工处理。5.4存在局部硬弯的线材不允许用于试验。5.5除非另有规定,试样间两夹头间的标距长度L应为22d或22D。6试验程序
6.1试验般应在10℃~35℃下进行,如有特殊要求,试验温度应为23℃土5℃。6.2将试样置于试验机夹持钳口中,使其轴线与夹头轴线相重合。6.3除非另有规定,可按2r/min~6t/min的扭转速度进行试验。6.4试样置于试验机后,以-合适的恒定速度旋转可转动夹头,计数装置同时自动记数,直至试样断裂或达到规定的次数为止。
7试验结果
7.1当试样的扭转次数、表面及断口符合有关标准规定时,则该试验有效。如果试样未达到规定的次数,且断口位置在离夹头2d(D)范围内,则该试验无效。在试验过程中,如试样发牛严重劈裂,则最后一欲扭转次数不计。
7.2试样的扭转断裂类型、外观形貌及断口特征典型分类如表2所示。表2
断裂类型
正常扭转断裂
局部裂纹断裂
(表面有局部裂纹)
类型编号
外观形貌
断口特征描述
断裂面平滑且垂直于线材轴线
(或稍微倾斜),断裂面上无裂纹
脆性断裂面与线材轴线约成
45°;断袋面上无裂致
断裂面乎滑且垂直丁线材轴线
(或稍微倾斜),并有局部裂纹阶梯式,部分断裂面平滑;并有局部裂纹
断裂面
断裂类型
局部裂纹断裂
(表面有局部裂纹)
螺旋裂纹断裂
(试样全长或大部分
长度上有螺旋型裂纹)
8试验报告
类塑编号
外观形貌
试验报告至少成包括以下内容:a)本标准编号;
b)试样标识(如材质、牌号)
c)试样公称直径d或特征尺寸D;如有必要,试样制备情况(矫直方法);d)
试验结果(扭转次数、断裂类型)表2(续)
断口特征描述
不规则断裂面,断裂面上无裂
断裂面平滑且垂直于线材轴线
(或精微倾斜):断裂面上有局部或以穿整个截面的裂纹
阶梯式,部分断裂面乎滑;有局部或贯穿整个面的裂纹
脆性断裂面与线材轴线约成
45,并有局部或贯穿整个裁面的
不规则断裂面,并有局部或贷
穿整个截面的裂纹
YB/T 4176—2008
断裂面
中华人民共和国黑色冶金
行业标准
金属材料大规格线材扭转试验方法YB/T4176--2008
冶金工业出版社出版发行
北京北河沿大街嵩祝院北巷39号邮政编码:100009
北京兴华印副厂印刷
各地新华书店经销
开本880X12301/1印张0.5字数10千字2008年6月第一版2008年6月第次印刷统—书号:135024·239定价:10.00元00
小提示:此标准内容仅展示完整标准里的部分截取内容,若需要完整标准请到上方自行免费下载完整标准文档。
标准图片预览:





- 其它标准
- 热门标准
- 冶金行业标准(YB)
- YB/T149-1998 非水系硅酸铝质耐火泥浆
- YBJ214-1988 冶金机械设备安装工程施工及验收规范 焦化设备
- YB/T801-2008 工程回填用钢渣
- YB/T802-2009 冶金炉料用钢渣
- YB/T191.4-2001 铬矿石化学分析方法 重铬酸钾滴定法测定全铁含量
- YB/T5040-1993 氧化钼块化学分析方法 硫酸钡重量法测定硫
- YB/T4116-2003 镁钙砖
- YB/T5145-1993 电石炉用自焙炭砖
- YBB0004-2003 急性全身毒性检查法(试行)
- YB1601-1983 硅多晶
- YB/T3223-1988 YZJ-19A型铰接式振动压路机技术条件
- YB/T5337-2006 金属点阵常数的测定方法 X射线衍射仪法
- YBB0038-2004 抗机械冲击测定法(试行)
- YB/T5329-2009 五氧化二钒 硅含量的测定 硅钼蓝分光光度法
- YB/T018-1992 步进梁式加热炉技术条件
- 行业新闻
请牢记:“bzxz.net”即是“标准下载”四个汉字汉语拼音首字母与国际顶级域名“.net”的组合。 ©2025 标准下载网 www.bzxz.net 本站邮件:bzxznet@163.com
网站备案号:湘ICP备2025141790号-2
网站备案号:湘ICP备2025141790号-2