- 您的位置:
- 标准下载网 >>
- 标准分类 >>
- 国家标准(GB) >>
- GB/T 13202-2007 摩托车轮辋系列
标准号:
GB/T 13202-2007
标准名称:
摩托车轮辋系列
标准类别:
国家标准(GB)
标准状态:
现行-
发布日期:
2007-12-13 -
实施日期:
2008-07-01 出版语种:
简体中文下载格式:
.rar.pdf下载大小:
5.08 MB
替代情况:
替代GB/T 13202-1997采标情况:
ISO 4249-3:2004 ISO 5995-2:1988 ISO 6054-2:1990 MOD
点击下载
标准简介:
标准下载解压密码:www.bzxz.net
本标准规定了各种类型的摩托车轮辋轮廓的尺寸与公差,给出了轮胎与轮辋配合部分的轮辋轮廓曲线及其主要尺寸。 本标准适用于GB/T2983所包含各种系列摩托车轮胎的轮辋。 GB/T 13202-2007 摩托车轮辋系列 GB/T13202-2007
部分标准内容:
ICS83.160.10
中华人民共和国国家标准
GB/T13202—2007
代替GB/T13202—1997
摩托车轮辋系列
Seriesofmotorcyclerims
[ISO 4249-3:2004, Motorcycle tyres and rims (code-designated series)-Part 3: Rims; ISO 5995-2:1988,Moped tyres and rims-Part 2: Rims; ISO 6054-2:1990, Motorcycle tyres and rims (codedesignated scrics)--Diameter codes 4 to 12--Part 2:Rims,MOD2007-12-13 发布
中华人民共和国国家质量监督检验检疫总局中国国家标准化管理委员会
2008-07-01实施
GB/T13202——2007
本标准修改采用国际标准ISO4249-3:2004《摩托车轮胎和轮辆(代号表示系列)第3部分:轮》、ISO6054-2:1990《摩托车轮胎和轮辋(代号表示系列)直径代号为4至12第2部分:轮辆》、ISO5995-2:1988《轻便摩托车轮胎和轮辋第2部分:轮辋》。本标准代替GB/T13202—1997《摩托车轮辋系列》。本标准根据上述ISO各标准重新起草。附录A列出了本标准章条编号与上述ISO各标准章条编号的对照一览表。本标准与上述ISO各标准的有关技术性差异用垂直单线标识在它们所涉及的条款的页边空白处,并在附录B中给出了这些技术性差异及其原因的一览表以供参考。为了便于使用,本标准还做了下列编辑性修改:a)“本国际标准”改为“本标准”;b)用小数点“”代替作为小数点的“,”;c)删除了国际标准的前言。
本标准与GB/T13202—1997的主要技术性差异:增加了轮辋规格举例说明(本版的3.4)。圆柱型胎圈座轮辋(WM型)增加了轮辋名义宽度代号为3.00的规格尺寸,将轮辋名义宽度代号为1.20的R,最小值由2mm调整为1.5mm(1997年版的表1;本版的表2)。增加了此类轮辋的检测方法(本版的4.3)。一5°斜底式胎圈座轮辋(MT型)把名义直径代号为4~12和名义直径代号为13~23的轮辋编排在一起(1997年版的5.1和7.3;本版的第5章)。增加了此类轮辋的检测方法(本版的5.5)。-5°斜底式胎圈座轮辋(MT型)轮辋轮廓尺寸增加了16个规格(1997年版的表3;本版的表5)。-增加了轮辋名义直径代号为4~12的MT型轮辋的凸峰周长元D尺寸(1997年版的表6和表12,本版的表8)。
斜底直边轮输增加了轮辆名义直径代号为22的规格尺寸(1997年版的表8,本版的表10)。一增加了轮输气门嘴孔章节(本版的第9章)。取消了原用于测量自行车轮辋方法的有关内容(1997年版附录C的C.3.2),增加了用廊形样板检测轮辋轮廊形状的检测方法(本版的10.1.2和10.2.3)。本标准的附录A和附录B均为资料性附录。本标准由中国石油和化学工业协会提出。本标准由全国轮胎轮辋标准化技术委员会归口。本标准委托全国摩托车自行车轮胎轮辋标准化分技术委员会负责解释。本标准负责起草单位:天津久荣车轮技术有限公司。本标准参加起草单位:南海中南铝合金轮毂有限公司、广州广橡企业集团有限公司钻石车胎厂。本标准主要起草人:顾钢、杨萌、顾正、张子才、陈秋发。本标准所代替标准的历次版本发布情况为:-GB/T13202—1991GB/T13202—1997。I
GB/T13202—2007
本标准在编排上与前言中所述ISO各标准稍有不同。ISO标准是将摩托车轮胎和轮辋编写在起的,本标准将上述ISO中关于“轮辋”部分的技术内容集中在一起,纳人一个编号进行修订。由于摩托车轮胎分为代号表示系列、公制系列和轻便型系列三大类,其相应的轮辋分为圆柱型胎圈座轮辋(WM型)、5°斜底式胎圈座轮辋(MT型)、斜底直边轮辋、对开式轮辋(DT型)和深槽轮辋(DC型),这些内容在本标准中都已详细列出。I
1范围
摩托车轮辋系列
GB/T13202—2007
本标准规定了各种类型的摩托车轮辋轮廊的尺寸与公差,给出了轮胎与轮辋配合部分的轮辋轮廓曲线及其主要尺寸。
本标准适用于GB/T2983所包含各种系列摩托车轮胎的轮辑。2规范性引用文件
下列文件中的条款通过本标准的引用而成为本标准的条款。凡是注日期的引用文件,其随后所有的修改单(不包括勘误的内容)或修订版均不适用于本标准,然而,鼓励根据本标准达成协议的各方研究是否可使用这些文件的最新版本。凡是不注日期的引用文件,其最新版本适用于本标准。GB518摩托车轮胎
GB/T2933充气轮胎用车轮和轮辋的术语、规格代号和标志GB/T2983摩托车轮胎系列
GB/T6326轮胎术语及其定义(GB/T6326—2005,ISO4223-1:2002,NEQ)GB9769轮辋轮廊检测
3轮辋的类型、尺寸、相关术语和规格说明3.1轮辋的类型以其结构分类名称如下:圆柱型胎圈座轮辋(WM型);
5°斜底式胎圈座轮辋(MT型);斜底直边轮辋;
-对开式轮辋(DT型);
一深梧轮辋(DC型)。
3.2上述五类轮辋的适用范围、图例和主要尺寸等要求,按第4章至第8章内容规定执行。3.3GB/T2933和GB/T6326确立的术语和定义适用于本标准。第4章至第8章列出的图例所示代号和术语如下:
轮辋标定宽度
轮缘宽度
轮缘半径位置
轮标定直径
凸峰峰顶直径
凸峰位置
胎圈座宽度
轮缘接合半径
轮缘半径
胎圈座圆角半径
槽顶圆角半径
槽底圆角半径
凸峰内圆半径
凸峰外圆半径
槽底沟半径
气门嘴孔直径
槽底角度
GB/T13202—2007
轮辋规格举例说明见表1。bzxz.net
轮辆标志*
WM1.20×16
3.00DX10DC
3.00 D10 DT
MT4.50X18
aX:一件式轮辋。
:多件式轮辋。
表1轮辋规格举例说明
轮辋轮廓
宽度代号
圆柱型胎圈座轮辋(WM型)
轮辋代号
名义直径
深槽式结构(DC)
对开式结构(DT)
特性说明
名义直径代号为4~12的小规格轮辋,“MT”为宽度代号的后缀
斜底直边轮辋
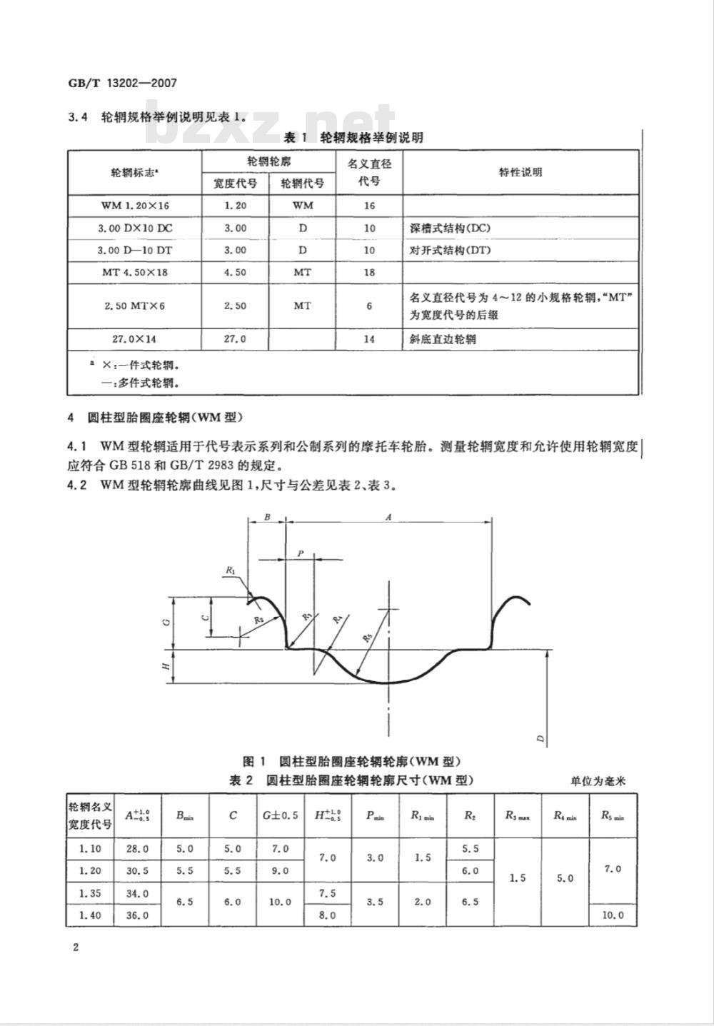
4.1WM型轮辋适用于代号表示系列和公制系列的摩托车轮胎。测量轮辋宽度和允许使用轮辋宽度应符合GB518和GB/T2983的规定。4.2WM型轮辋轮廊曲线见图1,尺寸与公差见表2、表3。图1
轮辋名义
宽度代号
圆柱型胎圈座轮辋轮廓(WM型)
圆柱型胎圈座轮辋轮廓尺寸(WM型)G±0.5
Ri mia
单位为毫米
Rs mia
轮辋名义
宽度代号
轮辋名义直径代号
a允许加标M/C后缀。
表2(续)
Ri nis
轮辆标定直径(WM型)
轮辆标定直径周长公差为十2.0mm,一0.5mm。b
4.3轮检测方法见10.2.2和10.2.355°斜底式胎圈座轮辋(MT型)R2
GB/T13202--2007
单位为旁米
轮辋标定直径Db
Rs mia
单位为毫米
5.1MT型轮辋适用于代号表示系列和公制系列的摩托车轮胎。测量轮辋宽度和允许使用轮辋宽度应符合GB518和GB/T2983的规定。5.2MT型轮轮廓曲线见图2,尺寸与公差见表4、表5与表8。B
25°斜底式胎圈座轮辋轮廊(MT型)图2
GB/T13202—2007
轮辋名义
宽度代号
轮辋名义
宽度代号
表45°斜底式胎圈座轮辋轮廓尺寸(名义直径代号为4~12)Bain
55斜底式胎圈座轮辆轮廓尺寸(名义直径代号为13~23)表5
MT2.7570.0
MT3.5089.0
MT4.00101.5
MT4.25108.0
MT9.50241.5
MT10.00254.0
MT10.50266.5
MT11.0q279.5
Rs min
Rs min
名义宽度代号为MT2.50和大于MT2.50的轮辆槽底轮廓可选R=全半径的圆弧(图4)4
单位为毫米
Rs±0.5R±0.5
单位为毫米
R±0.5R±0.5
5.3MT型轮辋可选择的槽底轮廊曲线见图3、图4与表6。图3轮辋槽底轮廊
图4轮辋槽底轮廓—
选择1
一选择2
6可选择轮辋槽底轮廓尺寸
轮辋名义宽度代号
Rs rin
GB/T13202—2007
单位为毫米
a名义宽度代号为MT2.50和大于MT2.50的轮辋槽底轮廊可选R=全半径的圆弧(图4)。b名义宽度代号大于MT3.50的可选此轮辆椅底轮廊尺寸。5
GB/T13202—2007
4MT型轮辋无凸峰的胎圈座轮廊见图5与表7。5.4
R6.5(最小)
无凸峰的轮辋胎圈座轮廓(MT型)表7
7无凸峰轮辆胎圈座轮廓尺寸
轮辋名义宽度代号
MT 1.85 / 1.85MT
MT2.15/2.15MT
轮辆名义直径代号
16M/Ce
轮辆标定直径和凸峰周长(MT型)轮辋标定直径Db
单位为毫米
单位为毫米
凸峰周长元D:
2003年5月以前生产的名义直径代号为16M/C和16M/C以上的轮,可以不加标M/C后级。a
b轮辋标定直径周长公差为十1.5mm,一0.5mm。轮辋名义直径代号为16M/C的标定直径周长公差为土1.0mm6
5.5轮辆检测方法见10.2.1和10.2.3。6斜底直边轮辋
GB/T13202—2007
6.1斜底直边轮辋适用于轻便型摩托车轮胎系列。测量轮辋宽度和允许使用轮宽度应符合GB518和GB/T2983的规定。
6.2斜底直边轮辑轮廊曲线见图6,尺寸与公差见表9、表10。A
7±3°
轮辋名义
宽度代号
图6斜底直边轮辋轮廓
表9斜底直边轮辋轮廓尺寸
a对于小于或等于400mm的轮辋直径,深度H增加1mm。Peain
R2 min
单位为毫米
b H,与L,的尺寸决定轮辋槽底部上方的无阻碍空间,装上垫带后安装轮胎仍能妥贴稳固。为达到这一目的,轮辋槽底的实际深度由轮辆制造厂自行决定。表10
斜底直边轮辋标定直径和轮辆测量直径轮辋名义直径代号
轮辋标定直径D
a轮辆测量胎圈座周长元D,的公差为十2.0mm,一0.5mm。单位为毫米
轮辋测量直径D
GB/T13202—2007
6.3H与L,的定义
H1:代表轮辋底上部的无阻碍空间,装上垫带后安装轮胎仍能妥贴稳固。L1:代表垫带上方的轮辋槽宽度。6.4轮辆检测方法见10.2.2和10.2.3。7对开式轮辋(DT型)
7.1对开式轮辋适用于摩托车轮胎系列中轮名义直径代号为4~10的轮胎。测量轮辋宽度和允许使用轮辆宽度应符合GB518和GB/T2983的规定。7.2对开式轮辋轮廊曲线见图7,尺寸与公差见表11、表12。拐角半径RO.7(最小)
对开式轮辋轮廓(DT型)
轮辋名义
宽度代号
(参考)
对开式轮辆轮廓尺寸(DT型)
a对偏心轮毂(不对称轮辋)来说,该值为斜圈座的最小宽度。图示虚线为可能位置。b仅适用于轮辆名义直径代号为8的轮辋。8
Rg mex
单位为毫米
小提示:此标准内容仅展示完整标准里的部分截取内容,若需要完整标准请到上方自行免费下载完整标准文档。
中华人民共和国国家标准
GB/T13202—2007
代替GB/T13202—1997
摩托车轮辋系列
Seriesofmotorcyclerims
[ISO 4249-3:2004, Motorcycle tyres and rims (code-designated series)-Part 3: Rims; ISO 5995-2:1988,Moped tyres and rims-Part 2: Rims; ISO 6054-2:1990, Motorcycle tyres and rims (codedesignated scrics)--Diameter codes 4 to 12--Part 2:Rims,MOD2007-12-13 发布
中华人民共和国国家质量监督检验检疫总局中国国家标准化管理委员会
2008-07-01实施
GB/T13202——2007
本标准修改采用国际标准ISO4249-3:2004《摩托车轮胎和轮辆(代号表示系列)第3部分:轮》、ISO6054-2:1990《摩托车轮胎和轮辋(代号表示系列)直径代号为4至12第2部分:轮辆》、ISO5995-2:1988《轻便摩托车轮胎和轮辋第2部分:轮辋》。本标准代替GB/T13202—1997《摩托车轮辋系列》。本标准根据上述ISO各标准重新起草。附录A列出了本标准章条编号与上述ISO各标准章条编号的对照一览表。本标准与上述ISO各标准的有关技术性差异用垂直单线标识在它们所涉及的条款的页边空白处,并在附录B中给出了这些技术性差异及其原因的一览表以供参考。为了便于使用,本标准还做了下列编辑性修改:a)“本国际标准”改为“本标准”;b)用小数点“”代替作为小数点的“,”;c)删除了国际标准的前言。
本标准与GB/T13202—1997的主要技术性差异:增加了轮辋规格举例说明(本版的3.4)。圆柱型胎圈座轮辋(WM型)增加了轮辋名义宽度代号为3.00的规格尺寸,将轮辋名义宽度代号为1.20的R,最小值由2mm调整为1.5mm(1997年版的表1;本版的表2)。增加了此类轮辋的检测方法(本版的4.3)。一5°斜底式胎圈座轮辋(MT型)把名义直径代号为4~12和名义直径代号为13~23的轮辋编排在一起(1997年版的5.1和7.3;本版的第5章)。增加了此类轮辋的检测方法(本版的5.5)。-5°斜底式胎圈座轮辋(MT型)轮辋轮廓尺寸增加了16个规格(1997年版的表3;本版的表5)。-增加了轮辋名义直径代号为4~12的MT型轮辋的凸峰周长元D尺寸(1997年版的表6和表12,本版的表8)。
斜底直边轮输增加了轮辆名义直径代号为22的规格尺寸(1997年版的表8,本版的表10)。一增加了轮输气门嘴孔章节(本版的第9章)。取消了原用于测量自行车轮辋方法的有关内容(1997年版附录C的C.3.2),增加了用廊形样板检测轮辋轮廊形状的检测方法(本版的10.1.2和10.2.3)。本标准的附录A和附录B均为资料性附录。本标准由中国石油和化学工业协会提出。本标准由全国轮胎轮辋标准化技术委员会归口。本标准委托全国摩托车自行车轮胎轮辋标准化分技术委员会负责解释。本标准负责起草单位:天津久荣车轮技术有限公司。本标准参加起草单位:南海中南铝合金轮毂有限公司、广州广橡企业集团有限公司钻石车胎厂。本标准主要起草人:顾钢、杨萌、顾正、张子才、陈秋发。本标准所代替标准的历次版本发布情况为:-GB/T13202—1991GB/T13202—1997。I
GB/T13202—2007
本标准在编排上与前言中所述ISO各标准稍有不同。ISO标准是将摩托车轮胎和轮辋编写在起的,本标准将上述ISO中关于“轮辋”部分的技术内容集中在一起,纳人一个编号进行修订。由于摩托车轮胎分为代号表示系列、公制系列和轻便型系列三大类,其相应的轮辋分为圆柱型胎圈座轮辋(WM型)、5°斜底式胎圈座轮辋(MT型)、斜底直边轮辋、对开式轮辋(DT型)和深槽轮辋(DC型),这些内容在本标准中都已详细列出。I
1范围
摩托车轮辋系列
GB/T13202—2007
本标准规定了各种类型的摩托车轮辋轮廊的尺寸与公差,给出了轮胎与轮辋配合部分的轮辋轮廓曲线及其主要尺寸。
本标准适用于GB/T2983所包含各种系列摩托车轮胎的轮辑。2规范性引用文件
下列文件中的条款通过本标准的引用而成为本标准的条款。凡是注日期的引用文件,其随后所有的修改单(不包括勘误的内容)或修订版均不适用于本标准,然而,鼓励根据本标准达成协议的各方研究是否可使用这些文件的最新版本。凡是不注日期的引用文件,其最新版本适用于本标准。GB518摩托车轮胎
GB/T2933充气轮胎用车轮和轮辋的术语、规格代号和标志GB/T2983摩托车轮胎系列
GB/T6326轮胎术语及其定义(GB/T6326—2005,ISO4223-1:2002,NEQ)GB9769轮辋轮廊检测
3轮辋的类型、尺寸、相关术语和规格说明3.1轮辋的类型以其结构分类名称如下:圆柱型胎圈座轮辋(WM型);
5°斜底式胎圈座轮辋(MT型);斜底直边轮辋;
-对开式轮辋(DT型);
一深梧轮辋(DC型)。
3.2上述五类轮辋的适用范围、图例和主要尺寸等要求,按第4章至第8章内容规定执行。3.3GB/T2933和GB/T6326确立的术语和定义适用于本标准。第4章至第8章列出的图例所示代号和术语如下:
轮辋标定宽度
轮缘宽度
轮缘半径位置
轮标定直径
凸峰峰顶直径
凸峰位置
胎圈座宽度
轮缘接合半径
轮缘半径
胎圈座圆角半径
槽顶圆角半径
槽底圆角半径
凸峰内圆半径
凸峰外圆半径
槽底沟半径
气门嘴孔直径
槽底角度
GB/T13202—2007
轮辋规格举例说明见表1。bzxz.net
轮辆标志*
WM1.20×16
3.00DX10DC
3.00 D10 DT
MT4.50X18
aX:一件式轮辋。
:多件式轮辋。
表1轮辋规格举例说明
轮辋轮廓
宽度代号
圆柱型胎圈座轮辋(WM型)
轮辋代号
名义直径
深槽式结构(DC)
对开式结构(DT)
特性说明
名义直径代号为4~12的小规格轮辋,“MT”为宽度代号的后缀
斜底直边轮辋
4.1WM型轮辋适用于代号表示系列和公制系列的摩托车轮胎。测量轮辋宽度和允许使用轮辋宽度应符合GB518和GB/T2983的规定。4.2WM型轮辋轮廊曲线见图1,尺寸与公差见表2、表3。图1
轮辋名义
宽度代号
圆柱型胎圈座轮辋轮廓(WM型)
圆柱型胎圈座轮辋轮廓尺寸(WM型)G±0.5
Ri mia
单位为毫米
Rs mia
轮辋名义
宽度代号
轮辋名义直径代号
a允许加标M/C后缀。
表2(续)
Ri nis
轮辆标定直径(WM型)
轮辆标定直径周长公差为十2.0mm,一0.5mm。b
4.3轮检测方法见10.2.2和10.2.355°斜底式胎圈座轮辋(MT型)R2
GB/T13202--2007
单位为旁米
轮辋标定直径Db
Rs mia
单位为毫米
5.1MT型轮辋适用于代号表示系列和公制系列的摩托车轮胎。测量轮辋宽度和允许使用轮辋宽度应符合GB518和GB/T2983的规定。5.2MT型轮轮廓曲线见图2,尺寸与公差见表4、表5与表8。B
25°斜底式胎圈座轮辋轮廊(MT型)图2
GB/T13202—2007
轮辋名义
宽度代号
轮辋名义
宽度代号
表45°斜底式胎圈座轮辋轮廓尺寸(名义直径代号为4~12)Bain
55斜底式胎圈座轮辆轮廓尺寸(名义直径代号为13~23)表5
MT2.7570.0
MT3.5089.0
MT4.00101.5
MT4.25108.0
MT9.50241.5
MT10.00254.0
MT10.50266.5
MT11.0q279.5
Rs min
Rs min
名义宽度代号为MT2.50和大于MT2.50的轮辆槽底轮廓可选R=全半径的圆弧(图4)4
单位为毫米
Rs±0.5R±0.5
单位为毫米
R±0.5R±0.5
5.3MT型轮辋可选择的槽底轮廊曲线见图3、图4与表6。图3轮辋槽底轮廊
图4轮辋槽底轮廓—
选择1
一选择2
6可选择轮辋槽底轮廓尺寸
轮辋名义宽度代号
Rs rin
GB/T13202—2007
单位为毫米
a名义宽度代号为MT2.50和大于MT2.50的轮辋槽底轮廊可选R=全半径的圆弧(图4)。b名义宽度代号大于MT3.50的可选此轮辆椅底轮廊尺寸。5
GB/T13202—2007
4MT型轮辋无凸峰的胎圈座轮廊见图5与表7。5.4
R6.5(最小)
无凸峰的轮辋胎圈座轮廓(MT型)表7
7无凸峰轮辆胎圈座轮廓尺寸
轮辋名义宽度代号
MT 1.85 / 1.85MT
MT2.15/2.15MT
轮辆名义直径代号
16M/Ce
轮辆标定直径和凸峰周长(MT型)轮辋标定直径Db
单位为毫米
单位为毫米
凸峰周长元D:
2003年5月以前生产的名义直径代号为16M/C和16M/C以上的轮,可以不加标M/C后级。a
b轮辋标定直径周长公差为十1.5mm,一0.5mm。轮辋名义直径代号为16M/C的标定直径周长公差为土1.0mm6
5.5轮辆检测方法见10.2.1和10.2.3。6斜底直边轮辋
GB/T13202—2007
6.1斜底直边轮辋适用于轻便型摩托车轮胎系列。测量轮辋宽度和允许使用轮宽度应符合GB518和GB/T2983的规定。
6.2斜底直边轮辑轮廊曲线见图6,尺寸与公差见表9、表10。A
7±3°
轮辋名义
宽度代号
图6斜底直边轮辋轮廓
表9斜底直边轮辋轮廓尺寸
a对于小于或等于400mm的轮辋直径,深度H增加1mm。Peain
R2 min
单位为毫米
b H,与L,的尺寸决定轮辋槽底部上方的无阻碍空间,装上垫带后安装轮胎仍能妥贴稳固。为达到这一目的,轮辋槽底的实际深度由轮辆制造厂自行决定。表10
斜底直边轮辋标定直径和轮辆测量直径轮辋名义直径代号
轮辋标定直径D
a轮辆测量胎圈座周长元D,的公差为十2.0mm,一0.5mm。单位为毫米
轮辋测量直径D
GB/T13202—2007
6.3H与L,的定义
H1:代表轮辋底上部的无阻碍空间,装上垫带后安装轮胎仍能妥贴稳固。L1:代表垫带上方的轮辋槽宽度。6.4轮辆检测方法见10.2.2和10.2.3。7对开式轮辋(DT型)
7.1对开式轮辋适用于摩托车轮胎系列中轮名义直径代号为4~10的轮胎。测量轮辋宽度和允许使用轮辆宽度应符合GB518和GB/T2983的规定。7.2对开式轮辋轮廊曲线见图7,尺寸与公差见表11、表12。拐角半径RO.7(最小)
对开式轮辋轮廓(DT型)
轮辋名义
宽度代号
(参考)
对开式轮辆轮廓尺寸(DT型)
a对偏心轮毂(不对称轮辋)来说,该值为斜圈座的最小宽度。图示虚线为可能位置。b仅适用于轮辆名义直径代号为8的轮辋。8
Rg mex
单位为毫米
小提示:此标准内容仅展示完整标准里的部分截取内容,若需要完整标准请到上方自行免费下载完整标准文档。
标准图片预览:





- 热门标准
- 国家标准(GB)
- GB/T2828.1-2012 计数抽样检验程序 第1部分:按接收质量限(AQL)检索的逐批检验抽样计划
- GB/T2855.8-1990 冲模滑动导向模座 后侧导柱窄形下模座
- GB/T2481.2-1998 固结磨具用磨料 粒度组成的检测和标记 第2部分:微粉F230?F1200
- GB/T12611-2008 金属零(部)件镀覆前质量控制技术要求
- GB/T40094.2-2021 电子商务数据交易第2部分:数据描述规范
- GB/T33588.3-2020 雷电防护系统部件(LPSC)第3部分:隔离放电间隙(ISG)的要求
- GB/T39275-2020 电力电子系统和设备有源馈电变流器(AIC)应用的运行条件和特性
- GB/T29077-2024 星箭界面飞行环境遥测数据处理要求
- GB/T18487.1-2023 电动汽车传导充电系统 第1部分:通用要求
- GB24500-2020 工业锅炉能效限定值及能效等级
- GB4706.7-1999 家用和类似用途电器的安全真空吸尘器和吸水式清洁器的特殊要求
- GB/T3047.3-2003 高度进制为20mm的插箱、插件基本尺寸系列
- GB9075-1988 架空索道用钢丝绳检验和报废规范
- GB15735-2004 金属热处理生产过程安全卫生要求
- GB17378.5-1998 海洋监测规范 第5部分:沉积物分析
- 行业新闻
请牢记:“bzxz.net”即是“标准下载”四个汉字汉语拼音首字母与国际顶级域名“.net”的组合。 ©2025 标准下载网 www.bzxz.net 本站邮件:bzxznet@163.com
网站备案号:湘ICP备2025141790号-2
网站备案号:湘ICP备2025141790号-2