- 您的位置:
- 标准下载网 >>
- 标准分类 >>
- 国家标准(GB) >>
- GB/T 4263-2004 带整体导柱的直柄90°锥面锪钻
标准号:
GB/T 4263-2004
标准名称:
带整体导柱的直柄90°锥面锪钻
标准类别:
国家标准(GB)
英文名称:
Straight shank 90° cone countersink with integral guide pin标准状态:
现行-
发布日期:
2004-02-10 -
实施日期:
2004-08-01 出版语种:
简体中文下载格式:
.rar.pdf下载大小:
77.16 KB
替代情况:
GB/T 4263-1984采标情况:
ISO 4205:1991,MOD
点击下载
标准简介:
标准下载解压密码:www.bzxz.net
本标准规定了带整体导柱的直柄90°锥面锪钻的尺寸和公差。 GB/T 4263-2004 带整体导柱的直柄90°锥面锪钻 GB/T4263-2004
部分标准内容:
IC8 25. 100. 30
中华人民共和国国家标
GB/T4263—2004此内容来自标准下载网
代蓉GB/42631981
带整体导柱的直柄90°锥面钻
Countersinks,9o°,with parallel shanks and solid pilots(ISO4205:1991M0D)
2004-02-10发布
中华人民共和国国家质量监督检验检疫总局中国国家标准化管理委员会
2004-08-01实施
本标准修改采用TS04205:10供整导拉的白辆而您帖3美文版):本标准宁TS()42C5::1相比有下见技.术差异缩辑性修改:规范外引用文件列碳中,州除IS门236-2:1988增加了G3/T4265.一增加了标记示例:
用符妥“,“代蓼用作小效点的退号“,\:用木标准”代替\本国际标准”:一别险了图际标准前言:
GB/T4263—2004
酬除了国际标准附录4(参卡文恢),加广新的附录A(自柄锥面案站的常用系列!本标准自实之口起,代替(T/?1265—19R4带导挂直柄90锥面地钻》。本标准与GH/42631934相比准如下化:编写势式按GB/T1.1—2UU)
1中:符号“\知“\的脚标!调收,最1中也作相应的企化表1与150)4205相间,除了GT423—15中前趣钻代号齿数:缩出了切直,的也审是和异对真符的一熟规定。带出的切削直径,导住直径和置用的断舒继性境格列人附录中,其中的尺寸接GB/T152,2一:988作了调整表面租范理列人议术系件标准中!一增如了断录A(直纳S维自您能的常用系列:-均削点径,认5~12,3的饱钻的树部直轻按国际标谨作\谢整。本标准的附录为资料性附,
六标准十中国机械工业联合会提湛。本标唯由全国力县标增化技术委员会归口。本标准起草单位:成部..具研究所木标准上要起卓人:就马.获河呆.本标准所代菩标难的出次发市清说:.-B/T 4263-luS4.
1范围
带整体导柱的直柄90锥面魏钻
本确规定了带整体导在的直质\维面韵站的尺和公差。2规范性引用文件
,/T 4263—2004
下奶文件中的条款通过标准的引州而必为本标准的条教,凡是往日期的引用文红,其随后所有的峰改单!不包括勤识的内容)成修订版均不适用于本标准,然而,鼓励根据本标准达成协设的弃方补究是否可快月这些文件的股新版木:凡是不注月期的引用文件,其最新能本适用干术标准:GB/T4265节导杆J0链面锦钻技术条件3尺寸
3.1尺寸和公差
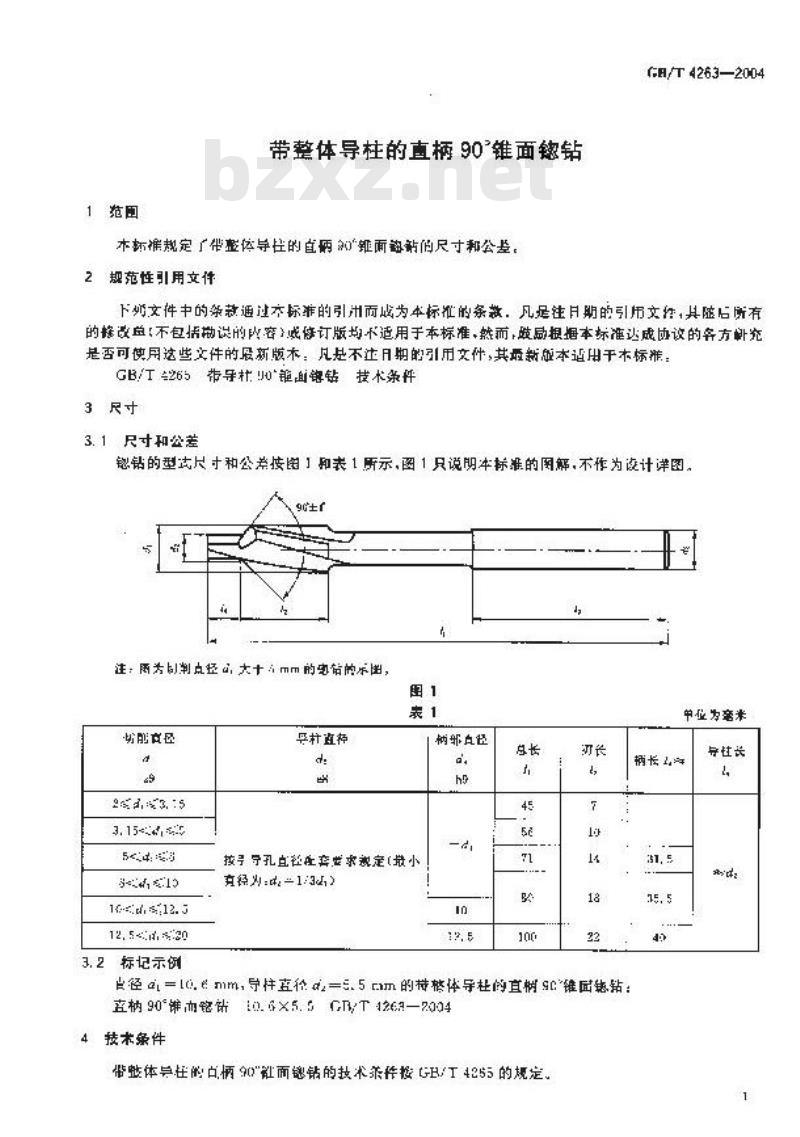
钻的型去尺寸和公常接图1和表1所示,图1只说明本标准的图解,不作为设计详图。十
注:两为判点经,大十mm的的求图图1
2sa,*3. :5
3. 15-4,*5
16 s:12. 3
12,5-20
3.2标记示例
学村直径
按号守孔直径在变些求定(放小
充径1/
柄邮点起
径a=lo.emm,导样直价d,=s.5ram的持整体导杜的直树9c维回糖站:直柄90饿而铭10.×5.54263—20044接术条件
带整体导在的占俩90\链面钞钻的技术乘作按GE/工4255的规定,单位为旁米
导在长
柄长,4
GB/T 4263—2D04
附录A
(资料性附泵)
直瓶的维面糖钻的常用系列
表A,1给出5常用的直柄90\面链钻的划削直轻,导柱直轻和适用的螺钉或娜轻规格。这些尺寸的糖钻适用于加TGH门1523.2—1983案固件沉头用沉孔的说头座。装A.1
创创径
守性点径
位为事求
适用的爆钉或螺性规帖
小提示:此标准内容仅展示完整标准里的部分截取内容,若需要完整标准请到上方自行免费下载完整标准文档。
中华人民共和国国家标
GB/T4263—2004此内容来自标准下载网
代蓉GB/42631981
带整体导柱的直柄90°锥面钻
Countersinks,9o°,with parallel shanks and solid pilots(ISO4205:1991M0D)
2004-02-10发布
中华人民共和国国家质量监督检验检疫总局中国国家标准化管理委员会
2004-08-01实施
本标准修改采用TS04205:10供整导拉的白辆而您帖3美文版):本标准宁TS()42C5::1相比有下见技.术差异缩辑性修改:规范外引用文件列碳中,州除IS门236-2:1988增加了G3/T4265.一增加了标记示例:
用符妥“,“代蓼用作小效点的退号“,\:用木标准”代替\本国际标准”:一别险了图际标准前言:
GB/T4263—2004
酬除了国际标准附录4(参卡文恢),加广新的附录A(自柄锥面案站的常用系列!本标准自实之口起,代替(T/?1265—19R4带导挂直柄90锥面地钻》。本标准与GH/42631934相比准如下化:编写势式按GB/T1.1—2UU)
1中:符号“\知“\的脚标!调收,最1中也作相应的企化表1与150)4205相间,除了GT423—15中前趣钻代号齿数:缩出了切直,的也审是和异对真符的一熟规定。带出的切削直径,导住直径和置用的断舒继性境格列人附录中,其中的尺寸接GB/T152,2一:988作了调整表面租范理列人议术系件标准中!一增如了断录A(直纳S维自您能的常用系列:-均削点径,认5~12,3的饱钻的树部直轻按国际标谨作\谢整。本标准的附录为资料性附,
六标准十中国机械工业联合会提湛。本标唯由全国力县标增化技术委员会归口。本标准起草单位:成部..具研究所木标准上要起卓人:就马.获河呆.本标准所代菩标难的出次发市清说:.-B/T 4263-luS4.
1范围
带整体导柱的直柄90锥面魏钻
本确规定了带整体导在的直质\维面韵站的尺和公差。2规范性引用文件
,/T 4263—2004
下奶文件中的条款通过标准的引州而必为本标准的条教,凡是往日期的引用文红,其随后所有的峰改单!不包括勤识的内容)成修订版均不适用于本标准,然而,鼓励根据本标准达成协设的弃方补究是否可快月这些文件的股新版木:凡是不注月期的引用文件,其最新能本适用干术标准:GB/T4265节导杆J0链面锦钻技术条件3尺寸
3.1尺寸和公差
钻的型去尺寸和公常接图1和表1所示,图1只说明本标准的图解,不作为设计详图。十
注:两为判点经,大十mm的的求图图1
2sa,*3. :5
3. 15-4,*5
16 s:12. 3
12,5-20
3.2标记示例
学村直径
按号守孔直径在变些求定(放小
充径1/
柄邮点起
径a=lo.emm,导样直价d,=s.5ram的持整体导杜的直树9c维回糖站:直柄90饿而铭10.×5.54263—20044接术条件
带整体导在的占俩90\链面钞钻的技术乘作按GE/工4255的规定,单位为旁米
导在长
柄长,4
GB/T 4263—2D04
附录A
(资料性附泵)
直瓶的维面糖钻的常用系列
表A,1给出5常用的直柄90\面链钻的划削直轻,导柱直轻和适用的螺钉或娜轻规格。这些尺寸的糖钻适用于加TGH门1523.2—1983案固件沉头用沉孔的说头座。装A.1
创创径
守性点径
位为事求
适用的爆钉或螺性规帖
小提示:此标准内容仅展示完整标准里的部分截取内容,若需要完整标准请到上方自行免费下载完整标准文档。
标准图片预览:




- 其它标准
- 热门标准
- 国家标准(GB)
- GB/T7534-1987 工业用挥发性有机液体沸程的测定
- GB/T50772-2012 木结构工程施工规范
- GB50367-2013 混凝土结构加固设计规范
- GB50666-2011 混凝土结构工程施工规范
- GB/T18204.4-2000 公共场所毛巾、床上卧具微生物检验方法细菌总数测定
- GB8552-1987 电子器件详细规范 低功率非线绕固定电阻器 RJ13型金属膜固定电阻器评定水平E(可供认证用)
- GB/T11379-2008 金属覆盖层 工程用铬电镀层
- GB/T23892.3-2009 滑动轴承 稳态条件下流体动压可倾瓦块止推轴承 第3部分:可倾瓦块止推轴承计算的许用值
- GB/T20976-2023 软冰淇淋预拌粉质量要求
- GB/T15917.3-1995 金属镝及氧化镝化学分析方法 对氯苯基荧光酮--溴化十六烷基三甲基胺分光光度法测定钽量
- GB/T11839-1989 二氧化铀芯块中硼的测定 姜黄素萃取光度法
- GB/T6122.1-2002 圆角铣刀 第1部分:型式和尺寸
- GB/T7433-1987 对称电缆载波通信系统抗无线电广播和通信干扰的指标
- GB/T12053-1989 光学识别用字母数字字符集 第一部分:OCR-A字符集印刷图象的形状和尺寸
- GB/T14463-2022 粘胶短纤维
- 行业新闻
请牢记:“bzxz.net”即是“标准下载”四个汉字汉语拼音首字母与国际顶级域名“.net”的组合。 ©2025 标准下载网 www.bzxz.net 本站邮件:bzxznet@163.com
网站备案号:湘ICP备2025141790号-2
网站备案号:湘ICP备2025141790号-2