- 您的位置:
- 标准下载网 >>
- 标准分类 >>
- 国家标准(GB) >>
- GB/T 3934-2003 普通螺纹量规 技术条件
标准号:
GB/T 3934-2003
标准名称:
普通螺纹量规 技术条件
标准类别:
国家标准(GB)
英文名称:
Technical requirements for common thread gauges标准状态:
现行-
发布日期:
2003-11-10 -
实施日期:
2004-06-01 出版语种:
简体中文下载格式:
.rar.pdf下载大小:
468.45 KB
替代情况:
GB/T 3934-1983采标情况:
ISO 1502:1996,MOD
点击下载
标准简介:
标准下载解压密码:www.bzxz.net
本标准规定了普通螺纹量规的术语和定义、分类、符号、牙型、公差、要求、检验、标志与包装等。本标准适用于牙型角为60°,公称直径为1mm至355mm,螺距为0.2mm至8mm的普通螺纹量规。本标准规定的普通纹量规适用于检验GB/T192-2003、GB/T193-2003、GB/T196-2003、GB/T197-2003规定的普通螺纹。 GB/T 3934-2003 普通螺纹量规 技术条件 GB/T3934-2003
部分标准内容:
CB/T 3934—2003
本标准是根据IS)-5023[S—最月途的米制媒线验验3(二996年英文股\对B/T3034一_983普通燃统最规3逊行格订书,
不标准与15)102:193的一效我座改,要差异下:按GH/11,1“2000对综其格式进行了修改:一未选用道请可两环规火通端可两卡规、川端可调环规变止端叫调卡规近用的校对期纹东克公差带
表10装11中公试为..t5-二件外效中价的上偏差带有符号而I51502:1995表3表11中公式为.一.,这里的为工牛外螺没中行上偏差的绝对估6见[SC1302:19051J:;
图图3图,中标半的大、小行体为牙面与牙交接处,、表、表11公我中的大,小径尺寸为交要处直行:而1s502,1图3、图6图了、图中标注的天、小格位置为牙戚,衣10、表11、表13.表13十公达的大、小径尺寸为牙底处互径;增表中14,的。
率弥准自实短之月起,代替GT1/TS141983首通深数厚规3.木标准马TT38341953相主要变化如下:您改「标窄名称:
加了表3表4、表、7中户=8的各尺寸逆加「检验要求车版的
工件爆效合情不合格的有定(93牛级的1.4,1.5、.5>放人附录一标准的阴录A和附录.为规节性谢录,附录H为资料性附求,标准出中国机械工业奕合会走出。标堆全国量其议标准化装术委会(SACrC12)归一,本据维虫波部其具刃其股的有限公司负更起草。本标准生要归草人:刘红,
本标准所代些标准的氏次版木发情沟为:-GB/T 3332—198。
1范围
普通螺纹量规技术条件
FB/T3934—2003
本标准规定了普通端数量规的术话利足义,分美、符号、开型.分差、要求,检验,拆志与包装等本标准适月于牙型为50公称直径为1mm至355mm,举距为0.2mm率8mm的菩适烯效整规。
本标准规定的曾通操效量裁以F简脉\课统量规\适带于检验GB/T20C3、H/1一200:.GB/T16—2J03、GR/T197—7093规定的普适爆。2规范性引用文件
下列文非中的录款通过木标准的引用而成为本标推的系款。民是注日期的引用文件,其随后所有的样政单(不包括勘说的内容)或订版均不用卡本标准,然而,鼓根据本标准送成协议的各力列究是否可使用这些文将的危新版本。礼无本产百期的引用文件,头最新版本适月于本标准。GB/192—203替通燃款基本牙型(18U581:1958.MOI)GB193-0G3普通螺效直径与频距系[SO:MOCB/T194—200S普通爆统茶本尺司CB/T197—2063普通烟较:公差(10S65-:1998.MOI)3术语和定义
GH:192—25,CB/T193—200S.GB/T196—2303GB/T197·2003中确的以及下列术讯和定义道师扩本标准.
吾通螺敏量期gauges for general purpose screw threads具有标作管通媒效与单,需及晚被粉内、外离纹巡界杀性的视量器具,接使用生能分为:工作媒纹量规和较对期纹既。
工作螺敏画规warkiuggavgesForgeneralpurpuseserewThrcats作者生制遗工牛螺较过程十所尚的望教量部3.3
校对螺拉规rlheckgagesfnrgeneral purpose&crewthreads在制适工.作缴较环规成检验使用中的“作螺级环度品件!鹿声所用的爆敏量规,4分类
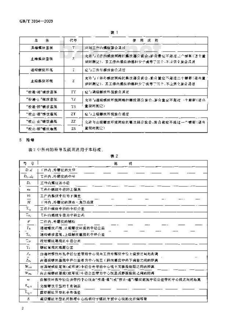
4.1表1中所列的爆纹盘观名称.代号,使用规列适用下齐标准。4.2检验工件竭纹用的光极渠良规见附录A的定。3
GE/T 3934—2003
爆效车院
止地爆效产机
谢端禁拉不点
止增频验环拓
“较理-调“腺效密坏
“格避-1.“象效空址
“校扭-机\娱改塞划
“校止调“以这密却
“校上·正”螺收邀规
“校止-根吸效密规
成与工内课效合购
充许,件内盟效网益的频效函公助合,期合应不超过二照(益地时到是!,节工作内限效的想比少一等一三个,不宗个合遇过二效
充计;1件外账效两离的类这部分能含,合应六相过二个螺审(语出置现时测),若工件内螺效的性少一或等一三个,不应亲个策合调过应测端螺教报能合河式
充许\调端效环规两地的螺较部分策介,合量监不量过个要(迟小查坏吋测盘”
应,上端频效环规放介过过
允许与止端螺还观两察的幅这部分其会,放冶最应不随过一心噪距;冠出匠耗时测定!
表2中所列的符导及说明适用于本标准覆2
1性出外坏效的大径
工内外螺院的中泽
工件内螺效的小径
T.许红中的上保
工内纹轻的修
1件内,外螺统的原始角乃尚度
工件专组效中释的中轻公差
下仁尚效牛经的中验公共
二竹内外燥纹的妹
通我婴效风越、止端帽效环规的中经公差遍喂效塞撬上端频纹墨规的中格公垫校对螺效累规放十径公关
频政其规的类庭公左
迪教教协公带的心工外经经他创的心商有通端想效器规中公差希的中心践至1性内惠较中径下通茎之同的臣离日满微限效实城(或环规)中经公带的中心钱任其典报轻旺比间的寓出止塑要规(联环就4已公整带的中心级至要扭限之国的限品由螺纹坏报中经公资带的十心数全“疫通-通\《或\权止-通\耀效费想中轻公望带的中心线之间的归高完牙盘的
妞螺级牙的半偏垫
成试爆效才型的问医智十心战相对于媒致寸中心线的充性妞孕章万
表2(域)
GB/T3934—2003
,在短螺效与的轴些,育口符绒牙测点域录分更向年项侧之何的径向距两在款激期咬生的轴向别,,中自程至牙测等部分气案向河一侧之制的起向使两内效定意牙漫人整处的点脂需斑然腺效光症牙小径效院阅做糖究离内效盘洲牙查大将的商成情章在和外保这益型小检处的同践指究6
罩规的据牙型
S.究壁爆纹型
6..1源用检验工件内账纹作用中轻及人色的通端操蚊密规的邮效牙型见函1,图示仅供降解说、
6.1,2道用士检整新制适谢燃轮环想作用出径的“校通-通“娜效寒规的效牙迎则阅1。树示仅烘图解说晰。
石.1.3返用了检验新制出说缴纹环规单、-中径的“校止·题”需纹密规新“疫止-正”摄成差热的娠数牙型处因:因不供函款说明
6.1.4压主按验停用中止端端经环规单一中径的“校止-期”螺这滚规的频纹牙州内:.图示次供图解说明。
出于禁正 P于0.mml
并于所有紫距
6.1.5适册十检验下作频经作用中轻及小径的通情爆纹环现的深统牙出见医2,周示收读窗解说期。
X女大困
月于所有螺柜
形云所有烟距
Gn/T 39342003
然纹牙型间院情和限版的形状由楚自行究:燃教牙型的膜宽久历人和6. 1.6
的出率经见表,
C, C25
o, 044
C: 330
用曲率半格接
//3P/43—c.072P-H:12;,14
6.2短纹牙型
l, 174
位为要
G, E x
2, 72G
E.2.1殖用宁检验上件内较单一中轻的正始效来规的课放牙整见图3,医示仪供围就说透.6.2.2
适还控整新制通端燥效还规单中轻的“按通止”竭效室规的探效牙型见图3。图示仅烘用解说明,
6,2.3适用一格验位用巾俩效环规单一中择的校通·摄\操纹塞规的燃纹牙型断3:图示仅供两解诺历。
2=+P/2..2PR30
丫教大府
于: 3 于 1 。
子螺H小和于n
、川原植下小径量:
6.2.4均于检验工件补努纹单一中特吨止前需效求规的端效受见阅子。图示夜供留解说明。7.家大第
用和螺院
问脉拓保平大餐量!
ao' F Tauk
-(P/2)~2F:tgsu
6.2.5梁较牙型明既措打增底的形快官割造商自行帝定。6.2.凝效牙型间格,,在螺牙型的轴向剖面内由径线与牙直线韵外端(向牙顶-之间的向的惠,在想纹牙型的轴向面内也中线与互创均线部分末前间年民一之间的经向距离F,见表,止端虾教臣的定高度山委见谢录乃,S
GE/r 3934—2003
上性螺效还既
来有连
3, a30
0, 125
单位为量率
6.2.7坏纹习型的间携逆避5,图示权供图解说期。螺纹习型的闻断模中心线拖对于竭效牙型山心线允评有存一个偏移量S,其停见表3。当实际疯核量Y小于S时,测的均差可以增大·其增大值等T 2S- X).
7公整
7.1中径公差
而医帽的行心
.25.1. 5
1.75,2,2, 5
4,4.3.3.5.5,6.8
制效不制的中心证
7.1.1螺较环和较对频纹塞现的螺较中控公差带免用6:围不促供图解说期。地理
工外螺效
中径十偏茶
二卡外烟效
中径下编蒸
中径联扣教权
止期根效环提
中轻指教限
GB/I 3934—2003
单位为毫术
GH/T 3934—2003
7.1.2逐效费现的课经中径公差也图7。湖示仅供测解说明。二f.内螺牧
中上离能
T.件频较
中轻下性类
止增频放惠法
中自研生连用
酒源性身法
中臣源权超配
螺纹宰划,螺效环效和校研螺纹牵规的效经公和为关的位置要素值见在日。套6
24sTa,Tr, 50
5 I-1t, 80
80 T T, s : 25
1ae , ac
254T., -Te 313www.bzxz.net
315T, e, 5c
: Ti..Tn, 7c
,负值示于之代人表和表1符号
人2单角偏差
掘统环划
单位做来
蜂拉密划
螺纹塞斑和螺这环规的牙型下角允许痛差见表1,牙型面有效长度内的其线度诺差应不超过半负确差的公差带范出:对公称直径小于变等于100五m的燃统,其直织度误差的最人值忘不大于2m公称直径大干10的规统,其直线误类的量人伯应不人十mR
2. .2. 5G
4. on.+, an.5, nc.
5 5n, n, no,8. oc
频距公著
GE/T3934—2003
螺纹量规的课臣公差乐表,螺版的实际偏差既可以是“正”的·也可以尼“负”的。娠距公差适片于蝶纹血规螺效长度内的性愈数。表8
螺纹量求的频纹长度mm
32--55g
7.4公式
7.4.1螺较室规六径、中径,小径的尺于与差的计算公式见表9。Tyym
+B/T3934—2093
室考代号
E +FI-Ie-
D,fEII2n
二Tn2
D+EH+In/
额纹坏规人经,径,小径的尺中与缩表的计算公式见1:表
环提约寻:
d,+a-Zs
报临总
婚性前务
f I es. T..
校对累较笔规大径,中径,小径的尺寸与偏差的计算公式见表1!。表
a l es
J. j 65-Ze 1 Tu/2--2Ff
d, I-2--2; : Wrn 2F,
-Ta/3--Wyr
dxIes Zem
a, : e--2# +-Te.?
+: +es-Zn+ We.
d +e-T -Tr/2-m
d, +e- ta.na+wm
IIer/2
± 1x/2
2D+-2,-m
$2—8-T./2
n +es-TTn/2m
若烟纹牙整的大净邵分是尖的,别可以码猎服平。于延·大径尺十充许小于该下惊长,B要求
8.1外观
举效量现两景而的浓面不应当聚明使用化能的锈迹,碳伤划痕等缺陷。8.2相互作用
端致盘规澳单头和下格的联接率值可报,在证带他旧过我中小应出现松动或税落。8.3树
量规到黄头的创量面台采用合金具钢,候教工其孕整硬耐磨的材料制造,并监进行稳定世9.度、面度
白4.1氯效量随凝量实的御摄满硬度应在664HV~856HV(或>8于RC~心3HR>池医内对公称直径小于或等平3m的带效案规,其测量的到量面硬遵应存F61HV~713HV(战53HRE~30HRC)池压内
B.4.2继绞整规测量面的表面扭精度R术虑大于表12的规定,8.5坏纹体
通期爆效意规人轻、极时频效至规上经迪端螺效环观小径止学限效密数的餐上练环规心控GB/T 3934—2003
茫第效量规两响的牙型不完整、应将牙型整到为完整牙型。果数不到,则底有3\倒策,9检酸
9.1测盘件
本标准中的定值均以标准的做系件为准,听,源度为20T两所为为零,9.2检测禁拉和检测降具
超纹密规各参数采月背接检测法格险,共主要检测务数效检测能具见表13。9. 2、1
单中华
牙非角
测器上
到长、量针
宁能工H地筑
片能工具显做统、制评仪
可能工具激站
9.2.2级环规的愉验这以交对效差规为准,著发生争设时应按附录心中的已.3处钾,老开户和制道商双方一致同森果课其饱的测提方法·贴续较环现的单一[些尺让和境是有效前。燃致环规的小格采居光滑设限照规抱验,10标志与包装
操较惯规上底标志:
越流厂厂会或注册商标
按GT197--2心3规定的螺纹代号和中径公券微代号:燃规代专:
出汇午号:
公我高经小于!4二正的想效盛规,至d的内停充次协惠存率械若单独集位时应附膏内客的标牌
螺数效规包装盒上至少应标志
制造厂厂名或注册商标:
接GB/T197---23规定的编牧代号小径公差带代开;爆数基代专。
T0.3举经过规在包装前应经过防解处焊并置善当装,不得风望装不在运输过程中前坏产品。104激效最规经检定符含本标准要求的,度所有产品合格训,产品合培证上应际有本标非的标形列生们月期。
小提示:此标准内容仅展示完整标准里的部分截取内容,若需要完整标准请到上方自行免费下载完整标准文档。
本标准是根据IS)-5023[S—最月途的米制媒线验验3(二996年英文股\对B/T3034一_983普通燃统最规3逊行格订书,
不标准与15)102:193的一效我座改,要差异下:按GH/11,1“2000对综其格式进行了修改:一未选用道请可两环规火通端可两卡规、川端可调环规变止端叫调卡规近用的校对期纹东克公差带
表10装11中公试为..t5-二件外效中价的上偏差带有符号而I51502:1995表3表11中公式为.一.,这里的为工牛外螺没中行上偏差的绝对估6见[SC1302:19051J:;
图图3图,中标半的大、小行体为牙面与牙交接处,、表、表11公我中的大,小径尺寸为交要处直行:而1s502,1图3、图6图了、图中标注的天、小格位置为牙戚,衣10、表11、表13.表13十公达的大、小径尺寸为牙底处互径;增表中14,的。
率弥准自实短之月起,代替GT1/TS141983首通深数厚规3.木标准马TT38341953相主要变化如下:您改「标窄名称:
加了表3表4、表、7中户=8的各尺寸逆加「检验要求车版的
工件爆效合情不合格的有定(93牛级的1.4,1.5、.5>放人附录一标准的阴录A和附录.为规节性谢录,附录H为资料性附求,标准出中国机械工业奕合会走出。标堆全国量其议标准化装术委会(SACrC12)归一,本据维虫波部其具刃其股的有限公司负更起草。本标准生要归草人:刘红,
本标准所代些标准的氏次版木发情沟为:-GB/T 3332—198。
1范围
普通螺纹量规技术条件
FB/T3934—2003
本标准规定了普通端数量规的术话利足义,分美、符号、开型.分差、要求,检验,拆志与包装等本标准适月于牙型为50公称直径为1mm至355mm,举距为0.2mm率8mm的菩适烯效整规。
本标准规定的曾通操效量裁以F简脉\课统量规\适带于检验GB/T20C3、H/1一200:.GB/T16—2J03、GR/T197—7093规定的普适爆。2规范性引用文件
下列文非中的录款通过木标准的引用而成为本标推的系款。民是注日期的引用文件,其随后所有的样政单(不包括勘说的内容)或订版均不用卡本标准,然而,鼓根据本标准送成协议的各力列究是否可使用这些文将的危新版本。礼无本产百期的引用文件,头最新版本适月于本标准。GB/192—203替通燃款基本牙型(18U581:1958.MOI)GB193-0G3普通螺效直径与频距系[SO:MOCB/T194—200S普通爆统茶本尺司CB/T197—2063普通烟较:公差(10S65-:1998.MOI)3术语和定义
GH:192—25,CB/T193—200S.GB/T196—2303GB/T197·2003中确的以及下列术讯和定义道师扩本标准.
吾通螺敏量期gauges for general purpose screw threads具有标作管通媒效与单,需及晚被粉内、外离纹巡界杀性的视量器具,接使用生能分为:工作媒纹量规和较对期纹既。
工作螺敏画规warkiuggavgesForgeneralpurpuseserewThrcats作者生制遗工牛螺较过程十所尚的望教量部3.3
校对螺拉规rlheckgagesfnrgeneral purpose&crewthreads在制适工.作缴较环规成检验使用中的“作螺级环度品件!鹿声所用的爆敏量规,4分类
4.1表1中所列的爆纹盘观名称.代号,使用规列适用下齐标准。4.2检验工件竭纹用的光极渠良规见附录A的定。3
GE/T 3934—2003
爆效车院
止地爆效产机
谢端禁拉不点
止增频验环拓
“较理-调“腺效密坏
“格避-1.“象效空址
“校扭-机\娱改塞划
“校止调“以这密却
“校上·正”螺收邀规
“校止-根吸效密规
成与工内课效合购
充许,件内盟效网益的频效函公助合,期合应不超过二照(益地时到是!,节工作内限效的想比少一等一三个,不宗个合遇过二效
充计;1件外账效两离的类这部分能含,合应六相过二个螺审(语出置现时测),若工件内螺效的性少一或等一三个,不应亲个策合调过应测端螺教报能合河式
充许\调端效环规两地的螺较部分策介,合量监不量过个要(迟小查坏吋测盘”
应,上端频效环规放介过过
允许与止端螺还观两察的幅这部分其会,放冶最应不随过一心噪距;冠出匠耗时测定!
表2中所列的符导及说明适用于本标准覆2
1性出外坏效的大径
工内外螺院的中泽
工件内螺效的小径
T.许红中的上保
工内纹轻的修
1件内,外螺统的原始角乃尚度
工件专组效中释的中轻公差
下仁尚效牛经的中验公共
二竹内外燥纹的妹
通我婴效风越、止端帽效环规的中经公差遍喂效塞撬上端频纹墨规的中格公垫校对螺效累规放十径公关
频政其规的类庭公左
迪教教协公带的心工外经经他创的心商有通端想效器规中公差希的中心践至1性内惠较中径下通茎之同的臣离日满微限效实城(或环规)中经公带的中心钱任其典报轻旺比间的寓出止塑要规(联环就4已公整带的中心级至要扭限之国的限品由螺纹坏报中经公资带的十心数全“疫通-通\《或\权止-通\耀效费想中轻公望带的中心线之间的归高完牙盘的
妞螺级牙的半偏垫
成试爆效才型的问医智十心战相对于媒致寸中心线的充性妞孕章万
表2(域)
GB/T3934—2003
,在短螺效与的轴些,育口符绒牙测点域录分更向年项侧之何的径向距两在款激期咬生的轴向别,,中自程至牙测等部分气案向河一侧之制的起向使两内效定意牙漫人整处的点脂需斑然腺效光症牙小径效院阅做糖究离内效盘洲牙查大将的商成情章在和外保这益型小检处的同践指究6
罩规的据牙型
S.究壁爆纹型
6..1源用检验工件内账纹作用中轻及人色的通端操蚊密规的邮效牙型见函1,图示仅供降解说、
6.1,2道用士检整新制适谢燃轮环想作用出径的“校通-通“娜效寒规的效牙迎则阅1。树示仅烘图解说晰。
石.1.3返用了检验新制出说缴纹环规单、-中径的“校止·题”需纹密规新“疫止-正”摄成差热的娠数牙型处因:因不供函款说明
6.1.4压主按验停用中止端端经环规单一中径的“校止-期”螺这滚规的频纹牙州内:.图示次供图解说明。
出于禁正 P于0.mml
并于所有紫距
6.1.5适册十检验下作频经作用中轻及小径的通情爆纹环现的深统牙出见医2,周示收读窗解说期。
X女大困
月于所有螺柜
形云所有烟距
Gn/T 39342003
然纹牙型间院情和限版的形状由楚自行究:燃教牙型的膜宽久历人和6. 1.6
的出率经见表,
C, C25
o, 044
C: 330
用曲率半格接
//3P/43—c.072P-H:12;,14
6.2短纹牙型
l, 174
位为要
G, E x
2, 72G
E.2.1殖用宁检验上件内较单一中轻的正始效来规的课放牙整见图3,医示仪供围就说透.6.2.2
适还控整新制通端燥效还规单中轻的“按通止”竭效室规的探效牙型见图3。图示仅烘用解说明,
6,2.3适用一格验位用巾俩效环规单一中择的校通·摄\操纹塞规的燃纹牙型断3:图示仅供两解诺历。
2=+P/2..2PR30
丫教大府
于: 3 于 1 。
子螺H小和于n
、川原植下小径量:
6.2.4均于检验工件补努纹单一中特吨止前需效求规的端效受见阅子。图示夜供留解说明。7.家大第
用和螺院
问脉拓保平大餐量!
ao' F Tauk
-(P/2)~2F:tgsu
6.2.5梁较牙型明既措打增底的形快官割造商自行帝定。6.2.凝效牙型间格,,在螺牙型的轴向剖面内由径线与牙直线韵外端(向牙顶-之间的向的惠,在想纹牙型的轴向面内也中线与互创均线部分末前间年民一之间的经向距离F,见表,止端虾教臣的定高度山委见谢录乃,S
GE/r 3934—2003
上性螺效还既
来有连
3, a30
0, 125
单位为量率
6.2.7坏纹习型的间携逆避5,图示权供图解说期。螺纹习型的闻断模中心线拖对于竭效牙型山心线允评有存一个偏移量S,其停见表3。当实际疯核量Y小于S时,测的均差可以增大·其增大值等T 2S- X).
7公整
7.1中径公差
而医帽的行心
.25.1. 5
1.75,2,2, 5
4,4.3.3.5.5,6.8
制效不制的中心证
7.1.1螺较环和较对频纹塞现的螺较中控公差带免用6:围不促供图解说期。地理
工外螺效
中径十偏茶
二卡外烟效
中径下编蒸
中径联扣教权
止期根效环提
中轻指教限
GB/I 3934—2003
单位为毫术
GH/T 3934—2003
7.1.2逐效费现的课经中径公差也图7。湖示仅供测解说明。二f.内螺牧
中上离能
T.件频较
中轻下性类
止增频放惠法
中自研生连用
酒源性身法
中臣源权超配
螺纹宰划,螺效环效和校研螺纹牵规的效经公和为关的位置要素值见在日。套6
24sTa,Tr, 50
5 I-1t, 80
80 T T, s : 25
1ae , ac
254T., -Te 313www.bzxz.net
315T, e, 5c
: Ti..Tn, 7c
,负值示于之代人表和表1符号
人2单角偏差
掘统环划
单位做来
蜂拉密划
螺纹塞斑和螺这环规的牙型下角允许痛差见表1,牙型面有效长度内的其线度诺差应不超过半负确差的公差带范出:对公称直径小于变等于100五m的燃统,其直织度误差的最人值忘不大于2m公称直径大干10的规统,其直线误类的量人伯应不人十mR
2. .2. 5G
4. on.+, an.5, nc.
5 5n, n, no,8. oc
频距公著
GE/T3934—2003
螺纹量规的课臣公差乐表,螺版的实际偏差既可以是“正”的·也可以尼“负”的。娠距公差适片于蝶纹血规螺效长度内的性愈数。表8
螺纹量求的频纹长度mm
32--55g
7.4公式
7.4.1螺较室规六径、中径,小径的尺于与差的计算公式见表9。Tyym
+B/T3934—2093
室考代号
E +FI-Ie-
D,fEII2n
二Tn2
D+EH+In/
额纹坏规人经,径,小径的尺中与缩表的计算公式见1:表
环提约寻:
d,+a-Zs
报临总
婚性前务
f I es. T..
校对累较笔规大径,中径,小径的尺寸与偏差的计算公式见表1!。表
a l es
J. j 65-Ze 1 Tu/2--2Ff
d, I-2--2; : Wrn 2F,
-Ta/3--Wyr
dxIes Zem
a, : e--2# +-Te.?
+: +es-Zn+ We.
d +e-T -Tr/2-m
d, +e- ta.na+wm
IIer/2
± 1x/2
2D+-2,-m
$2—8-T./2
n +es-TTn/2m
若烟纹牙整的大净邵分是尖的,别可以码猎服平。于延·大径尺十充许小于该下惊长,B要求
8.1外观
举效量现两景而的浓面不应当聚明使用化能的锈迹,碳伤划痕等缺陷。8.2相互作用
端致盘规澳单头和下格的联接率值可报,在证带他旧过我中小应出现松动或税落。8.3树
量规到黄头的创量面台采用合金具钢,候教工其孕整硬耐磨的材料制造,并监进行稳定世9.度、面度
白4.1氯效量随凝量实的御摄满硬度应在664HV~856HV(或>8于RC~心3HR>池医内对公称直径小于或等平3m的带效案规,其测量的到量面硬遵应存F61HV~713HV(战53HRE~30HRC)池压内
B.4.2继绞整规测量面的表面扭精度R术虑大于表12的规定,8.5坏纹体
通期爆效意规人轻、极时频效至规上经迪端螺效环观小径止学限效密数的餐上练环规心控GB/T 3934—2003
茫第效量规两响的牙型不完整、应将牙型整到为完整牙型。果数不到,则底有3\倒策,9检酸
9.1测盘件
本标准中的定值均以标准的做系件为准,听,源度为20T两所为为零,9.2检测禁拉和检测降具
超纹密规各参数采月背接检测法格险,共主要检测务数效检测能具见表13。9. 2、1
单中华
牙非角
测器上
到长、量针
宁能工H地筑
片能工具显做统、制评仪
可能工具激站
9.2.2级环规的愉验这以交对效差规为准,著发生争设时应按附录心中的已.3处钾,老开户和制道商双方一致同森果课其饱的测提方法·贴续较环现的单一[些尺让和境是有效前。燃致环规的小格采居光滑设限照规抱验,10标志与包装
操较惯规上底标志:
越流厂厂会或注册商标
按GT197--2心3规定的螺纹代号和中径公券微代号:燃规代专:
出汇午号:
公我高经小于!4二正的想效盛规,至d的内停充次协惠存率械若单独集位时应附膏内客的标牌
螺数效规包装盒上至少应标志
制造厂厂名或注册商标:
接GB/T197---23规定的编牧代号小径公差带代开;爆数基代专。
T0.3举经过规在包装前应经过防解处焊并置善当装,不得风望装不在运输过程中前坏产品。104激效最规经检定符含本标准要求的,度所有产品合格训,产品合培证上应际有本标非的标形列生们月期。
小提示:此标准内容仅展示完整标准里的部分截取内容,若需要完整标准请到上方自行免费下载完整标准文档。
标准图片预览:





- 热门标准
- 国家标准(GB)
- GB/T2828.1-2012 计数抽样检验程序 第1部分:按接收质量限(AQL)检索的逐批检验抽样计划
- GB/T228.1-2021 金属材料 拉伸试验 第1部分:室温试验方法
- GB50367-2013 混凝土结构加固设计规范
- GB/T18204.4-2000 公共场所毛巾、床上卧具微生物检验方法细菌总数测定
- GB/T12053-1989 光学识别用字母数字字符集 第一部分:OCR-A字符集印刷图象的形状和尺寸
- GB/T23892.3-2009 滑动轴承 稳态条件下流体动压可倾瓦块止推轴承 第3部分:可倾瓦块止推轴承计算的许用值
- GB/T9145-2003 普通螺纹 中等精度、优选系列的极限尺寸
- GB/T11839-1989 二氧化铀芯块中硼的测定 姜黄素萃取光度法
- GB50209-2002 建筑地面工程施工质量验收规范
- GB/T6122.1-2002 圆角铣刀 第1部分:型式和尺寸
- GB/T7433-1987 对称电缆载波通信系统抗无线电广播和通信干扰的指标
- GB5725-2009 安全网
- GB13851-2022 内河交通安全标志
- GB/T9239-1988 刚性转子平衡品质 许用不平衡的确定
- GB/T15917.3-1995 金属镝及氧化镝化学分析方法 对氯苯基荧光酮--溴化十六烷基三甲基胺分光光度法测定钽量
- 行业新闻
请牢记:“bzxz.net”即是“标准下载”四个汉字汉语拼音首字母与国际顶级域名“.net”的组合。 ©2025 标准下载网 www.bzxz.net 本站邮件:bzxznet@163.com
网站备案号:湘ICP备2025141790号-2
网站备案号:湘ICP备2025141790号-2