- 您的位置:
- 标准下载网 >>
- 标准分类 >>
- 国家标准(GB) >>
- GB/T 8061-1987 杠杆千分尺
标准号:
GB/T 8061-1987
标准名称:
杠杆千分尺
标准类别:
国家标准(GB)
标准状态:
已作废-
发布日期:
1987-07-13 -
实施日期:
1988-01-01 -
作废日期:
2004-08-01 出版语种:
简体中文下载格式:
.rar.pdf下载大小:
176.42 KB
替代情况:
被GB/T 8061-2004代替

部分标准内容:
中华人民共和国国家标准
杠杆千分尺
Indicating micrometers
UDG 531.714
GB8061.-87
本标准适用于测微头的分度值为0.01mm,量程为25mm;指示表的分度值为0.001或0.002mm,测量范围至100mm的杠杆干分尺
名词与术语
1.1杠杆干分尺
利用尺架体内的杠杆传动机构读取弧形尺架上两测量面间微小轴向位移量的外径干分尺称为机杆T分尺(以下简称“杠杆尺”)。1.2指示表的示值误差
指示表的指示值与被测量的真值之差。指示表的示值总误差
在指示表的示值范围内,由各受检点的示值误差绘出示值误差曲线,曲线在纵坐标上最高点和最低点的差值。
1.4综合误差
在杠杆尺的测量范围内,杠杆尺的指示值与被测量的真值之差。1.5方位误差
杠杆尺在垂直与水平位置时,指示表的示值之差。2型式、基本参数与尺寸
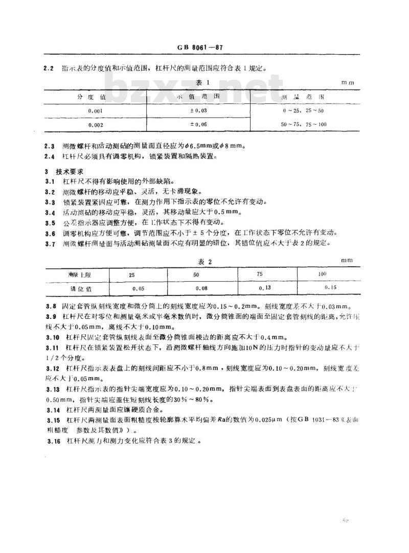
杠杆尺的型式见下图。
公差指示器
调零机构
铀紧装置
活动测砧
指示表
注:上图仅供图解说明,不供表示详细结构之用。国家机械工业委员会1987-03-30批准68
微分筒www.bzxz.net
周定套管
测微螺杆
隔热装置
1988--01-01实施
GB 8061--87
指示丧的分度值和示值范围,杠杆尺的测量范围应符合表1规定。2.2
分度值
示值范围
测微螺杆和活动测砧的测量面直径应为6.5mm或Φ8mm。2.3
杠杆尺必须具有调零机构,锁紧装置和隔热装置。技术要求
杠杆尺不得有影响使用的外部缺陷。测微螺杆的移动应平稳、灵活,无卡滞现象。锁紧装置紧固应可靠,在测力作用下指示表的零位不允许有变动。活动测砧的移动应平稳,灵活,其移动量应大于0.5mm。测蓝范围
0~25.25~50
50~75,75~100
公差指示器应调整方便,在1作状态下不得有变动。调零机构应方便可靠,调节范围应不小于土5个分度,在工作状态下零位不允许有变动。测微螺杆测量面与活动测砧测量面不应有明显的错位,其错位值应不大子表2的规定。表2
测鼠限
错位值
3.8周定套管纵刻线宽度和微分筒上的刻线宽度应为0.15~0.2mm。刻线宽度差不大f0.03mm。3.9杠杆尺在对零位和测量毫米或半毫米数值时,微分筒锥面的端面至固定套管刻线的距离,允许压线不大于0.05mm,离线不大于0.10mm。3.10杠杆尺固定套管纵刻线表面至微分筒锥面棱边的距离应不大于0.4mm。3.11杠杆尺在锁紧装置松开状态下,沿测微螺杆轴线方向施加10N的压力时指针的变动量应不大于1/2个分度。
3.12杠杆尺指示表表盘上的刻线间距应不小于0.8mm,刻线宽度应为0.10~0.20mm,刻线宽度差应不大10.05mm。
3.13杠杆尺指示表的指针尖端宽度应为0.10~0.20mm,指针尖端表面到表盘表面的距离应不大于0.50mm,指针尖端应盖住短刻线长度的30%~80%。3.14杠杆尺两测量面应镶硬质合金。3.15杠杆尺两测量面表面粗糙度按轮算术平均偏差Ra的数值为0.025um(按GB1031--83《表粗糙度参数及其数值》)。
3.16杠杆尺测力和测力变化应符合表3的规定。测
0 ~ 25. 25 ~50
50 ~ 75,75 ~ 100
GB 8061-87
4~10
3.17杠杆尺测量面的平面度公差和两测量面的平行度公差见表4。表4
分度值
测面平面度公差
注:在测懂面边缘0.2mm范围内不计。测
两测量面平行度公差
光学平行平晶检定
杠杆尺指示表的主要精度要求应不大于表5的规定。表5
分度值
示值误差
±20个分度内±0.5
±20个分度外±1.0
±20个分度内±1.0
±20个分度外±2
示值总误差
示值变动性
3.19杠杆尺的综合误差应不大于表6的规定。表6
测量范围
50~75
75~100
方位误差
鼠块检定
锁紧时指针的变动量
3.20测量上限等于或大于50mm的杠杆尺应附有校对量杆,校对量杆应有隔热装置,其标称尺寸,尺
寸偏差,两测量面的平面度和平行度公差见表7。70
分度值
测鼠范围
75~100
GB8061 -
校对量杆标称值
注:分度值为0.001mm的杠杆尺允许用0级量块校对零位。3.21
尺 寸
平面度和平行度公等
校对量杆测量面的表面粗糙度按轮廓算术平均偏差Ra的数值为0.025μm(按GB1031--83)。校对量杆测量面的硬度应不低于HV766(HRC 62)。4标志与包装
产品上应标志:
制造广广名或注册商标,
测量范围:
分度值:
产品序号。
校对量杆上应标志标称值。
包装盒上应标志:
制造厂广名或注册商标,
产品名称,
测量范围;
分度值。
杠杆尺在包装前应经防锈处理,并妥善包装,不得因包装不善而在运输过程中损环产品。4.3
4.4杠杆尺经检定符合本标准要求的应附有产品合格证,产品合格证上应标有本标准的标准号,产品序号和出广日期。
GB 8061—87
附录A
杠杆千分尺的检验方法
(补充件)
本附录是制造」出」检验杠杆千分尺的测试方法。A1测量面的平面度
A1.1检验I具
光学平面平晶,或光学平行半晶。A1.2检验方法
将光学平晶或光学平行平品与测量面贴合后,读取光波十涉带条纹的条数(在测量面边缘0.2mm范围内不计)。
A2测量面的平行度
A2.1检验工具
a.光学平行平晶:
b.量块(0级)。
A2.2检验方法
A2.2.1平晶检验
将光学平行平晶置于两測量面间,锁紧测微螺杆,在测力作用下,根据自光读取两测量面上光波干涉带条纹的条数(观测角应小丁30°)。A2.2.2量块检验
将量块放置在测量面的位置1(见图A1)上对零位,锁紧测微螺杆,用该量块依次测试测量面第2,3,4位置上的示值,由任意两个位置上示值之差中的最大差值求得。d
测量面
A3测微螺杆轴向案动
A3.1检验工具
a.感量不人于0.2N的测力计,
b.球面接杆(测量上限等于或大于25mm的杠杆尺使用)A3.2捡验方法
GB 8061—87
旋转测微螺杆使指针指向零位(或任意刻线),在松开锁紧装置状态卜,沿测微螺杆轴线方向在其尾部施加10N的压力时指针的变动量应不大于1/2个分度,检验时不得拨动按钮利调节调零装置。A4锁紧时指针的变动量
A4.1检验工具
a。量块,
b.球面接长杆。
A4.2检验方法
调整指针与任意刻线重合,然后锁紧测微螺杆由指示表上读取指针偏离刻线的距离。A5方位误差
A5.1检验工具
球面接长杆。
A5.2检验方法
以零位和正负最大示值刻线处为受检点,检验时先在水平面内调节指针与受检点刻线重合,然后锁紧测微螺杆,在垂直面任意方位上读取指针偏离受检点刻线的距离(检验读数时不得拨动按钮)。A6指示表的示值变动性
A6.1检验工具
量块或球面测头。
A6.2检验万法
在两测量面间夹一量块(或球面测头),使指针从负方向朝正方向转动到任一位置(见图A2),并锁紧测微螺杆,以此作为受检点,然后拨动按钮5次,求5次指针偏离受检点的最大值。n
图A2中①,②,③为检验步骤:①转动测微螺杆使指针转到受检点的位置。②拨动按钮使指针超过刻度极限。③放开按钮。
A7指示表的示值误差
A7.1检验工具
0.001mm杠杆尺检验指示表示值的专用量块组(0.950,0.960,0.970,0.980,0.982,0.984,0.986,0.988,0.990,0.992,0.994,0.996,0.998,1.1.002,1.004,1.006,1.008,1.010.1.012.1.014,1.016,1.018,1.020,1.030,1.040,1.050共27块)0.002mm杠杆尺检验指示表示值的专用量块组(0.940,0.960,0.964,0.968,0.972,0.976,0.980,0.984,0.988,0.992,0.996,1,1.004,1.008,1.012、1.016,1.020,1.024,1.028.1.032.1.036,1.040,1.060共23块)
球面接长杆。
A7.2检验方法
GB 8061-- 87
在两测量面间夹持1mm量块并对零位,然后依次替换量块并读取指示表上各受检点的指示偏差值(应加上量块的修正值)。
土20个分度内每隔2个分度为-受检点。土20个分度外每隔10个分度为一受检点。A8指示表的示值总误差
按A7中所得各受检点的示值误差绘出示值误差曲线,在曲线纵坐标上最高点与最低点的差值即为示值总误差。
A9测力和测力变化
A9.1检验工具
感量不大于0.2N的测力计。
A9.2检验方法
将活动测砧按其轴线垂直于水平面安置,再借助一钢球将测量面测力作用于测力计,读取指针在正负极限两个位置上的测力,两测力的算术平均值为杠杆尺的测力,两测力之差为杠杆尺的测力变化。A10综合误差
A10.1检验工具
检验综合误差专用量块组(2.5,5.1,7.7.10.3,12.9,15,17.6,20.2,20.825mm)和球面接长杆。
A10.2检验方法
将杠杆尺调准零位后,依次将测微螺杆旋转到2.5,5.1,7.7,10.3,12.9,15,17.6,20.2,20.8和25mm刻线处并锁紧,并依次在两测量面间夹持标称值与上述尺寸相等的量块,读取指示表的示值(偏离零位的偏差值)并应加上量块的修正值后即为杠杆尺的综合误差。对不同测量范围的杠杆尺需用相应尺寸的量块组或采用球面接长杆。附加说明:
本标准由国家机械工业委员会提出,由国家机械工业委员会成都工具研究所归口。本标准由成都量具刃具厂,哈尔滨量具刃具厂,桂林量具刃具负责起草。本标准主要起草人胡宗泽、郝路平、唐瑞蕴。74
小提示:此标准内容仅展示完整标准里的部分截取内容,若需要完整标准请到上方自行免费下载完整标准文档。
杠杆千分尺
Indicating micrometers
UDG 531.714
GB8061.-87
本标准适用于测微头的分度值为0.01mm,量程为25mm;指示表的分度值为0.001或0.002mm,测量范围至100mm的杠杆干分尺
名词与术语
1.1杠杆干分尺
利用尺架体内的杠杆传动机构读取弧形尺架上两测量面间微小轴向位移量的外径干分尺称为机杆T分尺(以下简称“杠杆尺”)。1.2指示表的示值误差
指示表的指示值与被测量的真值之差。指示表的示值总误差
在指示表的示值范围内,由各受检点的示值误差绘出示值误差曲线,曲线在纵坐标上最高点和最低点的差值。
1.4综合误差
在杠杆尺的测量范围内,杠杆尺的指示值与被测量的真值之差。1.5方位误差
杠杆尺在垂直与水平位置时,指示表的示值之差。2型式、基本参数与尺寸
杠杆尺的型式见下图。
公差指示器
调零机构
铀紧装置
活动测砧
指示表
注:上图仅供图解说明,不供表示详细结构之用。国家机械工业委员会1987-03-30批准68
微分筒www.bzxz.net
周定套管
测微螺杆
隔热装置
1988--01-01实施
GB 8061--87
指示丧的分度值和示值范围,杠杆尺的测量范围应符合表1规定。2.2
分度值
示值范围
测微螺杆和活动测砧的测量面直径应为6.5mm或Φ8mm。2.3
杠杆尺必须具有调零机构,锁紧装置和隔热装置。技术要求
杠杆尺不得有影响使用的外部缺陷。测微螺杆的移动应平稳、灵活,无卡滞现象。锁紧装置紧固应可靠,在测力作用下指示表的零位不允许有变动。活动测砧的移动应平稳,灵活,其移动量应大于0.5mm。测蓝范围
0~25.25~50
50~75,75~100
公差指示器应调整方便,在1作状态下不得有变动。调零机构应方便可靠,调节范围应不小于土5个分度,在工作状态下零位不允许有变动。测微螺杆测量面与活动测砧测量面不应有明显的错位,其错位值应不大子表2的规定。表2
测鼠限
错位值
3.8周定套管纵刻线宽度和微分筒上的刻线宽度应为0.15~0.2mm。刻线宽度差不大f0.03mm。3.9杠杆尺在对零位和测量毫米或半毫米数值时,微分筒锥面的端面至固定套管刻线的距离,允许压线不大于0.05mm,离线不大于0.10mm。3.10杠杆尺固定套管纵刻线表面至微分筒锥面棱边的距离应不大于0.4mm。3.11杠杆尺在锁紧装置松开状态下,沿测微螺杆轴线方向施加10N的压力时指针的变动量应不大于1/2个分度。
3.12杠杆尺指示表表盘上的刻线间距应不小于0.8mm,刻线宽度应为0.10~0.20mm,刻线宽度差应不大10.05mm。
3.13杠杆尺指示表的指针尖端宽度应为0.10~0.20mm,指针尖端表面到表盘表面的距离应不大于0.50mm,指针尖端应盖住短刻线长度的30%~80%。3.14杠杆尺两测量面应镶硬质合金。3.15杠杆尺两测量面表面粗糙度按轮算术平均偏差Ra的数值为0.025um(按GB1031--83《表粗糙度参数及其数值》)。
3.16杠杆尺测力和测力变化应符合表3的规定。测
0 ~ 25. 25 ~50
50 ~ 75,75 ~ 100
GB 8061-87
4~10
3.17杠杆尺测量面的平面度公差和两测量面的平行度公差见表4。表4
分度值
测面平面度公差
注:在测懂面边缘0.2mm范围内不计。测
两测量面平行度公差
光学平行平晶检定
杠杆尺指示表的主要精度要求应不大于表5的规定。表5
分度值
示值误差
±20个分度内±0.5
±20个分度外±1.0
±20个分度内±1.0
±20个分度外±2
示值总误差
示值变动性
3.19杠杆尺的综合误差应不大于表6的规定。表6
测量范围
50~75
75~100
方位误差
鼠块检定
锁紧时指针的变动量
3.20测量上限等于或大于50mm的杠杆尺应附有校对量杆,校对量杆应有隔热装置,其标称尺寸,尺
寸偏差,两测量面的平面度和平行度公差见表7。70
分度值
测鼠范围
75~100
GB8061 -
校对量杆标称值
注:分度值为0.001mm的杠杆尺允许用0级量块校对零位。3.21
尺 寸
平面度和平行度公等
校对量杆测量面的表面粗糙度按轮廓算术平均偏差Ra的数值为0.025μm(按GB1031--83)。校对量杆测量面的硬度应不低于HV766(HRC 62)。4标志与包装
产品上应标志:
制造广广名或注册商标,
测量范围:
分度值:
产品序号。
校对量杆上应标志标称值。
包装盒上应标志:
制造厂广名或注册商标,
产品名称,
测量范围;
分度值。
杠杆尺在包装前应经防锈处理,并妥善包装,不得因包装不善而在运输过程中损环产品。4.3
4.4杠杆尺经检定符合本标准要求的应附有产品合格证,产品合格证上应标有本标准的标准号,产品序号和出广日期。
GB 8061—87
附录A
杠杆千分尺的检验方法
(补充件)
本附录是制造」出」检验杠杆千分尺的测试方法。A1测量面的平面度
A1.1检验I具
光学平面平晶,或光学平行半晶。A1.2检验方法
将光学平晶或光学平行平品与测量面贴合后,读取光波十涉带条纹的条数(在测量面边缘0.2mm范围内不计)。
A2测量面的平行度
A2.1检验工具
a.光学平行平晶:
b.量块(0级)。
A2.2检验方法
A2.2.1平晶检验
将光学平行平晶置于两測量面间,锁紧测微螺杆,在测力作用下,根据自光读取两测量面上光波干涉带条纹的条数(观测角应小丁30°)。A2.2.2量块检验
将量块放置在测量面的位置1(见图A1)上对零位,锁紧测微螺杆,用该量块依次测试测量面第2,3,4位置上的示值,由任意两个位置上示值之差中的最大差值求得。d
测量面
A3测微螺杆轴向案动
A3.1检验工具
a.感量不人于0.2N的测力计,
b.球面接杆(测量上限等于或大于25mm的杠杆尺使用)A3.2捡验方法
GB 8061—87
旋转测微螺杆使指针指向零位(或任意刻线),在松开锁紧装置状态卜,沿测微螺杆轴线方向在其尾部施加10N的压力时指针的变动量应不大于1/2个分度,检验时不得拨动按钮利调节调零装置。A4锁紧时指针的变动量
A4.1检验工具
a。量块,
b.球面接长杆。
A4.2检验方法
调整指针与任意刻线重合,然后锁紧测微螺杆由指示表上读取指针偏离刻线的距离。A5方位误差
A5.1检验工具
球面接长杆。
A5.2检验方法
以零位和正负最大示值刻线处为受检点,检验时先在水平面内调节指针与受检点刻线重合,然后锁紧测微螺杆,在垂直面任意方位上读取指针偏离受检点刻线的距离(检验读数时不得拨动按钮)。A6指示表的示值变动性
A6.1检验工具
量块或球面测头。
A6.2检验万法
在两测量面间夹一量块(或球面测头),使指针从负方向朝正方向转动到任一位置(见图A2),并锁紧测微螺杆,以此作为受检点,然后拨动按钮5次,求5次指针偏离受检点的最大值。n
图A2中①,②,③为检验步骤:①转动测微螺杆使指针转到受检点的位置。②拨动按钮使指针超过刻度极限。③放开按钮。
A7指示表的示值误差
A7.1检验工具
0.001mm杠杆尺检验指示表示值的专用量块组(0.950,0.960,0.970,0.980,0.982,0.984,0.986,0.988,0.990,0.992,0.994,0.996,0.998,1.1.002,1.004,1.006,1.008,1.010.1.012.1.014,1.016,1.018,1.020,1.030,1.040,1.050共27块)0.002mm杠杆尺检验指示表示值的专用量块组(0.940,0.960,0.964,0.968,0.972,0.976,0.980,0.984,0.988,0.992,0.996,1,1.004,1.008,1.012、1.016,1.020,1.024,1.028.1.032.1.036,1.040,1.060共23块)
球面接长杆。
A7.2检验方法
GB 8061-- 87
在两测量面间夹持1mm量块并对零位,然后依次替换量块并读取指示表上各受检点的指示偏差值(应加上量块的修正值)。
土20个分度内每隔2个分度为-受检点。土20个分度外每隔10个分度为一受检点。A8指示表的示值总误差
按A7中所得各受检点的示值误差绘出示值误差曲线,在曲线纵坐标上最高点与最低点的差值即为示值总误差。
A9测力和测力变化
A9.1检验工具
感量不大于0.2N的测力计。
A9.2检验方法
将活动测砧按其轴线垂直于水平面安置,再借助一钢球将测量面测力作用于测力计,读取指针在正负极限两个位置上的测力,两测力的算术平均值为杠杆尺的测力,两测力之差为杠杆尺的测力变化。A10综合误差
A10.1检验工具
检验综合误差专用量块组(2.5,5.1,7.7.10.3,12.9,15,17.6,20.2,20.825mm)和球面接长杆。
A10.2检验方法
将杠杆尺调准零位后,依次将测微螺杆旋转到2.5,5.1,7.7,10.3,12.9,15,17.6,20.2,20.8和25mm刻线处并锁紧,并依次在两测量面间夹持标称值与上述尺寸相等的量块,读取指示表的示值(偏离零位的偏差值)并应加上量块的修正值后即为杠杆尺的综合误差。对不同测量范围的杠杆尺需用相应尺寸的量块组或采用球面接长杆。附加说明:
本标准由国家机械工业委员会提出,由国家机械工业委员会成都工具研究所归口。本标准由成都量具刃具厂,哈尔滨量具刃具厂,桂林量具刃具负责起草。本标准主要起草人胡宗泽、郝路平、唐瑞蕴。74
小提示:此标准内容仅展示完整标准里的部分截取内容,若需要完整标准请到上方自行免费下载完整标准文档。

标准图片预览:





- 其它标准
- 热门标准
- 国家标准(GB)
- GB/T42403-2023 激光器和激光相关设备 激光光谱特性测量方法
- GB/T5177.5-2002 工业直链烷基苯
- GB29987-2014 食品安全国家标准 食品添加剂 胶基及其配料
- GB16853-1997 结核病监测标准
- GB/T14945-1994 货物运输常用残损代码
- GB/T43762-2024 航空航天 卡箍术语
- GB/T17972-2000 信息处理系统 数据通信 局域网中使用X.25包级协议
- GB/T19250-2013 聚氨酯防水涂料
- GB/T33814-2017 焊接H型钢
- GB/T38557.1-2020 系统与软件工程 接口和数据交换 第1部分:企业资源计划系统与制造执行系统的接口规范
- GB/T38004-2019 ISO 8624:2011 眼镜架测量系统和术语
- GB/T23344-2009 纺织品 4-氨基偶氮苯的测定
- GB/T37319-2019 电梯节能逆变电源装置
- GB/T24356-2023 测绘成果质量检查与验收
- GB/T34252-2017 日用陶瓷器抗釉裂测试方法
- 行业新闻
请牢记:“bzxz.net”即是“标准下载”四个汉字汉语拼音首字母与国际顶级域名“.net”的组合。 ©2009 标准下载网 www.bzxz.net 本站邮件:bzxznet@163.com
网站备案号:湘ICP备2023016450号-1
网站备案号:湘ICP备2023016450号-1