- 您的位置:
 - 标准下载网 >>
 - 标准分类 >>
 - 国家标准(GB) >>
 - GB 9685-1994 食品容器、包装材料用助剂使用卫生标准
 
标准号:
GB 9685-1994
标准名称:
食品容器、包装材料用助剂使用卫生标准
标准类别:
国家标准(GB)
标准状态:
已作废- 
          	
发布日期:
1994-01-24 - 
		 
实施日期:
1994-08-01 - 
          	
作废日期:
2004-05-01 出版语种:
简体中文下载格式:
.rar.pdf下载大小:
112.89 KB
标准ICS号:
食品技术>>67.040食品综合中标分类号:
医药、卫生、劳动保护>>卫生>>C53食品卫生
点击下载
标准简介:
										 标准下载解压密码:www.bzxz.net
					 					 
						 
	        
	      本标准规定了食品容器、包装材料用助剂品种、使用范围和最大使用量。本标准适用于生产塑料、橡胶、涂料等食品容器、包装材料和食品机械设备、工用具时所使用的助剂。 GB 9685-1994 食品容器、包装材料用助剂使用卫生标准 GB9685-1994
部分标准内容:
					
					中华人民共和国国家标准
食品容器、包装材料用助剂使用卫生标准
Hygienic standard for adjuvants and processing aidsin food containers and packaging materials主题内容与适用范围
本标准规定了食品容器、包装材料用助剂品种、使用范阖和最大使用量。GB 9685-94
代替GB9685—88
本标准适用于生产塑料、橡胶、涂料等食品容器、包装材料和食品机械设备、工用具时所使用的助剂。
2食品容器、包装材料用助剂的品种、使用范围和最大使用量食品容器、包装材料用助剂的品种、使用范围和最大使用量应符合下表的要求。种
增塑剂
品飾种
已二酸二辛酯(DOA)
邻苯二甲酸二正丁酯(DBP)
邻苯二甲酸(2-乙基己酯)(DOP)邻苯二甲酸二异辛酯(DIOP)
葵二酸二辛酯(DOS)
使用范围
塑料橡胶
塑料橡胶
塑料玻璃纸
粘合剂橡胶
塑料橡胶
瓶垫塑料
丁基邻苯二甲酰基乙醇酸丁酯(BPBG))涂料粘合剂磷酸二苯异辛酯(DPOP)
硬脂酸丁酯(BS)
环氧大豆油
单硬脂酸甘油酯
中华人民共和国卫生部1994-01-24批准食品包装材料
塑料橡胶
食品包装材料
最大使用量,%
正常生产需要
正常生产需要
混合使用时,应根据
最大使用量按比例
不得用于长期接触
油脂的制品中
还可作稳定剂
还可作润滑剂bzxz.net
1994-08-01实施
稳定剂
抗睾剂
填充剂
交联剂
着色剂
润滑剂
硬脂酸钙
硬脂酸镁
GB 9685-94
使用范围
双(硫代甘醇酸异辛)二正辛基锡戴S'S-双(硫基乙酸异率)二正辛基锡硬酸锌
亚磷酸一苯二异辛醋
双硬脂酸铝
毅T基羟基茴香醚(BHA)
叔二丁基羟基甲兼(防老剂(264)(BHT)
1,13-三(2-甲基-4-羟基-5-叔丁基苯基)T烷(抗氧剂CA)
四[3-(3'5'-二叔丁基4'-羟基苯基)丙酸季戊四醇酯(抗氧剂1010)
碳酸钙
重质碳酸钙
轻质碳酸钙
灣石粉
白炭黛Si2
过鐵化甲乙酮
过氧化苯甲酰
二化钛(钛白粉)
氧化锌(锌白)
戴花铁红(FeO.)
颜料147
颜料蓝15
硬脂酸
食用植物油
粘合剂
粘合剂
橡胶粘合剂
不饱和聚酯
不钩和聚酯
塑料橡胶
塑料?橡胶涂料
塑料橡胶
塑料橡胶
塑料橡胶涂料
食品包装材料
最大使用量,%
正常生产需要
正常生产带要
正常生产需要
正常生产馨要
正常生产需要
正常生产髓要
正常生产需要
正常生产蒂要
正常生产需要
正常生产露要
正常生产需要
还可作防老剂
与脂肪、醇类接触
的制品,最大使用
量为0.1%
不得有脱色现象,混
合使用封,报据最大
使用量折算
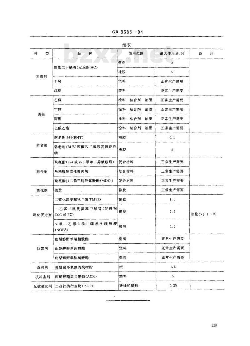
发滋剂
防老剂
粘合剂
硫化剂
偶氮二甲酰胺(发泡剂AC)
乙酸乙酯
防老剂264(BHT)
GB968594
使用范圈
粘合剂
粘合剂
粘合剂
粘合剂
防老剂(BLE)丙酮和二苯胺高温反应物
聚氨酯(2,4或2.6-甲苯二异酸酯)马来酸酐改性聚丙烯
聚氨酯[(苯甲烷异氰酸酯(MDI)
二硫化四甲基秋兰姆TMTD
复合材料
复合材料
复合材料
二乙基二硫代氨基甲酸锌(促进剂橡胶
硫化促进剂ZDC或FZ)
N-氧二乙撑-2-苯并壁壁次磺酰胺橡胶
(NOBS)
山梨醇酐单硬脂酸酯
防雾剂
湿强剂
抗冲击剂
光嫩催化剂
山梨醇酐华油酸酯
山梨醇酐单棕焖酸酯
聚酰胺环氧氯丙烷树脂
丙烯酸酯类共聚物(ACR)
茂铁类御生物(PC-2))
聚烯烃塑料
最大使用量,%
正常生产需要
正常生产需要
正常生产需要
正常生产需要
正常生产需要
正常生产需要
正常生产需要
正常生产需要
正常生产需要
正常生产需要
正常生产需要
正常生产需
正常生产需要
总量小于1.5%
附加说明:
本标准由卫生部卫生监督司提出。GB9685--94
本标准由上海市食品卫生监督检验所负责起草。本标准主要起草人顾振华、张维兰本标准由卫生部委托技术归口单位卫生部食品卫生监督检验所负费解释。230
小提示:此标准内容仅展示完整标准里的部分截取内容,若需要完整标准请到上方自行免费下载完整标准文档。
	 
	        
	      食品容器、包装材料用助剂使用卫生标准
Hygienic standard for adjuvants and processing aidsin food containers and packaging materials主题内容与适用范围
本标准规定了食品容器、包装材料用助剂品种、使用范阖和最大使用量。GB 9685-94
代替GB9685—88
本标准适用于生产塑料、橡胶、涂料等食品容器、包装材料和食品机械设备、工用具时所使用的助剂。
2食品容器、包装材料用助剂的品种、使用范围和最大使用量食品容器、包装材料用助剂的品种、使用范围和最大使用量应符合下表的要求。种
增塑剂
品飾种
已二酸二辛酯(DOA)
邻苯二甲酸二正丁酯(DBP)
邻苯二甲酸(2-乙基己酯)(DOP)邻苯二甲酸二异辛酯(DIOP)
葵二酸二辛酯(DOS)
使用范围
塑料橡胶
塑料橡胶
塑料玻璃纸
粘合剂橡胶
塑料橡胶
瓶垫塑料
丁基邻苯二甲酰基乙醇酸丁酯(BPBG))涂料粘合剂磷酸二苯异辛酯(DPOP)
硬脂酸丁酯(BS)
环氧大豆油
单硬脂酸甘油酯
中华人民共和国卫生部1994-01-24批准食品包装材料
塑料橡胶
食品包装材料
最大使用量,%
正常生产需要
正常生产需要
混合使用时,应根据
最大使用量按比例
不得用于长期接触
油脂的制品中
还可作稳定剂
还可作润滑剂bzxz.net
1994-08-01实施
稳定剂
抗睾剂
填充剂
交联剂
着色剂
润滑剂
硬脂酸钙
硬脂酸镁
GB 9685-94
使用范围
双(硫代甘醇酸异辛)二正辛基锡戴S'S-双(硫基乙酸异率)二正辛基锡硬酸锌
亚磷酸一苯二异辛醋
双硬脂酸铝
毅T基羟基茴香醚(BHA)
叔二丁基羟基甲兼(防老剂(264)(BHT)
1,13-三(2-甲基-4-羟基-5-叔丁基苯基)T烷(抗氧剂CA)
四[3-(3'5'-二叔丁基4'-羟基苯基)丙酸季戊四醇酯(抗氧剂1010)
碳酸钙
重质碳酸钙
轻质碳酸钙
灣石粉
白炭黛Si2
过鐵化甲乙酮
过氧化苯甲酰
二化钛(钛白粉)
氧化锌(锌白)
戴花铁红(FeO.)
颜料147
颜料蓝15
硬脂酸
食用植物油
粘合剂
粘合剂
橡胶粘合剂
不饱和聚酯
不钩和聚酯
塑料橡胶
塑料?橡胶涂料
塑料橡胶
塑料橡胶
塑料橡胶涂料
食品包装材料
最大使用量,%
正常生产需要
正常生产带要
正常生产需要
正常生产馨要
正常生产需要
正常生产髓要
正常生产需要
正常生产蒂要
正常生产需要
正常生产露要
正常生产需要
还可作防老剂
与脂肪、醇类接触
的制品,最大使用
量为0.1%
不得有脱色现象,混
合使用封,报据最大
使用量折算
发滋剂
防老剂
粘合剂
硫化剂
偶氮二甲酰胺(发泡剂AC)
乙酸乙酯
防老剂264(BHT)
GB968594
使用范圈
粘合剂
粘合剂
粘合剂
粘合剂
防老剂(BLE)丙酮和二苯胺高温反应物
聚氨酯(2,4或2.6-甲苯二异酸酯)马来酸酐改性聚丙烯
聚氨酯[(苯甲烷异氰酸酯(MDI)
二硫化四甲基秋兰姆TMTD
复合材料
复合材料
复合材料
二乙基二硫代氨基甲酸锌(促进剂橡胶
硫化促进剂ZDC或FZ)
N-氧二乙撑-2-苯并壁壁次磺酰胺橡胶
(NOBS)
山梨醇酐单硬脂酸酯
防雾剂
湿强剂
抗冲击剂
光嫩催化剂
山梨醇酐华油酸酯
山梨醇酐单棕焖酸酯
聚酰胺环氧氯丙烷树脂
丙烯酸酯类共聚物(ACR)
茂铁类御生物(PC-2))
聚烯烃塑料
最大使用量,%
正常生产需要
正常生产需要
正常生产需要
正常生产需要
正常生产需要
正常生产需要
正常生产需要
正常生产需要
正常生产需要
正常生产需要
正常生产需要
正常生产需
正常生产需要
总量小于1.5%
附加说明:
本标准由卫生部卫生监督司提出。GB9685--94
本标准由上海市食品卫生监督检验所负责起草。本标准主要起草人顾振华、张维兰本标准由卫生部委托技术归口单位卫生部食品卫生监督检验所负费解释。230
小提示:此标准内容仅展示完整标准里的部分截取内容,若需要完整标准请到上方自行免费下载完整标准文档。
标准图片预览:




- 其它标准
 
- 热门标准
 - 国家标准(GB)
 
- GB/T21666-2008 尿吸收辅助器具 评价的一般指南
 - GB/T13070-1991 铀矿石中铀的测定 电位滴定法
 - GB/T2670.2-2017 内六角花形沉头自攻螺钉
 - GB/T38684-2020 金属材料 薄板和薄带 双轴应力-应变曲线胀形试验 光学测量方法
 - GB/T9003-1988 调音台基本特性测量方法
 - GB5585.3-1985 电工用铜、铝及其合金母线 第3部分:铝母线
 - GB/T19561-2004 寒地节能日光温室建造规程
 - GB/T7574-1987 信息处理交换用磁带标号和文卷结构
 - GB/T24715-2009 氧源转换器
 - GB11564-2008 机动车回复反射器
 - GB/Z21193.2-2008 矿物燃烧蒸汽发电站 第2部分:汽包水位控制
 - GB∕T33370-2016 铜及铜合金软化温度的测定方法
 - GB/T283-2007 滚动轴承圆柱滚子轴承外形尺寸
 - GB/T12500-1990 信息处理系统 开放系统互连 面向连接的运输协议规范
 - GB/T18442.6-2011 固定式真空绝热深冷压力容器 第6部分:安全防护
 
- 行业新闻
 
请牢记:“bzxz.net”即是“标准下载”四个汉字汉语拼音首字母与国际顶级域名“.net”的组合。 ©2025 标准下载网 www.bzxz.net 本站邮件:bzxznet@163.com
网站备案号:湘ICP备2025141790号-2
网站备案号:湘ICP备2025141790号-2