- 您的位置:
- 标准下载网 >>
- 标准图集 >>
- 城市道路 >>
- 07MR402城市道路-装配式挡土墙

【07MR402】 城市道路-装配式挡土墙
- 07MR402
- 现行
图集号:
07MR402
图集名称:
城市道路-装配式挡土墙
图集类别:
城市道路
标准状态:
现行-
发布日期:
2016-11-25 -
实施日期:
2008-05-01 下载格式:
pdf zip
替代情况:
代替标准号:-

点击下载
标准简介:
07MR402《城市道路-装配式挡土墙》国家标准设计图集适用于地震动峰值加速度不大于0.20g地区城镇各类新建、扩建和改建的快速路、主干路、次干路及支路的装配式钢筋混凝土扶壁式路肩挡土墙施工图设计。 本图集主要依据《公路路基设计规范》JTG D30-2004、《公路交通安全设施设计规范》JTG D81-2006、《公路桥涵地基与基础设计规范》JTG D63-2007等规范,按照碰撞荷载、地基承载力、基底摩擦系数、墙背填料内摩擦角及填料重度等设计参数编制成墙高为2~7m的装配式挡土墙的布置图、配筋图、构造图、截面尺寸及参数表、钢筋规格及参数表等图表供使用者方便选用。

部分标准内容:
批准部门中华人民共和国建设部主编单位中国市政工程西南设计研究院实行日期二〇〇七年六月一日
总说明
主要符号和选用代号
装配式挡土墙选用索引表(城一A级)装配式挡土墙布置图
装配式挡土墙立面布置示意图,装配式挡土墙总体布置图(-).装配式挡土墙总体布置图(二)
装配式挡土墙总体布置图三)
批准文号建质函[2007]129号
统编号 GJBT-1013
图集号(
07MR402
主编单位负责人
主编单位技术负责人
技术审定人
设计负责人
装配式挡土墙配筋图
装配式挡土墙预制件配筋图(--)装配式挡土墙预制件配筋图(二).装配式挡土墙底板配筋图一)..
装配式挡土墙底板配筋图(二)装配式挡土墙构造图
装配式挡土墙连接构造图(一)装配式挡土墙连接构造图(二)装配式挡土墙连接构造图(三
装配式挡土墙帽石构造图
图集号
审核何成虎计校对李平利|李子利设计张程宏急社店07MR402
装配式挡土墙防,排水构造图:40
装配式挡土墙开挖、地基处理及回填图装配式挡土墙载面尺寸及参数表,装配式挡土墙截面尺寸及参数表().装配式挡土墙截面尺寸及参数表(二)装配式挡土墙截面尺寸及参数表(三)装配式挡土墙截面尺寸及参数表(四)装配式挡土墙截面尺寸及参数表(五)装配式挡土墙截面尺寸及参数表(六):++.+.
装配式挡土墙截面尺寸及参数表(七)·42
装配式挡土墙截面尺寸及参数表八).·49装配式挡土墙截面尺寸及参数表(九)装配式挡土墙截面尺寸及参数表(十)..50
装配武挡主墙截面尺寸及参数表十一·2装配式挡土墙截面尺寸及参数表十二·3装配式挡土墙截面尺寸及参数表十三.54
装配式挡土墙截面尺寸及参数表十四·装配式挡土墙截面尺寸及参数表(十五)......56
装配式挡土墙截面尺寸及参数表(十六.装配式挡土墙截面尺寸及参数表十七…57
.....58
装配式挡土墙截面尺寸及参数表十八)…装配式挡土墙截面尺寸及参数表+.6。装配式挡土墙截面尺寸及参数表(十)·61
装配式挡土墙截面尽寸及参数表二十.2装配式挡士墙截面尺寸及参数表(二十二.·3装配式挡土墙截面尺寸及参数表二十三·.装配式挡土墙截面尺寸及参数表(二十四.·5装配式挡土墙截面尺寸及参数表二十五··装配式挡土墙截面尺寸及参数表二十六··7装配式挡土墙截面尺寸及参数表(二十七…·8装配式挡土墙截面尺寸及参数表二十八69装配式挡土墙截面尺寸及参数表(二十九·装配式挡土墙截面尺寸及参数表三十··装配式挡土墙截面尺寸及参数表三十一)72装配式挡土墙截面尺寸及参数表(三十二73装配式挡土墙截面尺寸及参数表三十三7.目录
图集号
审核 何成虎[校对李平利|李平利设计张程去|感07MR402
装配式挡土墙截面尺寸及参数表三十四7.5装配式挡土墙截面尺寸及参数表三十五76装配式挡土墙截面尺寸及参数表(三十六··装配式挡土墙截面尺寸及参数表(三十七)·78装配式挡王墙截面尺寸及参数表(三十八.·79装配式挡土墙截面尺寸及参数表(三十九8·装配式挡土墙截面尺寸及参数表四十·装配式挡土墙截面尺寸及参数表(四十·装配式挡土墙截面尺寸及参数表(四十二)·83装配式挡土墙截面尺寸及参数表四十三·4装配式挡土墙截面尺寸及参数表(四十四.·5装配式挡土墙截面尺寸及参数表(四十五)8·6装配式挡土墙截面尺寸及参数表四十六…87装配式挡土墙截面尺寸及参数表四十七.·8装配式挡土墙截面尺寸及参数表四十八·装配式挡土墙截面尺寸及参数表(四十九.装配式挡土墙截面尺寸及参数表五十……···装配式挡土墙截面尺寸及参数表五十.2装配式挡土墙截面尺寸及参数表五十二·3装配式挡土墙截面尺寸及参数表(五十三-94装配式挡土墙截面尺寸及参数表五寸四·95装配式挡土墙截面尽寸及参数表五十五..装配式挡土墙截面尺寸及参数表(五十六)··97装配式挡土墙截面尺寸及参数表(五十七)98装配式挡土墙截面尺寸及参数表(五十八…….9装配式挡土墙截面尺寸及参数表(五十九)·100装配式挡土墙截面尺寸及参数表六十…装配式挡土墙截面尺寸及参数表(六十)··102装配式挡土墙截面尺寸及参数表(六十二)·103装配式挡士墙钢筋规格及参数表装配式挡土墙钢筋规格及参数表()装配式挡土墙钢筋规格及参数表(二)装配式挡土墙钢筋规格及参数表(三)装配式挡土墙钢筋规格及参数表(四)·..104
装配式挡土墙钢筋规格及参数表五.08装配式挡七墙钢筋规格及参数表(六).目录
图集号
审核 何成虎校对李平利季利设计张程宏统花离页
07MR402
装配式挡土墙钢筋规格及参数表七·装配式挡土墙钢筋规格及参数表八·装配式挡土墙钢筋规格及参数表九·1装配式挡土墙钢筋规格及参数表+·13.装配式挡土墙钢筋规格及参数表十·14装配式挡土墙钢筋规格及参数表(十二·1装配式挡土墙钢筋规格及参数表十三.·1.装配式挡土墙钢筋规格及参数表十四.17装配式挡土墙钢筋规格及参数表十五·1·装配式挡土墙钢筋规格及参数表十六·.9装配式挡土墙钢筋规格及参数表十七2装配式挡土墙钢筋规格及参数表十八·2装配式挡土墙钢筋规格及参数表(十九·22装配式挡土墙钢筋规格及参数表二十.2.装配式挡土墙钢筋规格及参数表(二十124装配式挡土墙钢筋规格及参数表(二十二125装配式挡土墙钢筋规格及参数表二十三126装配式挡土墙钢筋规格及参数表(二十四127装配式挡土墙钢筋规格及参数表(二十五)··128装配式挡土墙钢筋规格及参数表(二十六)129装配式挡土墙钢筋规格及参数表(二七.·13装配式挡土墙钢筋规格及参数表(二十八)··131装配式挡土墙钢筋规格及参数表(二千九132装配式挡土墙钢筋规格及参数表三十33.装配式挡土墙钢筋规格及参数表(三十134装配式挡土墙钢筋规格及参数表(三十二····135装配式挡土墙钢筋规格及参数表三十三)·136装配式挡土墙钢筋规格及参数表(三十四)··137装配式挡土墙钢筋规格及参数表(三十五)·138装配式挡土墙钢筋规格及参数表三十六).·139装配式挡土墙钢筋规格及参数表三十七)·140装配式挡土墙钢筋规格及参数表(三十八··.·141装配式挡土墙钢筋规格及参数表(三十九·142装配式挡土墙钢筋规格及参数表(四十143装配式挡土墙钢筋规格及参数表(四十)··144装配式挡土墙钢筋规格及参数表(四十二)···145目录
图集号
审核何成虎校对李平利李科设计张程宏页07MR402
装配式挡土墙钢筋规格及参数表(四十三·46.装配式挡土墙钢筋规格及参数表(四十四)·147装配式挡土墙钢筋规格及参数表四十五148装配式挡土墙钢筋规格及参数表(四十六·149装配式挡土墙钢筋规格及参数表(四十七.15.装配式挡土墙钢筋规格及参数表(四十八.151装配式挡土墙钢筋规格及参数表四十九152装配式挡土墙钢筋规格及参数表(五十153装配式挡土墙钢筋规格及参数表(五十-4装配式挡土墙钢筋规格及参数表(五十-155装配式挡土墙钢筋规格及参数表五平三156装配式挡土墙钢筋规格及参数表(五十四·157装配武档土墙钢筋规格及参数表(五十五.158装配式挡土墙钢筋规格及参数表(五十六15.装配式挡土墙钢筋规格及参数表(五十七16装配式挡土墙钢筋规格及参数表(五十八16·装配式挡土墙钢筋规格及参数表(五十九·162装配式挡土墙钢筋规格及参数表(六十.6.装配式挡土墙钢筋规格及参数表六十164装配式挡土墙钢筋规格及参数表(六十二)165道路
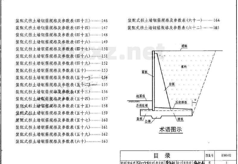
地面线
后浇睡板
后浇趾板
占棒,
术语图示
图集号
申核何成虎校对李平利季利设计张程宏经托页
07MR402
1编制依据
总说明
本图集根据建设部建质「2004146号“关于印发《二O○四年国家建筑标准设计编制工作计划》的通知”进行编制。
2设计依据
《城市道路设计规范》
《城市桥梁设计荷载标准》
《公路工程技术标准》
CJJ 37-90
CJJ 77-98
JTG B01-2Q03
《公路桥涵设计通用规范》:JTGD60-2004《公路钢筋混凝土及预应力混凝土桥涵设计规范》JTG D62-2004
《公路路基设计规范》\,
《公路工程抗震设计规范》
JTG D30-2004
JTJ 004-89
《公路交通安全设施设计规范》JTGD81-2006《公路交通安全设施施工技术规范》JTG F71-2006
《铁路路基支挡结构设计规范》TB 10025-2006
《钢结构设计规范》
GB: 50017-2003
《公路桥涵地基与基础设计规范》JTG D63-2007
3适用范围
3.1本图集适用于城镇各类新建、扩建或改建的快速路,主干路、次干路及支路的装配式钢筋混凝士扶壁式路肩挡土墙施工图设计
3.2本图集按一般地质条件设计,不适用于软土、液化土、膨胀土、湿陷性黄土、常年冻土等特殊地质条件。3.3本图集不适用于浸水式挡土墙及存在滑坡、泥石流等地质灾害地区的挡土墙
3.4本图集适用于地震动峰值加速度小于或等于0.20g地区的挡土墙;当地震动峰值加速度为0.10g、0.15g时,按抗震设防烈度8度(0.20g)选用本图集:当地震总说明
审核何成虎校对张程宏|设计高建宇|震图集号
07MR402
动峰值加速度大于0.20g时,应按相关规范另行设计。4技术指标
4.1汽车荷载(车辆荷载)
4.1,1城一A级:适用于城市快速路及主干路。4.1.2城一B级:适用于城市次于路及支路。4.2人群荷载:3.5kN/m2。
4.3地震动峰值加速度值:小于或等于0.20g。4.4作用于墙项护栏上的车辆碰撞力P:4.4.1P一0kN/m:适用于道路两侧布置有人行道的情况。
4.4.2P一53kN/m:适用于道路两侧无人行道,墙顶设置组合式A级防撞护拦的情况。4.5.结构重要性系数%一1.0。
4.6挡土墙墙型:钢筋混凝土扶壁式挡土墙。4.7挡卡墙高:H=2~7m,其间按0.25m分级。4.8
计纵坡:≤7%。
5.1.1挡土墙墙身混凝土强度等级为C30,基础混:凝土强度等级为C25,均按《公路钢筋混凝上及预应力混凝土桥涵设计规范》JTGD62-2004中1类环境设计,当用于II类环境类别时,其最低混凝土强度等级为C30。
5.1.2当挡土墙位于有抗冻要求地区时其混凝土的抗冻等级应按《公路钢筋混凝土及预应力混凝土桥涵设计规范》JTGD62-2004的规定,结合本地区最冷月月平均气温选用,但不得低于F150级,且应掺入适量引气剂。
5.1.3混凝土所用材料应符合《公路桥涵施工技术规范》JTJ0412000的相关规定,
5.2钢筋
钢筋采用HPB235级和HRB335级钢筋,其质量要求应符合《钢筋混凝土用热轧光圆钢筋》GB13013-91及《钢筋混凝土用热轧带肋钢筋》GB1499-1998的规定
5.3钢板
总说明
图集号
审核何成虎校对张程宏嘉设计高建字页
07MR402
钢板采用Q345B级钢,其质量要求应符合《钢结构设计规范》GB50017-2003及《低合金高强度结构钢》GB/T1591-94的规定。5.4墙背填料
墙背填料应采用抗剪强度和透水性能较好的填料,不得选用膨胀性土、淤泥质土、腐殖土、冻胀土、建筑垃圾等质地较差土质作为填料。6主要设计要点
6.1主要设计参数
主要设计参数表
挡土墙型式
车辆荷载
人群荷载(kNtm)
地晨动峰值加速度
军辆磁撞力(kN/m)
墙背填料内摩擦角()
基底摩擦系数
钢筋混凝土重力密度(kN/m3)
墙背填料重力密度(kN/m)
装6:1
钢筋混凝土扶壁式路肩墙
城A级、城一B级
0.10g, 0.15g, 0.20g
30,35,40
0.3, 0.35. 0.4
6.2土压力计算
6.2.1墙背主动土压力以通过墙的垂直面作为假想墙背,按朗金土压力理论计算,以库仑理论作设计验证计算。
6.2.2地震作用下主动土压力按《公路工程抗震设计规范》JTJ.004—89中相关规定计算。6.2.3车辆荷载在挡土墙后填土破坏棱体内引起的主动土压力按《城市桥梁设计荷载标准》CJJ77-98的规定,换算成等代均布土层厚度计算,6.3施加于挡土墙的作用(或荷载)作用(或荷载)分类表
作用(或荷载)分类
永久作用(或荷载)
可变作用
(或荷载)
基本可变作用
(或荷载)
偶然作用(或荷载)
总说明
作用(或荷载)名称
挡土墙结构重力
填土(包括板以上土)重力
填土侧压力
车辆荷载引起的土侧压力
人群荷载引起的土侧压力
地展作用力
作用于墙顶护栏上的车辆碰撞力图集号
审核何成虎校对张程宏|德社设计高建宇|高有页
07MR402
6.4荷载效应组合
荷载效应组合按照《公路路基设计规范》JTCD30一2004的相关规定确定。
6.4.1组合I:挡土墙结构重力+填土重力十填土侧压力。
6.4.2组合11:组合1+车辆荷载引起的土侧压力十人群荷载引起的土侧压力。
6.4.3组合Ⅲ:该组合分别考虑下列两类作用(或荷载),取大值控制设计。
1)地震荷载作用下的组合Ⅱ:组合I十地震作用力。
2)车辆碰撞力作用下的组合Ⅲ:组合1十车辆荷载引起的土侧压力十作用于墙顶护栏上的车辆碰撞力,6.5挡土墙稳定性及基础设计
计规范
墙的稳定性及基础设计按照《公路路基设D30-2004及《公路工程抗震设计规89的相关规定进行,挡土墙的稳定法进行设计验算,基础底面压应力按容许应力法进行验算,其计算容许值详见表6.5,挡土墙的稳定性及基础设计容许值荷载效应组合
项目名称
基础底面压应力
基础洽力偏心距e
抗滑动稳定系数Kc
抗倾覆稳定系数Ko
组合1、
见“装配式挡土墙
截面尺寸及参数表
≤B/6
注:1.B为基础宽度:
组合Ⅲ
车辆撞力工况地震荷载工况
见“装配式挡土墙
截面尺寸及参数表
≤B/6
2.当为组合II时,为了控制凸样提供的抗滑力不至于计算过大,在不考虑凸样作用时,抗滑动稳定系数Kc不应小于1.1。3.当为组合Ⅲ时,f。可予以提高(1)当150kPa≤fa<200kPa时,fa可提高10%;(2)当f。≥200kPa时,可提高25%.6.5.2本图集以在基础底面设置凸样的措施,增加挡土墙的抗滑稳定性,同时在土质地基基底设置水泥稳定砂砾(碎石)层(详见“装配式挡土墙开挖、地基处总说明
图集号
审核何成虎校对张程宏设计高建宇高页
07MR402
理及回填图”)以增强凸样前土体强度。6.6挡土墙构件设计
6.6.1挡土墙的构件设计按照《公路钢筋混凝土及预应力混凝土桥涵设计规范》JTGD62一2004及《公路路基设计规范》JTGD30-2004的相关规定进行。6.6.2挡士墙构件的内力计算参照《公路路基设计规范》JTGD30一2004的规定,以结构力学方法进行计算。
1)挡土墙面板:顺路线方向的面板按以扶壁为支点的悬臂梁计算,面板的竖向内力参照《公路路基设计规范》JTGD30-2004的规定计算。2)挡土墙扶壁(助板):扶壁(肋板)按悬臂T型梁计算。
3)基础:基础的前趾板按面板前缘为支点的悬臂梁计算,基础的后鐘板按以扶壁末端为支点的悬臂梁计算,顺路线方向的后板按以支承于扶壁的连续梁计算。
6.6.3构件按极限状态法设计,组合1、Ⅱ考虑了承载能力极限状态及正常使用极限状态:组合Ⅲ仅作承载能力极限状态设计,其相关参数详见表6.6.2构件设计参数表
参数名称
参数值
组合I、I
环境类别
永久作用(或荷混凝土及土的重力载)的分项系数
土侧压力
汽车荷载的分项系数
地震作用力的分项系数
汽车碰撞力的分项系数
混凝土裂缝控制宽度(mm)
一类,
组合山
不验算
6.6.4挡土墙肋板与基础板间的连接采用钢板焊接连接。焊缝验算按照《钢结构设计规范》GB50017一2003的相关规定进行设计。
1)连接处竖向拉力T:
T,=M/Z
总说明
审核何成虎校对张程宏强鼎设计高建宇高务图集号
07MR402
T,一垂直于基础连接焊缝的力(kN);M-助板底截面弯距设计值(kN·m);Z一计算力臂(m),取Z=B2+t,/2;Bz一预制肋板底宽度(m);
t,一预制面板厚度(m)。
2)连接处水平拉力T2:
Tz一平行于基础连接焊缝的力(kN);Q一肋板底截面剪力设计值(kN):7挡土墙的构造设计及施工注意事项7.1挡土墙的构造设计
7.1.1挡土墙的基底纵坡应采用平坡,当基底具有纵坡时,应按挡土墙分段长度做成台阶型基础。7.1.2
基底稳
为一般土质及岩质地基时,除应满足承载力要求外,其基础最小理置深度应要求:当基础位于横向斜坡地面上时,置深度和距地面的水平距离宜按表7.1.2确定。
斜坡地面基础埋置条件
土层类别
较完整的硬质岩石
一般硬质岩
软质岩石
最小埋置深度h(m)
距地面水平距离L(m)
0.25~0.50
0.60~1.50
1.00~2.00
1.50~2.50
7.1.3当地基为冻胀性土时,应对当地冻结线进行调查,其基础埋置深度应符合以下要求:1)当冻结深度小于或等于1.0m时,基底应在冻结线以下不小于0.25m,并应符合基础最小埋置深度不小于1.0m的要求。
2)当冻结深度超过1.0m时,基底最小埋置深度不小于1.25m,还应将基底至冻结线以下0.25m深度范围的地基土换填为弱冻胀材料。7.1,4挡土墙的伸缩缝和沉降缝宣合并设置,其分段长度应按2.0m的模数划分并不大于12m:在地质条总说明
审核何成虎t校对张程宏众设计高建宇图集号
07HR402
件变化处,墙高突变处、基础厚度变化处及与其他建(构)筑物连接处均应设置伸缩缝和沉降缝7.1.5伸缩缝和沉降缝的缝宽为20mm,缝内沿墙的内、外、顶三边填塞低发泡聚乙烯塑料板、塞入深度不小于150mm。
7.1.6应根据挡土墙附近地形,结合城市排水系统布置修建截、排水沟、并米取封闭地表等措施防止水体侵入墙背破坏棱体内。
7,17在挡土墙面板上应布设泄水孔、以解决墙背排水,泄水孔的间距纵向为2000mm,竖向为2000~3000mm。泄水孔孔径为D80mm。在墙背泄水孔进口处应设置碎石反滤层,厚度300mm。7,1,8若墙背有地下水时,应设置排水盲沟将水引出墙外,排入城市排水设施,排水盲沟可采用软式透水管。
7.1.9基础板二次浇筑混凝土的表面应形成不小于5%的横坡,以防止基础板项积水造成连接件锈蚀。7.1.10沉降缝和伸缩缝两侧挡土墙混凝土基础应同时浇筑完成,预制墙面板的连接采用铰缝连接,铰缝内填C30细石混凝土。
7.1.11挡土墙顶面应根据道路横断面布置设置车行道防撞护拦或人行道栏杆。
7.2施工注意事项bZxz.net
7.2.1当墙背土坡陡于1:5时,在墙背填筑填料之前应将原地面挖成台阶,并进行必要处理。7.2.2基础底面以下的水泥稳定砂砾【碎石)层用于土质地基,其自的是为保证凸样抗滑作用及增强凸择前土体强度,施工时应根据相关施工规范要求加强养护,保证其强度形成。凸样应按照设计要求施工,出样尺寸及位置不应改变,其样槽混凝土应与底板混凝土同时灌筑、以保证墙身稳定。7.2.3装配式挡土墙的主要施工工序基础开挖
一水泥稳定砂砾(碎石)层(士
墙面板(含肋板)预制—
质地基)一基础板整体浇筑一墙面板(含肋板)安装一肋板连接件焊接一基础板二次浇筑,铰缝填注一墙背总说明
图集号
审核何成虎a校对张程宏嘉设计高建字页07MR402
小提示:此图内容仅展示完整标准图集里的部分截取内容,若需要完整标准请到上方自行免费下载完整图集包。

标准图片预览:






图集目录:
07MR402:城市道路-装配式挡土墙
目录
总说明
主要符号和选用代号
附录
装配式挡土墙选用索引表(城-A级)
装配式挡土墙布置图
装配式挡土墙立面布置示意图
装配式挡土墙总体布置图(一)
装配式挡土墙总体布置图(二)
装配式挡土墙总体布置图(三)
装配式挡土墙配筋图
装配式挡土墙预制件配筋图(一)
装配式挡土墙预制件配筋图(二)
装配式挡土墙底板配筋图(一)
装配式挡土墙底板配筋图(二)
装配式挡土墙构造图
装配式挡土墙连接构造图(一)
装配式挡土墙连接构造图(二)
装配式挡土墙连接构造图(三)
装配式挡土墙帽石构造图
装配式挡土墙防、排水构造图
装配式挡土墙开挖、地基处理及回填图
装配式挡土墙截面尺寸及参数表
装配式挡土墙截面尺寸及参数表(一)
装配式挡土墙截面尺寸及参数表(二)
装配式挡土墙截面尺寸及参数表(三)
装配式挡土墙截面尺寸及参数表(四)
装配式挡土墙截面尺寸及参数表(五)
装配式挡土墙截面尺寸及参数表(六)
装配式挡土墙截面尺寸及参数表(七)
装配式挡土墙截面尺寸及参数表(八)
装配式挡土墙截面尺寸及参数表(九)
装配式挡土墙截面尺寸及参数表(十)
装配式挡土墙截面尺寸及参数表(十一)
装配式挡土墙截面尺寸及参数表(十二)
装配式挡土墙截面尺寸及参数表(十三)
装配式挡土墙截面尺寸及参数表(十四)
装配式挡土墙截面尺寸及参数表(十五)
装配式挡土墙截面尺寸及参数表(十六)
装配式挡土墙截面尺寸及参数表(十七)
装配式挡土墙截面尺寸及参数表(十八)
装配式挡土墙截面尺寸及参数表(十九)
装配式挡土墙截面尺寸及参数表(二十)
装配式挡土墙截面尺寸及参数表(二十一)
装配式挡土墙截面尺寸及参数表(二十二)
装配式挡土墙截面尺寸及参数表(二十三)
装配式挡土墙截面尺寸及参数表(二十四)
装配式挡土墙截面尺寸及参数表(二十五)
装配式挡土墙截面尺寸及参数表(二十六)
装配式挡土墙截面尺寸及参数表(二十七)
装配式挡土墙截面尺寸及参数表(二十八)
装配式挡土墙截面尺寸及参数表(二十九)
装配式挡土墙截面尺寸及参数表(三十)
装配式挡土墙截面尺寸及参数表(三十一)
装配式挡土墙截面尺寸及参数表(三十二)
装配式挡土墙截面尺寸及参数表(三十三)
装配式挡土墙截面尺寸及参数表(三十四)
装配式挡土墙截面尺寸及参数表(三十五)
装配式挡土墙截面尺寸及参数表(三十六)
装配式挡土墙截面尺寸及参数表(三十七)
装配式挡土墙截面尺寸及参数表(三十八)
装配式挡土墙截面尺寸及参数表(三十九)
装配式挡土墙截面尺寸及参数表(四十)
装配式挡土墙截面尺寸及参数表(四十一)
装配式挡土墙截面尺寸及参数表(四十二)
装配式挡土墙截面尺寸及参数表(四十三)
装配式挡土墙截面尺寸及参数表(四十四)
装配式挡土墙截面尺寸及参数表(四十五)
装配式挡土墙截面尺寸及参数表(四十六)
装配式挡土墙截面尺寸及参数表(四十七)
装配式挡土墙截面尺寸及参数表(四十八)
装配式挡土墙截面尺寸及参数表(四十九)
装配式挡土墙截面尺寸及参数表(五十)
装配式挡土墙截面尺寸及参数表(五十一)
装配式挡土墙截面尺寸及参数表(五十二)
装配式挡土墙截面尺寸及参数表(五十三)
装配式挡土墙截面尺寸及参数表(五十四)
装配式挡土墙截面尺寸及参数表(五十五)
装配式挡土墙截面尺寸及参数表(五十六)
装配式挡土墙截面尺寸及参数表(五十七)
装配式挡土墙截面尺寸及参数表(五十八)
装配式挡土墙截面尺寸及参数表(五十九)
装配式挡土墙截面尺寸及参数表(六十)
装配式挡土墙截面尺寸及参数表(六十一)
装配式挡土墙截面尺寸及参数表(六十二)
装配式挡土墙钢筋规格及参数表
装配式挡土墙钢筋规格及参数表(一)
装配式挡土墙钢筋规格及参数表(二)
装配式挡土墙钢筋规格及参数表(三)
装配式挡土墙钢筋规格及参数表(四)
装配式挡土墙钢筋规格及参数表(五)
装配式挡土墙钢筋规格及参数表(六)
装配式挡土墙钢筋规格及参数表(七)
装配式挡土墙钢筋规格及参数表(八)
装配式挡土墙钢筋规格及参数表(九)
装配式挡土墙钢筋规格及参数表(十)
装配式挡土墙钢筋规格及参数表(十一)
装配式挡土墙钢筋规格及参数表(十二)
装配式挡土墙钢筋规格及参数表(十三)
装配式挡土墙钢筋规格及参数表(十四)
装配式挡土墙钢筋规格及参数表(十五)
装配式挡土墙钢筋规格及参数表(十六)
装配式挡土墙钢筋规格及参数表(十七)
装配式挡土墙钢筋规格及参数表(十八)
装配式挡土墙钢筋规格及参数表(十九)
装配式挡土墙钢筋规格及参数表(二十)
装配式挡土墙钢筋规格及参数表(二十一)
装配式挡土墙钢筋规格及参数表(二十二)
装配式挡土墙钢筋规格及参数表(二十三)
装配式挡土墙钢筋规格及参数表(二十四)
装配式挡土墙钢筋规格及参数表(二十五)
装配式挡土墙钢筋规格及参数表(二十六)
装配式挡土墙钢筋规格及参数表(二十七)
装配式挡土墙钢筋规格及参数表(二十八)
装配式挡土墙钢筋规格及参数表(二十九)
装配式挡土墙钢筋规格及参数表(三十)
装配式挡土墙钢筋规格及参数表(三十一)
装配式挡土墙钢筋规格及参数表(三十二)
装配式挡土墙钢筋规格及参数表(三十三)
装配式挡土墙钢筋规格及参数表(三十四)
装配式挡土墙钢筋规格及参数表(三十五)
装配式挡土墙钢筋规格及参数表(三十六)
装配式挡土墙钢筋规格及参数表(三十七)
装配式挡土墙钢筋规格及参数表(三十八)
装配式挡土墙钢筋规格及参数表(三十九)
装配式挡土墙钢筋规格及参数表(四十)
装配式挡土墙钢筋规格及参数表(四十一)
装配式挡土墙钢筋规格及参数表(四十二)
装配式挡土墙钢筋规格及参数表(四十三)
装配式挡土墙钢筋规格及参数表(四十四)
装配式挡土墙钢筋规格及参数表(四十五)
装配式挡土墙钢筋规格及参数表(四十六)
装配式挡土墙钢筋规格及参数表(四十七)
装配式挡土墙钢筋规格及参数表(四十八)
装配式挡土墙钢筋规格及参数表(四十九)
装配式挡土墙钢筋规格及参数表(五十)
装配式挡土墙钢筋规格及参数表(五十一)
装配式挡土墙钢筋规格及参数表(五十二)
装配式挡土墙钢筋规格及参数表(五十三)
装配式挡土墙钢筋规格及参数表(五十四)
装配式挡土墙钢筋规格及参数表(五十五)
装配式挡土墙钢筋规格及参数表(五十六)
装配式挡土墙钢筋规格及参数表(五十七)
装配式挡土墙钢筋规格及参数表(五十八)
装配式挡土墙钢筋规格及参数表(五十九)
装配式挡土墙钢筋规格及参数表(六十)
装配式挡土墙钢筋规格及参数表(六十一)
装配式挡土墙钢筋规格及参数表(六十二)
- 其它标准
- 上一篇: 城市道路──软土地基处理
- 下一篇: 城市道路-无障碍设计
- 热门标准
- 国家标准
- GB/T39249-2020 橡胶和塑料软管及非增强软管织物增强型 低温压扁试验
- GB50115-2009 工业电视系统工程设计规范
- GB/T7095.1-2008漆 漆包铜扁绕组线 第1部分:一般规定
- GB/T285-1994 滚动轴承 双列圆柱滚子轴承 外形尺寸
- GB50724-2011 大宗气体纯化及输送系统工程技术规范
- GB4623-1994 环形预应力混凝土电杆
- GB/T1599-2002 锑锭
- GB/T27404-2008 实验室质量控制规范 食品理化检测
- GB5903-1995 工业闭式齿轮油
- GB/T5094.1-2002 工业系统、装置与设备以及工业产品结构原则与参照代号 第1部分:基本规则
- GB/T5094-1985 电气技术中的项目代号
- GB/T23344-2009 纺织品 4-氨基偶氮苯的测定
- GB/T1357-1987 渐开线圆柱齿轮模数
- GB/T7932-2003 气动系统通用技术条件
- GB/T18615-2002 波纹金属软管用非合金钢和不锈钢接头
网站备案号:湘ICP备2023016450号-1