- 您的位置:
- 标准下载网 >>
- 标准分类 >>
- 国家标准(GB) >>
- GB/T 2601-1981 酚类产品组成的气相色谱测定方法
标准号:
GB/T 2601-1981
标准名称:
酚类产品组成的气相色谱测定方法
标准类别:
国家标准(GB)
英文名称:
Gas chromatography method for determination of the composition of phenolic products标准状态:
已作废-
发布日期:
1981-04-01 -
实施日期:
1982-01-01 -
作废日期:
2008-11-01 出版语种:
简体中文下载格式:
.rar.pdf下载大小:
136.87 KB
替代情况:
被GB/T 2601-2008代替
部分标准内容:
中华人民共和国
国家标准
酚类产品组成的气相色谱测定方法GB 2601—81
本标准适用于焦化产品的三混甲酚、间对甲酚中苯酚、邻甲酚、间甲酚和对甲酚等纽分的测定。本方法使用PBOB液晶作固定液,少盘磷酸为减尾剂,白色405硅烷化载体配制的固定相,试样不需转化处理,直接进样,分离,分析甲酚异构体等组分测量各组分的锋面积。按面积归一化法计算各组分的百分含量。
仅都和试射
1.仪器和试剂
色谱仪:具有以下技术特性的任何色谱仪。(1)氢火焰离子化检测器,敏感度优于10-\克/秒(苯)。(2)记录器,量程为0~~1、0~5、0~10毫伏均可,(3)色谱柱:柱长2~4米,内径3旁米的不锈钢管或玻璃管,(4)氮气(氮气):纯度大于99%。(5)氢气,纯度大于99%。
(6)净化空气,
(7)注射器:10微升微量注射器一支:0.25~1.0毫升医用注射器一支。托盘天平,感量0.1克,
分析天平,感基0.0001克,
色谱固定液:PBOB液晶。液晶相温度范国为120(122)忘124(126)193(195)。磷酸:分析纯,应符合GB1282—77《磷酸》的规定。载体:白色405硅烷化裁体,80~100目,允许使用性能相似的载体。甲醇,分析纯,应符合GBB83—78(甲醇》的规定。无水乙醇:分析纯,粒符合GB678—78《无水乙醇》的规定。二氧甲烷:分析纯。
苯酚,纯度大于99.0%。
邻甲酚:纯度大于99.0%。bzxZ.net
间甲酚,纯度大于9.0%,
对甲酚:纯度大于99.0%。
2,3-二甲酸:纯度大于99.0%,
2,4-二甲酚:纯度大于 99,0%。2,5-二甲酚,纯度大于99.0%。
2,6-二酚:纯度大于99.0%。
3,4-二甲酚:纯度大于 99,0%。3,5-二甲盼,纯度大于99.0%。
中华人民共和国治金工业部
1 9 8 2 年 1 月1 日
糖山热能研究所
恭,纯度大于99.0%
2,3,5-三甲酚;纯度大于99,0%.2,4,5-三甲酚:纯度大于99.0%。2,4,6-三甲酶:纯度大下99.0%,3,4,5-三甲酚:纯度大于99.0%,邻-乙基酚;纯度大于99.0%。
间-乙:纯度大于99.0%。
对-乙基酚:纯度大于 99,0%。
GB2601--81
二、准备工作
2,色谱柱的制备(以内径3毫米,长2米的色谱柱为例)称取0,04克磷酸,加入与8克载体等体积的甲醇溶解,移入蒸发血中,将8克405硅烷化载体倒入其中,红外灯下缓慢搅拌烘干。再称取0.52克PBOB液晶,轻于蒸发Ⅲ中,加入与8克载体等体积的二氣甲烷解,待金淬后,将上面已涂好磷酸的载体加入蒸发逛内的溶液中,在40~50℃或室温下缓慢揽拌烘干,待无二鼠甲烷气味时,即可装柱。3.色谱柱的老化
薪制备好的色谱柱在150℃,通载气老化8~16小,4,包谱柱对于川、对中酚的分离度R值,必须满足如下要求。R=
-相对分离度,数值应大于1.0;
式中.R-
对中酚的保留值,案米;
一间甲的保留值,毫米;
\±对-对甲酚的半蜂宽,毫米:间甲耐的半峰宽,旁米,
)+(m)
间时,2,6-二,甲酚与邻甲酚(或间中酚)的相对分离度R值也应大于1,0,5.试样的稀释
壁取约0.5毫升混合甲爵试样,加入5毫升无水乙醇,稀释后待分析,三、分析步骤
6,色谱分离的典型条件
检测器:氢火焰离子化捡测器(上分100型),固定液:6.5%PBOB液晶。
磷酸,0.5%。
载体:白色405硅烷化载体(80~100目),色谱柱内径:3毫米。
色谱柱长:2米。
柱室温度:开机升温至136℃,1小时后降到114℃操作准。检测器温度,200℃
汽化室温度,270℃。
出口温度:200℃,
氮气流量;18 毫升/分。
氢气流量:30毫升/分。
空气流量:500毫升/分,
记录器纸速:0.5厘米/分。
输入的高电阻:10\兆欧,
衰减档:×1/8.
进样量:0.2~0.6微升。
GB2601--81
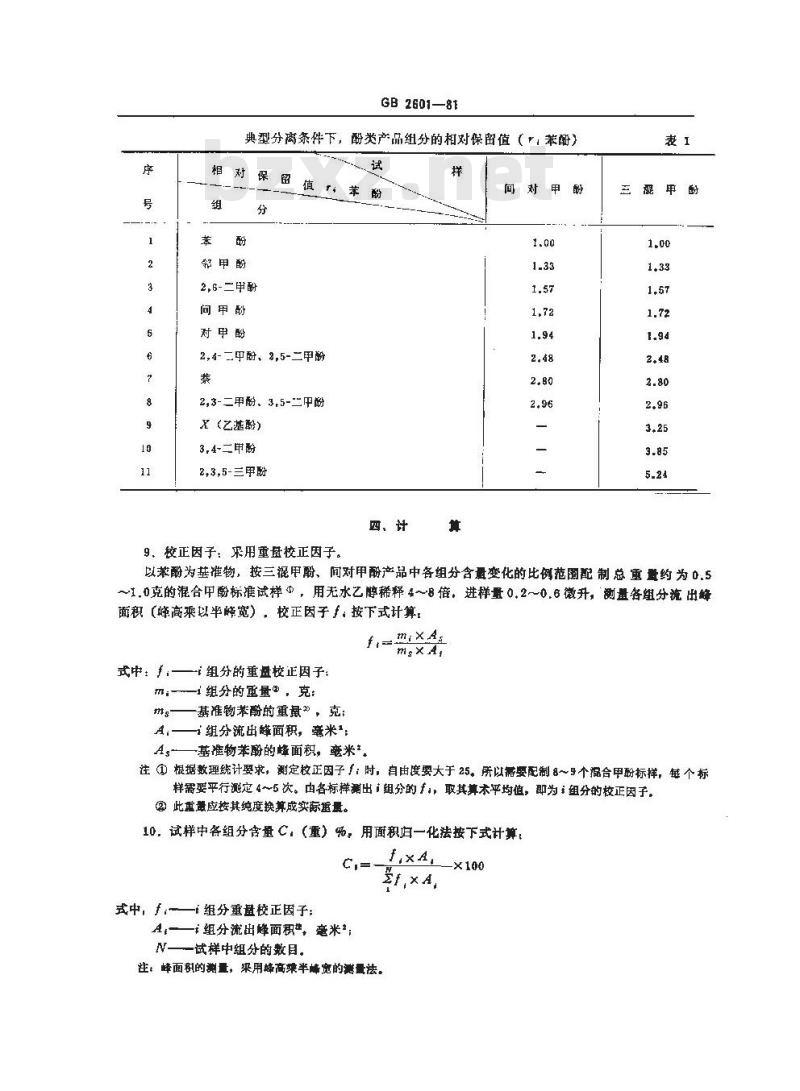
注:色谱柱停用后,每次开机都要进行这样一次升温、降温过程。7.在满足第5条中对分离度R的要求下,充许适当调节操作条件。8.按色游分离条件启动色谱仪,待仪器稳定后,取稀释的试样进行分析。分析三混甲酚、间对甲酚的色谱图分别死谱图1、谱图2。所得酚类产品各组分的相对保留值见表1。60
时间(分)
时间(分)
1—乙醇,2—苯酚*3—邻甲醛,4—2,6-二甲酚,5—间甲酚,6~对甲酚,7—2,4-二甲粉、2,5-二甲酚,8-苯,9—2,3-二甲酚.3,5-二甲酚,10--X(乙基酚)113,4-二甲酚序
GB2601—81
典型分离条件下,酚类产品组分的相对保留值(,苯酐)相对保留值革
邹甲酚
2,6-二甲酚
间甲酚
对甲酚
2,4-二甲酚、2,5-二甲酚
2,3-二甲酚。3,5-二甲酚
X(艺基酚)
3,4-二甲酚
2,3,5-三甲酚
四、计
9、较正因子采用重盘校正因子。样
间对甲酚
馄甲酚
以苯酚为基准物,按三混甲酚、间对甲酚产品中各组分含量变化的比例范围配制总重量约为0.5~1,0克的混合中酚标准试样?,用无水乙醇稀释4~8倍,进样量0.2~0.6微升,测量各组分流出锋面积(峰高乘以半峰宽),校正因子于:按下式计算:ft-
式中,手
—i 组分的重量校正因子:
—1组分的重量?,克:
基准物苯酚的重最”,克:
A:—i组分流出峰面积,毫米\:As基准物苯酚的峰面积,毫米*,m.×As
ms×A:
注①根据数理统计要求,测定校正因子1:时,自由度要大于25,所以需要配制8~9个温合甲酚标样,每个标样需要平行测定4~5次。由各标样测出1组分的f,取其算本乎均值,即为组分的校正因子。②此重最应按其纯度换算成实标垂量。10试样中各组分含量C,(重)%,用面积归一化法按下式计算,C,
式中,f—组分重盘校正因子;
A.—*组分流出峰面积,毫米\;fXA,
St,xA,
N——试样中组分的数目。
注:蜂面积的测量,采用峰高踝半峰宽的激量法,x100
GB2601—81
五、分
11,同一化验室平行试验误差见表2组分,
《重)
萃酚(<20)
邻甲酚(<35)
间甲酚(30~60)
对甲酚(<35)
不大于
不大于
不大于
不大于
误基,
(董)
小提示:此标准内容仅展示完整标准里的部分截取内容,若需要完整标准请到上方自行免费下载完整标准文档。
国家标准
酚类产品组成的气相色谱测定方法GB 2601—81
本标准适用于焦化产品的三混甲酚、间对甲酚中苯酚、邻甲酚、间甲酚和对甲酚等纽分的测定。本方法使用PBOB液晶作固定液,少盘磷酸为减尾剂,白色405硅烷化载体配制的固定相,试样不需转化处理,直接进样,分离,分析甲酚异构体等组分测量各组分的锋面积。按面积归一化法计算各组分的百分含量。
仅都和试射
1.仪器和试剂
色谱仪:具有以下技术特性的任何色谱仪。(1)氢火焰离子化检测器,敏感度优于10-\克/秒(苯)。(2)记录器,量程为0~~1、0~5、0~10毫伏均可,(3)色谱柱:柱长2~4米,内径3旁米的不锈钢管或玻璃管,(4)氮气(氮气):纯度大于99%。(5)氢气,纯度大于99%。
(6)净化空气,
(7)注射器:10微升微量注射器一支:0.25~1.0毫升医用注射器一支。托盘天平,感量0.1克,
分析天平,感基0.0001克,
色谱固定液:PBOB液晶。液晶相温度范国为120(122)忘124(126)193(195)。磷酸:分析纯,应符合GB1282—77《磷酸》的规定。载体:白色405硅烷化裁体,80~100目,允许使用性能相似的载体。甲醇,分析纯,应符合GBB83—78(甲醇》的规定。无水乙醇:分析纯,粒符合GB678—78《无水乙醇》的规定。二氧甲烷:分析纯。
苯酚,纯度大于99.0%。
邻甲酚:纯度大于99.0%。bzxZ.net
间甲酚,纯度大于9.0%,
对甲酚:纯度大于99.0%。
2,3-二甲酸:纯度大于99.0%,
2,4-二甲酚:纯度大于 99,0%。2,5-二甲酚,纯度大于99.0%。
2,6-二酚:纯度大于99.0%。
3,4-二甲酚:纯度大于 99,0%。3,5-二甲盼,纯度大于99.0%。
中华人民共和国治金工业部
1 9 8 2 年 1 月1 日
糖山热能研究所
恭,纯度大于99.0%
2,3,5-三甲酚;纯度大于99,0%.2,4,5-三甲酚:纯度大于99.0%。2,4,6-三甲酶:纯度大下99.0%,3,4,5-三甲酚:纯度大于99.0%,邻-乙基酚;纯度大于99.0%。
间-乙:纯度大于99.0%。
对-乙基酚:纯度大于 99,0%。
GB2601--81
二、准备工作
2,色谱柱的制备(以内径3毫米,长2米的色谱柱为例)称取0,04克磷酸,加入与8克载体等体积的甲醇溶解,移入蒸发血中,将8克405硅烷化载体倒入其中,红外灯下缓慢搅拌烘干。再称取0.52克PBOB液晶,轻于蒸发Ⅲ中,加入与8克载体等体积的二氣甲烷解,待金淬后,将上面已涂好磷酸的载体加入蒸发逛内的溶液中,在40~50℃或室温下缓慢揽拌烘干,待无二鼠甲烷气味时,即可装柱。3.色谱柱的老化
薪制备好的色谱柱在150℃,通载气老化8~16小,4,包谱柱对于川、对中酚的分离度R值,必须满足如下要求。R=
-相对分离度,数值应大于1.0;
式中.R-
对中酚的保留值,案米;
一间甲的保留值,毫米;
\±对-对甲酚的半蜂宽,毫米:间甲耐的半峰宽,旁米,
)+(m)
间时,2,6-二,甲酚与邻甲酚(或间中酚)的相对分离度R值也应大于1,0,5.试样的稀释
壁取约0.5毫升混合甲爵试样,加入5毫升无水乙醇,稀释后待分析,三、分析步骤
6,色谱分离的典型条件
检测器:氢火焰离子化捡测器(上分100型),固定液:6.5%PBOB液晶。
磷酸,0.5%。
载体:白色405硅烷化载体(80~100目),色谱柱内径:3毫米。
色谱柱长:2米。
柱室温度:开机升温至136℃,1小时后降到114℃操作准。检测器温度,200℃
汽化室温度,270℃。
出口温度:200℃,
氮气流量;18 毫升/分。
氢气流量:30毫升/分。
空气流量:500毫升/分,
记录器纸速:0.5厘米/分。
输入的高电阻:10\兆欧,
衰减档:×1/8.
进样量:0.2~0.6微升。
GB2601--81
注:色谱柱停用后,每次开机都要进行这样一次升温、降温过程。7.在满足第5条中对分离度R的要求下,充许适当调节操作条件。8.按色游分离条件启动色谱仪,待仪器稳定后,取稀释的试样进行分析。分析三混甲酚、间对甲酚的色谱图分别死谱图1、谱图2。所得酚类产品各组分的相对保留值见表1。60
时间(分)
时间(分)
1—乙醇,2—苯酚*3—邻甲醛,4—2,6-二甲酚,5—间甲酚,6~对甲酚,7—2,4-二甲粉、2,5-二甲酚,8-苯,9—2,3-二甲酚.3,5-二甲酚,10--X(乙基酚)113,4-二甲酚序
GB2601—81
典型分离条件下,酚类产品组分的相对保留值(,苯酐)相对保留值革
邹甲酚
2,6-二甲酚
间甲酚
对甲酚
2,4-二甲酚、2,5-二甲酚
2,3-二甲酚。3,5-二甲酚
X(艺基酚)
3,4-二甲酚
2,3,5-三甲酚
四、计
9、较正因子采用重盘校正因子。样
间对甲酚
馄甲酚
以苯酚为基准物,按三混甲酚、间对甲酚产品中各组分含量变化的比例范围配制总重量约为0.5~1,0克的混合中酚标准试样?,用无水乙醇稀释4~8倍,进样量0.2~0.6微升,测量各组分流出锋面积(峰高乘以半峰宽),校正因子于:按下式计算:ft-
式中,手
—i 组分的重量校正因子:
—1组分的重量?,克:
基准物苯酚的重最”,克:
A:—i组分流出峰面积,毫米\:As基准物苯酚的峰面积,毫米*,m.×As
ms×A:
注①根据数理统计要求,测定校正因子1:时,自由度要大于25,所以需要配制8~9个温合甲酚标样,每个标样需要平行测定4~5次。由各标样测出1组分的f,取其算本乎均值,即为组分的校正因子。②此重最应按其纯度换算成实标垂量。10试样中各组分含量C,(重)%,用面积归一化法按下式计算,C,
式中,f—组分重盘校正因子;
A.—*组分流出峰面积,毫米\;fXA,
St,xA,
N——试样中组分的数目。
注:蜂面积的测量,采用峰高踝半峰宽的激量法,x100
GB2601—81
五、分
11,同一化验室平行试验误差见表2组分,
《重)
萃酚(<20)
邻甲酚(<35)
间甲酚(30~60)
对甲酚(<35)
不大于
不大于
不大于
不大于
误基,
(董)
小提示:此标准内容仅展示完整标准里的部分截取内容,若需要完整标准请到上方自行免费下载完整标准文档。
标准图片预览:





- 其它标准
- 热门标准
- 国家标准(GB)
- GB/T18204.4-2000 公共场所毛巾、床上卧具微生物检验方法细菌总数测定
- GB/T11839-1989 二氧化铀芯块中硼的测定 姜黄素萃取光度法
- GB/T5738-1995 瓶装酒、饮料塑料周转箱
- GB/T21238-2007 玻璃纤维增强塑料夹砂管
- GB/T28809-2012 轨道交通 通信、信号和处理系统 信号用安全相关电子系统
- GB/T15917.3-1995 金属镝及氧化镝化学分析方法 对氯苯基荧光酮--溴化十六烷基三甲基胺分光光度法测定钽量
- GB5793-1986 字鼓式行式打印机色带卷轴基本尺寸
- GB/T11813-2008 压水堆燃料棒氦质谱检漏
- GB/T38780-2020 竹席
- GB/T10827.5-2023 工业车辆 安全要求和验证 第5部分:步行式车辆
- GB/T14652.2-2001 小艇﹐非耐火燃油软管
- GB12528.1-1990 交流额定电压3 kV及以下铁路机车车辆用电缆(电线) 一般规定
- GB/T3907-1983 工业无线电干扰基本测量方法
- GB/T15969.5-2002 可编程序控制器 第5部分: 通信
- GB19148.2-2003 插脚式灯座的型式和尺寸
- 行业新闻
请牢记:“bzxz.net”即是“标准下载”四个汉字汉语拼音首字母与国际顶级域名“.net”的组合。 ©2025 标准下载网 www.bzxz.net 本站邮件:bzxznet@163.com
网站备案号:湘ICP备2025141790号-2
网站备案号:湘ICP备2025141790号-2