- 您的位置:
- 标准下载网 >>
- 标准分类 >>
- 国家标准(GB) >>
- GB/T 13667.1-1992 钢制书架通用技术条件
标准号:
GB/T 13667.1-1992
标准名称:
钢制书架通用技术条件
标准类别:
国家标准(GB)
标准状态:
已作废-
发布日期:
1992-09-04 -
实施日期:
1993-08-01 -
作废日期:
2004-05-01 出版语种:
简体中文下载格式:
.rar.pdf下载大小:
408.83 KB
标准ICS号:
家用和商用设备、文娱、体育>>97.140家具中标分类号:
轻工、文化与生活用品>>家具>>Y81家具制品
替代情况:
被GB/T 13667.1-2003代替
部分标准内容:
中华人民共和国国家标准
钢制书架通用技术条件
General specification for steel book shelves1主题内容与适用范围
GB/T 13667.1—92
本标准规定了钢制书架的术语、产品分类、技术要求、试验方法、检验规则和标志、包装运输及贮存。本标准适用于钢制书架(以下简称为书架)的制造及检验,并适用于它的派生产品。2引用标准
包装储运图示标志
碳素结构钢
优质碳素结构钢薄钢板和钢带
普通碳素结构钢和低合金结构钢热轧薄钢板及钢带GB1720
GB1730
漆膜附着力测定法
漆膜硬度的测定摆杆阻尼试验
GB1732
漆膜耐冲击测定法
GB1743
GB1763
GB1764
GB3325
GB6807
GB9286
漆膜光泽度测定法
漆膜耐化学试剂性测定法
漆膜厚度测定法
金属家具
钢铁工件涂漆前磷化处理技术条件色漆和清漆漆膜的划格试验
GB/T13666图书用品设备产品型号编制方法3术语
3.1单柱书架
单柱书架指侧面用1根立柱支撑挂板的书架。3.2复柱书架
复柱书架指侧面用2根或2根以上立柱支撑挂板的书架。3.3单面书架
单面书架指搁板单面安装在书架宽度方向,即从一个方向进行使用的书架。3.4双面书架
双面书架指搁板双面安装在书架宽度方向,即同时从正反两个方向进行使用的书架。3.5开式书架
开式书架指书架框架的最外两个侧面未安装防护板的书架。3.6防护式书架
国家技术监督局1992-09-04批准1993-08-01实施
GB/T 13667.192
防护式书架指书架框架的最外两个侧面和顶部安装有宽度大于或等于框架宽度的防护板的书架。3.7半开式书架
半开式书架指书架正面为玻璃档板,反面为开式的书架。3.8层数
层数指每架书架上能摆放图书资料的搁板数。3.9主架
在每组书架中,能独立存放的完整书架,称为主架。3.10副架
相对主架而言,凡不能独立存放的其余书架统称为副架。3.11积层书架
积层书架指用甲板把房间空间分隔成层和档,并有扶梯供上下的大型钢制叠层式书架。3.12密集书架
密集书架指可在导轨上运行,由活动架列和固定架列组成的能分散和紧密集合的书架列组合。4产品分类
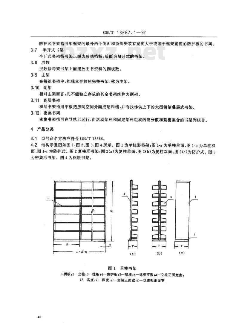
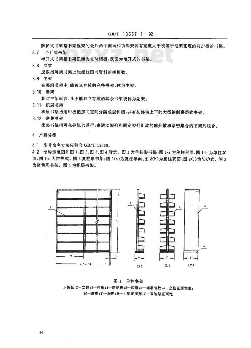
4.1型号命名方法应符合GB/T13666。4.2结构示意图如图1、图2、图3、图4所示。图1为单柱形书架,图1-a为单柱单面、图1-b为单柱双面、图 1-c为防护式。图 2复柱形书架图 2(a)为复柱单面、图2(b)为复柱双面、图2(c)为防护式。图 3为密集形书架。图4为积层书架。T
图1单柱书架
1-搁板+2—立柱:3—挂板4—防护板5-—底座m—标准节数sa--立柱正面宽度,H一高度;T—深度;B—主架正面宽;L—双连架正面宽46
GB/T13667.1—92
图2复柱书架
1-搁板;2—立柱;3—顶板;4—底座;n—标准节数;a一立柱正面宽度;H—高度;T一深度,B—主架正面宽;L—双连架正面宽(c)
GB/T13667.1—92
双面阅定架
B-n+2p
图3密集书架
活动架
单面固定架
1标签板;2-上侧面板;3--操纵手柄;4-中腰板;5—下腰板;6—限位装置;7—导轨8—防尘门;9—底梁;10—搁板;11—挂板—标准节数?p—面板厚度()×
5材料和结构
5.1材料
GB/T13667.1—92
图4积层书架
5.1.1黑色金属材料的选用必须符合GB912和GB710、GB700标准中规定或选用不低于同等性能的材料性能的材料。
5.1.2其他类型的材料选用必须符合相应的材料标准。5.1.3挂板、搁板、立柱的用材必须符合GB710的有关要求。5.2构造要求
5.2.1书架分立柱、搁板、底座和附属部件四大部分,它是一种装配式书架。5.2.2搁板为可动式,最下层的搁板也可是固定式,双面类架子的最下层也可前后兼用块固定的搁板。
5.2.3书架最外侧的立柱上可选用钢质或本质的防护板,书架顶上可装有防护遮灰板,但单柱形可省略。
搁板两端可设置防止书籍倾倒的结构,并可在搁板上安装书档等装置。5.2.5底座应安装调节书架水平及稳定性的装置。49
GB/T13667.1—92
5.2.6搁板的两侧是收蔽物不倒的机构,中间可安装支架。5.2.7为防止身高处的收藏物跌落,书架可安装防跌落装置,悬挂式(磁带等用)附属装置及支承(仅指水平载荷1的书架)。
5.2.8适用于水平载荷1的书架,构造应有接受上方连接或上下方固定的防倒置装置,参见图7。5.2.9书架成列或成排安装时,应具有纵横向互相连接固定的防倒置装置,见图5、见图6。立柱
GB/T 13667.1-92
X方向上部连接
Y方向上部连接
5.2.10单柱单面形架子背靠建筑物安装时,必须保证足够的稳定性。5.2.11同型号规格产品的零部件应能互换。6技术要求
钢制书架应符合本标准,并应按照经规定程序批准的图样和技术文件制造。6.1尺寸与公差
6.1.1书架尺寸中对标准架(主架)的主要尺寸做出规定,见表1~表5。6.1.2从地面到书架最下层的搁板的间距尺寸为90~~160mm。6.1.3立柱的正面宽度为30~60mm。6.1.4立柱上挂板孔的间距为30~60mm。6.1.5书架的制造尺寸允许偏差一般情况下控制在士2mm内,特殊情况下见表6,书架装配后的单架整体尺寸允许偏差应控制在土4mm内。表1竖放
1900以下
1900~2200
2 200~ 2 500
1.900以下
1 900~~2 200
2200~2500
200~~280
注:这里所说的竖放,是指将收藏物的短边方向朝下的放置方法。标准
1900以下
1900~2200
2 200~ 2 500
1900以下
1900~2200
2 200~~2 500
200~280
1900以下
1 900~2 200
2 200~ 2 500
1900以下
1 900~2 200
2 200~2 500
GB/T13667.1—92
表2横放Www.bzxZ.net
300~370柱
注:这里所说的横放,是指将收蔽物的长边方向朝下的放盈方法。表3
1900以下
1 900~2 200
2200~2500
1900以下
1 900~~2 200
2 200~2 500
200~280
注:这里所说的竖放,是指将收物的短边方向朝下的放量方法。表 4竖放
1900以下
1900~2200
2 200-~2500
1900以下
1900~2200
2 200~2 500
120~180柱
注:这里所说的竖放,最指将收藏物的短边方向期下的放置方法。52
1900以下
1 900~~2 200
2 200~2 500
1 900以下
1 900~2 200
2 200~2 500
1900以下
1 900~2 200
2 200~2 500
1900以下
1900~2200
2 200~2 500
1 900以下
1 900~2 200
2200~2500
1900以下
1 900~2200
2 200~~2 500
300~370
200~280
120~180
注:①表5为计算机连续票单的横放;GB/T13667.1-92
表5横放
1900以下
1900~2200
2 200~ 2 500
1.900以下
19002200
2200~2500
②这里所说的横放,是指将收物的长边方向朝下的放置方法。表6
底顶侧撑
挂板挂钩
插孔孔距
注:H表示高度:B表示长度:T表示深度。6.2外观
6.2.1组装后的书架不准有影响外观和使用性能的永久性变形。尺
400~500
800~1000
主要形位公差
垂直度<0.2
400~700
挂板孔对称度<1.0
轴线直线度偏差≤1/1000
平面度<1.0
两蝴面平行度<1.5
6.2.2组装后的书架上,凡触及人体和存放物的部分,应去掉毛边、锐角、突出物和棱角。6.2.3各部位的安装应牢固可靠,不允许有松动现象。6.2.4凡需焊接的部件要焊接牢固,因焊接而产生的形变必须矫正,不允许出现漏焊、焊穿、气孔、咬边等现象,焊痕表面波纹应均匀。6.2.5外表的接头处要求光滑。
6.2.6冲压件表面不允许有裂痕
6.2、7表面涂饰应平整光滑,色泽均匀一致,不允许有流挂、起粒、皱皮、露底、剥落、伤痕等缺陷。6.2.8立柱内壁必须进行防腐处理。6.3表面处理
6.3.1电化
GB/T 13667.1--92
凡需电化的零部件,均应符合GB3325中第3.4.6条要求。6.3.2电镀
凡需电镀的零部件,均应符合GB3325中第3.4.7条要求。6.3.3磷化
钢制书架类产品必须经过磷化处理,经磷化处理后钢制件上形成的磷化膜检验,必须符合GB6807中附录 D要求,并在 1 min 内不泛红为合格。6.3.4油漆和喷塑理化性能
6.3.4.1光泽度为60%~70%。
硬度≥0.4°。
冲击强度≥4N·m。
附着力应不低于2级要求。
漆膜厚度应≥20 um。
耐腐蚀
样板表面涂饰耐化学试剂性试验应能经受温度为15~25℃,漫泡在浓度为3%的氯化钠溶液中,周期为100 h的耐腐蚀试验。
100h内,观察在溶剂中的样板上划道两侧3mm以外,应无气泡产生。a。
b.100 h后,检查划道两侧3mm以外,应无锈迹、剥落、起皱、变色和失光等现象。6.4搁板载荷
搁板的均匀载荷(见表7要求),经24h的连续试验后,最大挠度应<4mm,卸载后的残余变形量在经过2h后,应≤0.3mm。
表7搁板载荷重量
种类符号
6.5全载荷重
摘板载重
书架的每层搁板上均勾载荷(见表8要求,并以双连式考核),经24h连续试验后,书架的挂板、搁板、立柱及其结合部位应无塑性变形和其他异常现象。表8整架全载荷重量
种类符号
N1~12
6.6结构强度
6.6.1水平载荷1
每层掏板载鼠
a.X轴向
GB/T 13667.1—92
双连架(一主一副)按表7要求,施加均匀载荷后,沿X轴向进行拉力试验,经连续试验50次后,检查架体所产生的倾斜变位量。
b.Y轴向
双连架按表8要求,施加均匀载荷后,沿Y轴向进行拉力试验,经连续试验50次后,检查架体所产生的倾斜变位量。
6.6.1.1水平载荷I(X、Y轴向载荷)试验后,其倾斜量不得大于其架体总高的1%。6.6.1.2试验结束后,应检查挂板、搁板、立柱及其他部件,不得有变形或有明显的异状情况发生。6.6.1.3水平载荷I试验中,Y轴向拉力试验不得发生翻倒现象。6.6.2水平载荷1
a.X、Y轴向
双连架按表7~表8要求,施加均匀载荷后,沿X,Y轴向进行拉力试验,经连续试验50次来回后,检查架体所产生的倾斜变位量。b.试验结束后,检查倾斜量不得大于其架体总高的1/40。检查挂板、搁板、立柱及其他部件,不得有变形或有明显的异状情况。c.
7试验方法
7.1主要结构尺寸
采用常规量器具检验。
7.2外观
目测和手感。
7.3表面处理
7.3.1电化及电镀
电化及电镀试验按GB3325中第4.9、4.10、4.11、4.12条检验。7.3.2磷化
磷化处理按GB6807中附录D方法进行。7.3.3漆膜理化性能
7.3.3.1样板制作
样板尺寸50mm×120mm×(0.8~1)mm厚的钢板,随同产品表面处理一起进行。7.3.3.2光泽度试验按GB1743进行。7.3.3.3硬度试验按GB1730进行。7.3.3.4冲击强度试验按GB1732进行。7.3.3.5附着力试验在a、b两项中可任选一项。a.划圜法按GB1720进行。
b、交错划格法按GB9286进行。
7.3.3.6漆膜厚度按GB1764进行,漆膜测厚取样见图8~~图11所示。7.3.3.7耐腐蚀试验
在样板的两个对角线上,用锐利的器具划出深至钢板的伤痕,然后浸入氯化钠溶液。试验结束后,取出样板,用自来水将样板件洗干净,并用滤纸吸干水分,按6.3.4.6条要求检b.
漆膜样板划线如图7所示。
GB/T 13667.1—92
约50mm
两侧3mm
图8立柱
图9挂板
小提示:此标准内容仅展示完整标准里的部分截取内容,若需要完整标准请到上方自行免费下载完整标准文档。
钢制书架通用技术条件
General specification for steel book shelves1主题内容与适用范围
GB/T 13667.1—92
本标准规定了钢制书架的术语、产品分类、技术要求、试验方法、检验规则和标志、包装运输及贮存。本标准适用于钢制书架(以下简称为书架)的制造及检验,并适用于它的派生产品。2引用标准
包装储运图示标志
碳素结构钢
优质碳素结构钢薄钢板和钢带
普通碳素结构钢和低合金结构钢热轧薄钢板及钢带GB1720
GB1730
漆膜附着力测定法
漆膜硬度的测定摆杆阻尼试验
GB1732
漆膜耐冲击测定法
GB1743
GB1763
GB1764
GB3325
GB6807
GB9286
漆膜光泽度测定法
漆膜耐化学试剂性测定法
漆膜厚度测定法
金属家具
钢铁工件涂漆前磷化处理技术条件色漆和清漆漆膜的划格试验
GB/T13666图书用品设备产品型号编制方法3术语
3.1单柱书架
单柱书架指侧面用1根立柱支撑挂板的书架。3.2复柱书架
复柱书架指侧面用2根或2根以上立柱支撑挂板的书架。3.3单面书架
单面书架指搁板单面安装在书架宽度方向,即从一个方向进行使用的书架。3.4双面书架
双面书架指搁板双面安装在书架宽度方向,即同时从正反两个方向进行使用的书架。3.5开式书架
开式书架指书架框架的最外两个侧面未安装防护板的书架。3.6防护式书架
国家技术监督局1992-09-04批准1993-08-01实施
GB/T 13667.192
防护式书架指书架框架的最外两个侧面和顶部安装有宽度大于或等于框架宽度的防护板的书架。3.7半开式书架
半开式书架指书架正面为玻璃档板,反面为开式的书架。3.8层数
层数指每架书架上能摆放图书资料的搁板数。3.9主架
在每组书架中,能独立存放的完整书架,称为主架。3.10副架
相对主架而言,凡不能独立存放的其余书架统称为副架。3.11积层书架
积层书架指用甲板把房间空间分隔成层和档,并有扶梯供上下的大型钢制叠层式书架。3.12密集书架
密集书架指可在导轨上运行,由活动架列和固定架列组成的能分散和紧密集合的书架列组合。4产品分类
4.1型号命名方法应符合GB/T13666。4.2结构示意图如图1、图2、图3、图4所示。图1为单柱形书架,图1-a为单柱单面、图1-b为单柱双面、图 1-c为防护式。图 2复柱形书架图 2(a)为复柱单面、图2(b)为复柱双面、图2(c)为防护式。图 3为密集形书架。图4为积层书架。T
图1单柱书架
1-搁板+2—立柱:3—挂板4—防护板5-—底座m—标准节数sa--立柱正面宽度,H一高度;T—深度;B—主架正面宽;L—双连架正面宽46
GB/T13667.1—92
图2复柱书架
1-搁板;2—立柱;3—顶板;4—底座;n—标准节数;a一立柱正面宽度;H—高度;T一深度,B—主架正面宽;L—双连架正面宽(c)
GB/T13667.1—92
双面阅定架
B-n+2p
图3密集书架
活动架
单面固定架
1标签板;2-上侧面板;3--操纵手柄;4-中腰板;5—下腰板;6—限位装置;7—导轨8—防尘门;9—底梁;10—搁板;11—挂板—标准节数?p—面板厚度()×
5材料和结构
5.1材料
GB/T13667.1—92
图4积层书架
5.1.1黑色金属材料的选用必须符合GB912和GB710、GB700标准中规定或选用不低于同等性能的材料性能的材料。
5.1.2其他类型的材料选用必须符合相应的材料标准。5.1.3挂板、搁板、立柱的用材必须符合GB710的有关要求。5.2构造要求
5.2.1书架分立柱、搁板、底座和附属部件四大部分,它是一种装配式书架。5.2.2搁板为可动式,最下层的搁板也可是固定式,双面类架子的最下层也可前后兼用块固定的搁板。
5.2.3书架最外侧的立柱上可选用钢质或本质的防护板,书架顶上可装有防护遮灰板,但单柱形可省略。
搁板两端可设置防止书籍倾倒的结构,并可在搁板上安装书档等装置。5.2.5底座应安装调节书架水平及稳定性的装置。49
GB/T13667.1—92
5.2.6搁板的两侧是收蔽物不倒的机构,中间可安装支架。5.2.7为防止身高处的收藏物跌落,书架可安装防跌落装置,悬挂式(磁带等用)附属装置及支承(仅指水平载荷1的书架)。
5.2.8适用于水平载荷1的书架,构造应有接受上方连接或上下方固定的防倒置装置,参见图7。5.2.9书架成列或成排安装时,应具有纵横向互相连接固定的防倒置装置,见图5、见图6。立柱
GB/T 13667.1-92
X方向上部连接
Y方向上部连接
5.2.10单柱单面形架子背靠建筑物安装时,必须保证足够的稳定性。5.2.11同型号规格产品的零部件应能互换。6技术要求
钢制书架应符合本标准,并应按照经规定程序批准的图样和技术文件制造。6.1尺寸与公差
6.1.1书架尺寸中对标准架(主架)的主要尺寸做出规定,见表1~表5。6.1.2从地面到书架最下层的搁板的间距尺寸为90~~160mm。6.1.3立柱的正面宽度为30~60mm。6.1.4立柱上挂板孔的间距为30~60mm。6.1.5书架的制造尺寸允许偏差一般情况下控制在士2mm内,特殊情况下见表6,书架装配后的单架整体尺寸允许偏差应控制在土4mm内。表1竖放
1900以下
1900~2200
2 200~ 2 500
1.900以下
1 900~~2 200
2200~2500
200~~280
注:这里所说的竖放,是指将收藏物的短边方向朝下的放置方法。标准
1900以下
1900~2200
2 200~ 2 500
1900以下
1900~2200
2 200~~2 500
200~280
1900以下
1 900~2 200
2 200~ 2 500
1900以下
1 900~2 200
2 200~2 500
GB/T13667.1—92
表2横放Www.bzxZ.net
300~370柱
注:这里所说的横放,是指将收蔽物的长边方向朝下的放盈方法。表3
1900以下
1 900~2 200
2200~2500
1900以下
1 900~~2 200
2 200~2 500
200~280
注:这里所说的竖放,是指将收物的短边方向朝下的放量方法。表 4竖放
1900以下
1900~2200
2 200-~2500
1900以下
1900~2200
2 200~2 500
120~180柱
注:这里所说的竖放,最指将收藏物的短边方向期下的放置方法。52
1900以下
1 900~~2 200
2 200~2 500
1 900以下
1 900~2 200
2 200~2 500
1900以下
1 900~2 200
2 200~2 500
1900以下
1900~2200
2 200~2 500
1 900以下
1 900~2 200
2200~2500
1900以下
1 900~2200
2 200~~2 500
300~370
200~280
120~180
注:①表5为计算机连续票单的横放;GB/T13667.1-92
表5横放
1900以下
1900~2200
2 200~ 2 500
1.900以下
19002200
2200~2500
②这里所说的横放,是指将收物的长边方向朝下的放置方法。表6
底顶侧撑
挂板挂钩
插孔孔距
注:H表示高度:B表示长度:T表示深度。6.2外观
6.2.1组装后的书架不准有影响外观和使用性能的永久性变形。尺
400~500
800~1000
主要形位公差
垂直度<0.2
400~700
挂板孔对称度<1.0
轴线直线度偏差≤1/1000
平面度<1.0
两蝴面平行度<1.5
6.2.2组装后的书架上,凡触及人体和存放物的部分,应去掉毛边、锐角、突出物和棱角。6.2.3各部位的安装应牢固可靠,不允许有松动现象。6.2.4凡需焊接的部件要焊接牢固,因焊接而产生的形变必须矫正,不允许出现漏焊、焊穿、气孔、咬边等现象,焊痕表面波纹应均匀。6.2.5外表的接头处要求光滑。
6.2.6冲压件表面不允许有裂痕
6.2、7表面涂饰应平整光滑,色泽均匀一致,不允许有流挂、起粒、皱皮、露底、剥落、伤痕等缺陷。6.2.8立柱内壁必须进行防腐处理。6.3表面处理
6.3.1电化
GB/T 13667.1--92
凡需电化的零部件,均应符合GB3325中第3.4.6条要求。6.3.2电镀
凡需电镀的零部件,均应符合GB3325中第3.4.7条要求。6.3.3磷化
钢制书架类产品必须经过磷化处理,经磷化处理后钢制件上形成的磷化膜检验,必须符合GB6807中附录 D要求,并在 1 min 内不泛红为合格。6.3.4油漆和喷塑理化性能
6.3.4.1光泽度为60%~70%。
硬度≥0.4°。
冲击强度≥4N·m。
附着力应不低于2级要求。
漆膜厚度应≥20 um。
耐腐蚀
样板表面涂饰耐化学试剂性试验应能经受温度为15~25℃,漫泡在浓度为3%的氯化钠溶液中,周期为100 h的耐腐蚀试验。
100h内,观察在溶剂中的样板上划道两侧3mm以外,应无气泡产生。a。
b.100 h后,检查划道两侧3mm以外,应无锈迹、剥落、起皱、变色和失光等现象。6.4搁板载荷
搁板的均匀载荷(见表7要求),经24h的连续试验后,最大挠度应<4mm,卸载后的残余变形量在经过2h后,应≤0.3mm。
表7搁板载荷重量
种类符号
6.5全载荷重
摘板载重
书架的每层搁板上均勾载荷(见表8要求,并以双连式考核),经24h连续试验后,书架的挂板、搁板、立柱及其结合部位应无塑性变形和其他异常现象。表8整架全载荷重量
种类符号
N1~12
6.6结构强度
6.6.1水平载荷1
每层掏板载鼠
a.X轴向
GB/T 13667.1—92
双连架(一主一副)按表7要求,施加均匀载荷后,沿X轴向进行拉力试验,经连续试验50次后,检查架体所产生的倾斜变位量。
b.Y轴向
双连架按表8要求,施加均匀载荷后,沿Y轴向进行拉力试验,经连续试验50次后,检查架体所产生的倾斜变位量。
6.6.1.1水平载荷I(X、Y轴向载荷)试验后,其倾斜量不得大于其架体总高的1%。6.6.1.2试验结束后,应检查挂板、搁板、立柱及其他部件,不得有变形或有明显的异状情况发生。6.6.1.3水平载荷I试验中,Y轴向拉力试验不得发生翻倒现象。6.6.2水平载荷1
a.X、Y轴向
双连架按表7~表8要求,施加均匀载荷后,沿X,Y轴向进行拉力试验,经连续试验50次来回后,检查架体所产生的倾斜变位量。b.试验结束后,检查倾斜量不得大于其架体总高的1/40。检查挂板、搁板、立柱及其他部件,不得有变形或有明显的异状情况。c.
7试验方法
7.1主要结构尺寸
采用常规量器具检验。
7.2外观
目测和手感。
7.3表面处理
7.3.1电化及电镀
电化及电镀试验按GB3325中第4.9、4.10、4.11、4.12条检验。7.3.2磷化
磷化处理按GB6807中附录D方法进行。7.3.3漆膜理化性能
7.3.3.1样板制作
样板尺寸50mm×120mm×(0.8~1)mm厚的钢板,随同产品表面处理一起进行。7.3.3.2光泽度试验按GB1743进行。7.3.3.3硬度试验按GB1730进行。7.3.3.4冲击强度试验按GB1732进行。7.3.3.5附着力试验在a、b两项中可任选一项。a.划圜法按GB1720进行。
b、交错划格法按GB9286进行。
7.3.3.6漆膜厚度按GB1764进行,漆膜测厚取样见图8~~图11所示。7.3.3.7耐腐蚀试验
在样板的两个对角线上,用锐利的器具划出深至钢板的伤痕,然后浸入氯化钠溶液。试验结束后,取出样板,用自来水将样板件洗干净,并用滤纸吸干水分,按6.3.4.6条要求检b.
漆膜样板划线如图7所示。
GB/T 13667.1—92
约50mm
两侧3mm
图8立柱
图9挂板
小提示:此标准内容仅展示完整标准里的部分截取内容,若需要完整标准请到上方自行免费下载完整标准文档。
标准图片预览:





- 其它标准
- 热门标准
- 国家标准(GB)
- GB∕T7925-2021 数控往复走丝电火花线切割机床 参数
- GB21908-2008 混装制剂类制药工业水污染物排放标准
- GB/T1209.1-2009 农业机械 切割器 第1部分:总成
- GB50488-2009 腈纶工厂设计规范
- GB∕T39304-2020 再生水生物毒性检测的样品前处理通用技术规范
- GB/T39314-2020 铝合金石膏型铸造通用技术导则
- GB/T8050-2007 聚丙烯单丝或薄膜绳索特性
- GB1330-1988 光学零件镀膜 窄带干涉滤光膜
- GB/T24957-2010 冷冻轻烃流体 船上膜式储罐和独立棱柱形储罐的校准 物理测量法
- GB/T12498-1990GB/T12499-1990 铷原子频率标准通用技术条件及测试方法[合订本]
- GB/T38020.1-2019 表壳体及其附件 金合金覆盖层 第1部分:一般要求
- GB/T38604.4-2020 公共信息导向系统 评价要求 第4部分:公共汽电车车站
- GB/T5211.7-1985 颜料耐碱性测定法
- GB4382-1984 立式接触式干涉仪
- GB/T20726-2006 半导体探测器X射线能谱仪通则
- 行业新闻
请牢记:“bzxz.net”即是“标准下载”四个汉字汉语拼音首字母与国际顶级域名“.net”的组合。 ©2025 标准下载网 www.bzxz.net 本站邮件:bzxznet@163.com
网站备案号:湘ICP备2025141790号-2
网站备案号:湘ICP备2025141790号-2