- 您的位置:
- 标准下载网 >>
- 标准分类 >>
- 机械行业标准(JB) >>
- JB/T 7271.2-1994 指示手柄球
标准号:
JB/T 7271.2-1994
标准名称:
指示手柄球
标准类别:
机械行业标准(JB)
标准状态:
现行-
发布日期:
1994-06-18 -
实施日期:
1995-01-01 出版语种:
简体中文下载格式:
.rar.pdf下载大小:
57.33 KB
点击下载
标准简介:
标准下载解压密码:www.bzxz.net
本标准规定了指示手柄球的型式、尺寸及技术要求。 JB/T 7271.2-1994 指示手柄球 JB/T7271.2-1994
部分标准内容:
中华人民共和国机械行业标准
JB/T7270~7277—94
操作件
1994-06-18 发布
中华人民共和国机械工业部
1995-01-01 实施
中华人民共和国机撼行业标准
指示手柄球
1主题内容与适用案围
本标难规定了指示下捆球的型式.尺小及技本要求,2引用标道
JT7876推作件标记法
了操作件技术条件
JB/T7277
3型式与尺寸
3.1指示手柄球的型式与尺寸获图1及表1的规定,sn
项益的型式与尺寸接图2及表2的现定。0.5×45
机械工业部14-06-18批准
指示片
10×32
[Ⅱ,行7271.2-94
每停重改
0, 026
1995-01-01实施
极限偏学
JB/T7271.294
3.3指示片的型式与尺寸接图3改表的规定.s
3. 4球体的型式与尺按函4及表4的划定5bZxz.net
基本尺寸
极限编莲
基本尽寸
慢限值垫
JB/7371.2—94
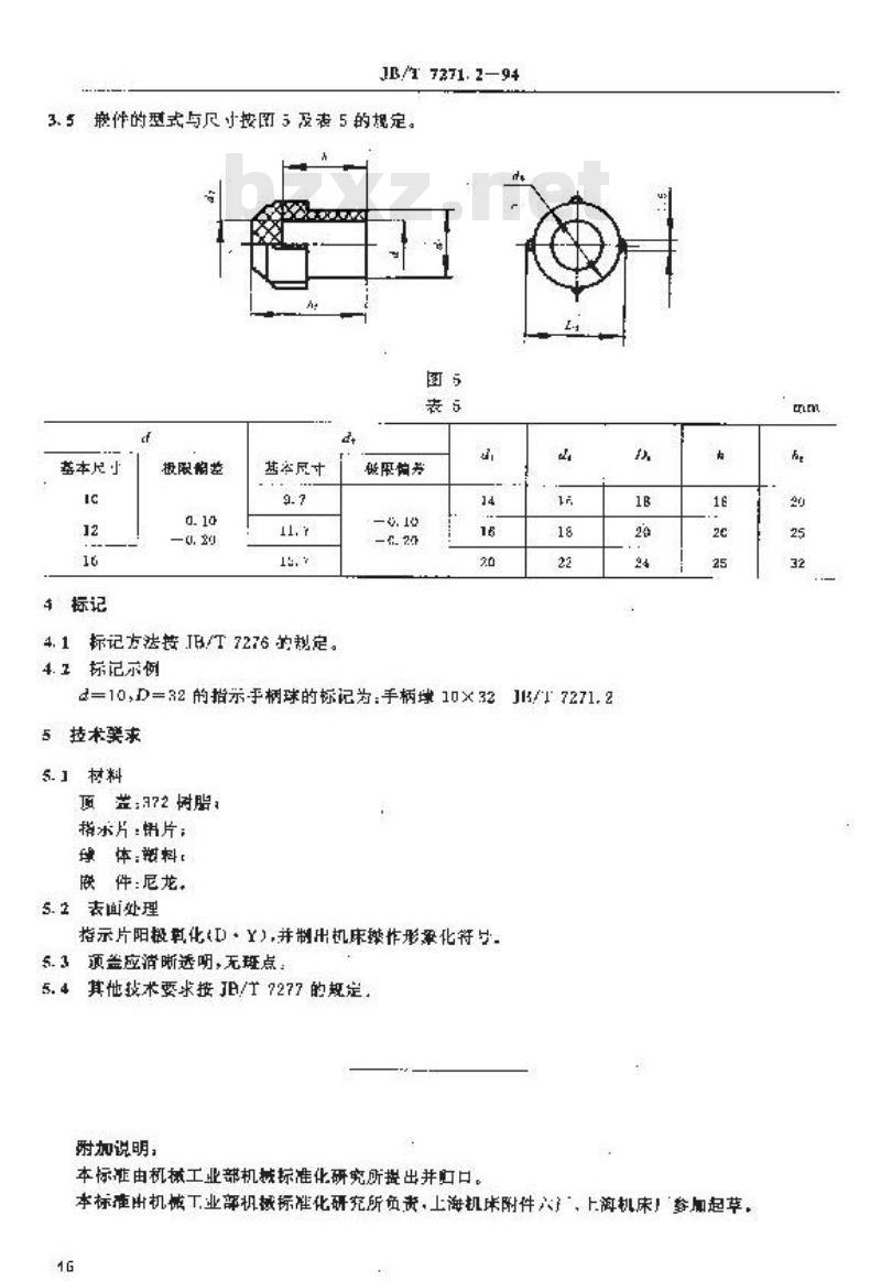
3.5搬件的型式与尺小按即5及表5的规定。图5
基本尺小
4标记
报限韵差
基本尺
4.1标记方法接IB/T7276的越定。4.2标记示例
限愉务
4=10,D=32的指示手柄球的标记为:手柄球10×32J15/T7271.25拉术要求
5.1树料
项差:372树脂:
指水片:片;
球体:料
陕件:尼龙,
5.2表面处理
指示片阳搬载化《D·Y),并制出机床摊作形率化符号5.3预盖应消晰透明,无斑点
5.4其他技术要求接JE/T7277的规定附加说明,
本标准由机械工业部机械标准化研究所提出并口。1B
本标准出机燃工业部机械标准化研究所负责,上海机床附件产,上机床!参加起草,1G
小提示:此标准内容仅展示完整标准里的部分截取内容,若需要完整标准请到上方自行免费下载完整标准文档。
JB/T7270~7277—94
操作件
1994-06-18 发布
中华人民共和国机械工业部
1995-01-01 实施
中华人民共和国机撼行业标准
指示手柄球
1主题内容与适用案围
本标难规定了指示下捆球的型式.尺小及技本要求,2引用标道
JT7876推作件标记法
了操作件技术条件
JB/T7277
3型式与尺寸
3.1指示手柄球的型式与尺寸获图1及表1的规定,sn
项益的型式与尺寸接图2及表2的现定。0.5×45
机械工业部14-06-18批准
指示片
10×32
[Ⅱ,行7271.2-94
每停重改
0, 026
1995-01-01实施
极限偏学
JB/T7271.294
3.3指示片的型式与尺寸接图3改表的规定.s
3. 4球体的型式与尺按函4及表4的划定5bZxz.net
基本尺寸
极限编莲
基本尽寸
慢限值垫
JB/7371.2—94
3.5搬件的型式与尺小按即5及表5的规定。图5
基本尺小
4标记
报限韵差
基本尺
4.1标记方法接IB/T7276的越定。4.2标记示例
限愉务
4=10,D=32的指示手柄球的标记为:手柄球10×32J15/T7271.25拉术要求
5.1树料
项差:372树脂:
指水片:片;
球体:料
陕件:尼龙,
5.2表面处理
指示片阳搬载化《D·Y),并制出机床摊作形率化符号5.3预盖应消晰透明,无斑点
5.4其他技术要求接JE/T7277的规定附加说明,
本标准由机械工业部机械标准化研究所提出并口。1B
本标准出机燃工业部机械标准化研究所负责,上海机床附件产,上机床!参加起草,1G
小提示:此标准内容仅展示完整标准里的部分截取内容,若需要完整标准请到上方自行免费下载完整标准文档。
标准图片预览:




- 其它标准
- 热门标准
- 机械行业标准(JB)
- JB/T7893.1-1999 立式振动离心机
- JB/T7899-1999 填充聚四氟乙烯软带导轨 技术条件
- JB/T7938-1999 液压泵站油箱公称容量系列
- JB/T1625-2002 工业锅炉焊接管孔
- JB/T7850-1995 手夹快换接头
- JB/T8009.4-1999 机床夹具零件及部件 弧形压块
- JB/T7936-1999 直廓环面蜗杆减速器
- JB/T7939-1999 单活塞杆液压缸两腔面积比
- JB/T7941.2-1995 旋入式圆形油杯
- JB/T7946.2-1999 铸造铝硅合金过烧
- JB/T7925.2-1995 滑动轴承 多层轴承减摩合金硬度检验方法
- JB/T6375-1992 气动阀用橡胶密封圈 尺寸系列和公差
- JB/T7828-1995 继电器及其装置包装贮运技术条件
- JB/T7945-1999 灰铸铁机械性能试验方法
- JB/T7966.3-1999 模具铣刀 第 3 部分:莫氏锥柄圆柱形球头立铣刀
- 行业新闻
请牢记:“bzxz.net”即是“标准下载”四个汉字汉语拼音首字母与国际顶级域名“.net”的组合。 ©2025 标准下载网 www.bzxz.net 本站邮件:bzxznet@163.com
网站备案号:湘ICP备2025141790号-2
网站备案号:湘ICP备2025141790号-2