- 您的位置:
- 标准下载网 >>
- 标准分类 >>
- 机械行业标准(JB) >>
- JB/T 7270.4-1994 转动小手柄
标准号:
JB/T 7270.4-1994
标准名称:
转动小手柄
标准类别:
机械行业标准(JB)
标准状态:
现行-
发布日期:
1994-06-18 -
实施日期:
1995-01-01 出版语种:
简体中文下载格式:
.rar.pdf下载大小:
54.38 KB
替代情况:
原标准号GB 4171.4-84
起草单位:
机械工业部机械标准化研究所提出单位:
机械工业部机械标准化研究所发布部门:
中华人民共和国机械工业部相关标签:
转动
点击下载
标准简介:
标准下载解压密码:www.bzxz.net
本标准代替GB 4141.4-84。 本标准规定了转动小手柄的型式、尺寸及技术要求。 JB/T 7270.4-1994 转动小手柄 JB/T7270.4-1994
部分标准内容:
中华人民共和国机械行业标准
JB/T7270~7277—94
操作件
1994-06-18 发布
中华人民共和国机械工业部
1995-01-01 实施
中华人民共和国机械行业标准
转动小手柄
1主题内容与适用范围
本标难规定了转动小于柄的塑式,民寸及校尽要求。2引用标量
JB/T7276操作件标记方法
B/7277操作件挂术条件
3型式与尺寸
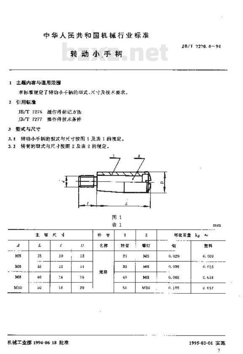
3.!转动小手柄的型式与尺寸接图1及表1的规定。3.2转套的型式与尺按2及表2的规定图1
主每尺
机械工业部1994-06-18批准
JB/T7270.4-94
1995-01-01实施
E/T7270.494
基本寸
操钉的型式与尺寸按图3及表3的规定。变
基本尺于
振限编差HI1
Fg 075
极用简下载标准就来标准下载网
-0: 118
4标记
4.1标记方法按JB门7276的规定。42标记示例
JB/T7270.4--94
4=M8,L=4U,35,氧化转动小手柄的标记为,手酒M8×40JB/T7270.44-M8,1=40塑料特动小手的标记为:于柄M8X40-单115/[7270.45技术要求
5.1 材料
转套:35:Q235-A:2L102塑料
爆钉:35 调。
5. 2表面处理
转套:钢件氟化(H-Y)喷纱镀铬(PS/D.Ce)镀培光DIC),ZL.102扭保氧化(D.Y)螺町:氧化H·Y).
5.3其他术要求按1B/7277的规定。附加说明:
本柯准机技工业部机械标准化研定所提出并归。木标准由机械工业郁机械标准化研究所负盘,上海机球附件六厂,上海机床」叠加起草根据国家技术监备局技监局标发(1992>549号文附件3\调整为行业标准的国家标准\,车标准心#GE4147.4-84.
小提示:此标准内容仅展示完整标准里的部分截取内容,若需要完整标准请到上方自行免费下载完整标准文档。
JB/T7270~7277—94
操作件
1994-06-18 发布
中华人民共和国机械工业部
1995-01-01 实施
中华人民共和国机械行业标准
转动小手柄
1主题内容与适用范围
本标难规定了转动小于柄的塑式,民寸及校尽要求。2引用标量
JB/T7276操作件标记方法
B/7277操作件挂术条件
3型式与尺寸
3.!转动小手柄的型式与尺寸接图1及表1的规定。3.2转套的型式与尺按2及表2的规定图1
主每尺
机械工业部1994-06-18批准
JB/T7270.4-94
1995-01-01实施
E/T7270.494
基本寸
操钉的型式与尺寸按图3及表3的规定。变
基本尺于
振限编差HI1
Fg 075
极用简下载标准就来标准下载网
-0: 118
4标记
4.1标记方法按JB门7276的规定。42标记示例
JB/T7270.4--94
4=M8,L=4U,35,氧化转动小手柄的标记为,手酒M8×40JB/T7270.44-M8,1=40塑料特动小手的标记为:于柄M8X40-单115/[7270.45技术要求
5.1 材料
转套:35:Q235-A:2L102塑料
爆钉:35 调。
5. 2表面处理
转套:钢件氟化(H-Y)喷纱镀铬(PS/D.Ce)镀培光DIC),ZL.102扭保氧化(D.Y)螺町:氧化H·Y).
5.3其他术要求按1B/7277的规定。附加说明:
本柯准机技工业部机械标准化研定所提出并归。木标准由机械工业郁机械标准化研究所负盘,上海机球附件六厂,上海机床」叠加起草根据国家技术监备局技监局标发(1992>549号文附件3\调整为行业标准的国家标准\,车标准心#GE4147.4-84.
小提示:此标准内容仅展示完整标准里的部分截取内容,若需要完整标准请到上方自行免费下载完整标准文档。
标准图片预览:




- 其它标准
- 上一篇: JB/T 7270.3-1994 直手柄
- 下一篇: JB/T 7270.5-1994 转动手柄
- 热门标准
- 机械行业标准(JB)
- JB/T7893.1-1999 立式振动离心机
- JB/T7899-1999 填充聚四氟乙烯软带导轨 技术条件
- JB/T7938-1999 液压泵站油箱公称容量系列
- JB/T1625-2002 工业锅炉焊接管孔
- JB/T7850-1995 手夹快换接头
- JB/T8009.4-1999 机床夹具零件及部件 弧形压块
- JB/T7936-1999 直廓环面蜗杆减速器
- JB/T7939-1999 单活塞杆液压缸两腔面积比
- JB/T7941.2-1995 旋入式圆形油杯
- JB/T7946.2-1999 铸造铝硅合金过烧
- JB/T7925.2-1995 滑动轴承 多层轴承减摩合金硬度检验方法
- JB/T6375-1992 气动阀用橡胶密封圈 尺寸系列和公差
- JB/T7945-1999 灰铸铁机械性能试验方法
- JB/T7966.3-1999 模具铣刀 第 3 部分:莫氏锥柄圆柱形球头立铣刀
- JB/T7946.3-1999 铸造铝合金针孔
- 行业新闻
请牢记:“bzxz.net”即是“标准下载”四个汉字汉语拼音首字母与国际顶级域名“.net”的组合。 ©2025 标准下载网 www.bzxz.net 本站邮件:bzxznet@163.com
网站备案号:湘ICP备2025141790号-2
网站备案号:湘ICP备2025141790号-2