- 您的位置:
- 标准下载网 >>
- 标准分类 >>
- 建筑材料行业标准(JC) >>
- JC 488-1992 玻璃池窑热平衡测定与计算方法
标准号:
JC 488-1992
标准名称:
玻璃池窑热平衡测定与计算方法
标准类别:
建筑材料行业标准(JC)
标准状态:
现行-
发布日期:
1992-08-11 -
实施日期:
1993-02-01 出版语种:
简体中文下载格式:
.rar.pdf下载大小:
968.78 KB
标准ICS号:
玻璃和陶瓷工业>>81.040玻璃中标分类号:
建材>>陶瓷、玻璃>>Q30陶瓷、玻璃综合
点击下载
标准简介:
标准下载解压密码:www.bzxz.net
本标准规定了玻璃池窑热平衡测定的项目、内容及玻璃池窑热平衡、热效率的计算方法。本标准适用于烧液体燃料、气体燃料的玻璃池窑热平衡测定与计算。 JC 488-1992 玻璃池窑热平衡测定与计算方法 JC488-1992
部分标准内容:
中华人民共和国建材行业标准
玻璃池窑热平衡测定与计算方法1主题内容与适用范围
JC 488-92
本标准规定了玻璃池密热平衡测定的项目、内容及玻璃池密热平衡、热效率的计算方法。本标准适用于烧液体燃料、气体燃料的玻璃池窑热平衡测定与计算。2引用标准
石油产品热值测定法
GB1884
GB1885
GB 2586
GB2587
GB 2588
GB2624
石油和液体石油产品密度测定法密度计法
石油计量换算表
热量单位、符号与换算
热设备能量平衡通则
设备热效率计算通则
流量测量节流装置第一部分节流件为角接取压、法兰取压标准孔板和角接取压标准喷嘴
国际单位制及其应用
GB3100
GB3101
有关量、单位和符号的一般原则天然气流量的标准孔板计量方法SY L 04$
3单位、符号与代号
3.1本标准采用GB3100中规定的量和单位。3.2本标准采用的符号与代号见附录A。4基准
4.1热平衡计算以0℃为基准温度。4.2燃料发热量以燃料应用基低位发热量为基准。4.3气体的体积均以标准状态(0℃,101325Pa)下的体积量为基准。4.4质量均以干克为基准。
4.5各项计算中的时间均以小时为基准。4.6空气采用下列组成:
按体积百分数:氧(O,)21.0%,氮(N)79.0%按质量百分数:氧(O2)23.2%,氮(N2)76.8%5体系
玻璃池窑热平衡体系包括池窑的熔化部、冷却部、工作部、供料道进口段、引上室、小炉、蓄热室、换热器及部分烟道,以密体的外表面和物料进、出窑体的界面作为体系与外界的分界面。国家建筑材料工业局1992-08-11批准代授搜区
不标行业资料费下等
1993-02-01实施
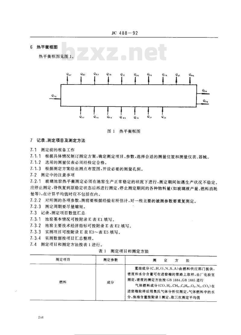
6热平衡框图
热平衡框图见图1。
7记录、测定项目及测定方法
7.1测定前的准备工作
JC 488-92
图1热平衡框图
7.1.1根据具体情况制订测定方案,确定测定项目、参数,选择合适的测量位置和测量仪表、器械。7.1.2选用的测量仪表必须经检定合格。7.1.3根据测定方案绘出测点布置图,开设必要的测量孔洞。7.2测定中的注意事项
7.2.1玻璃池窑热平衡测定必须在池窑生产正常稳定的状况下进行,测定期间如遇生产状况不稳定。应停止测定,待恢复到原稳定状态后再进行测定,停止测定期间的各种物料量(如玻璃液产量、燃料消耗量等),在计算平均值时应不包括在内。7.2.2对所测的各项参数,测前要根据经验有所估计,对些主要的被测参数要重复测定。7.2.3测定周期要尽量缩短。
7.3记录,测定项目数值汇总
7.3.1池窑基本情况可按附录E表E1填写。7.3.2池窑主要技术经济指标可按附录E表E2填写。7.3.3实测项目可按附录E表E3~表E5填写。7.3.4实测数据按项目汇总整理。7.4测定项目和测定方法按表1进行。表 1测定项目和测定方法
测定项目
测定参数
标准搜零网
测定方法
重油成分(C、H、O、N、S、A)由燃料供应部门提供,密度和水分含量可在进窑端的管路上取样,由厂化验室测定,密度的测定方法按GB1884、GB1885进行气体燃料成分(CO、Hz、CHa、C.HmO2、N2、COz)在进窑端取样后用奥氏气体分析仪测定,气体燃料中的水分,焦油含量按附录 1测定,取三次测定平均值各义标准行业资科免费下载
测定项目
助燃空气
冷却风
配合料
玻璃液
JC 488--92
续表1
测定参数
低位发热量
含水率
含碎玻璃量
标准搜瘦网。
燃料的低位发热量可用专门的量热计测定·也可根据燃料成分按附录B计算
重油、冷煤气(天然气在进入体系的入口处用温度计测定,热煤气用热电偶测量
重油流量用容积式流量计测量,并根据油温、密度换算成质量流量
煤气流量用毕托管测基,方法按附录J,取三次测定平均值
天然气流量采用有温度和压力补偿的标准孔板计量,计量方法按GB2624或SYL.04用温度计在助燃空气入体系的界面处测量用毕托管或热球风速仪在助燃空气入体系的界面处测量,方法按附录」
吹向密体前的温度用温度计在支风管内测量吹向窑体后的反射风温度用带遮蔽罩的温度计测量,取三点平均值
在总风管上用毕托管或热球风速仪测量,方法按附录
用温度计在投料机出料口测量料层温度统计每班上料次数.折算为每天投料量,取测定期间平均值
投料机出口取样分析
根据碎玻璃称量记录或根据配料记录单计算各种粉料的化学成分由厂化验室提供在出体系处用热电偶测量,至少测三点,取平均值根据实测玻璃液出料量或投料量计算对蓄热式窑,在烟气出体系界面处,分上、中,下三点,分别用抽气热电偶或热电偶连续测一个换火周期,求得各点在一个换火周期内烟气平均温度,然后再求三个平均温度的平均值
对换热式窑,在出换热器后烟气出体系的界面处,分不同部位,测三点温度,求平均值247
证低行
测定项目
表面散热量
孔口辐射散热量
孔口溢流气体
冷却水
压缩空气
雾化介质
环境温度
大气压
8 物料平衡计算
8.1进体系物料质量计算
8.1.1燃料质量m,,kg/h
JC 488---92
续表1
测定参数
在烟气出体系界面处用毕托管与微差压计测量,方流量、静压
含水率
表面温度
表面散热量
表面积
辐射温度
孔口面积
标准搜变网。
法按附录J,测三次,取平均值,在测量困难时,可根据理论计算
用球胆或取样瓶取样,用奥氏气体分析仪测量在烟气出体系界面处按附录H方法测定根据窑的结构,各部位所处的环境,将窑的外表面分成若干区域,并根据各区域面积的大小和表面温度的差异,在每个区域内分别布置几个或几十个测点,用表面温度计测量
根据表面温度计算,或用热流计直接测量根据设计图纸计算
用红外辐射高温计或光学高温计测量用直尺测量或查阅图纸计算
用热电偶测量
用微压计测量孔口内外静压差后计算进出口温度用温度计测量
称量或用盛器、秒表、米尺测量,然后计算质量流量用温度计测量
用带有温度、压力补偿的孔板或其他等效的流量计测量,无法测量时可取设计值
用温度计测量
用压力表测量
用燕汽流量计测量,无法测量时可取设计值对各个不同的区域,分别取区域附近的最低空气温度作为该区域的环境温度,用带遮蔽罩的温度计测量用大气压力表测量,或采用当地气象部门同期的测量数据
8.1.1.1当使用重油作燃料时:
JC 488—92
mr = V, X p/24
1+p× ( 20)
式中:V,-
一测定期间平均日耗油量,m/d
p.--重油流经流量计时的密度,kg/m2,实测或按(2)式计算;P20--—20℃时重油的密度,kg /m\,由实测得;β--—体积膨胀系数,β=0.0025-0.002×p2o×10-2;一重油流经流量计时的温度,℃。t
8.1.1.2当使用气体燃料时:
m, = Vo X p。
式中:V—气体燃料量,m2/h,按(4)式计算:VAP
Vr =3 600 × S.× K.
2×(P+P,)×273
Np。× 101325 × (273+ t)
式中:Vr
(1)
气体燃料量,进体系助燃空气量Vok、出体系烟气流量Ve、冷却风量Vir也按式(4)计算],m\/hz
S—测流量断面的截面积,m\;
AP,测流量断面内第i点的动压值,Pa Ka—-毕托管校正系数;
n—测流量断面内的测点数;
一大气压,Pa;
测流量断面内的静压,Pa;
式中:X.
测流量断面内的气体平均温度,℃;标准状态下气体的密度,kg/m,按(5)式计算:P。 = 0. 01E(X.p)
气体中各组分的体积百分含量,%;标准状态下气体中各组分的密度,kg/m,见附录G表G1。Par
8.1.2助燃空气质量mk,kg/h
mk = 1. 293 × Vok
代授搜
(5)
·(6)
式中:Vok
式中:.
JC 488—92
进体系助燃空气量,m3/h,用毕托管测量时,按(4)式计算,用热球风速仪测量时,按(7)式计算。
Vak = 3 600 X
测流量断面内第i点气体流速,m/s。8.1.3配合料质量mp,kg/h
273+tk
101325
mp = np X mt X (1 +ma)/24
式中n。
一测定期间平均日投料付数,付/d;一每付粉料(湿基)的质量,kg/付;mr
-每干克粉料(湿基)配成配合料时添加的碎玻璃量kg/kg。8.1.4雾化介质质量mw,kg/h
8.1.4.1当使用压缩空气作雾化介质时:mw 1.293 X Vow
式中:V.w
雾化用压缩空气流量,m\/h。
8.1.4.2当使用蒸汽作雾化介质时:采用实测蒸汽质量mw,若实测困难时可取设计值。8.1.5漏入空气质量ml,kg/h
8.1.5.1当使用重油作燃料时:
m) -- 1. 293 X (αc - αk) X Vk × mr式中:αc-
烟气出体系时的空气系数。计算见附录C;XS
αk-----烟气离开熔化部时(按各燃烧器或小炉热负荷比例)平均空气系数V理论空气量,m/kg,计算见附录C。8.1.5.2当使用气体燃料时:
mi = 1. 293 × (αc - αk) × V × V式中:Vc-
气体理论空气量,m2/m2,计算见附录C。8.1.6进体系物料总质量mz,kg/hm=m+mk+m+mw+m
8.2出体系物料质量计算
8.2.1烟气质量m,kg/h
(7)
+++++**(9)
:(10)
*(12)
式中:V。-
JC 488-92
my = Voy X p.
-出体系时烟气流量,m/h,按(4)式计算。8.2.2玻璃液质量mb,kg/h
8.2.2.1按出料量计算时:
日用玻璃池窑
式中:mb—单个料滴的质量,kg/个;nbx
每小时的料滴数,个/h。
平板玻璃池窑
mb Xner
mb = ap X mbp
式中:
玻璃原板平均拉引速度,m/h;
-玻璃原板平均每米质量,kg/m。8.2.2.2按投料量计算时:
1 ma + mf
mbs mbs X mt.
式中:mb -
-熔成每干克玻璃液所需粉料(湿基)量,kg/kg,按(17)式计算;熔成每干克玻璃液所需碎玻璃量,kg/kg,按(18)式计算,每干克粉料(湿基)中逸出气体的质量,kg/kg。8.2.3溢流气体质量mky,kg/h
式中;Vui—
窑体第i个孔口的溢流气体量,m2/h,按(20)式计算。Vy. =± 3 600 X Sk: X μ
2 × /APkl × (P+△Pk.) × 273P。X 101 325 × (ty + 273)
标准授搜网
外标佛
·(13)
(14)
·(15)
·(16)
.......( 17 )
..(18)
·(20)
窑体第i个孔口的面积,m;
式中; Ski —
JC 488-92
窑体第i个孔口溢流气体温度,℃,孔口内外静压差,Pa;当△Pk为正值时,V取正值;当△Pk.为负值时,V,取负值窑体第;个孔口的溢流系数,
当8≥3.5d时,μ-0.82;
当83.5d时,=0.62;
溢流孔口处窑墙厚度,m;
--溢流孔口当量直径,m。
8.2.4其他出体系物料质量mat,kg/hmg - mzs -(my +m+mky)
(21)
注:其他出体系物料质量的绝对值占进体系总物料质量的比例应不大于5%,否则应对测定与计算结果进行复核。8.2.5出体系物料总质量mc,kg/hmc = my + m + mky+ mat
8.3物料平衡表
物料平衡表见表2。
进体系物料质量
燃料质量m,
助燃空气质量mk
配合料质量 mp
雾化介质质量mw
漏入空气质量ml
进体系物料总质量 m
9热平衡计算
9.1熔成每干克玻璃液理论耗热量计算9.1.1硅酸盐形成反应耗热Q1,kJ/kgQ
出体系物料质量
烟气质量my
玻璃液质量 m
溢流气体质量 mky
其它出体系物料质量 mgt
出体系物料总质量 msc
式中:q.各种原料硅酸盐形成反应热(以干克分解氧化物计),kJ/kg,查附录G表G4,252
标准搜变网
·(22)
JC488—92
一每干克粉料(湿基)中,各种原料引入的分解氧化物质量,kg/kg,见附录F表F2。mhi -
9.1.2形成玻璃液耗热Q2,kJ/kgQz = 347 × mb × (1 - mfa)9.1.3加热玻璃液到理论澄清温度耗热Q:,kJ/kgQ = Chl X tbl
·(24)
式中:tbl—-玻璃液在粘度为10 Pa·s时的温度值,即为玻璃液理论澄清温度,℃,计算方法见附录D;-玻璃液在0~thi℃时的平均比热容,kJ/(kg℃),计算方法见附录D。Cbl
9.1.4蒸发有效水分耗热Q,kJ/kgQ = 2 491 × m × mH,o
式中:mH,o\
一每干克粉料中含有效水质量,kg/kg。注:本标准规定,实测水分小于5%时,有效水分取实测水分值,实测水分大于5%时、有效水分取5%。9.1.5加热去气产物到玻璃液理论澄清温度耗热Qs,kJ/kgQs = mbr X Via X Cfa X thl
式中,Va——每千克粉料中逸出气体的体积,m\/kg,计算方法见附录F表F1;Cfa——在0~tbl℃时逸出气体的平均比热容,kJ/(m。℃),按(28)式计算。Cra = 0. 01(ZX,cp)
式中:Cfa—
一气体的平均定压比热容,kJ/(m2.℃);气体中第i组分的平均定压比热容,kJ/(m。℃),见附录G表G2、表G3。9.1.6配合料入窑显热Q6,kJ/kg
Qs = mr X Cn X ta + mbs X c X ts式中:ta -
粉料入窑温度,℃;
粉料在0~tn℃时的平均比热容,一般取cn=0.963kJ/(kg·℃);一碎玻璃入窑温度,℃;
一碎玻璃在 0~~t。C时的平均比热容,kJ/(kg·℃)计算方法见附录D。9.1.7熔成每干克玻璃液理论耗热量Q,kJ/kgQ = Q + Q +Q: + Q + Q - Q:
9.2池密有效热计算
(26)
(27)
(28)
·(30)
式中:Qyx池窑有效热,kJ/h。
9.3输入体系热量计算
9.3.1燃料燃烧热Qm,kJ/h
9.3.1.1当使用重油时:
式中:Q%w—
JC 488-92
Qyr = m X Qb
Q = m, × Qpw
重油低位发热量,kJ/kg,计算方法见附录B。9.3.1.2当使用气体燃料时:
Qt - V × Q%w
式中:Qw气体燃料低位发热量,kJ/m,计算方法见附录B。9.3.2燃料显热Qr,kJ/h
9.3.2.1当使用重油时:
Qx m, X c X t,
C= 1.74 + 0.002 5t
式中:t,
重油入体系时温度,℃;
重油在0~t,℃时的平均比热容,kJ/(kg℃),按(35)式计算。9.3.2.2当使用气体燃料时:
Qrn = Vor X Car X tar
式中:tgr
气体燃料入体系时温度,℃;下载标准就来标准下载网
气体燃料在0~tgr℃时的平均比热容,kJ/(m2·℃),按(28)式计算。9.3.3助燃空气显热Qkx,kJ/h
Qkx = Vok X ck X tk
式中:tk
助燃空气入体系时温度,℃,
助燃空气在0~tk℃C时的平均比热容,kJ/(m·℃),查附录G表G2。9.3.4雾化介质显热Qwz,kJ/h
9.3.4.1压缩空气作雾化介质时:Qwx = Vow X cwk X twk
(31)
(32)
(33)
·(34))
(35)
(36)
(37)
(38)
式中:twk——压缩空气入体系时温度,℃,CwK
JC488-92
压缩空气在0~twx℃时的平均比热容,kJ/(m2.℃),查附录G表G2。9.3.4.2蒸汽作雾化介质时:
Qwx == mw X i\
(39)
式中:\—一入体系蒸汽热恰,kJ/h,根据蒸汽压力查饱和蒸汽表或根据蒸汽压力、温度查过热蒸汽表。9.3.5漏入空气显热Q,kJ/h
9.3.5.1当使用重油时:
Qx= (ac - a) × V X mr × ci X ti式中:t --
漏入空气平均温度,℃;
ci——漏入空气在0~℃时的平均比热容,kJ/(m2,℃),查附录G表G2。9.3.5.2当使用气体燃料时:
Qi = (ac - αk) × V × Vorc) X ti9.3.6配合料显热Qpx,kJ/h
Qp = mb X Q
9.3.7焦油燃烧热Qir,kJ/h
Q = Vo X m; X Qw
式中:m;-
一每立方米煤气中焦油含量,kg/m,测定和计算方法见附录1;Q%w—焦油低位发热量,kJ/kg,计算方法见附录B。9.3.8焦油显热Qix,kJ/h
Qu = Vo X m; X cj X tar
式中:C;———焦油在0~tg℃时的平均比热容,kJ/(kg·℃),按(35)式计算。9.3.9输入体系总热量Qs,kJ/h
Q=Qtr+Qr+Qkx+Qw+Qu+Qp+Q+Q
9.4输出体系热量计算
9.4.1玻璃液带出显热Qbx,kj/hQbx - mg X Cx: X trc
正佛提
(41)
(42)
(43)
(44)
(45)
式中: tbc -
玻璃液出体系时温度,C;
JC 488-92
玻璃液在0~tcC时的平均比热容,kJ/(kg·℃),计算方法见附录D。9.4.2玻璃液带出潜热Qbg,kJ/hQ= m × (Qi +Qz +2 491 × mbs × m'H,0)式中: m'H,o
每干克粉料中实测含水质量,kg/kg,见附录E表E4。9.4.3池窑表面散热Q,kJ/h
式中:Shi-
-池窑表面第i部位的表面积,m\;nb—池窑表面的测点数,个;
(QS)
池密表面第i部位的表面散热量,kJ/m2·h,用热流计直接测量,或按(49)式计算。Qsri
Q.r. = α; × (tw: — to)
式中:tw一一窑体第i部位外表面温度,℃;toi
式中:Aw
一环境温度,℃,
一对流辐射换热系数,kJ/(m2,h·℃),按(50)式计算。α. =Aw × (twi. — ta)1/4
20. 4 × e, ×
tw; to
取决于散热面位置的系数,按表3取值;窑墙第:部位外表面黑度。
Aw系数值
散热面位置
散热面向上
9.4.4孔口辐射散热Qkr,kJ/h
9.4.4.1孔口开时:
式中:c。
散热面垂直
to+273
黑体辐射系数,c20.4kJ/(m2。℃.h);窑体第i个孔口的辐射温度,℃;xdx
(47)
(48)
+...(49 )
·(50)
散热面向下
Φ—一密体第i个孔口的门孔系数,取决于孔的形状、尺寸及窑墙的厚度,查图2。256
下减造罗
小提示:此标准内容仅展示完整标准里的部分截取内容,若需要完整标准请到上方自行免费下载完整标准文档。
玻璃池窑热平衡测定与计算方法1主题内容与适用范围
JC 488-92
本标准规定了玻璃池密热平衡测定的项目、内容及玻璃池密热平衡、热效率的计算方法。本标准适用于烧液体燃料、气体燃料的玻璃池窑热平衡测定与计算。2引用标准
石油产品热值测定法
GB1884
GB1885
GB 2586
GB2587
GB 2588
GB2624
石油和液体石油产品密度测定法密度计法
石油计量换算表
热量单位、符号与换算
热设备能量平衡通则
设备热效率计算通则
流量测量节流装置第一部分节流件为角接取压、法兰取压标准孔板和角接取压标准喷嘴
国际单位制及其应用
GB3100
GB3101
有关量、单位和符号的一般原则天然气流量的标准孔板计量方法SY L 04$
3单位、符号与代号
3.1本标准采用GB3100中规定的量和单位。3.2本标准采用的符号与代号见附录A。4基准
4.1热平衡计算以0℃为基准温度。4.2燃料发热量以燃料应用基低位发热量为基准。4.3气体的体积均以标准状态(0℃,101325Pa)下的体积量为基准。4.4质量均以干克为基准。
4.5各项计算中的时间均以小时为基准。4.6空气采用下列组成:
按体积百分数:氧(O,)21.0%,氮(N)79.0%按质量百分数:氧(O2)23.2%,氮(N2)76.8%5体系
玻璃池窑热平衡体系包括池窑的熔化部、冷却部、工作部、供料道进口段、引上室、小炉、蓄热室、换热器及部分烟道,以密体的外表面和物料进、出窑体的界面作为体系与外界的分界面。国家建筑材料工业局1992-08-11批准代授搜区
不标行业资料费下等
1993-02-01实施
6热平衡框图
热平衡框图见图1。
7记录、测定项目及测定方法
7.1测定前的准备工作
JC 488-92
图1热平衡框图
7.1.1根据具体情况制订测定方案,确定测定项目、参数,选择合适的测量位置和测量仪表、器械。7.1.2选用的测量仪表必须经检定合格。7.1.3根据测定方案绘出测点布置图,开设必要的测量孔洞。7.2测定中的注意事项
7.2.1玻璃池窑热平衡测定必须在池窑生产正常稳定的状况下进行,测定期间如遇生产状况不稳定。应停止测定,待恢复到原稳定状态后再进行测定,停止测定期间的各种物料量(如玻璃液产量、燃料消耗量等),在计算平均值时应不包括在内。7.2.2对所测的各项参数,测前要根据经验有所估计,对些主要的被测参数要重复测定。7.2.3测定周期要尽量缩短。
7.3记录,测定项目数值汇总
7.3.1池窑基本情况可按附录E表E1填写。7.3.2池窑主要技术经济指标可按附录E表E2填写。7.3.3实测项目可按附录E表E3~表E5填写。7.3.4实测数据按项目汇总整理。7.4测定项目和测定方法按表1进行。表 1测定项目和测定方法
测定项目
测定参数
标准搜零网
测定方法
重油成分(C、H、O、N、S、A)由燃料供应部门提供,密度和水分含量可在进窑端的管路上取样,由厂化验室测定,密度的测定方法按GB1884、GB1885进行气体燃料成分(CO、Hz、CHa、C.HmO2、N2、COz)在进窑端取样后用奥氏气体分析仪测定,气体燃料中的水分,焦油含量按附录 1测定,取三次测定平均值各义标准行业资科免费下载
测定项目
助燃空气
冷却风
配合料
玻璃液
JC 488--92
续表1
测定参数
低位发热量
含水率
含碎玻璃量
标准搜瘦网。
燃料的低位发热量可用专门的量热计测定·也可根据燃料成分按附录B计算
重油、冷煤气(天然气在进入体系的入口处用温度计测定,热煤气用热电偶测量
重油流量用容积式流量计测量,并根据油温、密度换算成质量流量
煤气流量用毕托管测基,方法按附录J,取三次测定平均值
天然气流量采用有温度和压力补偿的标准孔板计量,计量方法按GB2624或SYL.04用温度计在助燃空气入体系的界面处测量用毕托管或热球风速仪在助燃空气入体系的界面处测量,方法按附录」
吹向密体前的温度用温度计在支风管内测量吹向窑体后的反射风温度用带遮蔽罩的温度计测量,取三点平均值
在总风管上用毕托管或热球风速仪测量,方法按附录
用温度计在投料机出料口测量料层温度统计每班上料次数.折算为每天投料量,取测定期间平均值
投料机出口取样分析
根据碎玻璃称量记录或根据配料记录单计算各种粉料的化学成分由厂化验室提供在出体系处用热电偶测量,至少测三点,取平均值根据实测玻璃液出料量或投料量计算对蓄热式窑,在烟气出体系界面处,分上、中,下三点,分别用抽气热电偶或热电偶连续测一个换火周期,求得各点在一个换火周期内烟气平均温度,然后再求三个平均温度的平均值
对换热式窑,在出换热器后烟气出体系的界面处,分不同部位,测三点温度,求平均值247
证低行
测定项目
表面散热量
孔口辐射散热量
孔口溢流气体
冷却水
压缩空气
雾化介质
环境温度
大气压
8 物料平衡计算
8.1进体系物料质量计算
8.1.1燃料质量m,,kg/h
JC 488---92
续表1
测定参数
在烟气出体系界面处用毕托管与微差压计测量,方流量、静压
含水率
表面温度
表面散热量
表面积
辐射温度
孔口面积
标准搜变网。
法按附录J,测三次,取平均值,在测量困难时,可根据理论计算
用球胆或取样瓶取样,用奥氏气体分析仪测量在烟气出体系界面处按附录H方法测定根据窑的结构,各部位所处的环境,将窑的外表面分成若干区域,并根据各区域面积的大小和表面温度的差异,在每个区域内分别布置几个或几十个测点,用表面温度计测量
根据表面温度计算,或用热流计直接测量根据设计图纸计算
用红外辐射高温计或光学高温计测量用直尺测量或查阅图纸计算
用热电偶测量
用微压计测量孔口内外静压差后计算进出口温度用温度计测量
称量或用盛器、秒表、米尺测量,然后计算质量流量用温度计测量
用带有温度、压力补偿的孔板或其他等效的流量计测量,无法测量时可取设计值
用温度计测量
用压力表测量
用燕汽流量计测量,无法测量时可取设计值对各个不同的区域,分别取区域附近的最低空气温度作为该区域的环境温度,用带遮蔽罩的温度计测量用大气压力表测量,或采用当地气象部门同期的测量数据
8.1.1.1当使用重油作燃料时:
JC 488—92
mr = V, X p/24
1+p× ( 20)
式中:V,-
一测定期间平均日耗油量,m/d
p.--重油流经流量计时的密度,kg/m2,实测或按(2)式计算;P20--—20℃时重油的密度,kg /m\,由实测得;β--—体积膨胀系数,β=0.0025-0.002×p2o×10-2;一重油流经流量计时的温度,℃。t
8.1.1.2当使用气体燃料时:
m, = Vo X p。
式中:V—气体燃料量,m2/h,按(4)式计算:VAP
Vr =3 600 × S.× K.
2×(P+P,)×273
Np。× 101325 × (273+ t)
式中:Vr
(1)
气体燃料量,进体系助燃空气量Vok、出体系烟气流量Ve、冷却风量Vir也按式(4)计算],m\/hz
S—测流量断面的截面积,m\;
AP,测流量断面内第i点的动压值,Pa Ka—-毕托管校正系数;
n—测流量断面内的测点数;
一大气压,Pa;
测流量断面内的静压,Pa;
式中:X.
测流量断面内的气体平均温度,℃;标准状态下气体的密度,kg/m,按(5)式计算:P。 = 0. 01E(X.p)
气体中各组分的体积百分含量,%;标准状态下气体中各组分的密度,kg/m,见附录G表G1。Par
8.1.2助燃空气质量mk,kg/h
mk = 1. 293 × Vok
代授搜
(5)
·(6)
式中:Vok
式中:.
JC 488—92
进体系助燃空气量,m3/h,用毕托管测量时,按(4)式计算,用热球风速仪测量时,按(7)式计算。
Vak = 3 600 X
测流量断面内第i点气体流速,m/s。8.1.3配合料质量mp,kg/h
273+tk
101325
mp = np X mt X (1 +ma)/24
式中n。
一测定期间平均日投料付数,付/d;一每付粉料(湿基)的质量,kg/付;mr
-每干克粉料(湿基)配成配合料时添加的碎玻璃量kg/kg。8.1.4雾化介质质量mw,kg/h
8.1.4.1当使用压缩空气作雾化介质时:mw 1.293 X Vow
式中:V.w
雾化用压缩空气流量,m\/h。
8.1.4.2当使用蒸汽作雾化介质时:采用实测蒸汽质量mw,若实测困难时可取设计值。8.1.5漏入空气质量ml,kg/h
8.1.5.1当使用重油作燃料时:
m) -- 1. 293 X (αc - αk) X Vk × mr式中:αc-
烟气出体系时的空气系数。计算见附录C;XS
αk-----烟气离开熔化部时(按各燃烧器或小炉热负荷比例)平均空气系数V理论空气量,m/kg,计算见附录C。8.1.5.2当使用气体燃料时:
mi = 1. 293 × (αc - αk) × V × V式中:Vc-
气体理论空气量,m2/m2,计算见附录C。8.1.6进体系物料总质量mz,kg/hm=m+mk+m+mw+m
8.2出体系物料质量计算
8.2.1烟气质量m,kg/h
(7)
+++++**(9)
:(10)
*(12)
式中:V。-
JC 488-92
my = Voy X p.
-出体系时烟气流量,m/h,按(4)式计算。8.2.2玻璃液质量mb,kg/h
8.2.2.1按出料量计算时:
日用玻璃池窑
式中:mb—单个料滴的质量,kg/个;nbx
每小时的料滴数,个/h。
平板玻璃池窑
mb Xner
mb = ap X mbp
式中:
玻璃原板平均拉引速度,m/h;
-玻璃原板平均每米质量,kg/m。8.2.2.2按投料量计算时:
1 ma + mf
mbs mbs X mt.
式中:mb -
-熔成每干克玻璃液所需粉料(湿基)量,kg/kg,按(17)式计算;熔成每干克玻璃液所需碎玻璃量,kg/kg,按(18)式计算,每干克粉料(湿基)中逸出气体的质量,kg/kg。8.2.3溢流气体质量mky,kg/h
式中;Vui—
窑体第i个孔口的溢流气体量,m2/h,按(20)式计算。Vy. =± 3 600 X Sk: X μ
2 × /APkl × (P+△Pk.) × 273P。X 101 325 × (ty + 273)
标准授搜网
外标佛
·(13)
(14)
·(15)
·(16)
.......( 17 )
..(18)
·(20)
窑体第i个孔口的面积,m;
式中; Ski —
JC 488-92
窑体第i个孔口溢流气体温度,℃,孔口内外静压差,Pa;当△Pk为正值时,V取正值;当△Pk.为负值时,V,取负值窑体第;个孔口的溢流系数,
当8≥3.5d时,μ-0.82;
当83.5d时,=0.62;
溢流孔口处窑墙厚度,m;
--溢流孔口当量直径,m。
8.2.4其他出体系物料质量mat,kg/hmg - mzs -(my +m+mky)
(21)
注:其他出体系物料质量的绝对值占进体系总物料质量的比例应不大于5%,否则应对测定与计算结果进行复核。8.2.5出体系物料总质量mc,kg/hmc = my + m + mky+ mat
8.3物料平衡表
物料平衡表见表2。
进体系物料质量
燃料质量m,
助燃空气质量mk
配合料质量 mp
雾化介质质量mw
漏入空气质量ml
进体系物料总质量 m
9热平衡计算
9.1熔成每干克玻璃液理论耗热量计算9.1.1硅酸盐形成反应耗热Q1,kJ/kgQ
出体系物料质量
烟气质量my
玻璃液质量 m
溢流气体质量 mky
其它出体系物料质量 mgt
出体系物料总质量 msc
式中:q.各种原料硅酸盐形成反应热(以干克分解氧化物计),kJ/kg,查附录G表G4,252
标准搜变网
·(22)
JC488—92
一每干克粉料(湿基)中,各种原料引入的分解氧化物质量,kg/kg,见附录F表F2。mhi -
9.1.2形成玻璃液耗热Q2,kJ/kgQz = 347 × mb × (1 - mfa)9.1.3加热玻璃液到理论澄清温度耗热Q:,kJ/kgQ = Chl X tbl
·(24)
式中:tbl—-玻璃液在粘度为10 Pa·s时的温度值,即为玻璃液理论澄清温度,℃,计算方法见附录D;-玻璃液在0~thi℃时的平均比热容,kJ/(kg℃),计算方法见附录D。Cbl
9.1.4蒸发有效水分耗热Q,kJ/kgQ = 2 491 × m × mH,o
式中:mH,o\
一每干克粉料中含有效水质量,kg/kg。注:本标准规定,实测水分小于5%时,有效水分取实测水分值,实测水分大于5%时、有效水分取5%。9.1.5加热去气产物到玻璃液理论澄清温度耗热Qs,kJ/kgQs = mbr X Via X Cfa X thl
式中,Va——每千克粉料中逸出气体的体积,m\/kg,计算方法见附录F表F1;Cfa——在0~tbl℃时逸出气体的平均比热容,kJ/(m。℃),按(28)式计算。Cra = 0. 01(ZX,cp)
式中:Cfa—
一气体的平均定压比热容,kJ/(m2.℃);气体中第i组分的平均定压比热容,kJ/(m。℃),见附录G表G2、表G3。9.1.6配合料入窑显热Q6,kJ/kg
Qs = mr X Cn X ta + mbs X c X ts式中:ta -
粉料入窑温度,℃;
粉料在0~tn℃时的平均比热容,一般取cn=0.963kJ/(kg·℃);一碎玻璃入窑温度,℃;
一碎玻璃在 0~~t。C时的平均比热容,kJ/(kg·℃)计算方法见附录D。9.1.7熔成每干克玻璃液理论耗热量Q,kJ/kgQ = Q + Q +Q: + Q + Q - Q:
9.2池密有效热计算
(26)
(27)
(28)
·(30)
式中:Qyx池窑有效热,kJ/h。
9.3输入体系热量计算
9.3.1燃料燃烧热Qm,kJ/h
9.3.1.1当使用重油时:
式中:Q%w—
JC 488-92
Qyr = m X Qb
Q = m, × Qpw
重油低位发热量,kJ/kg,计算方法见附录B。9.3.1.2当使用气体燃料时:
Qt - V × Q%w
式中:Qw气体燃料低位发热量,kJ/m,计算方法见附录B。9.3.2燃料显热Qr,kJ/h
9.3.2.1当使用重油时:
Qx m, X c X t,
C= 1.74 + 0.002 5t
式中:t,
重油入体系时温度,℃;
重油在0~t,℃时的平均比热容,kJ/(kg℃),按(35)式计算。9.3.2.2当使用气体燃料时:
Qrn = Vor X Car X tar
式中:tgr
气体燃料入体系时温度,℃;下载标准就来标准下载网
气体燃料在0~tgr℃时的平均比热容,kJ/(m2·℃),按(28)式计算。9.3.3助燃空气显热Qkx,kJ/h
Qkx = Vok X ck X tk
式中:tk
助燃空气入体系时温度,℃,
助燃空气在0~tk℃C时的平均比热容,kJ/(m·℃),查附录G表G2。9.3.4雾化介质显热Qwz,kJ/h
9.3.4.1压缩空气作雾化介质时:Qwx = Vow X cwk X twk
(31)
(32)
(33)
·(34))
(35)
(36)
(37)
(38)
式中:twk——压缩空气入体系时温度,℃,CwK
JC488-92
压缩空气在0~twx℃时的平均比热容,kJ/(m2.℃),查附录G表G2。9.3.4.2蒸汽作雾化介质时:
Qwx == mw X i\
(39)
式中:\—一入体系蒸汽热恰,kJ/h,根据蒸汽压力查饱和蒸汽表或根据蒸汽压力、温度查过热蒸汽表。9.3.5漏入空气显热Q,kJ/h
9.3.5.1当使用重油时:
Qx= (ac - a) × V X mr × ci X ti式中:t --
漏入空气平均温度,℃;
ci——漏入空气在0~℃时的平均比热容,kJ/(m2,℃),查附录G表G2。9.3.5.2当使用气体燃料时:
Qi = (ac - αk) × V × Vorc) X ti9.3.6配合料显热Qpx,kJ/h
Qp = mb X Q
9.3.7焦油燃烧热Qir,kJ/h
Q = Vo X m; X Qw
式中:m;-
一每立方米煤气中焦油含量,kg/m,测定和计算方法见附录1;Q%w—焦油低位发热量,kJ/kg,计算方法见附录B。9.3.8焦油显热Qix,kJ/h
Qu = Vo X m; X cj X tar
式中:C;———焦油在0~tg℃时的平均比热容,kJ/(kg·℃),按(35)式计算。9.3.9输入体系总热量Qs,kJ/h
Q=Qtr+Qr+Qkx+Qw+Qu+Qp+Q+Q
9.4输出体系热量计算
9.4.1玻璃液带出显热Qbx,kj/hQbx - mg X Cx: X trc
正佛提
(41)
(42)
(43)
(44)
(45)
式中: tbc -
玻璃液出体系时温度,C;
JC 488-92
玻璃液在0~tcC时的平均比热容,kJ/(kg·℃),计算方法见附录D。9.4.2玻璃液带出潜热Qbg,kJ/hQ= m × (Qi +Qz +2 491 × mbs × m'H,0)式中: m'H,o
每干克粉料中实测含水质量,kg/kg,见附录E表E4。9.4.3池窑表面散热Q,kJ/h
式中:Shi-
-池窑表面第i部位的表面积,m\;nb—池窑表面的测点数,个;
(QS)
池密表面第i部位的表面散热量,kJ/m2·h,用热流计直接测量,或按(49)式计算。Qsri
Q.r. = α; × (tw: — to)
式中:tw一一窑体第i部位外表面温度,℃;toi
式中:Aw
一环境温度,℃,
一对流辐射换热系数,kJ/(m2,h·℃),按(50)式计算。α. =Aw × (twi. — ta)1/4
20. 4 × e, ×
tw; to
取决于散热面位置的系数,按表3取值;窑墙第:部位外表面黑度。
Aw系数值
散热面位置
散热面向上
9.4.4孔口辐射散热Qkr,kJ/h
9.4.4.1孔口开时:
式中:c。
散热面垂直
to+273
黑体辐射系数,c20.4kJ/(m2。℃.h);窑体第i个孔口的辐射温度,℃;xdx
(47)
(48)
+...(49 )
·(50)
散热面向下
Φ—一密体第i个孔口的门孔系数,取决于孔的形状、尺寸及窑墙的厚度,查图2。256
下减造罗
小提示:此标准内容仅展示完整标准里的部分截取内容,若需要完整标准请到上方自行免费下载完整标准文档。
标准图片预览:





- 其它标准
- 热门标准
- 建筑材料行业标准(JC)
- JC/T684-1997 氯化聚乙烯----橡胶共混防水卷材
- JC/T947-2005 先张法预应力混凝土管桩用端板
- JC/T1041-2007 混凝土裂缝用环氧树脂灌浆材料
- JC/T590-2005 过滤用玻璃纤维针刺毡
- JC/T671-1997 维纶纤维增强水泥平板
- JC555-1994 耐酸石棉橡胶板
- JC/T847.1-1999 异型装饰石材 第1部分:弧面板
- JC/T905-2002 弹性体改性沥青
- JC/T913-2003 铝酸盐水泥中全硫的测定-艾士卡法
- JC/T940-2004 玻璃纤维增强水泥(GRC)装饰制品
- JC239-2001 粉煤灰砖
- JC/T1022-2007 中空玻璃用复合密封胶条
- JC/T1018-2006 水性渗透型无机防水剂
- JC/T646-2006 玻镁风管
- JC/T986-2005 水泥基灌浆材料
- 行业新闻
请牢记:“bzxz.net”即是“标准下载”四个汉字汉语拼音首字母与国际顶级域名“.net”的组合。 ©2025 标准下载网 www.bzxz.net 本站邮件:bzxznet@163.com
网站备案号:湘ICP备2025141790号-2
网站备案号:湘ICP备2025141790号-2