- 您的位置:
- 标准下载网 >>
- 标准分类 >>
- 国家标准(GB) >>
- GB 8118-1987 电弧焊机通用技术条件
标准号:
GB 8118-1987
标准名称:
电弧焊机通用技术条件
标准类别:
国家标准(GB)
标准状态:
已作废-
实施日期:
1988-01-01 出版语种:
简体中文下载格式:
.rar.pdf下载大小:
1.02 MB
替代情况:
被GB/T 8118-1994代替
部分标准内容:
1适用范围
中华人民共和国国家标准
电弧焊机通用技术条件
General speciflcatlons for
arc welding machines
UDC 621.791
GB 8118—87
本标准适用于般使用条件下各种类型的电弧焊机(以下简称焊机);是制订各分类标准共同遵守的依据。各类型焊机凡有本标准未规定的附加要求时,或某些类型的焊机如在本标准的某些条款上有特殊要求时,则应在该类型焊机的标准中作附加和特殊规定。2定电流等级,基本参数
2. 1额定电流等级
额定电流等级100A以上按R10优先数系分等,100A以下按R5优光系数分等;2000A以上不作规定,由制造厂与用户商议。其分橙如下:
10,16,25,40,63,100,125(120).160(150),200,250,315(300),400.500,630(600),800(750),1000,1250(1200),1600(1500),2000A注:括号内的值,仅限于老产品使用。2. 2 颤定基本参数
2.2.1额定负载持续率(%)
35,60,100.
2.2.2工作周期(min)
5,10,20,连续。
2.2.3负载电压与焊接电流的关系如下:a.
药皮焊条手工电戴焊电源:
TIG焊电源:
MIG/MAG焊电源:
埋弧焊电源:
式中:U.负载电压,V:
焊接电流,A。
Uz-20+0. 04 12
U2-10+0. 011,
Uz=14+0. 051,
下降特性按a规定,平特性按c规定。注:①对于药皮焊条乎工电孤焊,电流超过600A时,负载电压保持44V不变。②对于TIG焊,电流超过600A时,负费电压保持34V不变。③对于MTG/MAG焊,电流超过600A时,负载电压保持44V不变,上述规定仅供电源测试用,在实际过程中可不必应用。2.2.4电流调节范围
2.2.4.1最小焊接电流
国家机械工业委员会1987-08-13批准(1)
1988-01-01实施
GB8118—87
直流TIG焊机,其最小焊接电流小于或等于10%额定焊接电流;b。其他焊机,其最小焊接电流小于或等于20%额定焊接电流。2.2.4.2最大焊接电流大于或等于100%额定焊接电流。3使用紊件
3. 1 海拨高度不超过 1 000 m。3.2相对湿度
最湿月的月平均最大相对为90%,同时该月的月平均最低温度为25℃。3.3对于空冷焊机,不得超过下列温度限值:8.
最高环境空气温度
日平均环境空气温度
年平均环境空气温度
d。最低环境空气温度
-10℃
注:对于使用水冷却焊炬的焊机,最低环境空气溫度为十5℃。3.4冷却水进口温度不大于十30℃。3.5焊机的使用场所应无严重影响焊机使用的气体蒸汽、化学沉积,尘垢,霉菌及其他爆炸性腐蚀性介质,并无剧烈震动和颠窥。
4技术要求
4.1焊机的供电电源
电源电压为实际正弦波形,其额定频率为50Hz,额定电压为220V或380V。供出口或其他用途的焊机,其电源频率和电压应符合外贸协议单或与用户协议书的有关规定。4.2焊机的电网供电品质
焊机在下列电网供电品质条件下应能正带工作:a三相电压不平衡率小于0.5%,
b。电网电压波动范围为土10%,频率波动范围为士1%。
4.3焊机输入端电流不对称率
在供电电网实际对称的条件下,焊机处于额定焊接电流或额定负载电压位置,每相电流与三相电流的平均值之差不得大于平均值的10%(对于利用不对称结构而得到的脉冲电流焊机,不受此限制)。4.4温升限值
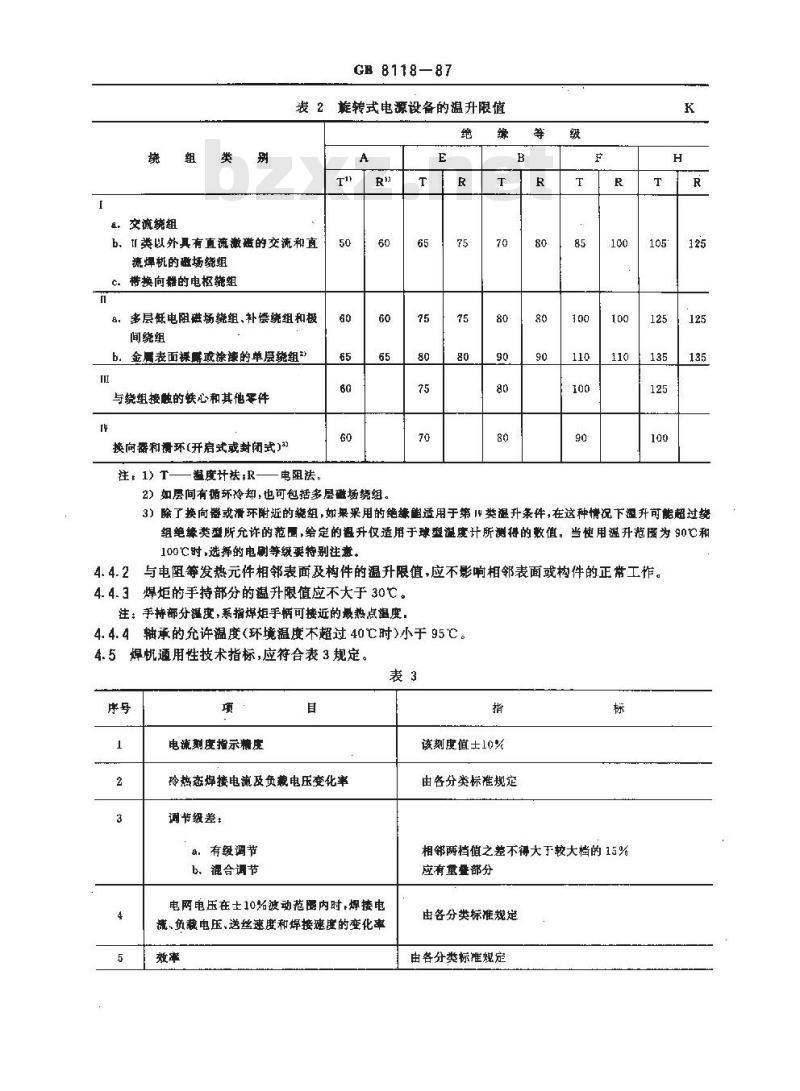
4.4.1焊机中的电源各部分温升限值如表1和表2所示。表1静止式电源设备的温升限值
(最高环境空气温度40)
绝缘等级
和温度极限
A(105)
E(120)
B(130)
F(155)
H(180)
绕组的温升限值(包括电抗器和饱和电抗器)褪度计法”
注:1)对绝缘村料等级的定义,见GB2900.5一83电工名间术语电气绝缘材料。2)系指绕组的表面温度。
电阻法
&、交流绕组
GB 8118-87
表2旋转式电源设备的温升限值
b、。 TI 类以外具有直流激磁的交流和直流焊机的碰场统组
带换向器的电枢缆组
多层既电阻磁场统组、补偿统组和极间绕组
b.金属表面裸腾或涂漾的单层绕组”与镜组接触的铁心和其他零件
换向器和滑环(开启式或封闭式)3)注:1)T-
温度计祛;R
电阻法,
2)如唇间有循环冷却,也可包括多层避场组。T
3)除了换向或滑环附近的绕组,如果采用的绝续能适用于第W类温升条件,在这种情况下升可能超过统组绝续类型所允许的范围,给定的退升仅适用于球型温度计所测得的数值。当使用温升范围为 90℃和100℃时,选择的电刷等级要特别注意,4.4.2与电阻等发热元件相邻表面及构件的温升限值,应不影响相邻表面或构件的正常工作。4.4.3焊炬的手持部分的温升限值应不大于30℃。注:手持部分温度,系指焊炬手可接近的最热点温度,4.4.4轴承的允许温度(环境温度本超过40℃时)小于95℃。4.5焊机通用性技术指标,应符合表3规定。表3
电流刻度指示精度
玲热态焊接电流及负裁电压变化率调节级差:
e:有經调节
b、混合调节
电网电压在士10拓波动范圈内时,焊接电流,负载电压,送丝速度和焊接速度的变化率效率
该刻度值士10%
由各分类标准规定
相邻两档值之差不得大于较大档的15%应有量叠部分
由各分类标摊规楚
由各分类标准规定
过载能力:
3.下降待性电源
b.平持性电源
空蒙电流
动态特性
GB 8118—87
续表3
在允许的电网波动最大的情况下,电源调整在量大焊接电流链量,使出带短路,送行28,不应出现电气或机械故障
在允许的电网波动最大的情况下,电源调整在最大负赖电压位置,使输出端短路,持续时间 0. 3 ~0. 5 ,不应出现电气或机械故库,外电路电阻 0. 08 ~0. 0122不大于初级额定电流10%
由各分类标准规定
注:在电源结构特殊的情况下获得电流刻度有困难,涵造厂可与用户协商,提供适当的电流表用以指示焊接电流。4.6电源应按规定进行帝处理。
4.7带换向器的直流焊发电机,在整个电流调节范围应具有很好的换向性能,不应出现异常的火花造成换向器或电刷的损伤。
4.8带整流器组件的电源应具有一定负载的适应性。4. 9水冷系统应保证在2×10'Pa的进水压力下正常工作,无漏水或渗水现象。必要时需加控制和监视装置(与用户协议)。水冷器件应耐磨蚀、耐电压强度,冷却水应洁净适用。4.10保护气体气路系统应保证在1×105Pa进气的压力下正常工作,无漏气现象。4.11送丝机构和行走机构应具有足够的牵引力(牵引力大小在各分类标准中规定),保证工作时均匀地输送焊丝和驱动行走机构。
4.12焊机中未涂漆的黑色金属零部件,其表面防护层除摩擦配合部分外,均应符合JB2836电工产品的电镀层和化学覆盖层中第I类规定。4.13焊机漆层应光滑平整,厚度均勺,无裂纹,气泡及皱痕脱皮现象。4.14焊机的结构应保证有足够的强度和刚度,并便于操作与维修。固定安装的焊机应有安装托,并在相应文件或图样中标志安装尺寸。4.15
4. 16 焊机应有可靠的吊运或激移装置。吊运装置所能承受的重量,应不小于焊机重量的 2. 5 倍。强迫通风冷却系统应保证在运行过程中正常工作。4.17
焊机应能成套供应,并且有互换性,其具体范围由各分类标准规定。4.18
4. 19对于自动和半自动焊机的控制系统、行走和送丝机构应能达到下列要求:4. 19. 1
自动焊机在焊接开始前能控制焊丝的进退,以调整焊丝末端的位暨。焊接开始时,启动焊机能自动接通焊接电源、输送焊丝,并可靠引燃电弧。4.19.3
在焊接过程中,在充许的电网电压,率波动情况下,送丝、行走应均匀平稳,以保证电弧稳定燃烧。
停止焊接时,借助于按钮或开关能可靠地停止输送焊丝,并能断开焊接电源。4.19.5
焊机应具有引弧前气体导前,焊接结束时气体滞后之功能。:4.19.6
焊机应装有表示焊接电流、负载电压、焊接速度、送丝速度等指示器,以利于焊接参数的设定和观察。
4.20在允许的电网电压和频率波动的情况下,使用制造厂提供的成套电缆,焊机应能保证引抓可靠和电熟稳定燃烧,
GB 8118-- 87
4.21焊机的焊接电流、负裁电压、送丝、焊接速度调节方式,可以是无级的、有级的或混合调节的。4.22焊机用的焊丝和焊丝盘尺寸,应符合有关标准的规定。4.23焊机齿轮箱在运转时应无异常噪声和需油现象。4.24噪声和振动限值
焊接电源在新定焊接电流时的A计权声功率级的噪声限值,应符合表4的规定。表 4声功率级
单相弧焊变压器
斑焊整流器
电动机和直流弧焊发电机组
注内燃机驱动直流焊发电机不包括在内。额定焊接电流
同步转速
噪声限值
4.24.2电动机和直流弧焊发电机组.在额定焊接电流、断续工作制时的振动限值(mm/a)由分类标准规定。
4.25无线电干扰限值
对焊机无线电干扰有要求的用户,应在订货时提出要求,进行协商,确定限值。4.26使用寿命
4.26.1手工电弧焊电源为12年。4.26.2自动、半自动焊机为 5 年。4.26.3第一次大修前的使用时间:手工电焊电源
自动、半自动焊机
1000 h,
注,不包括易摄件的摄坏。
焊机用的配套件应符合整机的有关规定。4.28焊机的装箱、慰存由各分类标准规定。焊机配套用的电缆截面与长度由各类标准规定。4.29
5安全
GB 8118—87
5.1焊机的设计应符合GB4064电气设备安全设计导则》规定。但凡与本标准条款发生矛盾时,则应以本标准为准。
5.2焊机必须装有电源通断装置。5.3焊机输入与输出回路在电路上应分离。5.4对于手工电弧焊和 TIG焊电源,在最大焊接电流时相应的负载持续率低于35%及MIG/MAG焊电源,在最大焊接电流时相应的负载持续率低于60%时,应装有热保护装置。5.4.1热保护装骨在下列情况下应疏闸:8,电源部件温度超过规定限值时:b、电源绕组温度超过表1规定的温升限值20%以上时。5. 4.2当温度降至正常限值以下才允许热保护装置复位。5.4.3热保护装置运行能力
.对于手工电殖焊和TIG焊电源、在最大焊接电流下相应的负载持续率在20%(包括20%)以上及MIG/MAG焊电源、在最大焊接电流下相应的负载持续率在35%(包括35%)以上时,热保护装置应能连续通断超过 100次
b.对于手工电氧焊和TIG焊电源、在最大焊接电流下相应的负载持续率在20%以下及MIG/MAG焊电源,在最大焊接电流下相应的负持续率在35%以下时,热保护装置应能连续通断超过200软。
5.4:4装有热保护装置的电源应配备有红色指示灯,以表示热保护装置已跳间。5.5焊接输出端
焊接输出端不论是否带有连接电缆,均应予以保护,防止人体意外接触。5.5.1焊接电缆引出端的所有孔道边缘应平滑。5.5.2对于多头电源输出端,应标以相同电位、相同被性的标记。5.5.3对于直流电源,应在焊接输出端明显地标明极性。5.6焊接电源外壳防护等级最低为IP21;控制箱外壳防护等级最低为IP20。5.7除必要的抗于扰装置或保护电器外,焊接回路内部不得与保护接地或电源机架相连;通过这些元件的额外泄漏电流有效值不得超过5mA。5.8空载电压限值应符合表5规定。表5
触电危险性大的环境1
触电危险性不大的环境
自动焊炬,对操作人员无触电危险”特殊环境”
空载电
直流113V(峰值)
交流60V(峰值):48V(有效值)直流 113 V(峰值)
交流113V(峰值);80V(有效值)直流 141 V(峰值)
交流141V(峰值);100V(有效值)直流710V(峰值)
交疏710V(峰值):500V(有效值)注,1)工作时,活动自由度受到限制的工作场所,以至焊工只能以强制姿态如跪着、坐著、躺潜)进行烊接,以及潮湿和阅热的房间等。
GB 8118—87
2)焊矩不是用手操纵,或在爆接停止时能自动切断空裁电压,或由最低防护等级LP2提供防止意外接触的保护。
3)焊接或切谢回略断开时,能自动切断空戴电压以及有可能接触到的外喷嘴与工件或接地之间的电压不得超过 68 V(峰值)。 除焊短头部外,应有最嵌为 IP 2 一级的保护,防止意外接触带电部分。5.9绝缘电阻
焊机各导电部分之间绝缘电阻,应不低于下列值:a
初级回路(包括与之相连接的控制回路)与次级回路之间为5M;初级回路与机架以及与所有其他各回路之间为2.5MA次级回路与机架以及与所有其他各回路之间为2.5M,与初、次级回路不相连接的控制回路与机架或所有其他各回路之间为2.5M。5.10介电强度
静止式电源
初级回路与机架之间:
初级输入电压为220V时
初级输入电压为380V时
初、次级回路之间:
初级输人电压为 220 V 时
初级输入电压为380V时
次级回路与机架之间:
初级输入电压为220V时
初级输入电压为380V时
5.10.2旋转式电源
2 000 V,
2 500 V。
3 000 V:
4 000 V。
1 000 V
1 500 V。
旋转式电源的驱动电机,应按该类施转电机所规定的电压试验;旋转式电源的发电机各绕组(转子和定子)与机架之间:1500V旋转式电源的变流器,应按变压器所规定电压试验。5.10.3控制回路
与初级回路有电联系的控制回路与机架之间:2 500 V;供以 50V以上,127V以下的控制回路与机架之间:1 000 V;供以 50 V以下的控制回路与机架之间:800V 控制回路与次级回路之间:
控制回路与初级回路之间:
初级输入电压为 220 V时
初级输入电压为380 V时
注,上述电压值均为交流有效值。5.11匝间介电强度
1 000 V,
2 000 V
2500 V。
电源变压器绕组项间,在热状态下应能承受频率50Hz,130%额定输入电压,历时5min的介电强度。
耐潮、防滴试验后,其匝间介电强度也按上述规定考核。对于静止式电源,试验可在倍频,倍压下进行,历时1min对于旋转式电源,试验可在提高频率或转速条件下进行,但转速不得超过额定值的115%。5.12电气问膜与爬电距离
焊机应其有足够的介电强度所需要的电气间隙及爬电距离,其数值不得低于表6规定。额定电压
GB 8118—87
安装在空调、清洁室内的小功率婵机。0. 8
安装在一般住宅、商店、办公室、工厂、车间、试验室、试验场地的焊机。用于一般工业、农业和手工业等室内烨机。用于一般工业、农业等室外焊机。5.13电缆固定装量
电源应配用合适的电源电缆,电缆应固紧防止滑动。导线截面不超过4mm的电缆,应接受60N的拉力 100次,导线截面超过 4mtm\的电缆,应接受 200 N的拉力 100次,每次拉力持续时间 1 8且不抖动;然后按表7对电缆施加扭转负裁,为时1min。表7
导线裁面,mm
4. 0以上
试验过程中,电缆应不损坏,位移不超过 2 mm。扭转鱼戴N-m
5.14当焊机配备有气瓶、送丝机、冷却装置等辅件时,应具有足够的倾斜稳定性。5.15重量25kg以下的电源,应能承受跌落试验的机械应力而不损坏。5. 16经常移动且与人体易于接触的控制回路电压值规定如下下频交流#
直流:
36 V或42V
36 V 或 48 V。
5.17焊机输出回路不得与接地保护瓣或电源机架内接。内部连接应固定可靠,即使断线或松脱,也不会引起输入与输出回路问发生通电现象。5.18焊机应有良好的接地装置,设有专用接地极,接地螺钉不得小于8mm。5.19如电源内部采取可动绕组调节焊接电流,则要求可动绕组在各个位盘都应与其他带电部分至少有8的气隙。
5.20对焊机产生的射线、高频、电磁场等有害方面,应进行必要的防护,或与用户另订协议。5.21焊机用的插头、插座及焊接电缆耦合器安全要求,应符合GB7945弧焊设备焊接电缆插头、插座和耦合器的安全要求\规定。6数据允差
试验实测值与标牌上标注的数据充许偏差规定如下:a
GB 8118—87
空载电压与标牌所示值的偏差不得超过士5%,也不得超过空载电压限定值!转速与标牌所示额定转速偏差不得超过5%:初级输入电流与标牌所示值偏差不得超过士10%:焊接电流与标牌所示值偏差不得超过下述数值:最小焊接电流
最大焊接电流
计算方法如下:
式中:△——偏差值;
—5%。
I——焊接电流实测值;
I'z焊接电流标牌值。
7 试验项目与方法
7.1仪表精度与负载电阻选择
电流表、电压表和功率表、0.5级温度计±0.5℃
负载电阻功率因数大于0.99www.bzxz.net
7.2仪表类型
I—I'
× 100%
(4)
应根据电流或电压的波形正确地选用仪表。交流或纹波因数大于10%的整流电流,应测量方均根值;直流或纹波因数小于10%的整流电流,应测量平均值。7.3试验分类
7.3.1常规试验(出广试验)
每台焊机制造后所进行的试验,以判明其是否符合某些要求。7.3.2型式试验
同型号焊机中选择代表性的焊机所进行的全面性能试验,以判明其是否符合一定的标准。凡风下列情况之一者应进行型式试验,每次不少于2台。试制的新焊机,
焊机在设计、工艺、使用材料有重大变更;不经常生产的焊机再次生产,
焊机的带规试验结果与以往的型式试验结果发生不允许的偏差;批量产品进行定期抽检。
7.4试验项目
外观检查:
统组冷状态直流电阻测量;
温升,
绝缘电阻
介电强度:
距间介电强度:;
额定负载:
电流调节范围,级差及电流指精确度:(9)
效率;
功率因数;
最大负载;
静外特性:
动态特性:
空载;
GB 811887
焊接电流和负载电压冷、热态变化率;初级输入电流不对称率;
送丝速度变化率
焊接速度变化率;
焊接电流和负载电压变化率,
整流器组适应性和过载能力;
换向:
泄漏电流:
耐潮:
“牵引力;
外壳防护等级:
跌落试验
倾斜试验:
密封性;
噪声与振动:
热保护,
互换性,
(32)
成套性:
(33)焊接试验。
上列试验项目的排列次序不是试验的先后饮序,试验时的先后次序可按实际情况决定。7.5试验方法
7.5.1外观检查
7. 5. 1. 1 一般检查
试验前应对焊机的装配质量进行检查。如紧固用的螺钉、螺栓及螺母是否旋紧:冷却用的风机、各种调节装置及推动滚轮是否转动灵活各种标志是否符合图纸要求;标牌上的数据是否齐全、正确;接地装置是否可靠:电气间隙和爬电距离否符合要求等。在保证上述因素不影响电气性能试验结果时,方可进行本标准中的各项试验。
7.5.1.2外形尺寸及重量检查
a。用卷尺测量焊机长、宽、高(mm);b。用确科测量焊机的重量(kg)。7.5.2绕组在冷状态下直流电阻的测定7.5.2.1绕组在冷状态下的温度测定将焊机在室内静置一段时间,用温度计测量焊机绕组或铁芯表面温度,若此温度与环境温度相差不大于土3℃,此时焊机绕组端部或铁芯表面温度即为绕组在冷状态下的温度。如绕组的温度不可能直接测量时,则焊机在空气中静置时间应不少于8h,此时环境温度即可作为焊机绕组的温度。绕组温度可以用酒精温度计、电阻式温度计或热电偶式温度计进行测量。7.5.2.2直流电阻测量方法
测量的直流电阻在12以下用双臂电桥;a.
GB 8118--87
b。测量的直流电阻在1以上用单臂电桥,用单臂电桥所测得的电阻值应对接线电阻加以校正:c.测量时电桥臂上标准电阻的比率,应选择至被测电阻数值在读数盘上的较高位置,并在电桥中电流达到稳定时方可按下检流计按钮。测邀完毕后,应先断开检流计,d.直流电阻应在各绕组出线端上单独进行测量,e:测量时,应拆开与被测组有联系的其他组和保护回路。如对测量无影响可不必拆开;f.每一电阻值应重复测量三次,电阻的实际数值应取三次测量的平均值(每次测的电阻值与平均值之差和平均值之比不得大于土0.5%);g-测量完毕,应记录环境温度和空气相对湿度。7.5.3温升及最大负载试验
爆机中基一零件的温升为该零件的温度和环境温度之差。温度可用下述方法之一来测量。7.5.3.1温度计法
使用安置在绕组或其他零件的可接触表面的温度计测量温度在测量温度时可用其他仪器,例如热电偶或电阻式温度计代替酒精温度计或水银温度计,但这种仪器应能插入直径不大于5mm的标准温度计的水银球可通过的孔中。
7.5.3.2电阻法
绕组的温升,是利用绕组的直流电阻在温度升高后电阻相应增大的关系来确定绕纽的温升,其所得的是缔组温度的平均值,可用式(5)和式(6)求出:a.对于钢绕组:
t2+235
t1+235
b.对于铝组:
是或--
R= R(235 +t) + (tt - t.)
8或 —t =(228 +t)+(1 t)
t2+228
+ 228R,
式中:.一试验结束时绕组的温度,C,—绕组冷状态下的温度,℃;t。—试验结束时周围环境空气温度,℃,R,——-绕组冷状态下的电阻,,
R2绕组在试验结束时所测得的热电阻,息。+a
++++++++(6 )
如不能用电阻法时,在缆组可接近表面最热点安置温度计测量。对其他部件用温度计测量。注:①)不必同时用两种方法(温度计和电阻法)测量:测定某一单独部件的温升只要选择一种方法。②在静止式电源强制冷却的情况下应采用电阻法测盘,③在串联有开关触点的低电阐缆组情况下,用电阻法测量可能读数不准。@在存在交变磁场的情况下不能用水银温度计。7.5.3.3试验时,焊机应在环境空气温度为十10~~+40℃范围内进行:其测得的温度值应不超过表1和表 2 的规定。
7.5.3.4冷态电阻测量
绕组的玲态电阻应在绕组的冷状态下进行测量,其测量方法按7.5.2条的规定进行。7.5.3.5电源的调节
对于有两档或更多档调节能在规定负载电压下得到额定电流的电源,应在产生最大发热条件下进行试验。
电流调节装置应置于额定焊接电流的位置上。调节负载电阻,使在试验期间保持所要求的焊接电流。在整个试验中,负载电压的变化应在规定负载电压的土5%以内工作周期的时间误差不得超过士2%。GB 8118--87
试验时,允许电网电压偏差土5%,但焊接电流应保持不变。7.5. 3.6电源的状态和测量装置的安置电源应为新的、干燥的且装配完整的。在安置测盘装置时,入口处只允许通过盖板、检测门或制造厂提供的开启方便的侧板。使用的测量装置不应妨碍电源的正常通风或引起它的加热或散热。被试验的电源应包据所有的辅助设备,通风状态应与正常使用状态一致。7.5.3.7温升试验的原则
负载为非电感性电阻,端电压应保持规定的负裁电压,并在下述两项条件下试验:a.额定焊接电流及相应的额定负载持续率b.最大焊接电流及相对应的负载持续率。试验b可紧接着试验a,不要求电源恢复至环境空气温度负载持续率的换算按式(7)计算:X'=Xx
式中:X一额定负载持续率;
IzN额定焊接电流;
X被试电流相对应的负裁持续率;I,被试焊接电流。
7.5.3.8试验中的温度测量
7、5.3.8.1周围环境空气温度的测量周围环境空气温度的测量应使用安放于下述位置的温度计来进行,.(7)
在自然空冷的情况下,温度计应安置高于被试电源的一半高度处,距离1~2m,并应与热辐射和通风装置屏鼓,
b。在强制风冷的情况下,温度计应置于冷却系统的空气进口位置。在以上两种情况下,如果周围环境空气温度为恒值或变化很小,可选用在试验持续时间最后的t时间内、相等时间间隔测得的温度读数的平均值作为标准温度。如果阁围环境空气蕴度在试验时剧烈波动,采取必要的防护措施,避免被试电源随周围环境空气温度变化而引起的误差。
7.5.3.8.2电源零件的温度测量
般应记录电源通电时和停机以后的温度。对于电源通电时不可能记录温度的零件,则应在停机以后测量温度。
7.5.3.9温升试验的持续时间
温升试验应进行到电源的任何部件的温升上升速率不超过每小时2℃。7.5.3.10电源停机后测量温度的方法温升试验一结束,应尽快进行温度变化的准确记录和停机后测量温度的正确时间,在停机后的1~2 min 内测得的数据越多越好。如果在停机后测绘温度一时间关系曲线时出现读数连续下降,则应从曲线外推到停机的时刻,该最高温度即为电源停机时的温度。如巢停机后温度+升,则应以谢得的最高温度为准。7.5.3. 11测量温度时间
测量温度时间(电阻法时,即测量绕组的热态电阻)应在负载运行的最后周期中如热期间的一半时间时进行(姚图 1 中 A 点)。
小提示:此标准内容仅展示完整标准里的部分截取内容,若需要完整标准请到上方自行免费下载完整标准文档。
中华人民共和国国家标准
电弧焊机通用技术条件
General speciflcatlons for
arc welding machines
UDC 621.791
GB 8118—87
本标准适用于般使用条件下各种类型的电弧焊机(以下简称焊机);是制订各分类标准共同遵守的依据。各类型焊机凡有本标准未规定的附加要求时,或某些类型的焊机如在本标准的某些条款上有特殊要求时,则应在该类型焊机的标准中作附加和特殊规定。2定电流等级,基本参数
2. 1额定电流等级
额定电流等级100A以上按R10优先数系分等,100A以下按R5优光系数分等;2000A以上不作规定,由制造厂与用户商议。其分橙如下:
10,16,25,40,63,100,125(120).160(150),200,250,315(300),400.500,630(600),800(750),1000,1250(1200),1600(1500),2000A注:括号内的值,仅限于老产品使用。2. 2 颤定基本参数
2.2.1额定负载持续率(%)
35,60,100.
2.2.2工作周期(min)
5,10,20,连续。
2.2.3负载电压与焊接电流的关系如下:a.
药皮焊条手工电戴焊电源:
TIG焊电源:
MIG/MAG焊电源:
埋弧焊电源:
式中:U.负载电压,V:
焊接电流,A。
Uz-20+0. 04 12
U2-10+0. 011,
Uz=14+0. 051,
下降特性按a规定,平特性按c规定。注:①对于药皮焊条乎工电孤焊,电流超过600A时,负载电压保持44V不变。②对于TIG焊,电流超过600A时,负费电压保持34V不变。③对于MTG/MAG焊,电流超过600A时,负载电压保持44V不变,上述规定仅供电源测试用,在实际过程中可不必应用。2.2.4电流调节范围
2.2.4.1最小焊接电流
国家机械工业委员会1987-08-13批准(1)
1988-01-01实施
GB8118—87
直流TIG焊机,其最小焊接电流小于或等于10%额定焊接电流;b。其他焊机,其最小焊接电流小于或等于20%额定焊接电流。2.2.4.2最大焊接电流大于或等于100%额定焊接电流。3使用紊件
3. 1 海拨高度不超过 1 000 m。3.2相对湿度
最湿月的月平均最大相对为90%,同时该月的月平均最低温度为25℃。3.3对于空冷焊机,不得超过下列温度限值:8.
最高环境空气温度
日平均环境空气温度
年平均环境空气温度
d。最低环境空气温度
-10℃
注:对于使用水冷却焊炬的焊机,最低环境空气溫度为十5℃。3.4冷却水进口温度不大于十30℃。3.5焊机的使用场所应无严重影响焊机使用的气体蒸汽、化学沉积,尘垢,霉菌及其他爆炸性腐蚀性介质,并无剧烈震动和颠窥。
4技术要求
4.1焊机的供电电源
电源电压为实际正弦波形,其额定频率为50Hz,额定电压为220V或380V。供出口或其他用途的焊机,其电源频率和电压应符合外贸协议单或与用户协议书的有关规定。4.2焊机的电网供电品质
焊机在下列电网供电品质条件下应能正带工作:a三相电压不平衡率小于0.5%,
b。电网电压波动范围为土10%,频率波动范围为士1%。
4.3焊机输入端电流不对称率
在供电电网实际对称的条件下,焊机处于额定焊接电流或额定负载电压位置,每相电流与三相电流的平均值之差不得大于平均值的10%(对于利用不对称结构而得到的脉冲电流焊机,不受此限制)。4.4温升限值
4.4.1焊机中的电源各部分温升限值如表1和表2所示。表1静止式电源设备的温升限值
(最高环境空气温度40)
绝缘等级
和温度极限
A(105)
E(120)
B(130)
F(155)
H(180)
绕组的温升限值(包括电抗器和饱和电抗器)褪度计法”
注:1)对绝缘村料等级的定义,见GB2900.5一83电工名间术语电气绝缘材料。2)系指绕组的表面温度。
电阻法
&、交流绕组
GB 8118-87
表2旋转式电源设备的温升限值
b、。 TI 类以外具有直流激磁的交流和直流焊机的碰场统组
带换向器的电枢缆组
多层既电阻磁场统组、补偿统组和极间绕组
b.金属表面裸腾或涂漾的单层绕组”与镜组接触的铁心和其他零件
换向器和滑环(开启式或封闭式)3)注:1)T-
温度计祛;R
电阻法,
2)如唇间有循环冷却,也可包括多层避场组。T
3)除了换向或滑环附近的绕组,如果采用的绝续能适用于第W类温升条件,在这种情况下升可能超过统组绝续类型所允许的范围,给定的退升仅适用于球型温度计所测得的数值。当使用温升范围为 90℃和100℃时,选择的电刷等级要特别注意,4.4.2与电阻等发热元件相邻表面及构件的温升限值,应不影响相邻表面或构件的正常工作。4.4.3焊炬的手持部分的温升限值应不大于30℃。注:手持部分温度,系指焊炬手可接近的最热点温度,4.4.4轴承的允许温度(环境温度本超过40℃时)小于95℃。4.5焊机通用性技术指标,应符合表3规定。表3
电流刻度指示精度
玲热态焊接电流及负裁电压变化率调节级差:
e:有經调节
b、混合调节
电网电压在士10拓波动范圈内时,焊接电流,负载电压,送丝速度和焊接速度的变化率效率
该刻度值士10%
由各分类标准规定
相邻两档值之差不得大于较大档的15%应有量叠部分
由各分类标摊规楚
由各分类标准规定
过载能力:
3.下降待性电源
b.平持性电源
空蒙电流
动态特性
GB 8118—87
续表3
在允许的电网波动最大的情况下,电源调整在量大焊接电流链量,使出带短路,送行28,不应出现电气或机械故障
在允许的电网波动最大的情况下,电源调整在最大负赖电压位置,使输出端短路,持续时间 0. 3 ~0. 5 ,不应出现电气或机械故库,外电路电阻 0. 08 ~0. 0122不大于初级额定电流10%
由各分类标准规定
注:在电源结构特殊的情况下获得电流刻度有困难,涵造厂可与用户协商,提供适当的电流表用以指示焊接电流。4.6电源应按规定进行帝处理。
4.7带换向器的直流焊发电机,在整个电流调节范围应具有很好的换向性能,不应出现异常的火花造成换向器或电刷的损伤。
4.8带整流器组件的电源应具有一定负载的适应性。4. 9水冷系统应保证在2×10'Pa的进水压力下正常工作,无漏水或渗水现象。必要时需加控制和监视装置(与用户协议)。水冷器件应耐磨蚀、耐电压强度,冷却水应洁净适用。4.10保护气体气路系统应保证在1×105Pa进气的压力下正常工作,无漏气现象。4.11送丝机构和行走机构应具有足够的牵引力(牵引力大小在各分类标准中规定),保证工作时均匀地输送焊丝和驱动行走机构。
4.12焊机中未涂漆的黑色金属零部件,其表面防护层除摩擦配合部分外,均应符合JB2836电工产品的电镀层和化学覆盖层中第I类规定。4.13焊机漆层应光滑平整,厚度均勺,无裂纹,气泡及皱痕脱皮现象。4.14焊机的结构应保证有足够的强度和刚度,并便于操作与维修。固定安装的焊机应有安装托,并在相应文件或图样中标志安装尺寸。4.15
4. 16 焊机应有可靠的吊运或激移装置。吊运装置所能承受的重量,应不小于焊机重量的 2. 5 倍。强迫通风冷却系统应保证在运行过程中正常工作。4.17
焊机应能成套供应,并且有互换性,其具体范围由各分类标准规定。4.18
4. 19对于自动和半自动焊机的控制系统、行走和送丝机构应能达到下列要求:4. 19. 1
自动焊机在焊接开始前能控制焊丝的进退,以调整焊丝末端的位暨。焊接开始时,启动焊机能自动接通焊接电源、输送焊丝,并可靠引燃电弧。4.19.3
在焊接过程中,在充许的电网电压,率波动情况下,送丝、行走应均匀平稳,以保证电弧稳定燃烧。
停止焊接时,借助于按钮或开关能可靠地停止输送焊丝,并能断开焊接电源。4.19.5
焊机应具有引弧前气体导前,焊接结束时气体滞后之功能。:4.19.6
焊机应装有表示焊接电流、负载电压、焊接速度、送丝速度等指示器,以利于焊接参数的设定和观察。
4.20在允许的电网电压和频率波动的情况下,使用制造厂提供的成套电缆,焊机应能保证引抓可靠和电熟稳定燃烧,
GB 8118-- 87
4.21焊机的焊接电流、负裁电压、送丝、焊接速度调节方式,可以是无级的、有级的或混合调节的。4.22焊机用的焊丝和焊丝盘尺寸,应符合有关标准的规定。4.23焊机齿轮箱在运转时应无异常噪声和需油现象。4.24噪声和振动限值
焊接电源在新定焊接电流时的A计权声功率级的噪声限值,应符合表4的规定。表 4声功率级
单相弧焊变压器
斑焊整流器
电动机和直流弧焊发电机组
注内燃机驱动直流焊发电机不包括在内。额定焊接电流
同步转速
噪声限值
4.24.2电动机和直流弧焊发电机组.在额定焊接电流、断续工作制时的振动限值(mm/a)由分类标准规定。
4.25无线电干扰限值
对焊机无线电干扰有要求的用户,应在订货时提出要求,进行协商,确定限值。4.26使用寿命
4.26.1手工电弧焊电源为12年。4.26.2自动、半自动焊机为 5 年。4.26.3第一次大修前的使用时间:手工电焊电源
自动、半自动焊机
1000 h,
注,不包括易摄件的摄坏。
焊机用的配套件应符合整机的有关规定。4.28焊机的装箱、慰存由各分类标准规定。焊机配套用的电缆截面与长度由各类标准规定。4.29
5安全
GB 8118—87
5.1焊机的设计应符合GB4064电气设备安全设计导则》规定。但凡与本标准条款发生矛盾时,则应以本标准为准。
5.2焊机必须装有电源通断装置。5.3焊机输入与输出回路在电路上应分离。5.4对于手工电弧焊和 TIG焊电源,在最大焊接电流时相应的负载持续率低于35%及MIG/MAG焊电源,在最大焊接电流时相应的负载持续率低于60%时,应装有热保护装置。5.4.1热保护装骨在下列情况下应疏闸:8,电源部件温度超过规定限值时:b、电源绕组温度超过表1规定的温升限值20%以上时。5. 4.2当温度降至正常限值以下才允许热保护装置复位。5.4.3热保护装置运行能力
.对于手工电殖焊和TIG焊电源、在最大焊接电流下相应的负载持续率在20%(包括20%)以上及MIG/MAG焊电源、在最大焊接电流下相应的负载持续率在35%(包括35%)以上时,热保护装置应能连续通断超过 100次
b.对于手工电氧焊和TIG焊电源、在最大焊接电流下相应的负载持续率在20%以下及MIG/MAG焊电源,在最大焊接电流下相应的负持续率在35%以下时,热保护装置应能连续通断超过200软。
5.4:4装有热保护装置的电源应配备有红色指示灯,以表示热保护装置已跳间。5.5焊接输出端
焊接输出端不论是否带有连接电缆,均应予以保护,防止人体意外接触。5.5.1焊接电缆引出端的所有孔道边缘应平滑。5.5.2对于多头电源输出端,应标以相同电位、相同被性的标记。5.5.3对于直流电源,应在焊接输出端明显地标明极性。5.6焊接电源外壳防护等级最低为IP21;控制箱外壳防护等级最低为IP20。5.7除必要的抗于扰装置或保护电器外,焊接回路内部不得与保护接地或电源机架相连;通过这些元件的额外泄漏电流有效值不得超过5mA。5.8空载电压限值应符合表5规定。表5
触电危险性大的环境1
触电危险性不大的环境
自动焊炬,对操作人员无触电危险”特殊环境”
空载电
直流113V(峰值)
交流60V(峰值):48V(有效值)直流 113 V(峰值)
交流113V(峰值);80V(有效值)直流 141 V(峰值)
交流141V(峰值);100V(有效值)直流710V(峰值)
交疏710V(峰值):500V(有效值)注,1)工作时,活动自由度受到限制的工作场所,以至焊工只能以强制姿态如跪着、坐著、躺潜)进行烊接,以及潮湿和阅热的房间等。
GB 8118—87
2)焊矩不是用手操纵,或在爆接停止时能自动切断空裁电压,或由最低防护等级LP2提供防止意外接触的保护。
3)焊接或切谢回略断开时,能自动切断空戴电压以及有可能接触到的外喷嘴与工件或接地之间的电压不得超过 68 V(峰值)。 除焊短头部外,应有最嵌为 IP 2 一级的保护,防止意外接触带电部分。5.9绝缘电阻
焊机各导电部分之间绝缘电阻,应不低于下列值:a
初级回路(包括与之相连接的控制回路)与次级回路之间为5M;初级回路与机架以及与所有其他各回路之间为2.5MA次级回路与机架以及与所有其他各回路之间为2.5M,与初、次级回路不相连接的控制回路与机架或所有其他各回路之间为2.5M。5.10介电强度
静止式电源
初级回路与机架之间:
初级输入电压为220V时
初级输入电压为380V时
初、次级回路之间:
初级输人电压为 220 V 时
初级输入电压为380V时
次级回路与机架之间:
初级输入电压为220V时
初级输入电压为380V时
5.10.2旋转式电源
2 000 V,
2 500 V。
3 000 V:
4 000 V。
1 000 V
1 500 V。
旋转式电源的驱动电机,应按该类施转电机所规定的电压试验;旋转式电源的发电机各绕组(转子和定子)与机架之间:1500V旋转式电源的变流器,应按变压器所规定电压试验。5.10.3控制回路
与初级回路有电联系的控制回路与机架之间:2 500 V;供以 50V以上,127V以下的控制回路与机架之间:1 000 V;供以 50 V以下的控制回路与机架之间:800V 控制回路与次级回路之间:
控制回路与初级回路之间:
初级输入电压为 220 V时
初级输入电压为380 V时
注,上述电压值均为交流有效值。5.11匝间介电强度
1 000 V,
2 000 V
2500 V。
电源变压器绕组项间,在热状态下应能承受频率50Hz,130%额定输入电压,历时5min的介电强度。
耐潮、防滴试验后,其匝间介电强度也按上述规定考核。对于静止式电源,试验可在倍频,倍压下进行,历时1min对于旋转式电源,试验可在提高频率或转速条件下进行,但转速不得超过额定值的115%。5.12电气问膜与爬电距离
焊机应其有足够的介电强度所需要的电气间隙及爬电距离,其数值不得低于表6规定。额定电压
GB 8118—87
安装在空调、清洁室内的小功率婵机。0. 8
安装在一般住宅、商店、办公室、工厂、车间、试验室、试验场地的焊机。用于一般工业、农业和手工业等室内烨机。用于一般工业、农业等室外焊机。5.13电缆固定装量
电源应配用合适的电源电缆,电缆应固紧防止滑动。导线截面不超过4mm的电缆,应接受60N的拉力 100次,导线截面超过 4mtm\的电缆,应接受 200 N的拉力 100次,每次拉力持续时间 1 8且不抖动;然后按表7对电缆施加扭转负裁,为时1min。表7
导线裁面,mm
4. 0以上
试验过程中,电缆应不损坏,位移不超过 2 mm。扭转鱼戴N-m
5.14当焊机配备有气瓶、送丝机、冷却装置等辅件时,应具有足够的倾斜稳定性。5.15重量25kg以下的电源,应能承受跌落试验的机械应力而不损坏。5. 16经常移动且与人体易于接触的控制回路电压值规定如下下频交流#
直流:
36 V或42V
36 V 或 48 V。
5.17焊机输出回路不得与接地保护瓣或电源机架内接。内部连接应固定可靠,即使断线或松脱,也不会引起输入与输出回路问发生通电现象。5.18焊机应有良好的接地装置,设有专用接地极,接地螺钉不得小于8mm。5.19如电源内部采取可动绕组调节焊接电流,则要求可动绕组在各个位盘都应与其他带电部分至少有8的气隙。
5.20对焊机产生的射线、高频、电磁场等有害方面,应进行必要的防护,或与用户另订协议。5.21焊机用的插头、插座及焊接电缆耦合器安全要求,应符合GB7945弧焊设备焊接电缆插头、插座和耦合器的安全要求\规定。6数据允差
试验实测值与标牌上标注的数据充许偏差规定如下:a
GB 8118—87
空载电压与标牌所示值的偏差不得超过士5%,也不得超过空载电压限定值!转速与标牌所示额定转速偏差不得超过5%:初级输入电流与标牌所示值偏差不得超过士10%:焊接电流与标牌所示值偏差不得超过下述数值:最小焊接电流
最大焊接电流
计算方法如下:
式中:△——偏差值;
—5%。
I——焊接电流实测值;
I'z焊接电流标牌值。
7 试验项目与方法
7.1仪表精度与负载电阻选择
电流表、电压表和功率表、0.5级温度计±0.5℃
负载电阻功率因数大于0.99www.bzxz.net
7.2仪表类型
I—I'
× 100%
(4)
应根据电流或电压的波形正确地选用仪表。交流或纹波因数大于10%的整流电流,应测量方均根值;直流或纹波因数小于10%的整流电流,应测量平均值。7.3试验分类
7.3.1常规试验(出广试验)
每台焊机制造后所进行的试验,以判明其是否符合某些要求。7.3.2型式试验
同型号焊机中选择代表性的焊机所进行的全面性能试验,以判明其是否符合一定的标准。凡风下列情况之一者应进行型式试验,每次不少于2台。试制的新焊机,
焊机在设计、工艺、使用材料有重大变更;不经常生产的焊机再次生产,
焊机的带规试验结果与以往的型式试验结果发生不允许的偏差;批量产品进行定期抽检。
7.4试验项目
外观检查:
统组冷状态直流电阻测量;
温升,
绝缘电阻
介电强度:
距间介电强度:;
额定负载:
电流调节范围,级差及电流指精确度:(9)
效率;
功率因数;
最大负载;
静外特性:
动态特性:
空载;
GB 811887
焊接电流和负载电压冷、热态变化率;初级输入电流不对称率;
送丝速度变化率
焊接速度变化率;
焊接电流和负载电压变化率,
整流器组适应性和过载能力;
换向:
泄漏电流:
耐潮:
“牵引力;
外壳防护等级:
跌落试验
倾斜试验:
密封性;
噪声与振动:
热保护,
互换性,
(32)
成套性:
(33)焊接试验。
上列试验项目的排列次序不是试验的先后饮序,试验时的先后次序可按实际情况决定。7.5试验方法
7.5.1外观检查
7. 5. 1. 1 一般检查
试验前应对焊机的装配质量进行检查。如紧固用的螺钉、螺栓及螺母是否旋紧:冷却用的风机、各种调节装置及推动滚轮是否转动灵活各种标志是否符合图纸要求;标牌上的数据是否齐全、正确;接地装置是否可靠:电气间隙和爬电距离否符合要求等。在保证上述因素不影响电气性能试验结果时,方可进行本标准中的各项试验。
7.5.1.2外形尺寸及重量检查
a。用卷尺测量焊机长、宽、高(mm);b。用确科测量焊机的重量(kg)。7.5.2绕组在冷状态下直流电阻的测定7.5.2.1绕组在冷状态下的温度测定将焊机在室内静置一段时间,用温度计测量焊机绕组或铁芯表面温度,若此温度与环境温度相差不大于土3℃,此时焊机绕组端部或铁芯表面温度即为绕组在冷状态下的温度。如绕组的温度不可能直接测量时,则焊机在空气中静置时间应不少于8h,此时环境温度即可作为焊机绕组的温度。绕组温度可以用酒精温度计、电阻式温度计或热电偶式温度计进行测量。7.5.2.2直流电阻测量方法
测量的直流电阻在12以下用双臂电桥;a.
GB 8118--87
b。测量的直流电阻在1以上用单臂电桥,用单臂电桥所测得的电阻值应对接线电阻加以校正:c.测量时电桥臂上标准电阻的比率,应选择至被测电阻数值在读数盘上的较高位置,并在电桥中电流达到稳定时方可按下检流计按钮。测邀完毕后,应先断开检流计,d.直流电阻应在各绕组出线端上单独进行测量,e:测量时,应拆开与被测组有联系的其他组和保护回路。如对测量无影响可不必拆开;f.每一电阻值应重复测量三次,电阻的实际数值应取三次测量的平均值(每次测的电阻值与平均值之差和平均值之比不得大于土0.5%);g-测量完毕,应记录环境温度和空气相对湿度。7.5.3温升及最大负载试验
爆机中基一零件的温升为该零件的温度和环境温度之差。温度可用下述方法之一来测量。7.5.3.1温度计法
使用安置在绕组或其他零件的可接触表面的温度计测量温度在测量温度时可用其他仪器,例如热电偶或电阻式温度计代替酒精温度计或水银温度计,但这种仪器应能插入直径不大于5mm的标准温度计的水银球可通过的孔中。
7.5.3.2电阻法
绕组的温升,是利用绕组的直流电阻在温度升高后电阻相应增大的关系来确定绕纽的温升,其所得的是缔组温度的平均值,可用式(5)和式(6)求出:a.对于钢绕组:
t2+235
t1+235
b.对于铝组:
是或--
R= R(235 +t) + (tt - t.)
8或 —t =(228 +t)+(1 t)
t2+228
+ 228R,
式中:.一试验结束时绕组的温度,C,—绕组冷状态下的温度,℃;t。—试验结束时周围环境空气温度,℃,R,——-绕组冷状态下的电阻,,
R2绕组在试验结束时所测得的热电阻,息。+a
++++++++(6 )
如不能用电阻法时,在缆组可接近表面最热点安置温度计测量。对其他部件用温度计测量。注:①)不必同时用两种方法(温度计和电阻法)测量:测定某一单独部件的温升只要选择一种方法。②在静止式电源强制冷却的情况下应采用电阻法测盘,③在串联有开关触点的低电阐缆组情况下,用电阻法测量可能读数不准。@在存在交变磁场的情况下不能用水银温度计。7.5.3.3试验时,焊机应在环境空气温度为十10~~+40℃范围内进行:其测得的温度值应不超过表1和表 2 的规定。
7.5.3.4冷态电阻测量
绕组的玲态电阻应在绕组的冷状态下进行测量,其测量方法按7.5.2条的规定进行。7.5.3.5电源的调节
对于有两档或更多档调节能在规定负载电压下得到额定电流的电源,应在产生最大发热条件下进行试验。
电流调节装置应置于额定焊接电流的位置上。调节负载电阻,使在试验期间保持所要求的焊接电流。在整个试验中,负载电压的变化应在规定负载电压的土5%以内工作周期的时间误差不得超过士2%。GB 8118--87
试验时,允许电网电压偏差土5%,但焊接电流应保持不变。7.5. 3.6电源的状态和测量装置的安置电源应为新的、干燥的且装配完整的。在安置测盘装置时,入口处只允许通过盖板、检测门或制造厂提供的开启方便的侧板。使用的测量装置不应妨碍电源的正常通风或引起它的加热或散热。被试验的电源应包据所有的辅助设备,通风状态应与正常使用状态一致。7.5.3.7温升试验的原则
负载为非电感性电阻,端电压应保持规定的负裁电压,并在下述两项条件下试验:a.额定焊接电流及相应的额定负载持续率b.最大焊接电流及相对应的负载持续率。试验b可紧接着试验a,不要求电源恢复至环境空气温度负载持续率的换算按式(7)计算:X'=Xx
式中:X一额定负载持续率;
IzN额定焊接电流;
X被试电流相对应的负裁持续率;I,被试焊接电流。
7.5.3.8试验中的温度测量
7、5.3.8.1周围环境空气温度的测量周围环境空气温度的测量应使用安放于下述位置的温度计来进行,.(7)
在自然空冷的情况下,温度计应安置高于被试电源的一半高度处,距离1~2m,并应与热辐射和通风装置屏鼓,
b。在强制风冷的情况下,温度计应置于冷却系统的空气进口位置。在以上两种情况下,如果周围环境空气温度为恒值或变化很小,可选用在试验持续时间最后的t时间内、相等时间间隔测得的温度读数的平均值作为标准温度。如果阁围环境空气蕴度在试验时剧烈波动,采取必要的防护措施,避免被试电源随周围环境空气温度变化而引起的误差。
7.5.3.8.2电源零件的温度测量
般应记录电源通电时和停机以后的温度。对于电源通电时不可能记录温度的零件,则应在停机以后测量温度。
7.5.3.9温升试验的持续时间
温升试验应进行到电源的任何部件的温升上升速率不超过每小时2℃。7.5.3.10电源停机后测量温度的方法温升试验一结束,应尽快进行温度变化的准确记录和停机后测量温度的正确时间,在停机后的1~2 min 内测得的数据越多越好。如果在停机后测绘温度一时间关系曲线时出现读数连续下降,则应从曲线外推到停机的时刻,该最高温度即为电源停机时的温度。如巢停机后温度+升,则应以谢得的最高温度为准。7.5.3. 11测量温度时间
测量温度时间(电阻法时,即测量绕组的热态电阻)应在负载运行的最后周期中如热期间的一半时间时进行(姚图 1 中 A 点)。
小提示:此标准内容仅展示完整标准里的部分截取内容,若需要完整标准请到上方自行免费下载完整标准文档。
标准图片预览:





- 其它标准
- 上一篇: GB 8114-1987 住宅楼房信报箱
- 下一篇: GB 8123-1987 杠杆千分表
- 热门标准
- 国家标准(GB)
- GB/T2828.1-2012 计数抽样检验程序 第1部分:按接收质量限(AQL)检索的逐批检验抽样计划
- GB/T3452.3-2005 液压气动用O形橡胶密封圈 沟槽尺寸
- GB/T2855.8-1990 冲模滑动导向模座 后侧导柱窄形下模座
- GB/T2481.2-1998 固结磨具用磨料 粒度组成的检测和标记 第2部分:微粉F230?F1200
- GB/T12611-2008 金属零(部)件镀覆前质量控制技术要求
- GB/T40094.2-2021 电子商务数据交易第2部分:数据描述规范
- GB/T33588.3-2020 雷电防护系统部件(LPSC)第3部分:隔离放电间隙(ISG)的要求
- GB/T39275-2020 电力电子系统和设备有源馈电变流器(AIC)应用的运行条件和特性
- GB/T29077-2024 星箭界面飞行环境遥测数据处理要求
- GB/T18487.1-2023 电动汽车传导充电系统 第1部分:通用要求
- GB24500-2020 工业锅炉能效限定值及能效等级
- GB4706.7-1999 家用和类似用途电器的安全真空吸尘器和吸水式清洁器的特殊要求
- GB/T3047.3-2003 高度进制为20mm的插箱、插件基本尺寸系列
- GB9075-1988 架空索道用钢丝绳检验和报废规范
- GB15735-2004 金属热处理生产过程安全卫生要求
- 行业新闻
请牢记:“bzxz.net”即是“标准下载”四个汉字汉语拼音首字母与国际顶级域名“.net”的组合。 ©2025 标准下载网 www.bzxz.net 本站邮件:bzxznet@163.com
网站备案号:湘ICP备2025141790号-2
网站备案号:湘ICP备2025141790号-2