- 您的位置:
- 标准下载网 >>
- 标准分类 >>
- 电子行业标准(SJ) >>
- SJ 3115-1988 冷冲模 导板模上模座
标准号:
SJ 3115-1988
标准名称:
冷冲模 导板模上模座
标准类别:
电子行业标准(SJ)
标准状态:
现行-
发布日期:
1988-03-28 -
实施日期:
1988-10-01 出版语种:
简体中文下载格式:
.rar.pdf下载大小:
37.09 KB
部分标准内容:
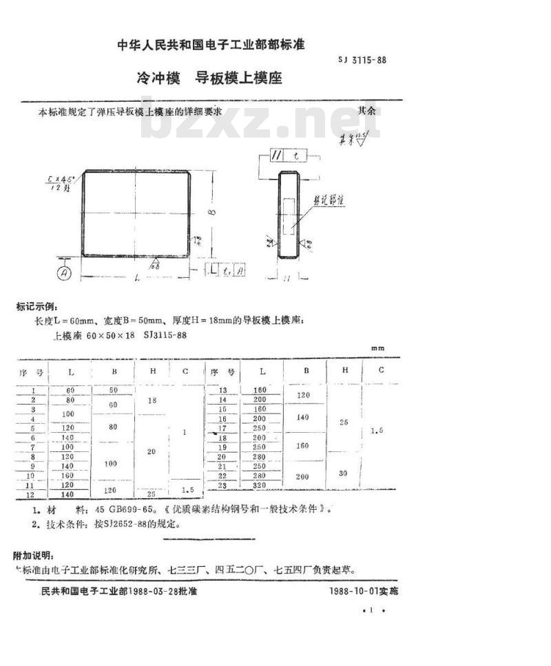
中华人民共和国电子工业部部标准导板模上模座
冷冲模
本标准规定了弹压导板模上模座的详细要求Cx45
标记示例:
长度L=60mm、宽度B=50mm,
厚度H=18mm的导板模上模座:
上模座60×50×18S
SJ3115-88
SJ3115-88
称记部值Www.bzxZ.net
料:45GB699-65。《优质碳素结构钢号和一般技术条件》。2,技术条件:按S12652-88的规定。附加说明:
标准由电子工业部标准化研究所、七三三厂、四五二〇厂、七五四厂负责起草。民共和国电子工业部1988-03-28批准C
1988-10-01实施
小提示:此标准内容仅展示完整标准里的部分截取内容,若需要完整标准请到上方自行免费下载完整标准文档。
冷冲模
本标准规定了弹压导板模上模座的详细要求Cx45
标记示例:
长度L=60mm、宽度B=50mm,
厚度H=18mm的导板模上模座:
上模座60×50×18S
SJ3115-88
SJ3115-88
称记部值Www.bzxZ.net
料:45GB699-65。《优质碳素结构钢号和一般技术条件》。2,技术条件:按S12652-88的规定。附加说明:
标准由电子工业部标准化研究所、七三三厂、四五二〇厂、七五四厂负责起草。民共和国电子工业部1988-03-28批准C
1988-10-01实施
小提示:此标准内容仅展示完整标准里的部分截取内容,若需要完整标准请到上方自行免费下载完整标准文档。
标准图片预览:

- 其它标准
- 热门标准
- 电子行业标准(SJ)
- SJ675-1983 DM-346电真空玻璃主要技术数据
- SJ/T11247-2001 永磁铁氧体瓦形磁体公差及外形缺陷
- SJ50681.76-1994 SMC系列(不接电缆)插针接触件印制电路板用2级射频同轴插座连接器详细规范
- SJ/T31439-1994 除湿机完好要求和检查评定方法
- SJ/T10588.12-1994 DB-438型电子玻璃技术数据
- SJ1805-1981 2CC126型硅调频变容二极管
- SJ/T31445-1994 热力管道完好要求和检查评定方法
- SJ/T10783-1996 电子器件详细规范 半导体集成电路CD7176CP伴音中频放大电路(可供认证用)
- SJ1553-1980 测温型负温度系数热敏电阻器总技术条件
- SJ2674-1986 电子器件详细规范 低功率非线绕固定电阻器RJ16型金属膜固定电阻器 评定水平E
- SJ3006.3-1988 组合冲模 下圆角刃口
- SJ3003.5-1988 组合冲模 圆形刃口
- SJ50681.70-1994 N系列(接41.28mm半硬电缆)插孔接触件2级射频同轴插头连接器详细规范
- SJ20646-1997 混合集成电路DC/DC变换器测试方法
- SJ/T10410-2002 永磁铁氧体材料
- 行业新闻
请牢记:“bzxz.net”即是“标准下载”四个汉字汉语拼音首字母与国际顶级域名“.net”的组合。 ©2025 标准下载网 www.bzxz.net 本站邮件:bzxznet@163.com
网站备案号:湘ICP备2025141790号-2
网站备案号:湘ICP备2025141790号-2