- 您的位置:
- 标准下载网 >>
- 标准分类 >>
- 电子行业标准(SJ) >>
- SJ 3112-1988 冷冲模 Ⅰ型固定导板模横向送料上模座
标准号:
SJ 3112-1988
标准名称:
冷冲模 Ⅰ型固定导板模横向送料上模座
标准类别:
电子行业标准(SJ)
标准状态:
现行-
发布日期:
1988-03-28 -
实施日期:
1988-10-01 出版语种:
简体中文下载格式:
.rar.pdf下载大小:
39.72 KB
部分标准内容:
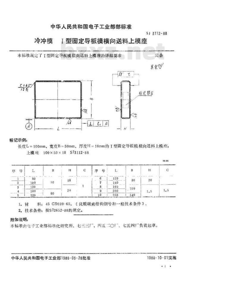
中华人民共和国电子工业部部标准SJ3112-88
1型固定导板模横向送料上模座
冷冲模
本标准规定了I型固定导板模横向送料上模座的详细要求CX45
标记示例:
其余窖
样记部位
长度L=100mm,宽度B=50mm、厚度H=18mm的I型固定导板模横向送料上模座:100×50×18ST3112-88
上模座bzxz.net
料:45GB699-65。《优质碳素结构钢号和—般技术条件》。2,技术条件:按SJ2652-88的规定。附加说明:
本标准中电子工业部标准化研究所、七三三厂、四五二O厂、七五四厂负责起草。中华人民共和国电子工业部1988-03-28批准C
1988-10-01实施
小提示:此标准内容仅展示完整标准里的部分截取内容,若需要完整标准请到上方自行免费下载完整标准文档。
1型固定导板模横向送料上模座
冷冲模
本标准规定了I型固定导板模横向送料上模座的详细要求CX45
标记示例:
其余窖
样记部位
长度L=100mm,宽度B=50mm、厚度H=18mm的I型固定导板模横向送料上模座:100×50×18ST3112-88
上模座bzxz.net
料:45GB699-65。《优质碳素结构钢号和—般技术条件》。2,技术条件:按SJ2652-88的规定。附加说明:
本标准中电子工业部标准化研究所、七三三厂、四五二O厂、七五四厂负责起草。中华人民共和国电子工业部1988-03-28批准C
1988-10-01实施
小提示:此标准内容仅展示完整标准里的部分截取内容,若需要完整标准请到上方自行免费下载完整标准文档。
标准图片预览:

- 其它标准
- 热门标准
- 电子行业标准(SJ)
- SJ3166-1988 GZS12-4-3型彩色显像管插座
- SJ2857.2-1988 温差电致冷材料性能的测试方法 电导率的测试方法
- SJ2879-1988 彩色电视接收机用色纯静会聚磁体组合件总规范
- SJ/T9546-1993 无金属化孔单、双面印制板的质量分等标准
- SJ/T31063-1994 TCM-B三氯乙烯清洗机完好要求和检查评定方法
- SJ/T31168-1994 发射管电性能测试电源完好要求和检查评定方法
- SJ/T31384-1994 洗衣机定时器寿命试验台完好要求和检查评定方法
- SJ/T31441-1994 离心式制冷机组完好要求和检查评定方法
- SJ/T31449-1994 供油管道完好要求和检查评定方法
- SJ/T10401-1993 半导体集成音响电路马达稳速电路测试方法的基本原理
- SJ/T10455-1993 厚膜混合集成电路用铜导体浆料
- SJ/T11010-1996 电子器件详细规范 半导体电视集成电路CD1124ACP伴音中频放大电路
- SJ/T11088-1996 电子器件详细规范 半导体集成电路CD7680CP图象伴音中频放大电路
- SJ/T10669-1995 表面组装器件可焊性试验
- SJ/Z3206.5-1989 光谱化学分析用感光板和胶片的照相处理方法
- 行业新闻
请牢记:“bzxz.net”即是“标准下载”四个汉字汉语拼音首字母与国际顶级域名“.net”的组合。 ©2025 标准下载网 www.bzxz.net 本站邮件:bzxznet@163.com
网站备案号:湘ICP备2025141790号-2
网站备案号:湘ICP备2025141790号-2