- 您的位置:
- 标准下载网 >>
- 标准分类 >>
- 煤炭行业标准(MT) >>
- MT/T 587-1996 液压支架结构件制造技术条件
标准号:
MT/T 587-1996
标准名称:
液压支架结构件制造技术条件
标准类别:
煤炭行业标准(MT)
标准状态:
现行-
发布日期:
1996-12-03 -
实施日期:
1997-10-01 出版语种:
简体中文下载格式:
.rar.pdf下载大小:
1.67 MB
标准ICS号:
采矿和矿产品>>73.100采矿设备中标分类号:
矿业>>矿山机械设备>>D98煤矿专用设备器材
点击下载
标准简介:
标准下载解压密码:www.bzxz.net
本标准规定了矿用液压支架结构件(以下简称结构件)的制造、检验的技术质量要求.本标准适用于矿用液压支架结构件的下料、施工、检验. MT/T 587-1996 液压支架结构件制造技术条件 MT/T587-1996
部分标准内容:
MT/T587-1996
本标准参考JB/T5943—91《工程机械经验编制而成。
焊接件通用技术条件》,并根据多年生产液压支架的实践标准的实施对于液压支架生产的质量保证具有指导意义。本标准由煤炭工业部科技教育司提出。本标准由煤矿专用设备标准化技术委员会归口。本标准由北京煤矿机械厂负责起草。本标准主要起草人:袁贵珠、丁农、张立英。本标准委托北京煤矿机械厂负责解释。442
1范围
中华人民共和国煤炭行业标准
液压支架结构件制造技术条件
MT/T587---1996
本标准规定了矿用液压支架结构件(以下简称结构件)的制造、检验的技术质量要求。本标准适用于矿用液压支架结构件的下料、施工、检验。2引用标准
下列标准所包含的条文,通过在本标准中引用而构成为本标准的条文。在标准出版时,所示版本均为有效。所有标准都会被修订,使用本标准的各方应探讨使用下列标准最新版本的可能性。GB5118-85低合金钢焊条
GB5293—85
碳素钢埋弧焊用焊剂
GB8110—87二氧化碳气体保护焊用钢焊丝GB9448—88焊接与切割安全
3技术要求
3.1般技术要求
3.1.1结构件的制造应符合经规定程序批准的产品图样、技术文件和本标准的规定。3.1.2用于结构件材料的钢号、规格、尺寸应符合图样要求。若不符合要求时,应按设计要求允许的代用材料代用。
3.1.3用于结构件的材料(钢板、型钢等)和焊接材料(焊条、焊丝、焊剂等),进厂时应按材料标准规定,检验合格后方准使用。
3.1.4严禁使用牌号不明,未经检验部门验收的各种材料。3.2下料质量要求
下料前应进行除锈及去除氧化皮的处理。3.2.1切割下料质量要求:
3.2.1.1手工划线宽度不大于0.5mm。3.2.1.2
长宽比
气割下料需机械加工的表面,其最大加工余量见表1。表1
加工种类
8≥50
中华人民共和国煤炭工业部1996-12-03批准≤15
208<50
最大加工余量
8≥50
20<8≤50
8≥50
1997-10-01实施
长宽比
表面粗糙度
20<<50
8≥50
孔加工余量直径方向10mm~15mm
切割表面偏斜度见表2。
切割表面的偏斜度
MT/T587-1996
表1(完)
20<8<50
机械切割
手工气割
3.2.1.4切割表面粗糙度Ra的上限值为50um。≤25
8≥50
3.2.1.5o,大于440MPa的高强度钢板焊接坡口应打磨去除氧化皮。3.2.2剪板机切割质量要求:
3.2.2.1剪切板料的切断面对板料表面垂直度公差见表3。表3
608100
垂直度公差
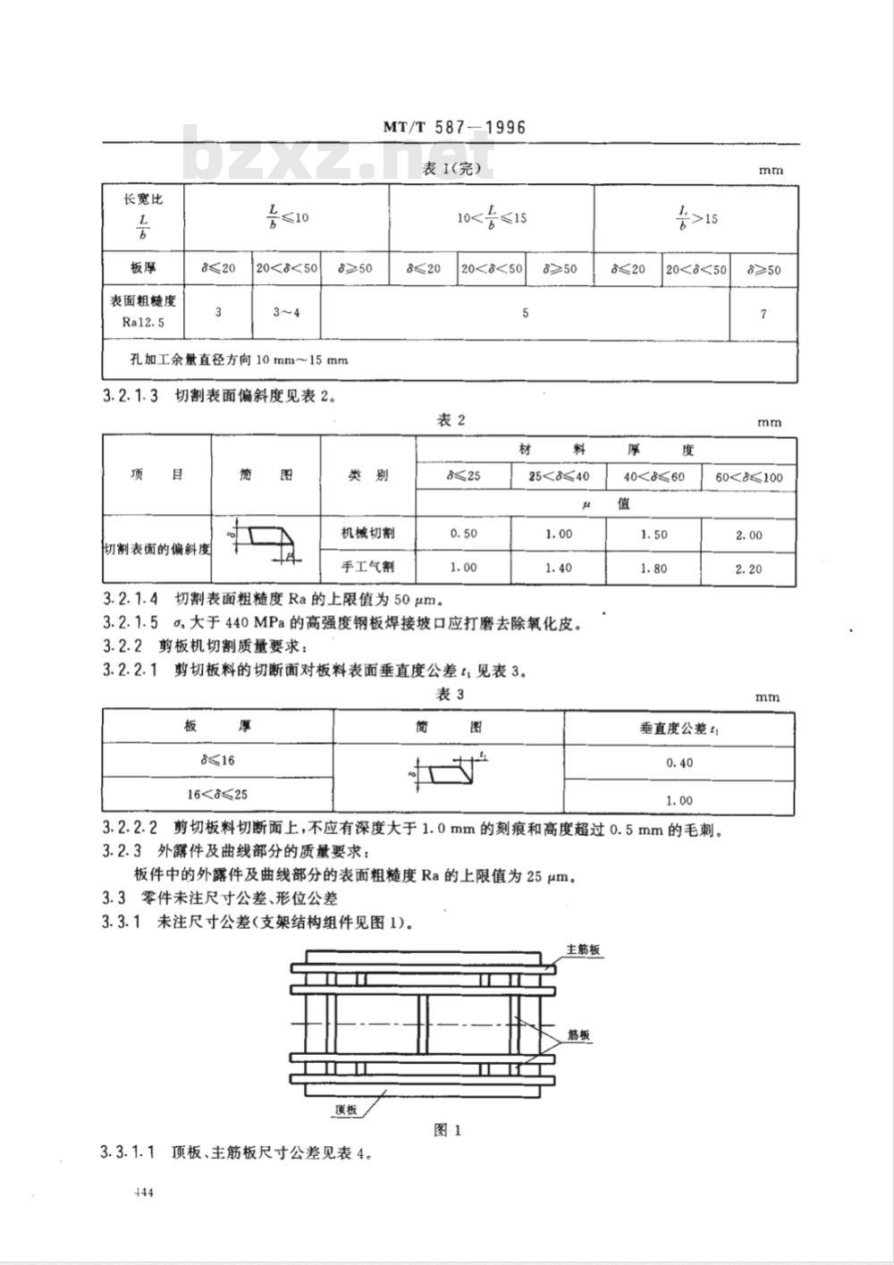
3.2.2.2剪切板料切断面上,不应有深度大于1.0mm的刻痕和高度超过0.5mm的毛刺。3.2.3外露件及曲线部分的质量要求:板件中的外露件及曲线部分的表面粗糙度Ra的上限值为25μm。3.3零件未注尺寸公差、形位公差3.3.1未注尺寸公差(支架结构组件见图1)。主筋板
3.3.1.1顶板、主筋板尺寸公差见表4。444
500~1000
>1000~2500
>2500~4000
MT/T587-1996
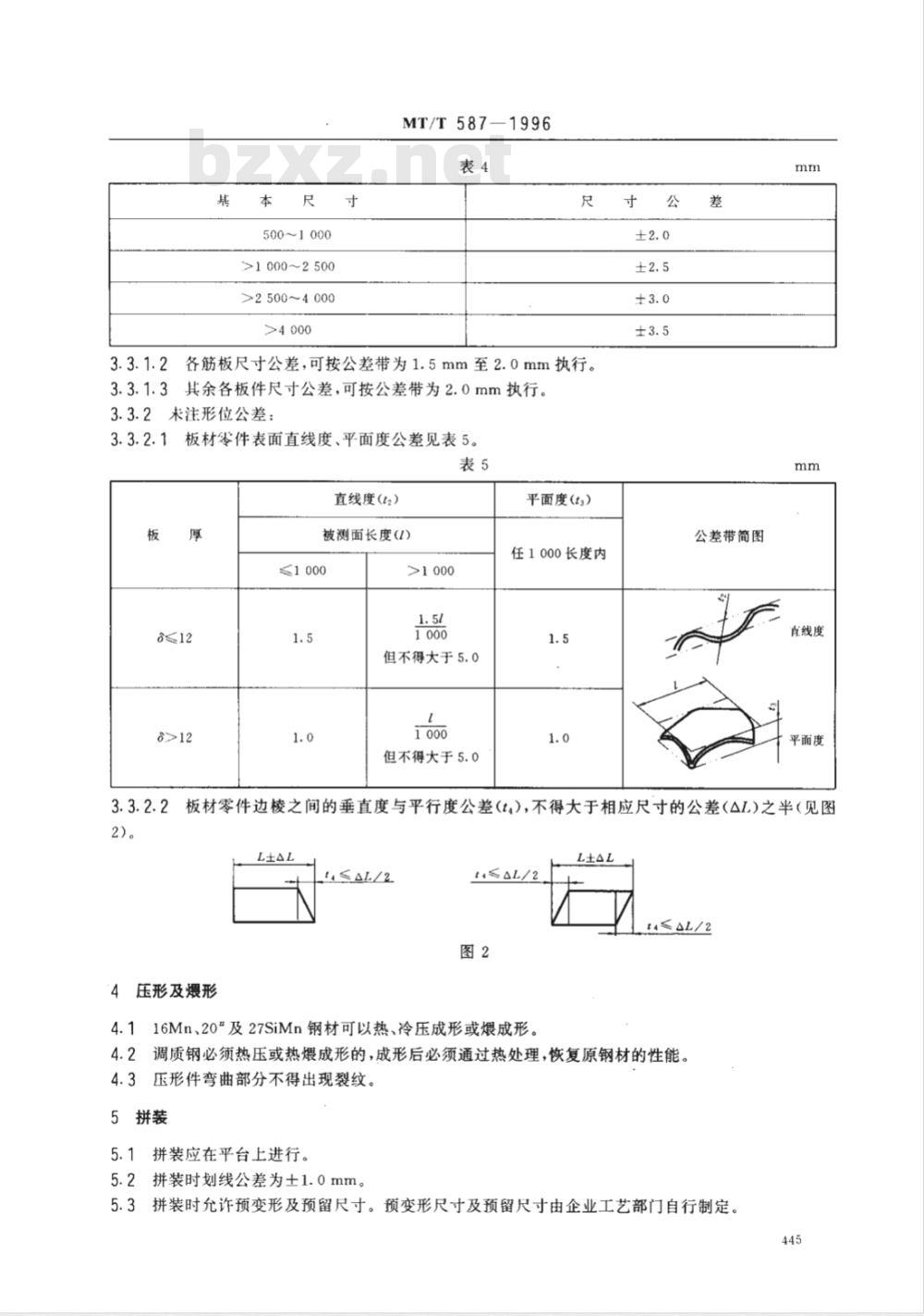
3.3.1.2各筋板尺寸公差,可按公差带为1.5mm至2.0mm执行。3.3.1.3其余各板件尺寸公差,可按公差带为2.0mm执行。3.3.2未注形位公差:
3.3.2.1板材零件表面直线度、平面度公差见表5。表5
直线度(t)
被测面长度(I)
但不得大于5.0
但不得大于5.0
平面度(ts)
任1000长度内
公差带简图
直线度
平面度
2板材零件边棱之间的垂直度与平行度公差(t),不得大于相应尺寸的公差(△I)之半(见图3.3.2.2
4压形及煨形
A≤AL/2
16Mn、20\及27SiMn钢材可以热、冷压成形或煨成形。LA免费标准bzxz.net
≤AL/2
4.2调质钢必须热压或热煨成形的,成形后必须通过热处理,恢复原钢材的性能。4.3压形件弯曲部分不得出现裂纹。5拼装
5.1拼装应在平台上进行。
5.2拼装时划线公差为±1.0mm。5.3拼装时允诈预变形及预留尺寸。预变形尺寸及预留尺寸由企业工艺部门自行制定,445
MT/T587-1996
5.4焊缝根部间隙为0mm~3mm。焊缝长度在800mm~1500mm范围内允许一处根部间隙为4mm,且长度小于或等于150mm。焊缝长度大于1500mm时,允许有两处根部间隙为4mm,且长度小于或等于200mm。
5.5定位焊用焊条应符合GB5118的规定,烘干后方可使用。5.6定位焊缝,焊脚高为6mm8mm,长20mm~50mm,间隔200mm~300mm。当焊缝长度不足600mm时,单侧定位焊缝不得少于两处。5.7当定位焊缝出现裂纹时,必须清除,重新焊接定位焊缝。5.8为防止变形,允许点固拉筋。焊后应清除并铲磨平整。5.9装对焊接零件时,对接接头的相互位置偏移量ts见表6。表6
6焊接
6.1焊前准备
6.1.1检查焊件合格标记或检查合格文件6.1.2检查焊缝根部间隙及坡口尺寸。如发现不合格,不得施焊。偏
6.1.3构件材料、焊接电源、工艺参数、焊接材料、焊接方法、焊接顺序等应按工艺规定执行。mm
6.1.4焊道及焊道边缘必须清理干净,不允许有油、锈、水、渣等污物。二氧化碳气体保护焊焊道两侧:清理边缘单侧不得小于10mm。埋弧焊焊道两侧:清理边缘单侧不得小于20mm。6.2施焊
6.2.1焊接宜采用直流电源(直流弧焊机;CO气体保护焊机;埋弧焊机;氩弧焊机等直流电源)。6.2.2焊接材料采用低氢型焊条;合金焊丝;埋弧焊可用H08焊丝。6.2.3二氧化碳气体保护焊用焊丝应符合GB8110的规定;手工电弧焊焊条应符合GB5118的规定;埋弧焊焊剂应符合GB5293的规定。6.2.4结构件的焊接宜在室内进行,环境温度不得低于5℃。6.2.5结构件中预留的应力释放孔允许不焊。6.2.6
应力集中处不允许引弧、收弧。6.2.7
焊接时,严禁采用下坡焊。
当焊脚大于10mm时,应采用多层多道焊的焊接方法(见图3)。当焊接坡口深度大于12mm时,应采用多层多道焊的焊接方法(见图4),窄间隙焊接方法除6.2.9
注:6.2.8及6.2.9不包括埋弧焊。446
MT/T587-1996
6.2.10焊接作业应按GB9448的有关规定执行。6.2.11
焊接后,焊件应打印焊工标记。7变形矫正
16Mn钢结构件允许用压力机及火焰方法矫正变形。图4
调质钢只允许用压力机矫正变形,严禁采用火焰方法矫正变形。7.3
顶梁、掩护梁、底座、四连杆机构、前梁部件完成后,不得矫正。8焊接检验
8.1焊接结构件的检验应在涂漆前进行。8.2在焊接工艺定型(即本单位已经对新型焊接材料做过全面的焊接工艺试验和检验,而成批定型生产的工艺叫定型工艺)后,可只做焊缝外观检验。8.3焊缝外观检验用肉眼检验或用5倍放大镜检验。焊缝形状缺陷在全长上应满足以下规定。8.3.1
焊缝宽度B的偏差见表7。
B≤20
焊缝高度:
焊缝余高≤1+0.1B(见图5)。
20焊缝凹度,要求焊平的焊缝可以凹入0.5mm(见图6),其余不允许。B
角焊缝的偏差α值见表8。
T余高
焊缝过高
焊缝过低
焊缝不正
注:K为焊缝高度。
8.3.2裂纹:不允许。
MT/T587-1996
K≤12
128.3.3气孔:发现单个气孔,可直接补焊。在50mm长度内发现3个以上气孔,应清除原焊缝后,进行返修焊接。
8.3.4夹渣:清除原焊缝,进行返修焊接。8.3.5咬边:咬边偏差e≤0.5mm,且累计总长度不大于焊缝长度的10%(见图7)。图7
8.3.6弧坑:不允许。
焊缝间断:不允许。
8.3.8未熔合:不允许。
8.4焊接结构件外形及尺寸的检验应符合以下规定。8.4.1焊接结构件外形不得有尖角。8.4.2铰接部位四孔同轴度的检测用芯轴Dh10。例:4-082
芯轴尺寸080-%12
8.4.3焊接结构件平面未注直线度公差为在1000mm长度内不得大于2mm,全部长度内不得大于全长的2/1000。当长度大于4000mm时,最大不得大于12mm。8.4.4焊接结构件平面未注平面度公差为在任何方向1000mm长度范围内不得大于3mm。448
MT/T5871996
结构件经检验不合格时,允许返修,返修应符合以下规定。焊接结构件孔的同轴度如发现不合格时,只允许补焊,重新镗孔;不允许用砂轮、手动铣刀返修孔。9.1
总装时发现质量问题进行返修时,应在全部产品上进行,严禁部分返修,以保证互换性。结构件返修后应保证外露件表面粗糙度Ra的上限值为25um。4不合格的焊缝返修前,应将原焊缝焊肉清除干净后,再焊。9.4
含碳量不高于0.25%的钢材,可用气割、碳弧气刨、机械切削方法清除焊缝的焊肉。含碳量高于0.25%的钢材,可用气割、机械切削方法清除焊缝的焊肉。16Mn及o,小于440MPa钢材的结构件同--焊缝,最多可返修三次。3o,大于或等于440MPa钢材的结构件同一焊缝,最多可返修二次。9.8
小提示:此标准内容仅展示完整标准里的部分截取内容,若需要完整标准请到上方自行免费下载完整标准文档。
本标准参考JB/T5943—91《工程机械经验编制而成。
焊接件通用技术条件》,并根据多年生产液压支架的实践标准的实施对于液压支架生产的质量保证具有指导意义。本标准由煤炭工业部科技教育司提出。本标准由煤矿专用设备标准化技术委员会归口。本标准由北京煤矿机械厂负责起草。本标准主要起草人:袁贵珠、丁农、张立英。本标准委托北京煤矿机械厂负责解释。442
1范围
中华人民共和国煤炭行业标准
液压支架结构件制造技术条件
MT/T587---1996
本标准规定了矿用液压支架结构件(以下简称结构件)的制造、检验的技术质量要求。本标准适用于矿用液压支架结构件的下料、施工、检验。2引用标准
下列标准所包含的条文,通过在本标准中引用而构成为本标准的条文。在标准出版时,所示版本均为有效。所有标准都会被修订,使用本标准的各方应探讨使用下列标准最新版本的可能性。GB5118-85低合金钢焊条
GB5293—85
碳素钢埋弧焊用焊剂
GB8110—87二氧化碳气体保护焊用钢焊丝GB9448—88焊接与切割安全
3技术要求
3.1般技术要求
3.1.1结构件的制造应符合经规定程序批准的产品图样、技术文件和本标准的规定。3.1.2用于结构件材料的钢号、规格、尺寸应符合图样要求。若不符合要求时,应按设计要求允许的代用材料代用。
3.1.3用于结构件的材料(钢板、型钢等)和焊接材料(焊条、焊丝、焊剂等),进厂时应按材料标准规定,检验合格后方准使用。
3.1.4严禁使用牌号不明,未经检验部门验收的各种材料。3.2下料质量要求
下料前应进行除锈及去除氧化皮的处理。3.2.1切割下料质量要求:
3.2.1.1手工划线宽度不大于0.5mm。3.2.1.2
长宽比
气割下料需机械加工的表面,其最大加工余量见表1。表1
加工种类
8≥50
中华人民共和国煤炭工业部1996-12-03批准≤15
208<50
最大加工余量
8≥50
20<8≤50
8≥50
1997-10-01实施
长宽比
表面粗糙度
20<<50
8≥50
孔加工余量直径方向10mm~15mm
切割表面偏斜度见表2。
切割表面的偏斜度
MT/T587-1996
表1(完)
20<8<50
机械切割
手工气割
3.2.1.4切割表面粗糙度Ra的上限值为50um。≤25
8≥50
3.2.1.5o,大于440MPa的高强度钢板焊接坡口应打磨去除氧化皮。3.2.2剪板机切割质量要求:
3.2.2.1剪切板料的切断面对板料表面垂直度公差见表3。表3
608100
垂直度公差
3.2.2.2剪切板料切断面上,不应有深度大于1.0mm的刻痕和高度超过0.5mm的毛刺。3.2.3外露件及曲线部分的质量要求:板件中的外露件及曲线部分的表面粗糙度Ra的上限值为25μm。3.3零件未注尺寸公差、形位公差3.3.1未注尺寸公差(支架结构组件见图1)。主筋板
3.3.1.1顶板、主筋板尺寸公差见表4。444
500~1000
>1000~2500
>2500~4000
MT/T587-1996
3.3.1.2各筋板尺寸公差,可按公差带为1.5mm至2.0mm执行。3.3.1.3其余各板件尺寸公差,可按公差带为2.0mm执行。3.3.2未注形位公差:
3.3.2.1板材零件表面直线度、平面度公差见表5。表5
直线度(t)
被测面长度(I)
但不得大于5.0
但不得大于5.0
平面度(ts)
任1000长度内
公差带简图
直线度
平面度
2板材零件边棱之间的垂直度与平行度公差(t),不得大于相应尺寸的公差(△I)之半(见图3.3.2.2
4压形及煨形
A≤AL/2
16Mn、20\及27SiMn钢材可以热、冷压成形或煨成形。LA免费标准bzxz.net
≤AL/2
4.2调质钢必须热压或热煨成形的,成形后必须通过热处理,恢复原钢材的性能。4.3压形件弯曲部分不得出现裂纹。5拼装
5.1拼装应在平台上进行。
5.2拼装时划线公差为±1.0mm。5.3拼装时允诈预变形及预留尺寸。预变形尺寸及预留尺寸由企业工艺部门自行制定,445
MT/T587-1996
5.4焊缝根部间隙为0mm~3mm。焊缝长度在800mm~1500mm范围内允许一处根部间隙为4mm,且长度小于或等于150mm。焊缝长度大于1500mm时,允许有两处根部间隙为4mm,且长度小于或等于200mm。
5.5定位焊用焊条应符合GB5118的规定,烘干后方可使用。5.6定位焊缝,焊脚高为6mm8mm,长20mm~50mm,间隔200mm~300mm。当焊缝长度不足600mm时,单侧定位焊缝不得少于两处。5.7当定位焊缝出现裂纹时,必须清除,重新焊接定位焊缝。5.8为防止变形,允许点固拉筋。焊后应清除并铲磨平整。5.9装对焊接零件时,对接接头的相互位置偏移量ts见表6。表6
6焊接
6.1焊前准备
6.1.1检查焊件合格标记或检查合格文件6.1.2检查焊缝根部间隙及坡口尺寸。如发现不合格,不得施焊。偏
6.1.3构件材料、焊接电源、工艺参数、焊接材料、焊接方法、焊接顺序等应按工艺规定执行。mm
6.1.4焊道及焊道边缘必须清理干净,不允许有油、锈、水、渣等污物。二氧化碳气体保护焊焊道两侧:清理边缘单侧不得小于10mm。埋弧焊焊道两侧:清理边缘单侧不得小于20mm。6.2施焊
6.2.1焊接宜采用直流电源(直流弧焊机;CO气体保护焊机;埋弧焊机;氩弧焊机等直流电源)。6.2.2焊接材料采用低氢型焊条;合金焊丝;埋弧焊可用H08焊丝。6.2.3二氧化碳气体保护焊用焊丝应符合GB8110的规定;手工电弧焊焊条应符合GB5118的规定;埋弧焊焊剂应符合GB5293的规定。6.2.4结构件的焊接宜在室内进行,环境温度不得低于5℃。6.2.5结构件中预留的应力释放孔允许不焊。6.2.6
应力集中处不允许引弧、收弧。6.2.7
焊接时,严禁采用下坡焊。
当焊脚大于10mm时,应采用多层多道焊的焊接方法(见图3)。当焊接坡口深度大于12mm时,应采用多层多道焊的焊接方法(见图4),窄间隙焊接方法除6.2.9
注:6.2.8及6.2.9不包括埋弧焊。446
MT/T587-1996
6.2.10焊接作业应按GB9448的有关规定执行。6.2.11
焊接后,焊件应打印焊工标记。7变形矫正
16Mn钢结构件允许用压力机及火焰方法矫正变形。图4
调质钢只允许用压力机矫正变形,严禁采用火焰方法矫正变形。7.3
顶梁、掩护梁、底座、四连杆机构、前梁部件完成后,不得矫正。8焊接检验
8.1焊接结构件的检验应在涂漆前进行。8.2在焊接工艺定型(即本单位已经对新型焊接材料做过全面的焊接工艺试验和检验,而成批定型生产的工艺叫定型工艺)后,可只做焊缝外观检验。8.3焊缝外观检验用肉眼检验或用5倍放大镜检验。焊缝形状缺陷在全长上应满足以下规定。8.3.1
焊缝宽度B的偏差见表7。
B≤20
焊缝高度:
焊缝余高≤1+0.1B(见图5)。
20焊缝凹度,要求焊平的焊缝可以凹入0.5mm(见图6),其余不允许。B
角焊缝的偏差α值见表8。
T余高
焊缝过高
焊缝过低
焊缝不正
注:K为焊缝高度。
8.3.2裂纹:不允许。
MT/T587-1996
K≤12
12
8.3.4夹渣:清除原焊缝,进行返修焊接。8.3.5咬边:咬边偏差e≤0.5mm,且累计总长度不大于焊缝长度的10%(见图7)。图7
8.3.6弧坑:不允许。
焊缝间断:不允许。
8.3.8未熔合:不允许。
8.4焊接结构件外形及尺寸的检验应符合以下规定。8.4.1焊接结构件外形不得有尖角。8.4.2铰接部位四孔同轴度的检测用芯轴Dh10。例:4-082
芯轴尺寸080-%12
8.4.3焊接结构件平面未注直线度公差为在1000mm长度内不得大于2mm,全部长度内不得大于全长的2/1000。当长度大于4000mm时,最大不得大于12mm。8.4.4焊接结构件平面未注平面度公差为在任何方向1000mm长度范围内不得大于3mm。448
MT/T5871996
结构件经检验不合格时,允许返修,返修应符合以下规定。焊接结构件孔的同轴度如发现不合格时,只允许补焊,重新镗孔;不允许用砂轮、手动铣刀返修孔。9.1
总装时发现质量问题进行返修时,应在全部产品上进行,严禁部分返修,以保证互换性。结构件返修后应保证外露件表面粗糙度Ra的上限值为25um。4不合格的焊缝返修前,应将原焊缝焊肉清除干净后,再焊。9.4
含碳量不高于0.25%的钢材,可用气割、碳弧气刨、机械切削方法清除焊缝的焊肉。含碳量高于0.25%的钢材,可用气割、机械切削方法清除焊缝的焊肉。16Mn及o,小于440MPa钢材的结构件同--焊缝,最多可返修三次。3o,大于或等于440MPa钢材的结构件同一焊缝,最多可返修二次。9.8
小提示:此标准内容仅展示完整标准里的部分截取内容,若需要完整标准请到上方自行免费下载完整标准文档。
标准图片预览:





- 其它标准
- 热门标准
- 煤炭行业标准(MT)
- MT429-1995 煤矿用隔爆型低压电缆接线盒
- MT/T411-1995 YBI系列装岩机用隔爆型三相异步电动机
- MT/T963-2005 煤中汞含量分级
- MT818.14-1999 煤矿用阻燃电缆 第3单:煤矿用阻燃通信电缆
- MT/T934-2005 煤矿许用炸药煤尘—可燃气安全度试验方法及判定
- MT/T522-2004 矿用高强度圆环链检验规范
- MT284-1994 立井提升容器楔型连接装置技术条件
- MT378-1995 煤矿用炸药抗爆燃性测定方法和判定规则
- MT/T516.2-1995 煤矿液压凿岩机用钎具 钎头
- MT159-1995 矿用除尘器
- MT21-1990 立井箕斗计量装载设备
- MT/T883-2000 柴油机单轨吊车
- MT292.3-1992 蒸汽机车用抚顺矿务局煤技术条件
- MT299.3-1992 冶金焦用鹤岗矿务局煤技术条件
- MT/T743.1-1997 煤矿水中总磷的测定方法
- 行业新闻
请牢记:“bzxz.net”即是“标准下载”四个汉字汉语拼音首字母与国际顶级域名“.net”的组合。 ©2025 标准下载网 www.bzxz.net 本站邮件:bzxznet@163.com
网站备案号:湘ICP备2025141790号-2
网站备案号:湘ICP备2025141790号-2