- 您的位置:
- 标准下载网 >>
- 标准分类 >>
- 煤炭行业标准(MT) >>
- MT/T 496-1995 综采用刮板输送机产品质量分等
标准号:
MT/T 496-1995
标准名称:
综采用刮板输送机产品质量分等
标准类别:
煤炭行业标准(MT)
标准状态:
已作废-
发布日期:
1995-12-18 -
实施日期:
1996-05-01 -
作废日期:
2004-08-17 出版语种:
简体中文下载格式:
.rar.pdf下载大小:
146.53 KB
中标分类号:
矿业>>矿山机械设备>>D93提升、贮运设备
部分标准内容:
中华人民共和国煤炭行业标准
综采用刮板输送机产品质量分等主题内容与适用范围
MT/T 496-1995
本标准规定了综采用刮板输送机(以下简称输送机)的产品质量等级的划分、产品质量等级考核条件、试验方法和检验规则及评定方法。本标准适用于煤矿机械制造行业批量生产的煤矿工作面综采用刮板输送机产品质量分等。2引用标准
GB10095'渐开线圆柱齿轮精度
GB/T12707工业产品质量分等导则GB/T12718矿用高强度圆环链
MT15矿用刮板输送机型式与参数MT 71
矿用圆环链用开口式连接环
边双链刮板输送机用刮板
MT99矿用圆环链用扁平接链环
MT100刮板输送机用液力偶合器试验规范刮板输送机用减速器检验规范
MT/T 101
MT102刮板输送机中部槽试验规范MT103刮板输送机出厂试验规范
MT/T104矿用刮板输送机型式检验规范MT/T105刮板输送机通用技术条件刮板输送机减速器
MT 148
MT152F
中心单链刮板输送机刮板
MT183刮板输送机中部槽
MT208刮板输送机用液力偶合器
MT231矿用刮板输送机驱动链轮
MT/T323中双链刮板输送机用刮板3输送机产品质量等级的划分
3.1按产品质量水平分为合格品、一等品和优等品三个等级。3.1.1合格品
按国内一般水平标推组织生产,实物质量水平达到相应标准要求。3.1.2一等品
产品质量标准达到国际一般水平,实物质量符合标准要求。3.1.3优等品
产品质量标准达到国际先进水平,实物质量符合标准要求。中华人民共和国煤炭工业部1995-12-18批准1996-05-01实施
4输送机产品质量等级考核条件
MT/T 496--1995
4.1评定产品质量等级应具备的基本条件4.1.1刮板输送机的型式与参数应符合MT15的规定。4.1.2全面贯彻现行的互换性基础标准及有关的通用基础标准。4.1.3配套产品应能保证主机达到相应的质量等级水平。4.1.4建立、健全与所生产的质量等级的产品相适应的质量保证体系。4.1.5一等品、优等品的减速器、液力偶合器、圆环链、连接环、接链环及中部槽应有国家检测部门出具的有效型式检验报告,其检验结果应符合一等品、优等品及相应标准的要求。一等品、优等品应有两个以上用户对该产品反映好用、耐用的书面证明材料。对液力偶合器、链4.1.6
轮和中部槽的使用寿命要有具体数据。4.2输送机实物质量考核条件
产品设计结构:
等品和优等品在产品设计结构方面应达到国际一般水平和国际先进水平,具体要求如下:a.
传动部应能保证采煤机自开缺口。减速器应有合理的润滑系统和冷却系统。紧链器应有紧链力指示装置。
过渡槽的过渡段应有耐磨措施。中部槽之间采用无螺栓联结,中部槽两端应进行强化处理。刮板易磨损部位应进行强化处理,圆环链应采用GB/T12718C级链标准。输送机和采煤机采用无链牵引装置。产品性能、可靠性和寿命;
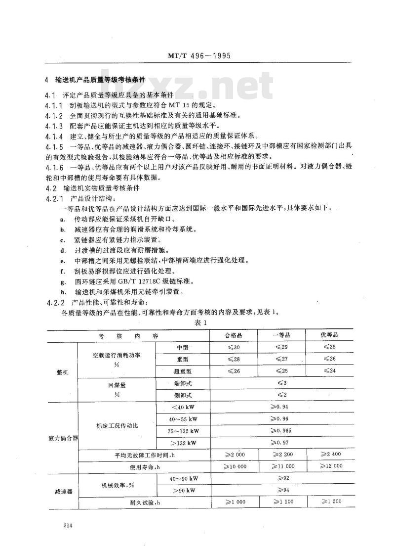
各质量等级的产品在性能、可靠性和寿命方面考核的内容及要求,见表1。表1
空载运行消耗功率
回煤量
标定工况传动比
液力偶合器!
超重型
端卸式
侧卸式
4055kw
75132kw
>132kw
平均无故障工作时间,h
使用寿命,h
机械效率,%
减速器
耐久试验,h
40~90kW
合格品
≥2000
≥10000
≥1000
一等品
≥2200
≥11000
≥1100
优等品
≥2400
≥12000
≥1200
中部槽
圆环链
连接环
接链环
过煤量
过煤量www.bzxz.net
链条规格
各类强度
MT/T496—1995
续表1
合格品
18×64
22×86
24×86
30X108
34×126
超重型
静拉神强度
疲劳强度
抗弯强度
静拉伸强度
疲劳强度
静拉伸强度
疲劳强度
边双链刮板
中心单链刮板
中双链刮板
≥120
≥180
≥240
≥300
≥400
一等品
≥110
符合MT102要求
≥132
≥198
≥264
≥440
符合GB/T12718要求
优等品
≥120
≥144
≥216
≥288
≥360
≥480
符合GB/T12718要求
符合MT71要求
符合MT71要求
符合MT99要求
符合MT99要求
符合MT72要求
符合MT152要求
符合MT/T323要求
注:①空运转消耗电动机功率系指测得的电动机输入功率。②刮板输送机配套单电动机额定功率75~110kW为中型、132~200kW为重型、大于200kW为超重型。4.3产品工艺水平
4.3.1一等品在产品工艺水平方面应达到国际般水平,具体要求如下:a.
减速器中所有外啮合圆柱齿轮应实现热处理后加工齿面,齿轮精度应不低于GB10095规定的9-8-8级。
在进行圆环链热处理后的预拉伸强化时应有监测手段,证明全部链环承受的拉伸负荷达到b.
GB/T12718标准规定。
成批生产连接环时,应具备预拉伸强化工序的批量生产能力。c
d、成批生产接链环时,应具备预拉伸和无损探伤工序的批量生产能力。4.3.2优等品在产品工艺水平方面应达到国际先进水平,具体要求如下:315
MT/T 496--1995
减速器中圆弧锥齿轮应实现热处理后加工齿面。圆环链预拉伸处理后,具备逐环进行无损探伤手段。b.
5试验方法和检验规则
输送机整机及主要零部件的试验项目、检验数量,试验方法和要求见表2。表2
液力偶合器
减速器
中部槽
圆环链
连接环
接链环
边双链刮板
中心单链刮板
中双链刮板
6评定方法
试验项目
空运转消耗电动
机功率、回煤量
额定工况传动比
机械效率
耐久试验
各类强度
静拉伸强度
疲劳强度
抗弯强度
静拉伸强度
疲劳强度
静拉伸强度
疲劳强度
抗弯强度
检验数量
按MT183规定
试验方法和要求
按MT/T104要求
按MT100规定
按MT/T101规定
按MT183和MT102规定
按GB/T12718规定
按 MT 71 规定
按MT99规定
按MT72规定
按MT152规定
按MT/T323规定
6.1评定输送机产品质量等级时应具备的基本条件应符合本标准第4.1条的要求,否则不对该产品进行分等评定。
6.2在评定产品质量等级时,应首先对该产品的产品标准水平进行评定,然后对产品实物质量进行考核评定。评定的产品质量等级应在产品标准水平与实物质量水平两方面均应达到相应质量等级的要求。6.3企业产品标准已达到现行国家标准和煤炭行业标准,即可评定为国内一般水平标准。6.4国际一般水平标准和国际先进水平标准,由煤炭部煤矿专用设备标准化技术委员会刮板输送机分会(以下简称刮板输送机分会)组织专家组进行评定。6.5一等品、优等品在产品设计结构、工艺方面的水平,由刮板输送机分会组织专家组,根据本标准要求和有关规定进行评定。
6.6输送机在产品性能、可靠性和寿命方面的质量,必须全部达到表1所列的相应质量等级要求。评定的产品质量等级允许有一项或多项指标高于本质量等级要求,但不允许有一项指标低于本质量等级要求,否则将按达到的最低质量等级进行评定。316
附加说明:
MT/T496—1995
本标准由煤炭工业部煤矿专用设备标准化技术委员会提出。本标准由煤炭工业部煤矿专用设备标准化技术委员会刮板输送机分会归口。本标准由张家口煤矿机械厂负责起草。本标雄主要起草人石荣。
本标准委托煤炭工业部煤矿专用设备标准化技术委员会刮板输送机分会负责解释。317
小提示:此标准内容仅展示完整标准里的部分截取内容,若需要完整标准请到上方自行免费下载完整标准文档。
综采用刮板输送机产品质量分等主题内容与适用范围
MT/T 496-1995
本标准规定了综采用刮板输送机(以下简称输送机)的产品质量等级的划分、产品质量等级考核条件、试验方法和检验规则及评定方法。本标准适用于煤矿机械制造行业批量生产的煤矿工作面综采用刮板输送机产品质量分等。2引用标准
GB10095'渐开线圆柱齿轮精度
GB/T12707工业产品质量分等导则GB/T12718矿用高强度圆环链
MT15矿用刮板输送机型式与参数MT 71
矿用圆环链用开口式连接环
边双链刮板输送机用刮板
MT99矿用圆环链用扁平接链环
MT100刮板输送机用液力偶合器试验规范刮板输送机用减速器检验规范
MT/T 101
MT102刮板输送机中部槽试验规范MT103刮板输送机出厂试验规范
MT/T104矿用刮板输送机型式检验规范MT/T105刮板输送机通用技术条件刮板输送机减速器
MT 148
MT152F
中心单链刮板输送机刮板
MT183刮板输送机中部槽
MT208刮板输送机用液力偶合器
MT231矿用刮板输送机驱动链轮
MT/T323中双链刮板输送机用刮板3输送机产品质量等级的划分
3.1按产品质量水平分为合格品、一等品和优等品三个等级。3.1.1合格品
按国内一般水平标推组织生产,实物质量水平达到相应标准要求。3.1.2一等品
产品质量标准达到国际一般水平,实物质量符合标准要求。3.1.3优等品
产品质量标准达到国际先进水平,实物质量符合标准要求。中华人民共和国煤炭工业部1995-12-18批准1996-05-01实施
4输送机产品质量等级考核条件
MT/T 496--1995
4.1评定产品质量等级应具备的基本条件4.1.1刮板输送机的型式与参数应符合MT15的规定。4.1.2全面贯彻现行的互换性基础标准及有关的通用基础标准。4.1.3配套产品应能保证主机达到相应的质量等级水平。4.1.4建立、健全与所生产的质量等级的产品相适应的质量保证体系。4.1.5一等品、优等品的减速器、液力偶合器、圆环链、连接环、接链环及中部槽应有国家检测部门出具的有效型式检验报告,其检验结果应符合一等品、优等品及相应标准的要求。一等品、优等品应有两个以上用户对该产品反映好用、耐用的书面证明材料。对液力偶合器、链4.1.6
轮和中部槽的使用寿命要有具体数据。4.2输送机实物质量考核条件
产品设计结构:
等品和优等品在产品设计结构方面应达到国际一般水平和国际先进水平,具体要求如下:a.
传动部应能保证采煤机自开缺口。减速器应有合理的润滑系统和冷却系统。紧链器应有紧链力指示装置。
过渡槽的过渡段应有耐磨措施。中部槽之间采用无螺栓联结,中部槽两端应进行强化处理。刮板易磨损部位应进行强化处理,圆环链应采用GB/T12718C级链标准。输送机和采煤机采用无链牵引装置。产品性能、可靠性和寿命;
各质量等级的产品在性能、可靠性和寿命方面考核的内容及要求,见表1。表1
空载运行消耗功率
回煤量
标定工况传动比
液力偶合器!
超重型
端卸式
侧卸式
4055kw
75132kw
>132kw
平均无故障工作时间,h
使用寿命,h
机械效率,%
减速器
耐久试验,h
40~90kW
合格品
≥2000
≥10000
≥1000
一等品
≥2200
≥11000
≥1100
优等品
≥2400
≥12000
≥1200
中部槽
圆环链
连接环
接链环
过煤量
过煤量www.bzxz.net
链条规格
各类强度
MT/T496—1995
续表1
合格品
18×64
22×86
24×86
30X108
34×126
超重型
静拉神强度
疲劳强度
抗弯强度
静拉伸强度
疲劳强度
静拉伸强度
疲劳强度
边双链刮板
中心单链刮板
中双链刮板
≥120
≥180
≥240
≥300
≥400
一等品
≥110
符合MT102要求
≥132
≥198
≥264
≥440
符合GB/T12718要求
优等品
≥120
≥144
≥216
≥288
≥360
≥480
符合GB/T12718要求
符合MT71要求
符合MT71要求
符合MT99要求
符合MT99要求
符合MT72要求
符合MT152要求
符合MT/T323要求
注:①空运转消耗电动机功率系指测得的电动机输入功率。②刮板输送机配套单电动机额定功率75~110kW为中型、132~200kW为重型、大于200kW为超重型。4.3产品工艺水平
4.3.1一等品在产品工艺水平方面应达到国际般水平,具体要求如下:a.
减速器中所有外啮合圆柱齿轮应实现热处理后加工齿面,齿轮精度应不低于GB10095规定的9-8-8级。
在进行圆环链热处理后的预拉伸强化时应有监测手段,证明全部链环承受的拉伸负荷达到b.
GB/T12718标准规定。
成批生产连接环时,应具备预拉伸强化工序的批量生产能力。c
d、成批生产接链环时,应具备预拉伸和无损探伤工序的批量生产能力。4.3.2优等品在产品工艺水平方面应达到国际先进水平,具体要求如下:315
MT/T 496--1995
减速器中圆弧锥齿轮应实现热处理后加工齿面。圆环链预拉伸处理后,具备逐环进行无损探伤手段。b.
5试验方法和检验规则
输送机整机及主要零部件的试验项目、检验数量,试验方法和要求见表2。表2
液力偶合器
减速器
中部槽
圆环链
连接环
接链环
边双链刮板
中心单链刮板
中双链刮板
6评定方法
试验项目
空运转消耗电动
机功率、回煤量
额定工况传动比
机械效率
耐久试验
各类强度
静拉伸强度
疲劳强度
抗弯强度
静拉伸强度
疲劳强度
静拉伸强度
疲劳强度
抗弯强度
检验数量
按MT183规定
试验方法和要求
按MT/T104要求
按MT100规定
按MT/T101规定
按MT183和MT102规定
按GB/T12718规定
按 MT 71 规定
按MT99规定
按MT72规定
按MT152规定
按MT/T323规定
6.1评定输送机产品质量等级时应具备的基本条件应符合本标准第4.1条的要求,否则不对该产品进行分等评定。
6.2在评定产品质量等级时,应首先对该产品的产品标准水平进行评定,然后对产品实物质量进行考核评定。评定的产品质量等级应在产品标准水平与实物质量水平两方面均应达到相应质量等级的要求。6.3企业产品标准已达到现行国家标准和煤炭行业标准,即可评定为国内一般水平标准。6.4国际一般水平标准和国际先进水平标准,由煤炭部煤矿专用设备标准化技术委员会刮板输送机分会(以下简称刮板输送机分会)组织专家组进行评定。6.5一等品、优等品在产品设计结构、工艺方面的水平,由刮板输送机分会组织专家组,根据本标准要求和有关规定进行评定。
6.6输送机在产品性能、可靠性和寿命方面的质量,必须全部达到表1所列的相应质量等级要求。评定的产品质量等级允许有一项或多项指标高于本质量等级要求,但不允许有一项指标低于本质量等级要求,否则将按达到的最低质量等级进行评定。316
附加说明:
MT/T496—1995
本标准由煤炭工业部煤矿专用设备标准化技术委员会提出。本标准由煤炭工业部煤矿专用设备标准化技术委员会刮板输送机分会归口。本标准由张家口煤矿机械厂负责起草。本标雄主要起草人石荣。
本标准委托煤炭工业部煤矿专用设备标准化技术委员会刮板输送机分会负责解释。317
小提示:此标准内容仅展示完整标准里的部分截取内容,若需要完整标准请到上方自行免费下载完整标准文档。
标准图片预览:





- 其它标准
- 热门标准
- 煤炭行业标准(MT)
- MT332-1993 XL系列立井大型多绳箕斗卸载设备基本参数
- MT/T707-1997 煤自燃倾向性色普吸氧鉴定法
- MT264-1991 煤的显微硬度测定方法
- MT/T608.1-1996 冶金焦用兖州矿务局煤技术条件
- MT/T117-2005 采煤机用电缆夹型式和基本尺寸
- MT378-1995 煤矿用炸药抗爆燃性测定方法和判定规则
- MT175-1988 矿用隔爆型电磁起动器用电子保护器
- MT/T588-1996 煤矿用防爆柴油机胶套轮/齿轨卡轨车技术条件
- MT/T188.4-2000 煤矿用乳化液泵站 过滤器技术条件
- MT196-1989 煤水泵
- MT/T632-1996 井下探放水技术规范
- MT262-1991 煤岩样品采取方法
- MT/T645-1997 煤矿用带式输送机滚筒与相邻槽形托辊组之间的距离计算公式
- MT/T606.4-1996 常压固定床煤气发生炉用开滦矿务局煤技术条件
- MT/T1100-2009 煤矿用隔爆型高压电缆接线盒
- 行业新闻
请牢记:“bzxz.net”即是“标准下载”四个汉字汉语拼音首字母与国际顶级域名“.net”的组合。 ©2025 标准下载网 www.bzxz.net 本站邮件:bzxznet@163.com
网站备案号:湘ICP备2025141790号-2
网站备案号:湘ICP备2025141790号-2