- 您的位置:
- 标准下载网 >>
- 标准分类 >>
- 机械行业标准(JB) >>
- JB/T 2462.21-1999 组合机床通用部件 复合立柱 尺寸
标准号:
JB/T 2462.21-1999
标准名称:
组合机床通用部件 复合立柱 尺寸
标准类别:
机械行业标准(JB)
英文名称:
Dimensions of composite columns for common components of modular machine tools标准状态:
现行-
发布日期:
1999-05-20 -
实施日期:
2000-01-01 出版语种:
简体中文下载格式:
.rar.pdf下载大小:
43.71 KB
替代情况:
JB 2517-1978
点击下载
标准简介:
标准下载解压密码:www.bzxz.net
JB/T 2462.21-1999 本标准是对 JB 2517-78《组合机床通用部件 复合立柱名义尺寸、互换尺寸》的修订,仅按有关规定作了编辑性修改,主要技术内容未改变。 本标准规定了组合机床复合立柱的名义尺寸的互换尺寸。 本标准适用于组合机床及其自动线的复合立柱。 本标准于 1978 年首次发布。 JB/T 2462.21-1999 组合机床通用部件 复合立柱 尺寸 JB/T2462.21-1999
部分标准内容:
1C25.6.99
中华人民共和国机械行业标准
JB/12462.1~2462.28-1999
组合机床通用部件
1990-05-21发布
国家机械工业局
2(MI-01-1 实施
B/F 2462.21—1999
本标准是在25177B组合机床通用部件复合立样名义尺一、五换尺寸》的基础上修订的本标降与正251778的技术内容一数,仪安有关规定直新进行了编幅。本标性户家吨之口起代菩.B2517—78本标性由企国金属切测机床标准化技术委员会提出。本标准山全国金丙切润机床标准化使术委员会组合机末分会口本标准负费起草单位:人组合析床研究所。本标降于1979年首次发布bZxz.net
中华人民共和国机械行业标准
组合机床通用部件
复合立柱 尺寸
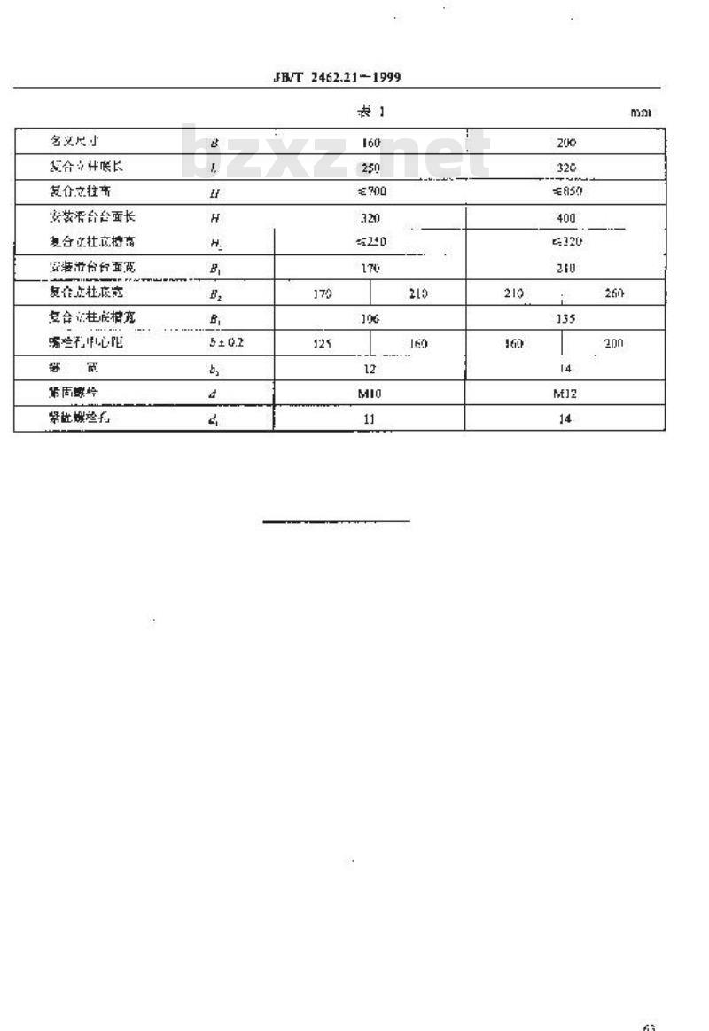
本标准定了组合机复合立往的各文尺小和点换尺寸本标准适甲十组合析床及儿卢动线的复会立杆z、名义尺寸
JB/T 2462.21--1999
代[ 2517.~78
或合立样以料应消台台确为名义尺小、分为16!mm、209mm谢种规格。3互接尺寸
象台立柱粘互换定寸寇符合图1、表一规定。+
!n整效。
2安装滑台报据需要可以严织(沿高度间或响尺(沿宽度,向!形控发键据,其寸要应的滑方现资规定
3低面用确定立时,键种可以人并。图
国家机超工业局1999-05-20批准61
200-01-01实施
多义尺小
合件展长
复文往
安装滑台面长
要合止杜控育
安装游台台面克
复在点杜依定
安合桂底商
明验和心距
第用岭
紧吡螺些
JB/T 2462.21-1999
小提示:此标准内容仅展示完整标准里的部分截取内容,若需要完整标准请到上方自行免费下载完整标准文档。
中华人民共和国机械行业标准
JB/12462.1~2462.28-1999
组合机床通用部件
1990-05-21发布
国家机械工业局
2(MI-01-1 实施
B/F 2462.21—1999
本标准是在25177B组合机床通用部件复合立样名义尺一、五换尺寸》的基础上修订的本标降与正251778的技术内容一数,仪安有关规定直新进行了编幅。本标性户家吨之口起代菩.B2517—78本标性由企国金属切测机床标准化技术委员会提出。本标准山全国金丙切润机床标准化使术委员会组合机末分会口本标准负费起草单位:人组合析床研究所。本标降于1979年首次发布bZxz.net
中华人民共和国机械行业标准
组合机床通用部件
复合立柱 尺寸
本标准定了组合机复合立往的各文尺小和点换尺寸本标准适甲十组合析床及儿卢动线的复会立杆z、名义尺寸
JB/T 2462.21--1999
代[ 2517.~78
或合立样以料应消台台确为名义尺小、分为16!mm、209mm谢种规格。3互接尺寸
象台立柱粘互换定寸寇符合图1、表一规定。+
!n整效。
2安装滑台报据需要可以严织(沿高度间或响尺(沿宽度,向!形控发键据,其寸要应的滑方现资规定
3低面用确定立时,键种可以人并。图
国家机超工业局1999-05-20批准61
200-01-01实施
多义尺小
合件展长
复文往
安装滑台面长
要合止杜控育
安装游台台面克
复在点杜依定
安合桂底商
明验和心距
第用岭
紧吡螺些
JB/T 2462.21-1999
小提示:此标准内容仅展示完整标准里的部分截取内容,若需要完整标准请到上方自行免费下载完整标准文档。
标准图片预览:




- 热门标准
- 机械行业标准(JB)
- JB/T2756-2006 无轨电车用炭滑块
- JB/T11340.3-2012 阀控式铅酸蓄电池安全阀 第3部分:橡胶帽、阀芯
- JB/T6316-2006 Z4系列直流电动机技术条件(机座号100~450)
- JB/T8679-2008 炭弧气刨炭棒 物理及使用性能试验方法
- JB/T7895-2008 永磁筒式磁选机
- JB/T10930-2010 200级耐电晕漆包铜圆线
- JB∕T12675-2016 拖拉机液压系统清洁度限值及测量方法
- JB/T10573-2006 工具显微镜
- JB3704-1984 特种调压器用碳电阻片柱电气机械性能试验方法
- JB2664-1980 自动电压调整器用碳电阻片柱
- JB/T8674-2007 YB2系列高压隔爆型三相异步电动机 技术条件(机座号355~560)
- JB/T5425-2013 印刷机械 真空压力复合气泵
- JB/T8511-2011 空气绝缘母线干线系统(空气绝缘母线槽)
- JB/T7140.1-1993 牲畜药浴机械 型式与基本参数
- JB/T56054.1-XXXX 电焊机产品质量分等 总则(内部使用)
- 行业新闻
请牢记:“bzxz.net”即是“标准下载”四个汉字汉语拼音首字母与国际顶级域名“.net”的组合。 ©2025 标准下载网 www.bzxz.net 本站邮件:bzxznet@163.com
网站备案号:湘ICP备2025141790号-2
网站备案号:湘ICP备2025141790号-2