- 您的位置:
- 标准下载网 >>
- 标准分类 >>
- 机械行业标准(JB) >>
- JB/T 10363-2002 农田废膜拣拾机
标准号:
JB/T 10363-2002
标准名称:
农田废膜拣拾机
标准类别:
机械行业标准(JB)
英文名称:
Agricultural waste film picker标准状态:
现行-
发布日期:
2002-12-27 -
实施日期:
2003-04-01 出版语种:
简体中文下载格式:
.rar.pdf下载大小:
516.43 KB
归口单位:
全国农业机械标委会发布部门:
全国农业机械标委会相关标签:
农田
点击下载
标准简介:
标准下载解压密码:www.bzxz.net
本标准规定了与拖拉机配套的梳齿滚筒型农田废膜捡拾机产品的术语和定义、型号、技术要求、试验方法、标志、包装、运输和贮存及检验规则。 JB/T 10363-2002 农田废膜拣拾机 JB/T10363-2002
部分标准内容:
KG5.060.20
中华人民共和国机械行业标准
JB/T10363—2002
农田废膜捡拾机
Thefarmwasteilm-pickupmachine2002-12-27发布
2003-04-01实施
中华人民共和国国家经济贸易委员会发布前言
1范围
规范性引用文件
3术语和定义
产品型号表示方法
按本求,
数技术要求
主要零部件技术要求
总装技术要求
整机按术要求
欲漆与外范质单
安企技术要求
使州司靠性
让验力法
试验条
性能试验
生产试验
综制试验托告
标忘,装、运箍与存
检验税则
出厂格验
型式试验。
不合格升类
抛样判定方案
性能指
性机的主要技术参数
试验助调套结果记录表
磨膜检抬率、缠膜率测定表
收膜深度变异系数记采表
功率消耗及机组前进速度记录表打资率测定表
生产试监记录表
表9生产试验记录汇总表,
表10拖拉机、样机坏故降统计表表11
牛产查定结果汇总表
表 12生产试验技术经济指标汇总表表13
不合拓分类
抽性判定表
JB/T10963—2002
本标准出中函机械1业联合会提出。前言
本标准由全国农业机械标准化技术委员会口。本标滩起草单位:中国农业机械化科学研究院、廿肃省农业机械推广总站。木标唯主娶起草人,刘“玉、杨兆文、安世才、康请华。JB/10S83—2002
1范围
农田废膜捡拾机
JB/T10963—2002
本标准规定了与抱拉机配套的梳齿滚衡型农用度膜抢抢机产品的术语和定义、型号、技术要求、试验方法,标志、包装、运输和贮存及检验规则.本标推查用十铲凸溶简型农田岁膜捡拾机(以下简殊度膜检抢机):其他型式的废脱拉拾机可多照热行,
2规范性引用文件
下列文件中的案款通过本标准的引用而成为本标准的策款:凡员注期的用文件。其随后所有的修改单(不包括勘误的内案)收膝订版均不适用于术标准,然而,整励根据去标准达成协议的各方研究是否可使用这些文件的最新版本。凡是不注日期的引用文件,其最新版心适用丁本标准。CB/T699优质碳真结构钢
G5T282逐批检告计数抽样序及抽样表(适用于让续批的检查》GB厅3098.1紧值作机性能螺栓、螺钉和螺性(ISO898-1)GR/T3098.2紧而件机板型能螺母帮牙领纹(id1SO898-2)GB/T5667农业机械生产试验方法农林拖拉机和机械,草坪和因艺动力机榜使历说明书编写划(的V1SO3F00)GB/T9480
GB 10395.1
农抹艳拉划和积械安全技术要求第1部价:总购(0V拍04254-1)GB1U39.5农林拖拉机和秘规安全投不要求第5都分:邢动耕作机械(IS04245GB10396农林拖拉视和机恢,车评和园艺动力机安全标志和险函形总则(S0GB斤13306标牌
农补施控机及机是涂漆通用技术条件JBT5673:
JA/T5994
装配通用技术要求
JB/I8574
农机层产品型号编科规则
3术语和定义
下列术语利定义适用于本标准。3.1
废膜抢拾机naste血lm-pkckupmachlne覆膜作物收获后,对残留在日地里的废膜具有检扮功能的机减。3.2
伸缩指retractingfinger
废模抢治抗的检拾收麟部件,
收丽深度depth-pickap
起股护或伸缩划指的人土深度
拉拾宽度widthr-pickuy
机具拉措废膜的理论工作密,
JA/T10363-—2002
废膜拾拾率Tatenfpickaip
搭起龄腾的质图点测区内度膜总质量的道分比3.6
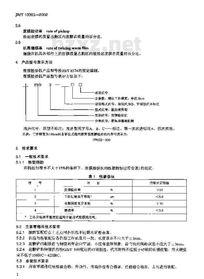
机具绩膜事rateoftwiningwastefilm继始在机具各部件上的磨膜质量占测区内被措起案膜总质罩的白分比。4产品型号表示方法
膜检拾机产品型号按JB/T%574的规定编制。度膜检拾机产品型号表示力法如下:FMJ
改进北号
主敬:理论T作克,单位为ml
驱动型式代号:驱动式为Q、非驱动式标注型式代号:统齿激型
类别状号:废膜抢拾!
分类代与:裁耘和整地机据
改进代号:原型不标注:改进型用母A、B、C标注,第一次改进标注A,依次类指示所:二作幅宽为0cm的驱动式率向型度膜益格机的型号表示为:TFMJS—ICO
5技术要求
一般技术要求
性能指标
在机组打滑剂不人十15览的条件下,废膜捡持机的性能指标应符合表1的规定。表 1 性能指袜
皮检率
T作后地表平整度
妆膜深度变异系敏
工作后地表平整度保适用于驱动式度膜按拍机,5.2生要零部件技术要求
滚简装配后在上正点时各机指不险露出壁表面:机指与幽装配后各机指工作长度应一致,长度误降不成大于二3mm:5.2.2
量评定指标
5.2.3起快专的起膜齿与钥管的煤合成中固,不应有虚焊现象,齿与齿的间距误差不应大丁二3n15.2.4起膜铲利伸缩扎指接GB/T699规完的45钢制造,用材料不应抵于45钢的机性能,效火硬皮座不低于35HRC~·42HRC
5.3总装技术要求
5.3.1所有举部件应经检验合格:外协件、外购件应有合格证,整检验合格后,间进行装配.2
5.3.2装配后主梁不应弯曲、裤架不变形,JB/T10363—2002
5.3.3伸缩指及转部件位连接可靠,螺性应突出蜗母,但不超过5扣。烯栓不低于GBT3098.1规定的8.8级,媒母不低于GB/T3098.2规定的8级,其控紧方短按JB/T5994的规定。5.9.4各转动部件伴应转动灵活,无卡阻现象.5.3.5各调节部位应调节灵活,换作方便、可靠,两节范用达到设计要求5.36装配后,零件的外延加1表面和库接表面均虚涂防锈油。5.3.了务润滑点成按使用说明书规定注人适量润游油(脂)。5.9.8尚一回路中,辅轮轮齿对称中心询的立置度应不人于理论中心路的0.2%5.4整机技术要求
5.4.1整机应在工作转迹范围内迹行30min空运转试验,运转中传动系统不得有异常响内。停4后检查下列孕:
动力输人轴的最人空运转扭短感不大于2UN·Ⅱ,非丽动式最大空运转转矩不大于20Nm箱体的润诱油涩升不应超过30℃。箱体动结合无液油、静合面无稳油一弃紧固件不成有松动现象,
5.4.2随同产品供虚的备用件、附件和工具应齐全。5.4.3产品使用说明书应符合G/T94R0的有关规定5.4.4运输问隙要求:将机其调整到运轴位受,过量最低点到地面的距离,牵引式5小于11(hmm,越式不小于200mm。
5.5途率与外观质量
5.5.1充膜绘拾机涂漆底按JB/T5673规定:涂层应为一过底漆,一道而漆。外层用通耐族涂层TC22—DM。除层总厚楚成不小于40m,附若力不低于ⅡI级。5.5.2涂辞表面应平整、光滑,色译均匀,不得有漏谦,起泡,流痕和剩落等激陷。5.6安全技术要求
5.6.1变模检机的安全要求应符合(iB10395.1和GB10395.5的规定。5.6.2对通过设[和安全防护不能消除或充分限制的危险,按GB1039的规定使用安全标志,5.7使用可靠性
在止带「.作条件下膜控搭机的可靠性指标(有效度?应不维于必%,6试险方法
6.1或验亲件
6.1.1试验样机
6.1.1.1说验样机虚备有必要的配件工具。梁作者应按使用说朗书的要求迹行探作保养和调整6.11.2试验样机主要技术特征按表2逐吸测定满了。6.12试验地及环境
6.1.2.1试验地应选择当地有代表性的日块并应满足产品说明书税定的机具适用范围要求.地势平坦,无障碍物,地也要求平提无大齿或大埋(深度和商度不人于20cm),坡度不大于3”。6.1.22试验地测定区长典不小-引m,两端预备区不小于5m:宽不小于试验机具工作幅宽的5。6.1.3试验用拖拉机
根据废膜拉拾机驶用说明规定选择试用配拖拉机,其技术状态应良好,驾独员的驾婴技术应熟练:并应了解度膜检拾机的择作技术要求,试验过程中不应险意更换拖拉机和驾驶员:6.1.4验用到试收器
试验用测试位器和工具技术状态应息,精免符合要求,并在计盈检定周期内。JB/T103632002
废膜检控拾机型号
提供单位:
试验地点
测定人
6.2性能试验
表2样机的主要技术竞整
外形尺(长克
整机质量
运输地
工作必施
传动比
配套动力
荣脱箱总容职
机维最小转弯半径
验门期:
设计侦
实测值
校技人:
性能试验的月的是评定样机作业质量能否满足当地农业按术要求及与癌拉机配套的合理性,非予核样机是否达到性能指标要求。
6.2.1试验准备工作
试验前:根据产品使用说明书的要求,谢定性能试验计划。间一工况测试应不少丁2个行程、
试验机组的按术状态应良好,按使用说明书的规定进行调整和保养。6.2.1.2
试验前的翻查和测定结果记入衣3.谢查内容包括:6.2.1.3
)地膜覆盖种植的作物类型,留荐利柏被情说:对型翻地:要了型深度和期前地表丝植被,采用对负线取样法在测区内取5个测点,每点按1m面积测定地面植物质量,单位为多:引算5点平值,单位为位。
b)十填类型及含水率:采用对角线取样法在测区内取5点,每总控0em~5cm,5cm~1ucim分层谢定,
)士壤实度和重:测定点与测十块含水率相刘应,测定后分别算出分层和全层的平均值对未耕地测坚实度,对耕期地测上壤容重。1)测定作业前的废膜量:采对角毁收栏法在测区内取5点,每点按1m1文2m面积收取准业前收膜层内的度膜,然后洗净寇膜上粘结物,酒干称重.并算启5点平均值5,单位为gm2.6.2.2用间性能测定
6.2.2.1度膜捡抢率
来用对角线收样法在试验区内玻5点:母点按1m×2m血机,对丁木耕地表面废膜,收膜深度不大下10cL:对于型后的层,收膜深度等于废膜捡拾深度:在作业深度也,用内,消出全部废膜,分别渡洗掉所请出废膜上的粘结物,晒1,分别称再,井计算出5点废愿谢留单的平均值S,单位为必m:并记人表4.
英酸地点:
地势及坂庆利能形:
前作物:
两定点
创定人:
度腹捡抢率计算如下:
-一疫膜控抢率,%:
表3试监地调查结果记录表
耐宽日期
土接类型:
盛商度:
土壤合
度读遗留金平烤值,单假为的m;股膜总量平均值,单立为
行2.2.2缩膜率
七堰年
作业的描
皮烘总
J/T10363—2002
校核人
分别测定2个行延,格检拾在失膜箱内的度腹与其位杂物分离后和复绕在机具上的废膜分期称重按下式计算维膜率。润讨算结兴记人表4。 =
缠脱率,%:
x00%,:
测定行程内绕在具部件上废膜的质垦,单位为:测定行程内捡拾在度膜箱内的废膜的质量,单位为13
JB/T103832002
膜控拾机型号:
试验地点:
测定人:
5---10
5-- 10
5·~10
5 ~-10
囊4度膜捡率。随腰率测定班
热拉机型号:
意定口期:
该膜治单
拉起的度
收膜深虚变异系数
末检起的
质膜质景
噬腹抢
工作速度:
继膜率
检起的感Www.bzxZ.net
膜质量
机件癌
胰质盘
被获人:
缠膜率
用钢板尺或钢者尺剩带,沿机组前进方向,每随1m测定1点,每个行规左,有各视10点,按下列公式让算,并将计算结果计人表5。行程收膜深度平的值
式中:
-第个行程的收膜深度平均值,单位为cm;第个行程中的第个点的深度值,单位为cm;第个行程中的测定点数。
工况的收膜决度平均慎
式中:
工况的收膜深度平均值,单位为Tm:N
高一工况中的行程数。
整的收深标难差,变异系赖
式中,
第个行程的收膜深度标准差,单位为cmV一第个行程的收膜深度变系数,%。d:.L况的收膜深良标准差、变异系数s
式中:
工记的收膜深度标准差,单位为心:T.况的收膜深度变异系数,%.
囊5收膜深度变异系数记录表
净膜控抢机型号:
验项目,
谢定日期:
酬定点
平均道em
总t学值em
总标源差
变异系链%
测定人
第1行程
拖施控挑归号:
试验地点:
第2行程
第3行程
JB/T10363—2002
较接人,
JB/1'10363....2002
6.2.2.4机组前进速度及功案消耗的则定废膜抢拾机功率消耗由收膜部件驱动概和率引力功游消两部分成:牵引力必牢消纯可以来取“牵引”女法或用CTM型汽车拖控权综合测定仪测定率引方,时测定前进速货,测往返各一个单程,测量单密距离为20m,求平均值并计算率引力功率消耗。机组前进速度
式中:
机组前进速意,单查为ws:
组在测定时同内前迹的距再,单位为111:一剩定时间,单位为5,
牵引力动率消耗
g=(rg-f,)vx10-
收股部件弱动功率消耗
执是能耗总功率
式中:
机具消耗总功率,单位W:
万尚传动轴驱动功耗,单位为W;P
机具卒引力功耗,单位为:
万向传动驱动转楚,单位为N·Ⅱ;万向传动轴转速:单位为/mn:
机具作业时,拖拉机萃引力,单位为N:施拉机空载可力,单惊为
机具作业康度,单查为s。
将以上功率消耗的计并结果记人表66.2.2.5机组打滑率测定
机组打滑率采用定圈数测非离的方法测定,往返行望各测定【次,并随机测定地轮的下陷深度,技式(13)卡算机组指率,将计算钻果记人表?d-2-2mR
武中:
机组订滑率,%:
地轮前进的实际离,单恼为m:
K—地轮半径,单位为(轮缴外凸出部外的半径减去下陷深按):月·地轮转司圈款,
6.3生产试验
6.3.1生产试验的要求
批量业产前按人生产试验的样机不得少于2台,配会动力应与试验的要求杆适应,单备有必要的肥件和工具。
工况编号:
非缩拉招轴转理:
划定地点:
度膜拉冷机
拖拉机
工税辆于:
冷腰控抢皮型号
融定地点:
退定咨举
地能转效
表6功率消耗及机组前进速度记录表据拉机型号:
牧账部计转迪平均值
传或转等平划估
车引改率污格平均查
tinain
收膜部件功率消格平均资
作业时驱动轮转迪平均资
竹时驱动轮转互学均间
拖拉机牵引头率鸿栏
相拉机空教划审考
动率消耗平均值
平均数膜深
机组前选速度
机组实际的进距离(0
凯组理论速距离11
机,组前进速
枪人隐浓度
打润率(停:
测定人
作业栏较,
微定上期:—
第1行程
裹7打滑案测定表
机组编号:
伸缩拟指缺转速
作业尚玖:
遵定口期
JH/T10263--2002
机组编号:
第2行性
控赖人:
校核人:
小提示:此标准内容仅展示完整标准里的部分截取内容,若需要完整标准请到上方自行免费下载完整标准文档。
中华人民共和国机械行业标准
JB/T10363—2002
农田废膜捡拾机
Thefarmwasteilm-pickupmachine2002-12-27发布
2003-04-01实施
中华人民共和国国家经济贸易委员会发布前言
1范围
规范性引用文件
3术语和定义
产品型号表示方法
按本求,
数技术要求
主要零部件技术要求
总装技术要求
整机按术要求
欲漆与外范质单
安企技术要求
使州司靠性
让验力法
试验条
性能试验
生产试验
综制试验托告
标忘,装、运箍与存
检验税则
出厂格验
型式试验。
不合格升类
抛样判定方案
性能指
性机的主要技术参数
试验助调套结果记录表
磨膜检抬率、缠膜率测定表
收膜深度变异系数记采表
功率消耗及机组前进速度记录表打资率测定表
生产试监记录表
表9生产试验记录汇总表,
表10拖拉机、样机坏故降统计表表11
牛产查定结果汇总表
表 12生产试验技术经济指标汇总表表13
不合拓分类
抽性判定表
JB/T10963—2002
本标准出中函机械1业联合会提出。前言
本标准由全国农业机械标准化技术委员会口。本标滩起草单位:中国农业机械化科学研究院、廿肃省农业机械推广总站。木标唯主娶起草人,刘“玉、杨兆文、安世才、康请华。JB/10S83—2002
1范围
农田废膜捡拾机
JB/T10963—2002
本标准规定了与抱拉机配套的梳齿滚衡型农用度膜抢抢机产品的术语和定义、型号、技术要求、试验方法,标志、包装、运输和贮存及检验规则.本标推查用十铲凸溶简型农田岁膜捡拾机(以下简殊度膜检抢机):其他型式的废脱拉拾机可多照热行,
2规范性引用文件
下列文件中的案款通过本标准的引用而成为本标准的策款:凡员注期的用文件。其随后所有的修改单(不包括勘误的内案)收膝订版均不适用于术标准,然而,整励根据去标准达成协议的各方研究是否可使用这些文件的最新版本。凡是不注日期的引用文件,其最新版心适用丁本标准。CB/T699优质碳真结构钢
G5T282逐批检告计数抽样序及抽样表(适用于让续批的检查》GB厅3098.1紧值作机性能螺栓、螺钉和螺性(ISO898-1)GR/T3098.2紧而件机板型能螺母帮牙领纹(id1SO898-2)GB/T5667农业机械生产试验方法农林拖拉机和机械,草坪和因艺动力机榜使历说明书编写划(的V1SO3F00)GB/T9480
GB 10395.1
农抹艳拉划和积械安全技术要求第1部价:总购(0V拍04254-1)GB1U39.5农林拖拉机和秘规安全投不要求第5都分:邢动耕作机械(IS04245GB10396农林拖拉视和机恢,车评和园艺动力机安全标志和险函形总则(S0GB斤13306标牌
农补施控机及机是涂漆通用技术条件JBT5673:
JA/T5994
装配通用技术要求
JB/I8574
农机层产品型号编科规则
3术语和定义
下列术语利定义适用于本标准。3.1
废膜抢拾机naste血lm-pkckupmachlne覆膜作物收获后,对残留在日地里的废膜具有检扮功能的机减。3.2
伸缩指retractingfinger
废模抢治抗的检拾收麟部件,
收丽深度depth-pickap
起股护或伸缩划指的人土深度
拉拾宽度widthr-pickuy
机具拉措废膜的理论工作密,
JA/T10363-—2002
废膜拾拾率Tatenfpickaip
搭起龄腾的质图点测区内度膜总质量的道分比3.6
机具绩膜事rateoftwiningwastefilm继始在机具各部件上的磨膜质量占测区内被措起案膜总质罩的白分比。4产品型号表示方法
膜检拾机产品型号按JB/T%574的规定编制。度膜检拾机产品型号表示力法如下:FMJ
改进北号
主敬:理论T作克,单位为ml
驱动型式代号:驱动式为Q、非驱动式标注型式代号:统齿激型
类别状号:废膜抢拾!
分类代与:裁耘和整地机据
改进代号:原型不标注:改进型用母A、B、C标注,第一次改进标注A,依次类指示所:二作幅宽为0cm的驱动式率向型度膜益格机的型号表示为:TFMJS—ICO
5技术要求
一般技术要求
性能指标
在机组打滑剂不人十15览的条件下,废膜捡持机的性能指标应符合表1的规定。表 1 性能指袜
皮检率
T作后地表平整度
妆膜深度变异系敏
工作后地表平整度保适用于驱动式度膜按拍机,5.2生要零部件技术要求
滚简装配后在上正点时各机指不险露出壁表面:机指与幽装配后各机指工作长度应一致,长度误降不成大于二3mm:5.2.2
量评定指标
5.2.3起快专的起膜齿与钥管的煤合成中固,不应有虚焊现象,齿与齿的间距误差不应大丁二3n15.2.4起膜铲利伸缩扎指接GB/T699规完的45钢制造,用材料不应抵于45钢的机性能,效火硬皮座不低于35HRC~·42HRC
5.3总装技术要求
5.3.1所有举部件应经检验合格:外协件、外购件应有合格证,整检验合格后,间进行装配.2
5.3.2装配后主梁不应弯曲、裤架不变形,JB/T10363—2002
5.3.3伸缩指及转部件位连接可靠,螺性应突出蜗母,但不超过5扣。烯栓不低于GBT3098.1规定的8.8级,媒母不低于GB/T3098.2规定的8级,其控紧方短按JB/T5994的规定。5.9.4各转动部件伴应转动灵活,无卡阻现象.5.3.5各调节部位应调节灵活,换作方便、可靠,两节范用达到设计要求5.36装配后,零件的外延加1表面和库接表面均虚涂防锈油。5.3.了务润滑点成按使用说明书规定注人适量润游油(脂)。5.9.8尚一回路中,辅轮轮齿对称中心询的立置度应不人于理论中心路的0.2%5.4整机技术要求
5.4.1整机应在工作转迹范围内迹行30min空运转试验,运转中传动系统不得有异常响内。停4后检查下列孕:
动力输人轴的最人空运转扭短感不大于2UN·Ⅱ,非丽动式最大空运转转矩不大于20Nm箱体的润诱油涩升不应超过30℃。箱体动结合无液油、静合面无稳油一弃紧固件不成有松动现象,
5.4.2随同产品供虚的备用件、附件和工具应齐全。5.4.3产品使用说明书应符合G/T94R0的有关规定5.4.4运输问隙要求:将机其调整到运轴位受,过量最低点到地面的距离,牵引式5小于11(hmm,越式不小于200mm。
5.5途率与外观质量
5.5.1充膜绘拾机涂漆底按JB/T5673规定:涂层应为一过底漆,一道而漆。外层用通耐族涂层TC22—DM。除层总厚楚成不小于40m,附若力不低于ⅡI级。5.5.2涂辞表面应平整、光滑,色译均匀,不得有漏谦,起泡,流痕和剩落等激陷。5.6安全技术要求
5.6.1变模检机的安全要求应符合(iB10395.1和GB10395.5的规定。5.6.2对通过设[和安全防护不能消除或充分限制的危险,按GB1039的规定使用安全标志,5.7使用可靠性
在止带「.作条件下膜控搭机的可靠性指标(有效度?应不维于必%,6试险方法
6.1或验亲件
6.1.1试验样机
6.1.1.1说验样机虚备有必要的配件工具。梁作者应按使用说朗书的要求迹行探作保养和调整6.11.2试验样机主要技术特征按表2逐吸测定满了。6.12试验地及环境
6.1.2.1试验地应选择当地有代表性的日块并应满足产品说明书税定的机具适用范围要求.地势平坦,无障碍物,地也要求平提无大齿或大埋(深度和商度不人于20cm),坡度不大于3”。6.1.22试验地测定区长典不小-引m,两端预备区不小于5m:宽不小于试验机具工作幅宽的5。6.1.3试验用拖拉机
根据废膜拉拾机驶用说明规定选择试用配拖拉机,其技术状态应良好,驾独员的驾婴技术应熟练:并应了解度膜检拾机的择作技术要求,试验过程中不应险意更换拖拉机和驾驶员:6.1.4验用到试收器
试验用测试位器和工具技术状态应息,精免符合要求,并在计盈检定周期内。JB/T103632002
废膜检控拾机型号
提供单位:
试验地点
测定人
6.2性能试验
表2样机的主要技术竞整
外形尺(长克
整机质量
运输地
工作必施
传动比
配套动力
荣脱箱总容职
机维最小转弯半径
验门期:
设计侦
实测值
校技人:
性能试验的月的是评定样机作业质量能否满足当地农业按术要求及与癌拉机配套的合理性,非予核样机是否达到性能指标要求。
6.2.1试验准备工作
试验前:根据产品使用说明书的要求,谢定性能试验计划。间一工况测试应不少丁2个行程、
试验机组的按术状态应良好,按使用说明书的规定进行调整和保养。6.2.1.2
试验前的翻查和测定结果记入衣3.谢查内容包括:6.2.1.3
)地膜覆盖种植的作物类型,留荐利柏被情说:对型翻地:要了型深度和期前地表丝植被,采用对负线取样法在测区内取5个测点,每点按1m面积测定地面植物质量,单位为多:引算5点平值,单位为位。
b)十填类型及含水率:采用对角线取样法在测区内取5点,每总控0em~5cm,5cm~1ucim分层谢定,
)士壤实度和重:测定点与测十块含水率相刘应,测定后分别算出分层和全层的平均值对未耕地测坚实度,对耕期地测上壤容重。1)测定作业前的废膜量:采对角毁收栏法在测区内取5点,每点按1m1文2m面积收取准业前收膜层内的度膜,然后洗净寇膜上粘结物,酒干称重.并算启5点平均值5,单位为gm2.6.2.2用间性能测定
6.2.2.1度膜捡抢率
来用对角线收样法在试验区内玻5点:母点按1m×2m血机,对丁木耕地表面废膜,收膜深度不大下10cL:对于型后的层,收膜深度等于废膜捡拾深度:在作业深度也,用内,消出全部废膜,分别渡洗掉所请出废膜上的粘结物,晒1,分别称再,井计算出5点废愿谢留单的平均值S,单位为必m:并记人表4.
英酸地点:
地势及坂庆利能形:
前作物:
两定点
创定人:
度腹捡抢率计算如下:
-一疫膜控抢率,%:
表3试监地调查结果记录表
耐宽日期
土接类型:
盛商度:
土壤合
度读遗留金平烤值,单假为的m;股膜总量平均值,单立为
行2.2.2缩膜率
七堰年
作业的描
皮烘总
J/T10363—2002
校核人
分别测定2个行延,格检拾在失膜箱内的度腹与其位杂物分离后和复绕在机具上的废膜分期称重按下式计算维膜率。润讨算结兴记人表4。 =
缠脱率,%:
x00%,:
测定行程内绕在具部件上废膜的质垦,单位为:测定行程内捡拾在度膜箱内的废膜的质量,单位为13
JB/T103832002
膜控拾机型号:
试验地点:
测定人:
5---10
5-- 10
5·~10
5 ~-10
囊4度膜捡率。随腰率测定班
热拉机型号:
意定口期:
该膜治单
拉起的度
收膜深虚变异系数
末检起的
质膜质景
噬腹抢
工作速度:
继膜率
检起的感Www.bzxZ.net
膜质量
机件癌
胰质盘
被获人:
缠膜率
用钢板尺或钢者尺剩带,沿机组前进方向,每随1m测定1点,每个行规左,有各视10点,按下列公式让算,并将计算结果计人表5。行程收膜深度平的值
式中:
-第个行程的收膜深度平均值,单位为cm;第个行程中的第个点的深度值,单位为cm;第个行程中的测定点数。
工况的收膜决度平均慎
式中:
工况的收膜深度平均值,单位为Tm:N
高一工况中的行程数。
整的收深标难差,变异系赖
式中,
第个行程的收膜深度标准差,单位为cmV一第个行程的收膜深度变系数,%。d:.L况的收膜深良标准差、变异系数s
式中:
工记的收膜深度标准差,单位为心:T.况的收膜深度变异系数,%.
囊5收膜深度变异系数记录表
净膜控抢机型号:
验项目,
谢定日期:
酬定点
平均道em
总t学值em
总标源差
变异系链%
测定人
第1行程
拖施控挑归号:
试验地点:
第2行程
第3行程
JB/T10363—2002
较接人,
JB/1'10363....2002
6.2.2.4机组前进速度及功案消耗的则定废膜抢拾机功率消耗由收膜部件驱动概和率引力功游消两部分成:牵引力必牢消纯可以来取“牵引”女法或用CTM型汽车拖控权综合测定仪测定率引方,时测定前进速货,测往返各一个单程,测量单密距离为20m,求平均值并计算率引力功率消耗。机组前进速度
式中:
机组前进速意,单查为ws:
组在测定时同内前迹的距再,单位为111:一剩定时间,单位为5,
牵引力动率消耗
g=(rg-f,)vx10-
收股部件弱动功率消耗
执是能耗总功率
式中:
机具消耗总功率,单位W:
万尚传动轴驱动功耗,单位为W;P
机具卒引力功耗,单位为:
万向传动驱动转楚,单位为N·Ⅱ;万向传动轴转速:单位为/mn:
机具作业时,拖拉机萃引力,单位为N:施拉机空载可力,单惊为
机具作业康度,单查为s。
将以上功率消耗的计并结果记人表66.2.2.5机组打滑率测定
机组打滑率采用定圈数测非离的方法测定,往返行望各测定【次,并随机测定地轮的下陷深度,技式(13)卡算机组指率,将计算钻果记人表?d-2-2mR
武中:
机组订滑率,%:
地轮前进的实际离,单恼为m:
K—地轮半径,单位为(轮缴外凸出部外的半径减去下陷深按):月·地轮转司圈款,
6.3生产试验
6.3.1生产试验的要求
批量业产前按人生产试验的样机不得少于2台,配会动力应与试验的要求杆适应,单备有必要的肥件和工具。
工况编号:
非缩拉招轴转理:
划定地点:
度膜拉冷机
拖拉机
工税辆于:
冷腰控抢皮型号
融定地点:
退定咨举
地能转效
表6功率消耗及机组前进速度记录表据拉机型号:
牧账部计转迪平均值
传或转等平划估
车引改率污格平均查
tinain
收膜部件功率消格平均资
作业时驱动轮转迪平均资
竹时驱动轮转互学均间
拖拉机牵引头率鸿栏
相拉机空教划审考
动率消耗平均值
平均数膜深
机组前选速度
机组实际的进距离(0
凯组理论速距离11
机,组前进速
枪人隐浓度
打润率(停:
测定人
作业栏较,
微定上期:—
第1行程
裹7打滑案测定表
机组编号:
伸缩拟指缺转速
作业尚玖:
遵定口期
JH/T10263--2002
机组编号:
第2行性
控赖人:
校核人:
小提示:此标准内容仅展示完整标准里的部分截取内容,若需要完整标准请到上方自行免费下载完整标准文档。
标准图片预览:





- 其它标准
- 上一篇: JB/T 10362-2002 数码照相机
- 下一篇: JB/T 10364-2002 液压单向阀
- 热门标准
- 机械行业标准(JB)
- JB/T9396-1999 环块磨损试验机 技术条件
- JB/T5352-1991 电动工具 产品说明书编写导则
- JB/T7732.1-1995 地膜覆盖机 技术条件
- JB/T6664.2-1993 自吸泵 技术条件
- JB/T7422.2-1999 立式内圆珩磨机 精度检验
- JB/T7665-1995 通用机械噪声声功率级现场测定 声强法
- JB/T9272-1999 氨压力表
- JB/T7273.8-1994 背面波纹手轮
- JB/T11340.3-2012 阀控式铅酸蓄电池安全阀 第3部分:橡胶帽、阀芯
- JB/T5419-2000 塑料挤出平膜扁丝辅机
- JB/T5810-1991 电机磁极线圈及磁场绕组匝间绝缘试验规范
- JB/T450-1992 PN16.0~32.0MPa锻造角式高压阀门、管件、紧固件 技术条件
- JB/T8022.1-1999 机床夹具零件及部件 内涨器
- JB/T9014.7-1999 连续输送设备 散粒物料 堆积角的测定
- JB/T1308.8-1999 PN250a 内外螺母型式、尺寸和技术条件
- 行业新闻
请牢记:“bzxz.net”即是“标准下载”四个汉字汉语拼音首字母与国际顶级域名“.net”的组合。 ©2025 标准下载网 www.bzxz.net 本站邮件:bzxznet@163.com
网站备案号:湘ICP备2025141790号-2
网站备案号:湘ICP备2025141790号-2