- 您的位置:
- 标准下载网 >>
- 标准分类 >>
- 通信行业标准(YD) >>
- YD/T 753.1-1995 国内卫星通信TDM/TDMA分组数据VSAT系统进网技术要求
标准号:
YD/T 753.1-1995
标准名称:
国内卫星通信TDM/TDMA分组数据VSAT系统进网技术要求
标准类别:
通信行业标准(YD)
标准状态:
现行-
发布日期:
1995-06-02 -
实施日期:
1995-12-01 出版语种:
简体中文下载格式:
.rar.pdf下载大小:
470.83 KB
点击下载
标准简介:
标准下载解压密码:www.bzxz.net
主题内容:本标准规定TDM/TDMA分组数据VSAT系统组成国内卫星分组数据通信网必须满足的进网技术要求。适用范围:本标准适用于国内卫星通信系统的固定业务14/11GHz及以上频段和6/4GHz频段的TDM/TDMAVSAT分组数据通信系统。 YD/T 753.1-1995 国内卫星通信TDM/TDMA分组数据VSAT系统进网技术要求 YD/T753.1-1995
部分标准内容:
中华人民共和国通信行业标准
国内卫星通信TDM/TDMA分组数据VSAT系统进网技术要求
主题内容与适用范围
YD/T 753.1 --- 95
本标准规定TDM/TDMA分组数据VSAT系统组成国内卫星分组数据通信网必须满足的进网技术要求。
本标准适用于国内卫星通信系统的固定业务14/11GHz及以上频段和6/4GHz频段的TDM/TDMAVSAT分组数据通信系统。
2术语和代号
其小天线终端
时分复用
TDMA时分多址
HUB中心地球站Www.bzxZ.net
S-ALOHA分时隙随机访问信道
R-ALOHA
预约申请随机访问信道
高级数据链路控制规程
OUTBOUND外向载波
INBOUND内向载波
前向纠错编码
比特差错率
数据电路终接设备
数据终端设备
等效全向辐射功率
3组网方式及特点
3.1组网方式
个具有较大口径天线的中心地球站与大量的甚小天线终端(VSAT)地球站通过卫星信道构成以中心地球站为中心的星形的点到点交互式分组数据通信网。图1表示星形卫星分组数据通信网结构。中华人民共和国邮电部1995-06-02批准1995-12-01实施
YD/T753.1--95
中心地球站
图1星形卫星分组数据通信网结构SATn
S--静止通信卫星;A--通信设备(中心地球站);B--网络管理控制设备(中心地球站);中心地球站向VSAT的外向载波VSAT地球站向中心地球站的内向载波3.2网路特点
网路采用中央控制管理。中央控制计算机置于中心地球站内。所有VSAT都服从中心地球站的监控管理和调度。
中心地球站对VSAT地球站的方向采用TDM广播通信,VSAT地球站对中心地球站方向采用TDMA通信。中心地球站与VSAT地球站之间实现点到点交式通信。VSAT地球站有收发信能力:卫星信道链路控制采用HDLC异步平衡规程标准。通过中心地球站或VSAT地球站可以与计算机局域网连接。利用卫星分组数据通信系统可以构成计算机广域网。
网路有传输1.2~~64kbit/s同步数据及传输1.2~19.2kbit/s异步数据能力。4卫星信道的工作方式和接人方式及基本顿格式4.1卫星信道的工作方式
中心地球站到VSAT地球站方向的外向载波采用TDM广播通信。VSAT地球站到中心地球站方向的内向载波采用TDMA通信。4.2卫星信道的接入方式
本通信系统采用以下四种卫星信道接入方式单独或同时运行。采用的接入方式由中央控制计算机控制。
a. S-ALOHA
YD/T 753.1-95
用于小业务量传输。把卫星信道按时间分成固定长度的时隙单元,每个时隙单元长度等于分组的时间长度。各个VSAT地球站随机地在某时隙内向中心地球站发送(如有碰撞则随机延时后重发)自已的分组数据。数据分组的首尾应与占用的发送时隙单元首尾时刻同步。不同的分组数据通信系统,数据分组长度可以不同,系统规定的时隙长度也不同。b. R-ALOHA
用于长短报文兼容传输,VSAT地球站需要发送长报文时,向中心地球站管理中心申请预约段长时隙单元发送长报文,采用R-ALOHA方式接入卫星信道。其他发送短报文的VSAT地球站仍以SALOHA方式接入卫星信道。
c.动态分配
动态分配时隙单元与R-ALOHA结合。没有预约申请时,卫星信道处于S-ALOHA状态。-旦有预约成功,R-ALOHA状态开始。由于网络内可能有多个大业务的用户申请预约,卫星TDMA顿分成M个大时隙单元和一些用于申请预约的S-ALOHA小时隙单元。M个大时隙单元根据先进先服务的原则动态分配给预约用户使用。卫星信道接入方式就处于动态分配时隙单元R-ALOHA和S-ALOHA的结合运行状态。
d.预分配TDMA
用于大业务量传输。当某些VSAT有长期大业务量传输时,它们可以用预分配TDMA接入已星信道。
4.3基本顿格式
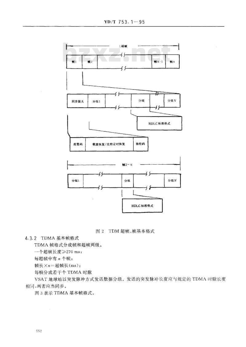
4.3.1TDM基本顿格式
TDM帧格式分为頔和超帧两级。
-个超顿长度≥270ms;
每超顿中有n个帧;
顿长Xn=超帧长度(ms);
每愤分成N个时隙。
网络的同步报头位于每超顿中的第--顿的开始。数据分组按规定的时隙长度传输,不能超出超帧界限。在超顿中无数据分组传输时,必须用空分组把时隙填满。图2表示TDM基本顿格式。
同步报头
前置码
分组1
4.3.2TDMA基本帧格式
分组1
YD/T 753.1--95
1超顿
载波恢复/比特定时恢复
懒2 ~ n
独特码
分组N
HDLC标准格式
分维N
HDLC标准格式
图2TDM超帧、顿基本格式
TDMA顿格式分成顿和超顿两级。个超帧长度≥270ms;
每超顿中有n个顿;
顿长Xn=超帧长(ms);
每顿分成若干个TDMA时隙
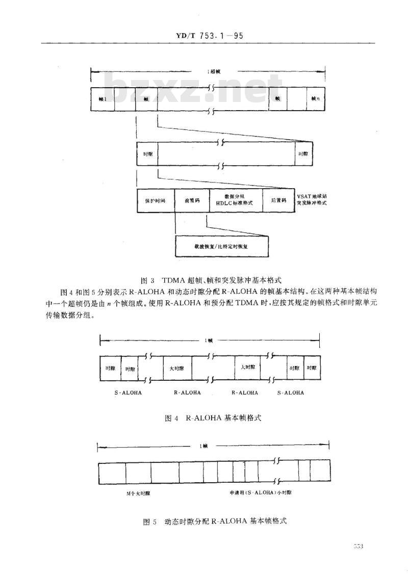
VSAT地球站以突发脉冲方式发送数据分组。发送的突发脉冲长度应与规定的TDMA时隙长度相冏,两者应当同步。
图3表示TDMA基本顿格式。
保护时间
YD/T 753.1---95
1超顿
前置码
数据分组
HDLC标准格式
载波恢复/比特定时恢复
后置码
图3TDMA超顿、顿和突发脉冲基本格式时源
VSAT地球站
突发脉冲格式
图4和图5分别表示R-ALOHA和动态时隙分配R-ALOHA的顿基本结构。在这两种基本顿结构中一个超帧仍是由n个顿组成。使用R-ALOHA和预分配TDMA时,应按其规定的帧格式和时隙单元传输数据分组。
S-ALOHA
M个大时隙
大时隙
R-ALOHA
大时隙
R-ALOHA
图4R-ALOHA基本顿格式
S-ALOHA
申请用(S-ALOHA)小时隙
图5动态时隙分配R-ALOHA基本格式时
4.4顿中时隙单元配置
YD/T 753.1—95
TDM和TDMA顿中基本单元为时隙(或分组)长度。时隙单元由若干个字节(每字节8比特)组成的单元构成。不同长度的数据分组占有的时隙单元长度不同。5卫星数据链路控制规程
通信系统的卫星数据链路控制规程采用HDLC异步平衡规程标准。这个规程允许主从终端启动传输,对来自数据终端的冏步数据进行透明传输而对异步数据处理后经过HDLC进行同步传输。数据链控制规程采用HDLC异步平衡规程中有关顿结构和顿要素规定。图6表示HDLC标准的链路顿格式。比特
起始标志
起始标志段8比特
地址段16比特
顿校验
图6HDLC标准的链路顿结构
01111110
含有站群地址和数据端口地址;设有中心地球站向所有VSAT地球站数据端的广播地址。c.控制段
按功能和目的分为
信息帧(I帧);
监控顿(S帧);
无编号顿(U)用于链路自行控制,不受序号检查限制。窗口尺寸采用模128方式。
图7表示HDLC异步平衡规程模128方式的控制字段格式。554
终止标志
图中:
YD/T 753.1-95
(I顿)
(S赖)
(U 赖的控制字段C)
图7HDLC异步平衡规程模128
方式链路控制字段格式
U顿控制字段C后的信息字段采用与模128方式相应格式;倍息(I帧)0;
监控顿(S顿)10;
无编号顿(U顿)11;
S监控功能比特;
M一命令/响应比特;
N(S)一发送顿序号比特;
N(R)=接收序号比特;
P/F一探询/终止比特。
d.信息段
信息段的长度可变,不超过255字节。在信息段内可以传送报文,也可以传送网路的系统监控管理请求信息。没有信息传送时信息段亦可不用。顿校验序列
顿校验序列为16位循环穴余校验序列,采用CCITTV.41生成多项式。f终止标志段8比特01111110。
6假设参考数字通道和频率配置
6.1假设参考数字通道
图8表示了TDM/TDMA分组数据通信系统假设参考数字通道。5
YD/T 753.1
中心地球站
:TDM/TDMA分组数据通信系统假设参考数字通道图8
S静止通信卫星;
1射频/中频设备;2-基带设备(含调制解调器);3--分组通信设备;1·网路控制系统;5终端设备;1'室外射频单元;2\室内单元(含调制解调器);3室内数据处理单元;4数据终端(ITE)6.2频率配置
频率配置指卫星转发器频率的指配。TDM/TDMA分组数据VAST通信系统选用14/11GHz及以上的频段频率,也可使用6/4GHz频段频率。图9表示了卫星转发器典型的频率配置。FTp
a)TDM和·个TDMA频率配置
b)TDM和多个TDMA频率配置
图9卫星转发器频率配置图
f(频率)
(频率)
FTM:TDM外向载波频率;FTDMA(FI,F2,·F,):TTDMA内向载波频率6.3TDMA内向载波的频率变换
在有多个TDMA内向载波的情况下,每个VSAT地球站应该在自巴的主载波I作,但是当主载波的业务已满时,可以通过中心地球站的允许变换到其他TDMA的内向载波:.I作。7传输速率和系统容量
7.1标称传输速率
Y>/T 753.1—95
TDM外向载波传输速率典型值为64kbit/s或128kbit/s或512kbit/s等。TDMA内向载波的传输速率不应超过TDM外问载波的传输速率,7.2系统容量
分组数据通信系统容量随着采用的卫星信道的接入方式,内向载波和外向问载波的传输速率,分组规模,系统延时要求以及通信网络的有关参数不同而不同,8系统的主要技术性能
8.1比特差错率(BER)
任何月份内不超过10%时间,BER允许劣于1X10-7;任何月份内不超过2%时间内BER允许劣于1×10\6;任何月份内不超过0.03%的时间,BER允许劣于1X10-3。假设参考数了通道输出端的比特差错率特性规定如下(在可用范围时间内):出现·秒乎均比特差错率劣了1×10-3的总时间(秒),不应超过任何月份可用时间(秒)的0.03%。出现一秒内有误码的总时间(秒)不超过任何月份内可用时间(秒)的1.6%。上述时间均为可用时间。10s和10s以上连续产生劣于1×10-\误码时,认为是不可用时间开始,此10s属不可用时间。不可用时间的结束定义为连续10sBER不劣于1×10-3.此10s属可用时间8.2调制解调特性
BER ≤1× 10-'时
8.3地球站发送c.r.r.p稳定度,中心地球站士0.5dB/天,VSAT地球站+1dB/天和一1.5dB/天(在指问卫星方向,晴空,包括天线发射增益和天线指向误差因素造成的误差)。RF频率允差±0.015RHz(土10kHz最大)R是信道传输速率(R≤512kbit/s)。8.4地球站中频频率稳定度1×10-9/d。8.5射频杂散辐射允许值
8.5.1在指配给固定卫星业务(地到空)的频段(VSAT地球站的操作频率配置在该频段内)外,VSAT地球站产生的偏轴杂散e.i.I.密度在偏轴角大于7处的测量数据不应超过以下限值:a载频关断时:
960 MHz~10.7 GHz
10. 7 GHz~21.2 GHz
21. 2 GHz~~40 GHz
48 dBpW/100 kHz
54 dBpW/100 kHz
60 dBpW/100 kHz
b载波开通时,在载波士400MHz频带外:960 MHz~3. 4 GHz
3. 4 GHz~10. 7 GHz
10. 7 GHz~~21. 2 GHz
21.2 GHz~40 GHz
49dBpW
61 dBpW
61 dBpW
67 dBpW
8.5.2轴向杂散e.i.r.p在960MHz到40GHz之间在任何1kHz带内不应超过4dBW。8.5.3最坏状况偏轴杂散e.i.r.p可以根据输入到天线入口(假设天线增益是8dBi)的输人功率测量值或者使用在偏轴角大于7°的测量数据估算。8.6交叉极化隔离度
在配置的发送频率带内,线性极化天线的同极化增益与交叉极化增益的轴向比值,在天线主波束.3dB等值线内不应小于25dB。
8.7最允许的偏轴e.i.r.P密度
8.7.1工作在14GHz频段内的VSAT地球站,在间距3°的静止卫星轨道内的任何方向上,在下述规3
YD/T 753. 1 - 95
定的任何g角内偏离地球站天线主波轴的e.i.r.p密度:偏轴角
在任何40kHz带内最大e.i.r.p
33-—25lgg
36—251gg
此外,在偏离主波轴的任何?角方向上的交叉极化分量不应超出下述限值:偏轴角
7°<9≤9. 2°
在任何40kHz帮内最大c.i.r.p
23—25lg
注:①工作于卫星间距近似2°的系统,上述的最大c.i.r.p密度值必须降低8dB3。②在一个非常大的服务区域内可以取下述e.i.t.p密度值:偏轴角
2. 5°67°
7<9≤9. 2°
48°9 180°
在任何40kHz带内最大e.i.r.p
39--25lgg
42-25lg9
8.7.2工作在6GHz频段内的地球站,在间距3°静止卫星轨道内的任何方向上,在下述规定的角内偏离地球站天线主波束的e.i.I.p密度不超过下述值:偏轴角
2.5°97°
7°9≤9. 2°
9.2°p≤48°
48°180°
每4kHz频带最大e.i.r.p
32—25lgy
35—251gg
8.8地球站天线发射旁瓣和天线接收旁瓣包络特性8.8.1天线发射旁瓣包络特性
a.天线直径与工作波长之比D/入》100:G = 29 — 25lg9 (dBi)
东西方向1°≤20°
其它任意轴方向1°≤9≤30°
b.天线直径与工作波长之比50≤D/入<100:G 49 - 10lg(D/a) -- 25lgsp (dBi)8.8.2天线接收旁瓣包络特性
“。天线点征与工作彼长之比号》>100:
G3225lgg(dBi)1°≤48°
G ==-10 (dBi) 48°≤9≤180°b.天线直径与工作波长之比
G 52 10lg(
100:
25lgg (dBi) 100A/D≤<48°
G= 10—10lg(号)
8.9群时延和增益特性
48°180°
以下指标包括卫星转发器的影响。558
dB(W/4 kHz)
dB(W/4 kHz)
dB(W/4 kHz)
dB(W/4 kHz)
8.9.1群时延
在任何1MHz宽带内<5ns。
8.9.2增益特性
在任何1MHz带宽内<0.1dB。
8.10带内交调干扰电平
低于最小接收载波电平15dB。
9通信系统干扰容限
YD/T 753.1--95
9.1采用下述的由其他固定卫星业务网的地球站和空间发射机引起的总干扰容限:a.在没有使用频率再用的频段内,在任何一个月的20%以上的时问内,平均在任何10min内的干扰功率电平不得超过相当于1×10-6BER的解调器输入端的总的噪声功率电平的20%。b.在使用频率再用的频段内,在任何个月的20%以上的时间内,平均在任何10min内的干扰电平不得超过相当于产生:1×10-‘BER的解调器输入端的总的噪声功率电平的25%。9.2采用下述的由另一个固定卫星网的地球站空间发射机引起的单个干扰容限:在任何一个月的20%以上时间内,在任何10min平均最大干扰功率电平不允许超过相当于产生1×10-‘BER的解调器输入端的总的噪声功率电平的6%。9.3采用下述的共同频带陆上微波接力系统引起的干扰容限:任何月份20%以上时间内,任何10min平均千扰功率电平不得超过相当于产生1×10-6BER的解调器输入端上的噪声功率电平的10%。任何月份0.03%以外时间内,任何1min平均干扰功率电乎不得超过产生1×101BER的噪声功率电平。
任何月份的0.005%以外时间内,任何1s平均干扰功率电平不得超过产生1×10-3BER的噪声功率电平。
10同步技术要求
TDM/TDMA分组数据VSAT通信系统既可组成专用分组数据通信网也可以接入公用分组数据通信网。
10.1同步方式
a。主从同步方式,中心地球站的时钟为通信系统的主时钟。b。中心地球站的主时钟有内主时钟和外时钟两种。当通信系统独立成为专用分组数据通信网时,通信系统的同步时钟可以应用内部主时钟,也可以通过外时钟接口引入更高级的主时钟。当通信系统接入公用分组交换数据网时,中心地球站应采用公用分组数据交换网的时钟为主时钟。10.2同步时钟的主要技术指标
中心地球站时钟:
频率稳定度
滑码率
准确度
可靠性
1×10-9/d
1次/10h
1×10-6
MTBF≥10 年
可进行现场的定期调整
10.3通信系统应能适应最大多普勒漂移18ns/s11网路间互连
11.1与公用分组交换数据网连接559
YD/T 753.1—95
与公用分组交换数据网连接的VSAT分组数据网的DTE应该是标称的X.25DTE。组成专用分组数据网的所有的VSAT部分的集合称为VSAT数据网。11.1.1实时直接连接
实时连接建立在由某个VSAT地球站或中心地球站申请操作的DTE和属公用分组交换数据网的DCE之间。公用分组交换数据网的交换虚电路或者永久虚电路通过VSAT网进行扩展。图10表示实时直接连接情况。
本地接口
图中:
标号A
VSAT网
国内公用分组交换数据网:
X。25接口
图10VSAT网与公用分组交换数据网之间的实时直接连接情况
申请要求通信的操作设备;
标号B-通过本地接口进入远端VSAT地球站的DTE;标号C—远端VSAT地球站提供的相应接口DCE;标号D-
远端VSAT地球站按照VSAT网内部协议建立卫星链路:标号E-中心地球站HUB;
x.25接口
标号F.分组数据VSAT网与国内公用分组交换数据网之间的接口DTE。标号F的DTE位于VSAT网一边,并且可以在任何一个VSAT地球站或在中心地球站中完成。标号F的DTE接门在中心地球站完成只需-·跳卫星链路。标号F的DTE接口在某个VSAT地球站完成,所有通信需通过中心地球站完成需要两跳卫星链路;公用分组交换数据网的接口DCE,是提供与公用分组交换数据网互连的X,25接口。经标号G—
过标号F的DTE和标号G的DCE之间X.25接口R,,VSAT分组数据网与公用分组交换数据互连;
标号H-
连接到公用分组交换数据网的用户远程的DTE。标号H的DTE进行相应的操作。R,——-标号B的DTE和标号C的DCE之间本地接口比特速率;R,—标号F的DTE和标号G的DCE之间X.25接口比特速率。11.1.2存储转发连接
图11表示存储转发连接情况。去向或来自标号B的DTE的信息通过VSAT网传递到存储转发网关J,经过标号F的DCE连接到公用分组交换数据网。来自或去向标号H的DTE的信息通过公用分组560
小提示:此标准内容仅展示完整标准里的部分截取内容,若需要完整标准请到上方自行免费下载完整标准文档。
国内卫星通信TDM/TDMA分组数据VSAT系统进网技术要求
主题内容与适用范围
YD/T 753.1 --- 95
本标准规定TDM/TDMA分组数据VSAT系统组成国内卫星分组数据通信网必须满足的进网技术要求。
本标准适用于国内卫星通信系统的固定业务14/11GHz及以上频段和6/4GHz频段的TDM/TDMAVSAT分组数据通信系统。
2术语和代号
其小天线终端
时分复用
TDMA时分多址
HUB中心地球站Www.bzxZ.net
S-ALOHA分时隙随机访问信道
R-ALOHA
预约申请随机访问信道
高级数据链路控制规程
OUTBOUND外向载波
INBOUND内向载波
前向纠错编码
比特差错率
数据电路终接设备
数据终端设备
等效全向辐射功率
3组网方式及特点
3.1组网方式
个具有较大口径天线的中心地球站与大量的甚小天线终端(VSAT)地球站通过卫星信道构成以中心地球站为中心的星形的点到点交互式分组数据通信网。图1表示星形卫星分组数据通信网结构。中华人民共和国邮电部1995-06-02批准1995-12-01实施
YD/T753.1--95
中心地球站
图1星形卫星分组数据通信网结构SATn
S--静止通信卫星;A--通信设备(中心地球站);B--网络管理控制设备(中心地球站);中心地球站向VSAT的外向载波VSAT地球站向中心地球站的内向载波3.2网路特点
网路采用中央控制管理。中央控制计算机置于中心地球站内。所有VSAT都服从中心地球站的监控管理和调度。
中心地球站对VSAT地球站的方向采用TDM广播通信,VSAT地球站对中心地球站方向采用TDMA通信。中心地球站与VSAT地球站之间实现点到点交式通信。VSAT地球站有收发信能力:卫星信道链路控制采用HDLC异步平衡规程标准。通过中心地球站或VSAT地球站可以与计算机局域网连接。利用卫星分组数据通信系统可以构成计算机广域网。
网路有传输1.2~~64kbit/s同步数据及传输1.2~19.2kbit/s异步数据能力。4卫星信道的工作方式和接人方式及基本顿格式4.1卫星信道的工作方式
中心地球站到VSAT地球站方向的外向载波采用TDM广播通信。VSAT地球站到中心地球站方向的内向载波采用TDMA通信。4.2卫星信道的接入方式
本通信系统采用以下四种卫星信道接入方式单独或同时运行。采用的接入方式由中央控制计算机控制。
a. S-ALOHA
YD/T 753.1-95
用于小业务量传输。把卫星信道按时间分成固定长度的时隙单元,每个时隙单元长度等于分组的时间长度。各个VSAT地球站随机地在某时隙内向中心地球站发送(如有碰撞则随机延时后重发)自已的分组数据。数据分组的首尾应与占用的发送时隙单元首尾时刻同步。不同的分组数据通信系统,数据分组长度可以不同,系统规定的时隙长度也不同。b. R-ALOHA
用于长短报文兼容传输,VSAT地球站需要发送长报文时,向中心地球站管理中心申请预约段长时隙单元发送长报文,采用R-ALOHA方式接入卫星信道。其他发送短报文的VSAT地球站仍以SALOHA方式接入卫星信道。
c.动态分配
动态分配时隙单元与R-ALOHA结合。没有预约申请时,卫星信道处于S-ALOHA状态。-旦有预约成功,R-ALOHA状态开始。由于网络内可能有多个大业务的用户申请预约,卫星TDMA顿分成M个大时隙单元和一些用于申请预约的S-ALOHA小时隙单元。M个大时隙单元根据先进先服务的原则动态分配给预约用户使用。卫星信道接入方式就处于动态分配时隙单元R-ALOHA和S-ALOHA的结合运行状态。
d.预分配TDMA
用于大业务量传输。当某些VSAT有长期大业务量传输时,它们可以用预分配TDMA接入已星信道。
4.3基本顿格式
4.3.1TDM基本顿格式
TDM帧格式分为頔和超帧两级。
-个超顿长度≥270ms;
每超顿中有n个帧;
顿长Xn=超帧长度(ms);
每愤分成N个时隙。
网络的同步报头位于每超顿中的第--顿的开始。数据分组按规定的时隙长度传输,不能超出超帧界限。在超顿中无数据分组传输时,必须用空分组把时隙填满。图2表示TDM基本顿格式。
同步报头
前置码
分组1
4.3.2TDMA基本帧格式
分组1
YD/T 753.1--95
1超顿
载波恢复/比特定时恢复
懒2 ~ n
独特码
分组N
HDLC标准格式
分维N
HDLC标准格式
图2TDM超帧、顿基本格式
TDMA顿格式分成顿和超顿两级。个超帧长度≥270ms;
每超顿中有n个顿;
顿长Xn=超帧长(ms);
每顿分成若干个TDMA时隙
VSAT地球站以突发脉冲方式发送数据分组。发送的突发脉冲长度应与规定的TDMA时隙长度相冏,两者应当同步。
图3表示TDMA基本顿格式。
保护时间
YD/T 753.1---95
1超顿
前置码
数据分组
HDLC标准格式
载波恢复/比特定时恢复
后置码
图3TDMA超顿、顿和突发脉冲基本格式时源
VSAT地球站
突发脉冲格式
图4和图5分别表示R-ALOHA和动态时隙分配R-ALOHA的顿基本结构。在这两种基本顿结构中一个超帧仍是由n个顿组成。使用R-ALOHA和预分配TDMA时,应按其规定的帧格式和时隙单元传输数据分组。
S-ALOHA
M个大时隙
大时隙
R-ALOHA
大时隙
R-ALOHA
图4R-ALOHA基本顿格式
S-ALOHA
申请用(S-ALOHA)小时隙
图5动态时隙分配R-ALOHA基本格式时
4.4顿中时隙单元配置
YD/T 753.1—95
TDM和TDMA顿中基本单元为时隙(或分组)长度。时隙单元由若干个字节(每字节8比特)组成的单元构成。不同长度的数据分组占有的时隙单元长度不同。5卫星数据链路控制规程
通信系统的卫星数据链路控制规程采用HDLC异步平衡规程标准。这个规程允许主从终端启动传输,对来自数据终端的冏步数据进行透明传输而对异步数据处理后经过HDLC进行同步传输。数据链控制规程采用HDLC异步平衡规程中有关顿结构和顿要素规定。图6表示HDLC标准的链路顿格式。比特
起始标志
起始标志段8比特
地址段16比特
顿校验
图6HDLC标准的链路顿结构
01111110
含有站群地址和数据端口地址;设有中心地球站向所有VSAT地球站数据端的广播地址。c.控制段
按功能和目的分为
信息帧(I帧);
监控顿(S帧);
无编号顿(U)用于链路自行控制,不受序号检查限制。窗口尺寸采用模128方式。
图7表示HDLC异步平衡规程模128方式的控制字段格式。554
终止标志
图中:
YD/T 753.1-95
(I顿)
(S赖)
(U 赖的控制字段C)
图7HDLC异步平衡规程模128
方式链路控制字段格式
U顿控制字段C后的信息字段采用与模128方式相应格式;倍息(I帧)0;
监控顿(S顿)10;
无编号顿(U顿)11;
S监控功能比特;
M一命令/响应比特;
N(S)一发送顿序号比特;
N(R)=接收序号比特;
P/F一探询/终止比特。
d.信息段
信息段的长度可变,不超过255字节。在信息段内可以传送报文,也可以传送网路的系统监控管理请求信息。没有信息传送时信息段亦可不用。顿校验序列
顿校验序列为16位循环穴余校验序列,采用CCITTV.41生成多项式。f终止标志段8比特01111110。
6假设参考数字通道和频率配置
6.1假设参考数字通道
图8表示了TDM/TDMA分组数据通信系统假设参考数字通道。5
YD/T 753.1
中心地球站
:TDM/TDMA分组数据通信系统假设参考数字通道图8
S静止通信卫星;
1射频/中频设备;2-基带设备(含调制解调器);3--分组通信设备;1·网路控制系统;5终端设备;1'室外射频单元;2\室内单元(含调制解调器);3室内数据处理单元;4数据终端(ITE)6.2频率配置
频率配置指卫星转发器频率的指配。TDM/TDMA分组数据VAST通信系统选用14/11GHz及以上的频段频率,也可使用6/4GHz频段频率。图9表示了卫星转发器典型的频率配置。FTp
a)TDM和·个TDMA频率配置
b)TDM和多个TDMA频率配置
图9卫星转发器频率配置图
f(频率)
(频率)
FTM:TDM外向载波频率;FTDMA(FI,F2,·F,):TTDMA内向载波频率6.3TDMA内向载波的频率变换
在有多个TDMA内向载波的情况下,每个VSAT地球站应该在自巴的主载波I作,但是当主载波的业务已满时,可以通过中心地球站的允许变换到其他TDMA的内向载波:.I作。7传输速率和系统容量
7.1标称传输速率
Y>/T 753.1—95
TDM外向载波传输速率典型值为64kbit/s或128kbit/s或512kbit/s等。TDMA内向载波的传输速率不应超过TDM外问载波的传输速率,7.2系统容量
分组数据通信系统容量随着采用的卫星信道的接入方式,内向载波和外向问载波的传输速率,分组规模,系统延时要求以及通信网络的有关参数不同而不同,8系统的主要技术性能
8.1比特差错率(BER)
任何月份内不超过10%时间,BER允许劣于1X10-7;任何月份内不超过2%时间内BER允许劣于1×10\6;任何月份内不超过0.03%的时间,BER允许劣于1X10-3。假设参考数了通道输出端的比特差错率特性规定如下(在可用范围时间内):出现·秒乎均比特差错率劣了1×10-3的总时间(秒),不应超过任何月份可用时间(秒)的0.03%。出现一秒内有误码的总时间(秒)不超过任何月份内可用时间(秒)的1.6%。上述时间均为可用时间。10s和10s以上连续产生劣于1×10-\误码时,认为是不可用时间开始,此10s属不可用时间。不可用时间的结束定义为连续10sBER不劣于1×10-3.此10s属可用时间8.2调制解调特性
BER ≤1× 10-'时
8.3地球站发送c.r.r.p稳定度,中心地球站士0.5dB/天,VSAT地球站+1dB/天和一1.5dB/天(在指问卫星方向,晴空,包括天线发射增益和天线指向误差因素造成的误差)。RF频率允差±0.015RHz(土10kHz最大)R是信道传输速率(R≤512kbit/s)。8.4地球站中频频率稳定度1×10-9/d。8.5射频杂散辐射允许值
8.5.1在指配给固定卫星业务(地到空)的频段(VSAT地球站的操作频率配置在该频段内)外,VSAT地球站产生的偏轴杂散e.i.I.密度在偏轴角大于7处的测量数据不应超过以下限值:a载频关断时:
960 MHz~10.7 GHz
10. 7 GHz~21.2 GHz
21. 2 GHz~~40 GHz
48 dBpW/100 kHz
54 dBpW/100 kHz
60 dBpW/100 kHz
b载波开通时,在载波士400MHz频带外:960 MHz~3. 4 GHz
3. 4 GHz~10. 7 GHz
10. 7 GHz~~21. 2 GHz
21.2 GHz~40 GHz
49dBpW
61 dBpW
61 dBpW
67 dBpW
8.5.2轴向杂散e.i.r.p在960MHz到40GHz之间在任何1kHz带内不应超过4dBW。8.5.3最坏状况偏轴杂散e.i.r.p可以根据输入到天线入口(假设天线增益是8dBi)的输人功率测量值或者使用在偏轴角大于7°的测量数据估算。8.6交叉极化隔离度
在配置的发送频率带内,线性极化天线的同极化增益与交叉极化增益的轴向比值,在天线主波束.3dB等值线内不应小于25dB。
8.7最允许的偏轴e.i.r.P密度
8.7.1工作在14GHz频段内的VSAT地球站,在间距3°的静止卫星轨道内的任何方向上,在下述规3
YD/T 753. 1 - 95
定的任何g角内偏离地球站天线主波轴的e.i.r.p密度:偏轴角
在任何40kHz带内最大e.i.r.p
33-—25lgg
36—251gg
此外,在偏离主波轴的任何?角方向上的交叉极化分量不应超出下述限值:偏轴角
7°<9≤9. 2°
在任何40kHz帮内最大c.i.r.p
23—25lg
注:①工作于卫星间距近似2°的系统,上述的最大c.i.r.p密度值必须降低8dB3。②在一个非常大的服务区域内可以取下述e.i.t.p密度值:偏轴角
2. 5°67°
7<9≤9. 2°
48°9 180°
在任何40kHz带内最大e.i.r.p
39--25lgg
42-25lg9
8.7.2工作在6GHz频段内的地球站,在间距3°静止卫星轨道内的任何方向上,在下述规定的角内偏离地球站天线主波束的e.i.I.p密度不超过下述值:偏轴角
2.5°97°
7°9≤9. 2°
9.2°p≤48°
48°180°
每4kHz频带最大e.i.r.p
32—25lgy
35—251gg
8.8地球站天线发射旁瓣和天线接收旁瓣包络特性8.8.1天线发射旁瓣包络特性
a.天线直径与工作波长之比D/入》100:G = 29 — 25lg9 (dBi)
东西方向1°≤20°
其它任意轴方向1°≤9≤30°
b.天线直径与工作波长之比50≤D/入<100:G 49 - 10lg(D/a) -- 25lgsp (dBi)8.8.2天线接收旁瓣包络特性
“。天线点征与工作彼长之比号》>100:
G3225lgg(dBi)1°≤48°
G ==-10 (dBi) 48°≤9≤180°b.天线直径与工作波长之比
G 52 10lg(
100:
25lgg (dBi) 100A/D≤<48°
G= 10—10lg(号)
8.9群时延和增益特性
48°180°
以下指标包括卫星转发器的影响。558
dB(W/4 kHz)
dB(W/4 kHz)
dB(W/4 kHz)
dB(W/4 kHz)
8.9.1群时延
在任何1MHz宽带内<5ns。
8.9.2增益特性
在任何1MHz带宽内<0.1dB。
8.10带内交调干扰电平
低于最小接收载波电平15dB。
9通信系统干扰容限
YD/T 753.1--95
9.1采用下述的由其他固定卫星业务网的地球站和空间发射机引起的总干扰容限:a.在没有使用频率再用的频段内,在任何一个月的20%以上的时问内,平均在任何10min内的干扰功率电平不得超过相当于1×10-6BER的解调器输入端的总的噪声功率电平的20%。b.在使用频率再用的频段内,在任何个月的20%以上的时间内,平均在任何10min内的干扰电平不得超过相当于产生:1×10-‘BER的解调器输入端的总的噪声功率电平的25%。9.2采用下述的由另一个固定卫星网的地球站空间发射机引起的单个干扰容限:在任何一个月的20%以上时间内,在任何10min平均最大干扰功率电平不允许超过相当于产生1×10-‘BER的解调器输入端的总的噪声功率电平的6%。9.3采用下述的共同频带陆上微波接力系统引起的干扰容限:任何月份20%以上时间内,任何10min平均千扰功率电平不得超过相当于产生1×10-6BER的解调器输入端上的噪声功率电平的10%。任何月份0.03%以外时间内,任何1min平均干扰功率电乎不得超过产生1×101BER的噪声功率电平。
任何月份的0.005%以外时间内,任何1s平均干扰功率电平不得超过产生1×10-3BER的噪声功率电平。
10同步技术要求
TDM/TDMA分组数据VSAT通信系统既可组成专用分组数据通信网也可以接入公用分组数据通信网。
10.1同步方式
a。主从同步方式,中心地球站的时钟为通信系统的主时钟。b。中心地球站的主时钟有内主时钟和外时钟两种。当通信系统独立成为专用分组数据通信网时,通信系统的同步时钟可以应用内部主时钟,也可以通过外时钟接口引入更高级的主时钟。当通信系统接入公用分组交换数据网时,中心地球站应采用公用分组数据交换网的时钟为主时钟。10.2同步时钟的主要技术指标
中心地球站时钟:
频率稳定度
滑码率
准确度
可靠性
1×10-9/d
1次/10h
1×10-6
MTBF≥10 年
可进行现场的定期调整
10.3通信系统应能适应最大多普勒漂移18ns/s11网路间互连
11.1与公用分组交换数据网连接559
YD/T 753.1—95
与公用分组交换数据网连接的VSAT分组数据网的DTE应该是标称的X.25DTE。组成专用分组数据网的所有的VSAT部分的集合称为VSAT数据网。11.1.1实时直接连接
实时连接建立在由某个VSAT地球站或中心地球站申请操作的DTE和属公用分组交换数据网的DCE之间。公用分组交换数据网的交换虚电路或者永久虚电路通过VSAT网进行扩展。图10表示实时直接连接情况。
本地接口
图中:
标号A
VSAT网
国内公用分组交换数据网:
X。25接口
图10VSAT网与公用分组交换数据网之间的实时直接连接情况
申请要求通信的操作设备;
标号B-通过本地接口进入远端VSAT地球站的DTE;标号C—远端VSAT地球站提供的相应接口DCE;标号D-
远端VSAT地球站按照VSAT网内部协议建立卫星链路:标号E-中心地球站HUB;
x.25接口
标号F.分组数据VSAT网与国内公用分组交换数据网之间的接口DTE。标号F的DTE位于VSAT网一边,并且可以在任何一个VSAT地球站或在中心地球站中完成。标号F的DTE接门在中心地球站完成只需-·跳卫星链路。标号F的DTE接口在某个VSAT地球站完成,所有通信需通过中心地球站完成需要两跳卫星链路;公用分组交换数据网的接口DCE,是提供与公用分组交换数据网互连的X,25接口。经标号G—
过标号F的DTE和标号G的DCE之间X.25接口R,,VSAT分组数据网与公用分组交换数据互连;
标号H-
连接到公用分组交换数据网的用户远程的DTE。标号H的DTE进行相应的操作。R,——-标号B的DTE和标号C的DCE之间本地接口比特速率;R,—标号F的DTE和标号G的DCE之间X.25接口比特速率。11.1.2存储转发连接
图11表示存储转发连接情况。去向或来自标号B的DTE的信息通过VSAT网传递到存储转发网关J,经过标号F的DCE连接到公用分组交换数据网。来自或去向标号H的DTE的信息通过公用分组560
小提示:此标准内容仅展示完整标准里的部分截取内容,若需要完整标准请到上方自行免费下载完整标准文档。
标准图片预览:





- 热门标准
- 通信行业标准(YD)
- YD/T2573-2017 代替 YD/T 2573-2013 LTE FDD 数字蜂窝移动通信网基站设备技术要求(第一阶段)
- YD/T2786.1-2014 支持多业务承载的 IP/MPLS 网络管理技术要求 第1部分:基本原则
- YD/T723.1-2007 通信电缆光缆用金属塑料复合带 第1部分:总则
- YD/T2890-2015 基于 LTE 技术的宽带集群通信(B-TrunC)系统接口测试方法(第一阶段)集群核心网到调度台接口
- YD/T1011-1999 数字同步网独立型节点从钟设备技术要求及测试方法
- YD/T823-1996 骨架式通信用室外光缆
- YD/T837.3-1996 铜芯聚烯烃绝缘铝塑综合护套市内通信电缆试验方法 第3部分:机械物理性能试验方法
- YD/T1272.1-2003 光纤活动连接器 第一部分:LC型
- YD/T1642-2007 互联网业务服务质量测试方法
- YD/T1656-2007 采用边界网关协议多协议扩展(BGP-MP)的基于IPv6骨干网的IPv4网络互联(4 over 6)技术要求
- YD/T1669-2007 离网型通信用风/光互补供电系统
- YD/T1745-2008 传送网安全防护检测要求
- YD/T1419.2-2005 接入网用单纤双向三端口光组件技术条件 第2部分:用于基于以太网方式的无源光网络(EPON)光网络单(ONU)的单纤双向三端口光组件
- YDB026-2008 基于ParLayX应用程序接口的企业应用业务的技术要求
- YD/T1803-2008 基于IP多媒体子系统(IMS)的呈现(Presence)业务测试方法(第一阶段)
- 行业新闻
请牢记:“bzxz.net”即是“标准下载”四个汉字汉语拼音首字母与国际顶级域名“.net”的组合。 ©2025 标准下载网 www.bzxz.net 本站邮件:bzxznet@163.com
网站备案号:湘ICP备2025141790号-2
网站备案号:湘ICP备2025141790号-2