- 您的位置:
- 标准下载网 >>
- 标准分类 >>
- 通信行业标准(YD) >>
- YD/T 1001-1999 非零色散位移单模光纤特性
标准号:
YD/T 1001-1999
标准名称:
非零色散位移单模光纤特性
标准类别:
通信行业标准(YD)
标准状态:
现行-
发布日期:
1999-02-23 -
实施日期:
1999-07-01 出版语种:
简体中文下载格式:
.rar.pdf下载大小:
102.73 KB

点击下载
标准简介:
标准下载解压密码:www.bzxz.net
本标准规定了非零色散位移单模光纤(简称NZDSF)的几何、光学、传输特性和机械环境性能的要求。本标准规定的单模光纤适用于通信网和其它通信设备特别适用于密集波分复用(DWDM)的通信网及其它通信设备。 YD/T 1001-1999 非零色散位移单模光纤特性 YD/T1001-1999

部分标准内容:
YD/T 1001—1999
本标准是根据国际电信联盟建议ITU-TG.655(1996)《非零色散位移单模光纤光缆的特性》制定的,在主要技术内容上参照采用了该国际标准的规定。某些特性要求也参照了国际上同类产品的先进技术指标。
本标准由邮电部电信科学研究规划院提出并归口。本标准起草单位:邮电部武汉邮电科学研究院。本标准起草人,陈永诗。
1范围
中华人民共和国通信行业标准
非零色散位移单模光纤特性
Characteristics of a non-zero dispersionshifted single-mode optical fibreYD/T 1001-1999
本标准规定了非零色散位移单模光纤(简称NZDSF)的几何、光学、传输特性和机械、环境性能的要求。
本标准规定的单模光纤适用于通信网和其他通信设备,特别适用于密集波分复用(DWDM)的通信网及其他通信设备。
2引用标准
下列标准所包含的条文,通过在本标准中引用而构成为本标准的条文。本标准出版时,所示版本均为有效。所有标准都会被修订,使用本标准的各方应探讨使用下列标准最新版本的可能性。GB/T15972—1995光纤总规范
ITU-TG.650(1997)单模光纤有关参数的定义和试验方法3术语和定义
本标准使用GB/T15972和ITU-TG.650中有关的术语和定义。4缩写词
本标准中使用下列缩写词:
5技术要求
5.1尺寸参数
密集波分复用
四波混频
非零色散位移单模光纤
偏振模色散
基准试验方法
同步转移模块
波分复用
非零色散位移单模光纤的尺寸参数应符合表1规定。5.2截止波长
截止波长包括3种类型:
a)光缆截止波长入≤1480nm;
中华人民共和国信息产业部1999-02-23批准1999-07-01实施
YD/T 1001—1999
b)光纤截止波长入≤1470nm(对于最坏情形下的光缆长度和弯曲);c)跳线缆截止波长入;≤1480nm。注:对于些特有的海底光缆,可以要求其他的光缆截止波长值。表1NZDSF光纤的尺寸参数
1550nm模场直径μm
包层直径,um
模场同心度误差,μm
包层不圆度,%
涂覆层直径,μm
包层/涂覆层同心度误差,μm
技术指标
(8. 0~11. 0)±0. 5
125±2
245±10bzxz.net
注:模场同心度误差和用不是1550nm光源(包括白光源)的传输近场法测得的芯/包层同心度误差是等效的。—般来说,光纤芯折射率剖面中心和包层轴之间间距也能代表模场同心度误差。如果按照基准试验方法(RTM)测得的模场同心度误差与芯/包层同心度误差有任何不一致的话,应以前者结果为准。5.31550mm弯曲性能
光纤以37.5mm半径松绕100圈,在1530~1580nm范围内测得的光纤损耗增加应不超过0.2dB。注
如果由于实际原因,选取小于100围进行37.5mm 弯曲半径的试验,建议不得小于 40图,损耗增加按比例递减。2如果在光纤接头处或系统别的位置使用小于37.5mm的弯曲半径(例如:R=30mm),建议同样0.2dB的损耗值应适用于使用这种小半径的100圈光纤。3为了保证1550nm弯曲摄耗敏感性准确度和易于测量,可用一或几圈小半径环光纤代替100围光纤进行试验,在此情况下,绕的圈数和最大允许的弯曲损耗,都应该选得与37.5mm半径100圈试验的0.2dB损耗值相适应。5.4传输特性
5.4.1衰减系数和色散特性
NZDSF光纤的衰减系数和色散特性应符合表2规定。表 2NZDSF 光纤的衰减系数和色散特性项
1550nm衰减系数最大值,dB/km
非零色散区,nm
非零色散区色散系数绝对值,ps(nm·km)1550nm偏振模色散系数(PMD),ps/km注
1Dmin不一定发生在 AminDm不一定发生在 Ame2对间一根光纤,在非零色散区,色散系数符号不应改变。3根据系统统计和传输的类型,可能需要规定色散系数符号。技术指标
0.20~0..25
1530minmx1565
0.1≤Dmn≤Dmx≤6. 0
G655中对偏振模色散系数的指标属待研究项目。0.5ps/Vkm的数值是相应于STM-64系统由PMD所受限4
的传输距离约400km(1dB功率代价)。5.4.2衰减点不连续性
YD/T 1001—1999
用OTDR对光纤从任一端进行检测时,在1550nm波长光纤连续长度上的局部衰减不应有超过0.1dB的不连续点。
5.4.3色散纵向均匀性
待研究。
注:在一特定的波长上,局部光纤段色散系数的绝对值可能偏离对长光纤段测得的数值。如果该数值在接近WDM系统的一个工作波长上减到很小,FWM效应能引起功率在其他波长或其他工作波长上传输。FWM功率的大小是色散绝对值、色散斜率、工作波长、光功率和FWM发生的距离的函数5.4.4衰减波长特性
在1525~1575nm波长范围内的衰减值,相对于1550nm波长的衰减值,应不超过0.05dB/km。5.5机械性能
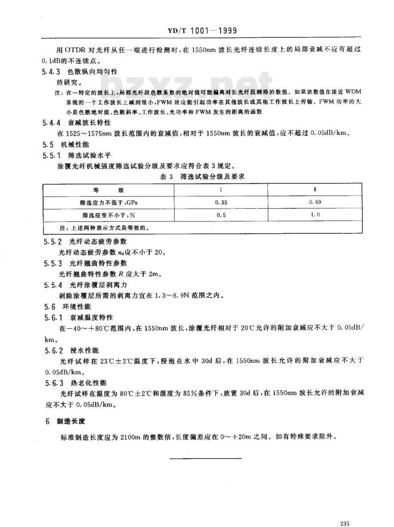
5.5.1筛选试验水平
涂覆光纤机械强度筛选试验分级及要求应符合表3规定。表3筛选试验分级及要求
筛选应力不低于,GPa
筛选应变不小于,%
注:上述两种表示方式是等效的。5.5.2光纤动态疲劳参数
光纤动态疲劳参数na应不小于20。5.5.3光纤翘曲特性参数
光纤翘曲特性参数R应大于2m。
5.5.4光纤涂覆层剥离力
剥除涂覆层所需的剥离力宜在1.3~8.9N范围之内。5.6环境性能
5.6.1衰减温度特性
在一40~十80℃范围内,在1550nm波长,涂覆光纤相对于20℃允许的附加衰减应不大于0.05dB/km。
5.6.2浸水性能
光纤试样在23℃士2℃温度下,浸泡在水中30d后,在1550nm波长允许的附加衰减应不大于0.05dB/km。
5.6.3热老化性能
光纤试样在温度为80℃土2℃和湿度为85%条件下,放置30d后,在1550nm波长允许的附加衰减应不大于0.05dB/km。
6制造长度
标准制造长度应为2100m的整数倍,长度偏差应在0~十20m之间。如有特殊要求除外。235
小提示:此标准内容仅展示完整标准里的部分截取内容,若需要完整标准请到上方自行免费下载完整标准文档。
本标准是根据国际电信联盟建议ITU-TG.655(1996)《非零色散位移单模光纤光缆的特性》制定的,在主要技术内容上参照采用了该国际标准的规定。某些特性要求也参照了国际上同类产品的先进技术指标。
本标准由邮电部电信科学研究规划院提出并归口。本标准起草单位:邮电部武汉邮电科学研究院。本标准起草人,陈永诗。
1范围
中华人民共和国通信行业标准
非零色散位移单模光纤特性
Characteristics of a non-zero dispersionshifted single-mode optical fibreYD/T 1001-1999
本标准规定了非零色散位移单模光纤(简称NZDSF)的几何、光学、传输特性和机械、环境性能的要求。
本标准规定的单模光纤适用于通信网和其他通信设备,特别适用于密集波分复用(DWDM)的通信网及其他通信设备。
2引用标准
下列标准所包含的条文,通过在本标准中引用而构成为本标准的条文。本标准出版时,所示版本均为有效。所有标准都会被修订,使用本标准的各方应探讨使用下列标准最新版本的可能性。GB/T15972—1995光纤总规范
ITU-TG.650(1997)单模光纤有关参数的定义和试验方法3术语和定义
本标准使用GB/T15972和ITU-TG.650中有关的术语和定义。4缩写词
本标准中使用下列缩写词:
5技术要求
5.1尺寸参数
密集波分复用
四波混频
非零色散位移单模光纤
偏振模色散
基准试验方法
同步转移模块
波分复用
非零色散位移单模光纤的尺寸参数应符合表1规定。5.2截止波长
截止波长包括3种类型:
a)光缆截止波长入≤1480nm;
中华人民共和国信息产业部1999-02-23批准1999-07-01实施
YD/T 1001—1999
b)光纤截止波长入≤1470nm(对于最坏情形下的光缆长度和弯曲);c)跳线缆截止波长入;≤1480nm。注:对于些特有的海底光缆,可以要求其他的光缆截止波长值。表1NZDSF光纤的尺寸参数
1550nm模场直径μm
包层直径,um
模场同心度误差,μm
包层不圆度,%
涂覆层直径,μm
包层/涂覆层同心度误差,μm
技术指标
(8. 0~11. 0)±0. 5
125±2
245±10bzxz.net
注:模场同心度误差和用不是1550nm光源(包括白光源)的传输近场法测得的芯/包层同心度误差是等效的。—般来说,光纤芯折射率剖面中心和包层轴之间间距也能代表模场同心度误差。如果按照基准试验方法(RTM)测得的模场同心度误差与芯/包层同心度误差有任何不一致的话,应以前者结果为准。5.31550mm弯曲性能
光纤以37.5mm半径松绕100圈,在1530~1580nm范围内测得的光纤损耗增加应不超过0.2dB。注
如果由于实际原因,选取小于100围进行37.5mm 弯曲半径的试验,建议不得小于 40图,损耗增加按比例递减。2如果在光纤接头处或系统别的位置使用小于37.5mm的弯曲半径(例如:R=30mm),建议同样0.2dB的损耗值应适用于使用这种小半径的100圈光纤。3为了保证1550nm弯曲摄耗敏感性准确度和易于测量,可用一或几圈小半径环光纤代替100围光纤进行试验,在此情况下,绕的圈数和最大允许的弯曲损耗,都应该选得与37.5mm半径100圈试验的0.2dB损耗值相适应。5.4传输特性
5.4.1衰减系数和色散特性
NZDSF光纤的衰减系数和色散特性应符合表2规定。表 2NZDSF 光纤的衰减系数和色散特性项
1550nm衰减系数最大值,dB/km
非零色散区,nm
非零色散区色散系数绝对值,ps(nm·km)1550nm偏振模色散系数(PMD),ps/km注
1Dmin不一定发生在 AminDm不一定发生在 Ame2对间一根光纤,在非零色散区,色散系数符号不应改变。3根据系统统计和传输的类型,可能需要规定色散系数符号。技术指标
0.20~0..25
1530minmx1565
0.1≤Dmn≤Dmx≤6. 0
G655中对偏振模色散系数的指标属待研究项目。0.5ps/Vkm的数值是相应于STM-64系统由PMD所受限4
的传输距离约400km(1dB功率代价)。5.4.2衰减点不连续性
YD/T 1001—1999
用OTDR对光纤从任一端进行检测时,在1550nm波长光纤连续长度上的局部衰减不应有超过0.1dB的不连续点。
5.4.3色散纵向均匀性
待研究。
注:在一特定的波长上,局部光纤段色散系数的绝对值可能偏离对长光纤段测得的数值。如果该数值在接近WDM系统的一个工作波长上减到很小,FWM效应能引起功率在其他波长或其他工作波长上传输。FWM功率的大小是色散绝对值、色散斜率、工作波长、光功率和FWM发生的距离的函数5.4.4衰减波长特性
在1525~1575nm波长范围内的衰减值,相对于1550nm波长的衰减值,应不超过0.05dB/km。5.5机械性能
5.5.1筛选试验水平
涂覆光纤机械强度筛选试验分级及要求应符合表3规定。表3筛选试验分级及要求
筛选应力不低于,GPa
筛选应变不小于,%
注:上述两种表示方式是等效的。5.5.2光纤动态疲劳参数
光纤动态疲劳参数na应不小于20。5.5.3光纤翘曲特性参数
光纤翘曲特性参数R应大于2m。
5.5.4光纤涂覆层剥离力
剥除涂覆层所需的剥离力宜在1.3~8.9N范围之内。5.6环境性能
5.6.1衰减温度特性
在一40~十80℃范围内,在1550nm波长,涂覆光纤相对于20℃允许的附加衰减应不大于0.05dB/km。
5.6.2浸水性能
光纤试样在23℃士2℃温度下,浸泡在水中30d后,在1550nm波长允许的附加衰减应不大于0.05dB/km。
5.6.3热老化性能
光纤试样在温度为80℃土2℃和湿度为85%条件下,放置30d后,在1550nm波长允许的附加衰减应不大于0.05dB/km。
6制造长度
标准制造长度应为2100m的整数倍,长度偏差应在0~十20m之间。如有特殊要求除外。235
小提示:此标准内容仅展示完整标准里的部分截取内容,若需要完整标准请到上方自行免费下载完整标准文档。

标准图片预览:




- 其它标准
- 热门标准
- 通信行业标准(YD)
- YD/T1970.4-2009 通信局(站)电源系统维护技术要求 第4部分:不间断电源(UPS)系统
- YD/T1970.1-2009 通信局(站)电源系统维护技术要求 第1部分:总则
- YD/T1391.1-2005 多协议标记交换(MPLS)测试方法
- YD/T1654-2007 IPTV业务需求
- YD/T2084-2013 2GHz TD-SCDMAWCDMA数字蜂窝移动通信网 家庭基站Iuh接口技术要求和测试方法
- YDB142.1-2013 多媒体终端设备节能参数和测试方法 第1部分:会议电视终端
- YDN031-1997 智能网技术体制
- YD/T2576.5-2013 TD-LTE 数字蜂窝移动通信网终端设备测试方法(第一阶段) 第5部分:网络兼容性测试
- YD/T1761-2008 信息无障碍 身体机能差异人群网站设计无障碍技术要求
- YD/T724-1994 同步传送模块STM-1,STM-4的帧结构和复用方法
- YD/T1970.4-2009 通信局(站)电源系统维护技术要求 第4部分:不间断电源(UPS)系统
- YD/T2056-2009 通信设施保护措施的维护
- YDB078-2012 基于 IP 的虚拟网络动态构建框架
- YD/T839.4-2014 通信电缆光缆用填充和涂覆复合物 第4部分:涂覆复合物
- YD/T2187-2010 统一 IMS 归属用户服务器(HSS)设备技术要求(第一阶段)
- 行业新闻
请牢记:“bzxz.net”即是“标准下载”四个汉字汉语拼音首字母与国际顶级域名“.net”的组合。 ©2009 标准下载网 www.bzxz.net 本站邮件:bzxznet@163.com
网站备案号:湘ICP备2023016450号-1
网站备案号:湘ICP备2023016450号-1