- 您的位置:
- 标准下载网 >>
- 标准分类 >>
- 机械行业标准(JB) >>
- JB/T 9981-1999 矩形槽或梯形槽电机振动给料机 型式与基本参数
标准号:
JB/T 9981-1999
标准名称:
矩形槽或梯形槽电机振动给料机 型式与基本参数
标准类别:
机械行业标准(JB)
英文名称:
Rectangular trough or trapezoidal trough motor vibrating feeder types and basic parameters标准状态:
已作废-
发布日期:
1999-05-14 -
实施日期:
2000-01-01 -
作废日期:
2008-11-01 出版语种:
简体中文下载格式:
.rar.pdf下载大小:
70.55 KB
替代情况:
替代ZB J61004-1988;被JB/T 9981-2008代替采标情况:
ISO 1049-1975 EQV
点击下载
标准简介:
标准下载解压密码:www.bzxz.net
JB/T 9981-1999 本标准是对 ZB J61 004-88《矩形槽或梯形槽电机振动给料机 型式和基本参数》的修订,修订时仅按的关规定作了编辑性修改,主要技术内容未改变。 本标准规定了矩形槽或梯形槽电机振动给料机的型式,基本参数和优先选用基本规格。 本标准适用于对松散物料进行连续输送和给料用的矩形或梯形电机振动给料机。 本标准于 1988 年 4 月首次发布。 JB/T 9981-1999 矩形槽或梯形槽电机振动给料机 型式与基本参数 JB/T9981-1999
部分标准内容:
中华人民共和国机械行业标准
JBT9981-1999下载标准就来标准下载网
矩形槽或梯形槽电机振动给料机型式与基本参数
1999-05-14 发布
国家机械工业局
2000-01-01 实施
JR/T9981—1999
本标准是对ZB[61004-88矩形推或梯形摘电机振动给料机型式和基4参数争的恢订,修订附仅按有关规定进行了编辑性修改,技水内容末改变。本标准白实感之起代替ZBJ61004-88。本标准的附录A是标准的附录。
本标准出全国持造机械标准化技术委员会提出并归口。本标准负资起草单位:许南铸造接压机被研究所。本标准于1988年4月首次发布。
中华人民共和国机械行业标准
矩形槽或梯形槽电机振动给料机型式与基本参数
JB/T9981-1999
本标准规定了矩形楷或样形槽电机标动给料机的型式,基本荐数和份先选用基本规格木标准适历十对松散物料进行连继输送.和给料用的矩形措或梯形楷电机振动给料机,推体型式
中机报动给料机具有下列措体型式-矩形槽(见图和图)或梯形(见凰2和图4):平底栉(图1和图2)或凹腐(见国3和图4)图「矩形平底格
图3炬彩凹病
3高本管数
3.1几何尺寸
3.1.1博宽(主参数)
描宽另是措胺的内宽底,尽寸落表「规定b
3.1.2措商
国京机械工业局19-05-1批准
125门
2梯接平底描
固4梯形凹底槽
2000-01-01 实施
JB/T9981-1999
摘高为是拍临和楷项部之间的量直所离,尺寸按表2就定。表2
3.1.3槛长
槽长1是槽底内侧长虑(见图5)、尺守按表3规定。图长
3.2理特性
3.2.1报动参数
作用在指体上的捌率于和相应的振幅。取决于输送量,被输送物料的特性、长和设备的类型按表4给出的数值选取:
海分版动济做
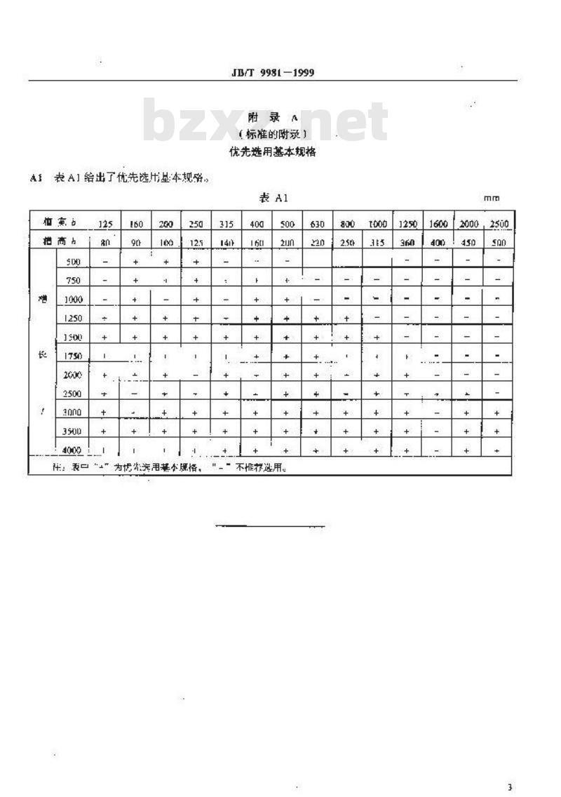
忧先选用蒸本规格
优光用基本规格见附录A(标准的附录)。2
0 07-1
表A1给出了优先选用基本规路,忙变
措高占
为优先流用幕小愿格,
J/T9981-1999
(标难的附录)
先选用基本规格
不推荐邀用。
小提示:此标准内容仅展示完整标准里的部分截取内容,若需要完整标准请到上方自行免费下载完整标准文档。
JBT9981-1999下载标准就来标准下载网
矩形槽或梯形槽电机振动给料机型式与基本参数
1999-05-14 发布
国家机械工业局
2000-01-01 实施
JR/T9981—1999
本标准是对ZB[61004-88矩形推或梯形摘电机振动给料机型式和基4参数争的恢订,修订附仅按有关规定进行了编辑性修改,技水内容末改变。本标准白实感之起代替ZBJ61004-88。本标准的附录A是标准的附录。
本标准出全国持造机械标准化技术委员会提出并归口。本标准负资起草单位:许南铸造接压机被研究所。本标准于1988年4月首次发布。
中华人民共和国机械行业标准
矩形槽或梯形槽电机振动给料机型式与基本参数
JB/T9981-1999
本标准规定了矩形楷或样形槽电机标动给料机的型式,基本荐数和份先选用基本规格木标准适历十对松散物料进行连继输送.和给料用的矩形措或梯形楷电机振动给料机,推体型式
中机报动给料机具有下列措体型式-矩形槽(见图和图)或梯形(见凰2和图4):平底栉(图1和图2)或凹腐(见国3和图4)图「矩形平底格
图3炬彩凹病
3高本管数
3.1几何尺寸
3.1.1博宽(主参数)
描宽另是措胺的内宽底,尽寸落表「规定b
3.1.2措商
国京机械工业局19-05-1批准
125门
2梯接平底描
固4梯形凹底槽
2000-01-01 实施
JB/T9981-1999
摘高为是拍临和楷项部之间的量直所离,尺寸按表2就定。表2
3.1.3槛长
槽长1是槽底内侧长虑(见图5)、尺守按表3规定。图长
3.2理特性
3.2.1报动参数
作用在指体上的捌率于和相应的振幅。取决于输送量,被输送物料的特性、长和设备的类型按表4给出的数值选取:
海分版动济做
忧先选用蒸本规格
优光用基本规格见附录A(标准的附录)。2
0 07-1
表A1给出了优先选用基本规路,忙变
措高占
为优先流用幕小愿格,
J/T9981-1999
(标难的附录)
先选用基本规格
不推荐邀用。
小提示:此标准内容仅展示完整标准里的部分截取内容,若需要完整标准请到上方自行免费下载完整标准文档。
标准图片预览:





- 其它标准
- 热门标准
- 机械行业标准(JB)
- JB/T2756-2006 无轨电车用炭滑块
- JB/T10056-1999 直流电流互感器 技术条件
- JB/T8679-2008 炭弧气刨炭棒 物理及使用性能试验方法
- JB/T7895-2008 永磁筒式磁选机
- JB/T8840-2013 电热器具用电源开关
- JB/T11340.3-2012 阀控式铅酸蓄电池安全阀 第3部分:橡胶帽、阀芯
- JB/T6316-2006 Z4系列直流电动机技术条件(机座号100~450)
- JB/T4328.10-1999 电工专用设备 球墨铸铁件通用技术条件
- JB/T9713-1999 工程机械 湿式铜基摩擦件 技术条件
- JB∕T12675-2016 拖拉机液压系统清洁度限值及测量方法
- JB/T10677-2006 投影机 光源
- JB/T10930-2010 200级耐电晕漆包铜圆线
- JB/T10573-2006 工具显微镜
- JB∕T12848-2016 拖拉机性能试验用跑道要求
- JB3704-1984 特种调压器用碳电阻片柱电气机械性能试验方法
- 行业新闻
请牢记:“bzxz.net”即是“标准下载”四个汉字汉语拼音首字母与国际顶级域名“.net”的组合。 ©2025 标准下载网 www.bzxz.net 本站邮件:bzxznet@163.com
网站备案号:湘ICP备2025141790号-2
网站备案号:湘ICP备2025141790号-2