- 您的位置:
- 标准下载网 >>
- 标准分类 >>
- 轻工行业标准(QB) >>
- QB/T 2228-1996 扑克牌
标准号:
QB/T 2228-1996
标准名称:
扑克牌
标准类别:
轻工行业标准(QB)
标准状态:
已作废-
实施日期:
1980-10-01 -
作废日期:
2004-05-01 出版语种:
简体中文下载格式:
.rar.pdf下载大小:
149.16 KB
中标分类号:
轻工、文化与生活用品>>文教、体育、娱乐用品>>Y56体育用品
部分标准内容:
Q/T2228---1996
本标准是根据中国轻工总会轻总质L9478号文件的要求,对ZBY50003一1990《扑克牌》进行修订。
本标准为尽快适应国际贸易,技术和经济交流,将原标准中优等品改为A级品,由于至今未得到国外先进标催,我们参考了美国骆驼牌的实测数据作为A级品指标。要制定一个标准,不仅要考虑其先进性,也婴考虑其经济上的合理性,产品既要有竞争能力,也要给企业带来好的经济效益,应予兼顾。因此,增加一类D级,满足国内酱通水平要求。该类产品目前有相当大的市场,扑克牌行业标准要适应不断变化的市场需要,不断进行修正、补充和完善。本标准对原专业标准ZBY50003-1990扑充牌》的翻折,纵向挺度、弹性,色差、光泽度、边差,圆角等指标作了够改。
本标准自实施之日起,同时代替ZBY50003-1990。本标准的附录是标的闭录。
本标准由中国轻工总会质量标准部提出。本标准由全国文体用品标准化中心归妇口本标准起草单位:上海扑克牌厂、海文教研究所、凝州市扑克彩印厂。本标雄主要起草人:於敏媛、宋仲安。235
1范围
中华人民共和国轻工行业标准
扑克牌
QB/T 2228—1996
本标准规定了扑克牌产品分类,技术要求、试验方法、检验规测和标志、包装、运输、贮存。本标准适用于纸质扑克牌。
2号用标准
下列标准所包含的条文,通过在本标准中引用而构成为本标准的签文。本标准出版,所示版本均为有效。所有标准都会被修订,使用本标准的各方应探讨使用下列标准最新版本的可能性。GB/T2828--1987逐批检查计数抽样程序及抽样表(适用于连续批的检套)CB/T2829--198?周期检套计数抽样程序及抽样表(适用于生产过程稳定性的检查)3术语
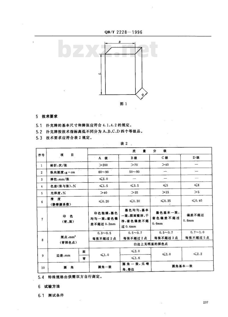
3.1大牌型:长87mm、宽62mm,
3.2桥牌型:长87mm.宽57mml。
3.3折:牌张承受弯翻的能力。
3.4弹性:牌张弯曲后复原的能力。3.5纵向挺度:牌张弯曲到一定角度时,其力矩的大小。3.6色差:牌张间白度的差异。
光泽度:牌张表面像镜子似的反射光线造成亮或具有光辉的外观的表面性质。3.8滑度:牌张面背之间静擦系数。3.9斑点:原纸尘埃点及生产流程中产生的污点。3.10边差:对应的牌边与角码图案边框之间的二个距离之差。4产品分类
4.1按尺寸分大牌型和桥牌型二种,见表1及图1的规定。4.2每副牌54张,由不同颜色图案、角码组成,红黑二色图案标志分别为红桃、方块、黑桃、梅花,每色图案的角码为A,K,Q,J,10,9,8,7,6,5,4,3,2各1张。轰1
牌长1
牌宽B
牌厚H
基本尺寸
中国轻工总会1996-06-05批准
大牌型
被限尺寸
基本尺寸
桥牌型
极限尺寸
1997-03-01实施
5技术要求
QB/T 2228--1996
5.1扑克牌的基本尺寸和牌张应符合4.1、4.2的规定。5.2扑克牌按技术指标高低不同分为A、B、C、D四个等级品。技术要求应符合表2规定。
耐折,次/张
纵向挺度,g·cm
弹性,mm/张
色差(张与张),%
光泽度,%
(静库擦系数)
(背、面)
斑点,mm2
(背深色点)
边差,mm
印色饱满,曼色
均匀一致,套色储
差不超过 0. 2mm
每张不超过2点
圆角一致
特殊规格由供需双方自行商定。6试验方法
6.1测试条件
墨色均匀,基本
致,圈面整洁、干
净,套色偏差不超
0. 5~~0. 7
每张不超过2点
墨色基本一致,
套色偏差不超过
0. 5~~0. 7
每张不超过3点
白边上无明的深色点
圆角一致,无嘴
角、卷边
偏差不超过
每张不超过5点
圆角基本致
QB/T2228-~1996
周期检查应在相对湿度为(50士5)%,温度(23士3)C的条件下进行试验。牌张在标准条件下存放24h以上,即可测试。6.2规格尺寸
用分度值0.05mm的游标卡尺测量。6.3耐折
将一张牌夹在专用耐折机上,以87次/min的频率将牌张弯曲到90°为一次,达到规定次数后停机,目测折痕不应超过20mm长。
6.4纵向挺度
将牌张切成70mm×38mm的矩形,装到专用纵向挺度机上使其弯曲到15°角时,观察其弯矩数值。6.5弹性
将牌张装在专用弹性机上,牌面向上弯曲90°,往复5次,待30s后测量水平面到最大拱顶的距离。6.6色差
色差:将测试牌中一张最大白度值的牌的白度值减去一张最小白度值的牌的白度值即为色差。白度:用白度仪测定蓝光白度值。6.7光泽度
用分度值小于1%的KGZ-1型多角度镜向光泽度仪或精度相同的光泽计测试。6.8滑度
将牌张放在专用摩擦系数测试仪或精度相同的其他摩擦系数测试仪上测出牌张的静摩擦系数。6.9边差
图案边差,有边框测背面和正面(满背测正面),用分度值0.05mm的游标卡尺测量。6.10外观
图案印色、斑点、圆角在8W荧光灯下,距离0.25m以内用目测或10倍刻度放大镜及实样作对比检查。
7检验规则
7.1产品检验分为交收检验和例行检验。7.2本检验采用计件法,样本单位为副。7.3每批产品交收检验按GB/T2828中特殊检查水平S-2,次抽样方案规定。每副产品按-般检查水平【、一次抽样方案规定,或由双方商定。7.4交收检验的项目、技术要求、试验方法、合格质量水平(AQL)值按表3的规定。表3
不合格
品分类
光泽度
规格尺寸
技术要求章条
试验方法章条
合格质量水平(AQL)
A级品
B、C、D级品
7.5例行检验
QB/T 2228—1996
7.5.1例行检验采用GB/T 2829中判别水平1的一次抽样方案。7.5.2例行检验的样品必须在交收检验合格的样品中随机抽取,并按交收检验项目进行全数检查,若发现有不合格品时,则应以合格品换取。7.5.3例行检验每半年进行一次,在更改设计、关键工艺、主要原材料或停产三个月以上又恢复生产时亦需进行。
7.5.4例行检验的项目、技术要求、试验方法、不合格质量水平(RQL)值,按表4的规定。表4
检验组
不合格
品分类
标志、包装、运输、贮存
纵向挺度
技术要求章条
.5.3(1)
试验方法章条
本合格质量水平(RQL)
A级品
B.C、D级品免费标准bzxz.net
8.1标志:产品应有商标。
8.2包装:产品用盒装,中包装分10副或12副;纸箱大包装分20包或24包,包装箱应防潮,封装牢固。
8.2.1大包装箱外应有产品名称、货号、商标、数量、重量、体积、制造厂名、出厂日期等标志。8.3运输:运输过程必须保持清洁、干燥、严禁雨淋,装卸要小心轻放。8.4贮存:产品应存放在离地200mm高度以上,空气流通,干燥的仓库内,防止变质。239
A1A级
QB/T2228--1996
附录A
(标准的附录)
扑克牌等级品规定
必须达到国际先进水平,并明确为企业采用国际标准技术数据,由于至今未得到国外先进标准,我们参考了美国骆驼牌扑克牌实测数据来作为A级品标准。A2B级
牌张滑爽,弹性柔韧,油墨鲜艳,手感舒适,达到国际般水平及国内先进水平。A3C级
牌张挺括、平整,墨色均匀,无明显色差,达到国内平均水平。A4D级
牌张之间色差小,油墨色泽基本一致,达到国内普通级水平。240
小提示:此标准内容仅展示完整标准里的部分截取内容,若需要完整标准请到上方自行免费下载完整标准文档。
本标准是根据中国轻工总会轻总质L9478号文件的要求,对ZBY50003一1990《扑克牌》进行修订。
本标准为尽快适应国际贸易,技术和经济交流,将原标准中优等品改为A级品,由于至今未得到国外先进标催,我们参考了美国骆驼牌的实测数据作为A级品指标。要制定一个标准,不仅要考虑其先进性,也婴考虑其经济上的合理性,产品既要有竞争能力,也要给企业带来好的经济效益,应予兼顾。因此,增加一类D级,满足国内酱通水平要求。该类产品目前有相当大的市场,扑克牌行业标准要适应不断变化的市场需要,不断进行修正、补充和完善。本标准对原专业标准ZBY50003-1990扑充牌》的翻折,纵向挺度、弹性,色差、光泽度、边差,圆角等指标作了够改。
本标准自实施之日起,同时代替ZBY50003-1990。本标准的附录是标的闭录。
本标准由中国轻工总会质量标准部提出。本标准由全国文体用品标准化中心归妇口本标准起草单位:上海扑克牌厂、海文教研究所、凝州市扑克彩印厂。本标雄主要起草人:於敏媛、宋仲安。235
1范围
中华人民共和国轻工行业标准
扑克牌
QB/T 2228—1996
本标准规定了扑克牌产品分类,技术要求、试验方法、检验规测和标志、包装、运输、贮存。本标准适用于纸质扑克牌。
2号用标准
下列标准所包含的条文,通过在本标准中引用而构成为本标准的签文。本标准出版,所示版本均为有效。所有标准都会被修订,使用本标准的各方应探讨使用下列标准最新版本的可能性。GB/T2828--1987逐批检查计数抽样程序及抽样表(适用于连续批的检套)CB/T2829--198?周期检套计数抽样程序及抽样表(适用于生产过程稳定性的检查)3术语
3.1大牌型:长87mm、宽62mm,
3.2桥牌型:长87mm.宽57mml。
3.3折:牌张承受弯翻的能力。
3.4弹性:牌张弯曲后复原的能力。3.5纵向挺度:牌张弯曲到一定角度时,其力矩的大小。3.6色差:牌张间白度的差异。
光泽度:牌张表面像镜子似的反射光线造成亮或具有光辉的外观的表面性质。3.8滑度:牌张面背之间静擦系数。3.9斑点:原纸尘埃点及生产流程中产生的污点。3.10边差:对应的牌边与角码图案边框之间的二个距离之差。4产品分类
4.1按尺寸分大牌型和桥牌型二种,见表1及图1的规定。4.2每副牌54张,由不同颜色图案、角码组成,红黑二色图案标志分别为红桃、方块、黑桃、梅花,每色图案的角码为A,K,Q,J,10,9,8,7,6,5,4,3,2各1张。轰1
牌长1
牌宽B
牌厚H
基本尺寸
中国轻工总会1996-06-05批准
大牌型
被限尺寸
基本尺寸
桥牌型
极限尺寸
1997-03-01实施
5技术要求
QB/T 2228--1996
5.1扑克牌的基本尺寸和牌张应符合4.1、4.2的规定。5.2扑克牌按技术指标高低不同分为A、B、C、D四个等级品。技术要求应符合表2规定。
耐折,次/张
纵向挺度,g·cm
弹性,mm/张
色差(张与张),%
光泽度,%
(静库擦系数)
(背、面)
斑点,mm2
(背深色点)
边差,mm
印色饱满,曼色
均匀一致,套色储
差不超过 0. 2mm
每张不超过2点
圆角一致
特殊规格由供需双方自行商定。6试验方法
6.1测试条件
墨色均匀,基本
致,圈面整洁、干
净,套色偏差不超
0. 5~~0. 7
每张不超过2点
墨色基本一致,
套色偏差不超过
0. 5~~0. 7
每张不超过3点
白边上无明的深色点
圆角一致,无嘴
角、卷边
偏差不超过
每张不超过5点
圆角基本致
QB/T2228-~1996
周期检查应在相对湿度为(50士5)%,温度(23士3)C的条件下进行试验。牌张在标准条件下存放24h以上,即可测试。6.2规格尺寸
用分度值0.05mm的游标卡尺测量。6.3耐折
将一张牌夹在专用耐折机上,以87次/min的频率将牌张弯曲到90°为一次,达到规定次数后停机,目测折痕不应超过20mm长。
6.4纵向挺度
将牌张切成70mm×38mm的矩形,装到专用纵向挺度机上使其弯曲到15°角时,观察其弯矩数值。6.5弹性
将牌张装在专用弹性机上,牌面向上弯曲90°,往复5次,待30s后测量水平面到最大拱顶的距离。6.6色差
色差:将测试牌中一张最大白度值的牌的白度值减去一张最小白度值的牌的白度值即为色差。白度:用白度仪测定蓝光白度值。6.7光泽度
用分度值小于1%的KGZ-1型多角度镜向光泽度仪或精度相同的光泽计测试。6.8滑度
将牌张放在专用摩擦系数测试仪或精度相同的其他摩擦系数测试仪上测出牌张的静摩擦系数。6.9边差
图案边差,有边框测背面和正面(满背测正面),用分度值0.05mm的游标卡尺测量。6.10外观
图案印色、斑点、圆角在8W荧光灯下,距离0.25m以内用目测或10倍刻度放大镜及实样作对比检查。
7检验规则
7.1产品检验分为交收检验和例行检验。7.2本检验采用计件法,样本单位为副。7.3每批产品交收检验按GB/T2828中特殊检查水平S-2,次抽样方案规定。每副产品按-般检查水平【、一次抽样方案规定,或由双方商定。7.4交收检验的项目、技术要求、试验方法、合格质量水平(AQL)值按表3的规定。表3
不合格
品分类
光泽度
规格尺寸
技术要求章条
试验方法章条
合格质量水平(AQL)
A级品
B、C、D级品
7.5例行检验
QB/T 2228—1996
7.5.1例行检验采用GB/T 2829中判别水平1的一次抽样方案。7.5.2例行检验的样品必须在交收检验合格的样品中随机抽取,并按交收检验项目进行全数检查,若发现有不合格品时,则应以合格品换取。7.5.3例行检验每半年进行一次,在更改设计、关键工艺、主要原材料或停产三个月以上又恢复生产时亦需进行。
7.5.4例行检验的项目、技术要求、试验方法、不合格质量水平(RQL)值,按表4的规定。表4
检验组
不合格
品分类
标志、包装、运输、贮存
纵向挺度
技术要求章条
.5.3(1)
试验方法章条
本合格质量水平(RQL)
A级品
B.C、D级品免费标准bzxz.net
8.1标志:产品应有商标。
8.2包装:产品用盒装,中包装分10副或12副;纸箱大包装分20包或24包,包装箱应防潮,封装牢固。
8.2.1大包装箱外应有产品名称、货号、商标、数量、重量、体积、制造厂名、出厂日期等标志。8.3运输:运输过程必须保持清洁、干燥、严禁雨淋,装卸要小心轻放。8.4贮存:产品应存放在离地200mm高度以上,空气流通,干燥的仓库内,防止变质。239
A1A级
QB/T2228--1996
附录A
(标准的附录)
扑克牌等级品规定
必须达到国际先进水平,并明确为企业采用国际标准技术数据,由于至今未得到国外先进标准,我们参考了美国骆驼牌扑克牌实测数据来作为A级品标准。A2B级
牌张滑爽,弹性柔韧,油墨鲜艳,手感舒适,达到国际般水平及国内先进水平。A3C级
牌张挺括、平整,墨色均匀,无明显色差,达到国内平均水平。A4D级
牌张之间色差小,油墨色泽基本一致,达到国内普通级水平。240
小提示:此标准内容仅展示完整标准里的部分截取内容,若需要完整标准请到上方自行免费下载完整标准文档。
标准图片预览:





- 其它标准
- 热门标准
- 轻工行业标准(QB)
- QB/T5247-2018 箱包配件塑料插扣耐 用性能试验方法
- QB/T2856-2007 毛革服装
- QB/T2161-1995 儿童推车整车通用技术条件
- QB/T2425-1998 封箱用再湿性牛皮纸胶粘带
- QB/T3520-1999 500kV油纸套管绝缘纸
- QB2584-2003 蒸汽淋浴房
- QB/T1439-2005 帐册
- QB/T1584-2005 日用皮手套
- QB/T1756-1993 造纸机械湍流式中浓度浆泵
- QB/T1782-1993 苯乙醇
- QB/T1835-1993 辊熨平展机
- QB/T1664-1998 纸板戳穿强度测定仪
- QB/T1702.2-1993 括板升运机
- QB/T2501-2000 重力式自动装料衡器
- QB/T3510-1999 Y311条粗条干仪用记录纸
- 行业新闻
请牢记:“bzxz.net”即是“标准下载”四个汉字汉语拼音首字母与国际顶级域名“.net”的组合。 ©2025 标准下载网 www.bzxz.net 本站邮件:bzxznet@163.com
网站备案号:湘ICP备2025141790号-2
网站备案号:湘ICP备2025141790号-2