- 您的位置:
- 标准下载网 >>
- 标准分类 >>
- 机械行业标准(JB) >>
- JB/T 9190-1999 离合器摩擦面片尺寸
标准号:
JB/T 9190-1999
标准名称:
离合器摩擦面片尺寸
标准类别:
机械行业标准(JB)
英文名称:
Clutch friction plate dimensions标准状态:
现行-
发布日期:
1999-06-28 -
实施日期:
2000-01-01 出版语种:
简体中文下载格式:
.rar.pdf下载大小:
64.08 KB
标准ICS号:
机械系统和通用件>>轴和联轴器>>21.120.20联轴器、离合器、磨擦器中标分类号:
机械>>通用零部件>>J19联轴器、制动器与变速器
替代情况:
ZB J19028-1990
部分标准内容:
JB/T 9190-—1999
本标准是对ZBJ19028-90《离合器摩擦面片尺寸》进行的修订。修订时,对原标准作了编辑性修改,主要技术内容没有变化。
本标准自实施之日起,代替2BJ1902890。
本标准由全国金属与非金属覆盖层标准化技术委员会提出并归门。本标准起草单位:武汉材料保护研究所。本标准士要起草人:陈和发、姚华军、张成。152
1范围
中华人民共和国机械行业标准
离合器摩擦面片尺寸
Size of friction face sheets for clutch本标准规定了离合器摩擦面片的尺寸系列,JB/T9190--1999
代替ZBJ19028:90
本标准适用于各种汽车、拖拉机、工程机械和齿轮箱等机械摩擦式离合器面片(以下简称离合器面片)。离合器面片的几何形状系整体圆环形,其他形状的面片不适用此标准。本标准不涉及摩擦面片表面结构型式。
2离合器摩擦面片尺寸系列
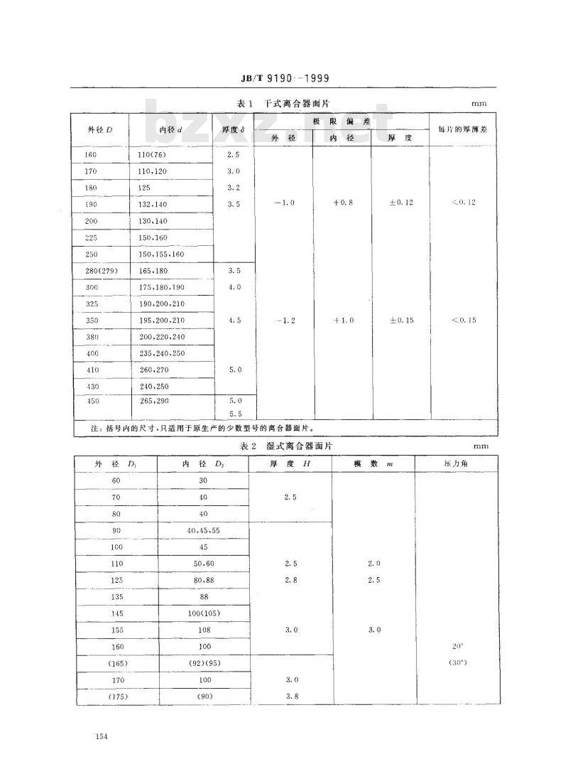
干式离合器面片尺寸系列见图1及表1。湿式离合器村片尺寸系列见图2及表2。湿式离合器面片的齿形为渐开线齿形。图1
干式离合器面片
图2混式离合器面片
国家机械工业局1999-06-28批准2000-01-01实施
外径D
280(279)此内容来自标准下载网
内径d
110(76)
110,120
130,140
150,160
150,155.160
165-180
175.180,190
190.200.210
195,200,210
200,220.240
235.240.250
240,250
265,290
JB/T9190--1999
干式离合器面片
极限偏差
注:括号内的尺寸.只适用于原生产的少数型号的离合器面片。内径
表2湿式离合器面片
内径D2
40,45,55
100(105)
(92)(95)
厚度H
模数m
每片的厚薄差
压力角
(30°)
外径D
(255)
内径Dz
92,100,112
136,140
165,200
235,245.254
298,300
320,340
(325)
JB/T9190—1999
续表2
模数m
压力角
(30°)
外径D
内径D
JB/T9190—1999
续表2
注:括号内的尺寸,只适用于原生产的少数型号的离合器面片。156
压力角
(30°)
小提示:此标准内容仅展示完整标准里的部分截取内容,若需要完整标准请到上方自行免费下载完整标准文档。
本标准是对ZBJ19028-90《离合器摩擦面片尺寸》进行的修订。修订时,对原标准作了编辑性修改,主要技术内容没有变化。
本标准自实施之日起,代替2BJ1902890。
本标准由全国金属与非金属覆盖层标准化技术委员会提出并归门。本标准起草单位:武汉材料保护研究所。本标准士要起草人:陈和发、姚华军、张成。152
1范围
中华人民共和国机械行业标准
离合器摩擦面片尺寸
Size of friction face sheets for clutch本标准规定了离合器摩擦面片的尺寸系列,JB/T9190--1999
代替ZBJ19028:90
本标准适用于各种汽车、拖拉机、工程机械和齿轮箱等机械摩擦式离合器面片(以下简称离合器面片)。离合器面片的几何形状系整体圆环形,其他形状的面片不适用此标准。本标准不涉及摩擦面片表面结构型式。
2离合器摩擦面片尺寸系列
干式离合器面片尺寸系列见图1及表1。湿式离合器村片尺寸系列见图2及表2。湿式离合器面片的齿形为渐开线齿形。图1
干式离合器面片
图2混式离合器面片
国家机械工业局1999-06-28批准2000-01-01实施
外径D
280(279)此内容来自标准下载网
内径d
110(76)
110,120
130,140
150,160
150,155.160
165-180
175.180,190
190.200.210
195,200,210
200,220.240
235.240.250
240,250
265,290
JB/T9190--1999
干式离合器面片
极限偏差
注:括号内的尺寸.只适用于原生产的少数型号的离合器面片。内径
表2湿式离合器面片
内径D2
40,45,55
100(105)
(92)(95)
厚度H
模数m
每片的厚薄差
压力角
(30°)
外径D
(255)
内径Dz
92,100,112
136,140
165,200
235,245.254
298,300
320,340
(325)
JB/T9190—1999
续表2
模数m
压力角
(30°)
外径D
内径D
JB/T9190—1999
续表2
注:括号内的尺寸,只适用于原生产的少数型号的离合器面片。156
压力角
(30°)
小提示:此标准内容仅展示完整标准里的部分截取内容,若需要完整标准请到上方自行免费下载完整标准文档。
标准图片预览:





- 其它标准
- 热门标准
- 机械行业标准(JB)
- JB/T10056-1999 直流电流互感器 技术条件
- JB/T2756-2006 无轨电车用炭滑块
- JB/T8679-2008 炭弧气刨炭棒 物理及使用性能试验方法
- JB/T7895-2008 永磁筒式磁选机
- JB/T8840-2013 电热器具用电源开关
- JB/T11340.3-2012 阀控式铅酸蓄电池安全阀 第3部分:橡胶帽、阀芯
- JB/T9713-1999 工程机械 湿式铜基摩擦件 技术条件
- JB/T6316-2006 Z4系列直流电动机技术条件(机座号100~450)
- JB/T10677-2006 投影机 光源
- JB/T4328.10-1999 电工专用设备 球墨铸铁件通用技术条件
- JB/T9580-2008 炭石墨 产品分类及型号编制方法
- JB∕T12675-2016 拖拉机液压系统清洁度限值及测量方法
- JB/T10930-2010 200级耐电晕漆包铜圆线
- JB/T10573-2006 工具显微镜
- JB3704-1984 特种调压器用碳电阻片柱电气机械性能试验方法
- 行业新闻
请牢记:“bzxz.net”即是“标准下载”四个汉字汉语拼音首字母与国际顶级域名“.net”的组合。 ©2025 标准下载网 www.bzxz.net 本站邮件:bzxznet@163.com
网站备案号:湘ICP备2025141790号-2
网站备案号:湘ICP备2025141790号-2