- 您的位置:
- 标准下载网 >>
- 标准分类 >>
- 国家标准(GB) >>
- GB/T 20170.2-2006 稀土金属及其化合物物理性能测试方法 稀土化合物比表面积的测定
标准号:
GB/T 20170.2-2006
标准名称:
稀土金属及其化合物物理性能测试方法 稀土化合物比表面积的测定
标准类别:
国家标准(GB)
标准状态:
现行-
发布日期:
2006-04-13 -
实施日期:
2006-10-01 出版语种:
简体中文下载格式:
.rar.pdf下载大小:
122.53 KB
标准ICS号:
冶金>>有色金属>>77.120.99其他有色金属及其合金中标分类号:
冶金>>金属化学分析方法>>H14稀有金属及其合金分析方法
出版社:
中国标准出版社书号:
155066.1-27868页数:
平装16开, 页数:8, 字数:10千字标准价格:
10.0 元出版日期:
2006-07-20计划单号:
20030010-T-303

点击下载
标准简介:
标准下载解压密码:www.bzxz.net
本标准规定了稀土化合物的比表面积测定方法。本标准适用于稀土化合物比表面积的测定。测定范围;0.20 --300 。本标准所测表面积为粉末的总表面积,包括氮分子可进入粉末体的任何开孔表面。 GB/T 20170.2-2006 稀土金属及其化合物物理性能测试方法 稀土化合物比表面积的测定 GB/T20170.2-2006

部分标准内容:
ICS 77.120.99
中华人民共和国国家标准
GB/T 20170.2--2006
稀士金属及其化合物物理性能测试方法稀土化合物比表面积的测定
Test method of physical characters of rare earth metals and compounds-Determination on specific surface area of rare earth compounds2006-04-13发布
中华人民共和国国家质量监督检验检疫总局中国国家标准化管理委员会
2006-10-01实施
本标准附录A为资料性附录。
本标推由国家发展和改革委员会稀土办公室提出。本标准由全国稀土标准化技术委员会归口并负责解释。本标准由江阴加华新材料资源有限公司负声起草GB/T 20170.2—2006
本标准由上海跃龙新材料股份有限公司、淄博加华新材料资源有限公司、美国康塔仪器公司参加起草。
本标准主要起草人:谢建伟、张彩英、樊成美。本标准主要验证人:吴克平、刘延漠T
稀主金属及其化合物物理性能测试方法稀主化合物比表面积的测定
本标难规定了稀土化合物的比表面积浏定方祛。GB/T 20170.2—2006
本标准诱用于稀:t:化合物比表丽积的浏定,测定范围:0.20m/g--3Com/g。本标准所测面积为粉束的总表面积,包括氮分子可进人粉末体的任何开孔表菌积。2规范性引用文体
至列文件中的条款通过本标准的引用薇成为本标准的条款。死是独日期的引再文件,其随后所将的修效单(不包括动读的内容)或修订版玛不请用于本标谁,器而,放新根本标推达感协段的各方研究楚秀可使用慰些文件的最新版本。托是不注日期的用文停,其殿新服本适推新本标谁。GH/T35676稀士术语
GE/T 16418颗粒系统术语
3太语、符导
3. 1术语和定义
GB/T 1567台和GB/T 16418 确立的以及下列术谱和定义适两于本标准。3. 1. 3
比表面积(speeific surface area)比表面积有体积比装面积和质盘比表面积两种。体积比表面积是指单位体积题粒群所具有的表面积,质册比素面积是指单忙质读颗粒群所真有的表菌积,后者又真接称为比表葡积。3. 1.2
吸谢质(adsrhate)
被吸附的气体。
吸附(adsmrhen1)
发生吸附的粉末。
平衡吸附压力(eqailibriam adsorption pressure)当吸随达到乎衡时吸附质气体的压力。3. 1. 5
饱和蒸汽压力
(saturatlon vagour pressure)在吸附温皮下,吸附质究金游化时的蒸汽压力,3. 1. 6
格对座力(ralative pressure)平衔吸谢压力与饱御燕汽压力的比值。3. 1. 7
吸附体积(adsorbedvolume)
在平衡吸附压力下,吸附剂吸附的气体体积。1
GB/T 20170.2—2006
3.2符号
本标难中所用符号见表1.
4原理
HET图斜率
BFT图裁距
与吸附热和冷凝热有关的常数
试样质量
阿仰加德罗常数,6.022×10*
平衡吸陆医力
吸附温度,时氮的他和燕气压
和对压力
体积比表面积
质至比表面积
吸附体积(标准状态)
单分子层吸附体积(标准状态)
1ml氯气的体积(标难状态),22414试样材料的有效密度
氧分子横避面积,18, 2×10-2
总表面积
ut/etn
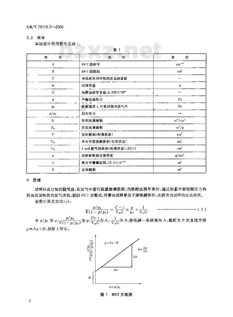
试样经真空加热脱气庐,在氮气中进行低温物理吸附,当吸附达到平衡时,通过测量平衡吸附压力和样品表面吸附的鼠气体积,想据BET方程式,计算出试样单分子悬吸附体积,从而求出试样的比表面积。函数计算式如式(1):
款(p/)
令/为+i-/)
为A,
=A十B,如图 1所示。
+.....( 1 )
为B,便得到一条斜睾为 A,截距为 B的直线方程v.c
y-AI-B
BET方程图
GB/T 20170.2—-2006
在图1中当相对压力(p/p)在0.05~0.35范周内通带是线性的,而两个端点有时会偏离直线,计算时信离的点应舍掉。
通过一系列相对压力(p/po)和吸附体积(V)的测量,由BET图或最小二乘法求出斜率(A)和截距(B)值,由式(2)计算出单分子层吸附体积(V.),根据氮分子横截面积和标准状态下每摩尔氮气的休积数按式((3)计算出总表面积(S),再由式(4)或式(5)计算出粉末的质量比表面积(S.)或体积比表面积(s.).
Va=A+B
-一般情况下C比较大,即截距()根小,则式(1)可简化为式(6)V. = V(I-P/po)
5试剂或辅助材料
5.1液氮:市售,纯度≥99.9%,无色透明(不显蓝色)。5.2氮气纯度≥99.99%,
6仪器、设备
6.1自动比表面分析仪。
6.2分析天平;感量0.0001g:
6.3样品管:专用玻璃管
7试样
将试样于 105亡烘烤 1 h,置于干燥器中,冷却至室温,立即称量。B分析步骤
B.1试料
...(3)
称取已净化干燥过的专用样品普的质量(精确至0.0001g)。用专用漏斗将试样(7)装人样品管中,控制待测试料总表面积在2m以.8. 2测定数量
独立进行两次测定,取其平均值。8.3测定
8.3.1试料的前处理
吸附前应对试料进行脱气处理。将试料在200T真空中加热脱气2h。8.3.2吸附
8.3.2.1称取已脱附完毕并已冷却至室温的样品管与试料的总质量,精确至0.001g。按式(7)计算试料的实际质量(m):=m
式中:下载标准就来标准下载网
样品管与试料的总质量,单位为克(g);样品管质量,单位为克(g)。
·(7)
GB/T20170.2—2006
8.3.2.2将装有试料的样品管(8.3.2.1)转移至分析站上,给杜瓦瓶注人液氮,8.3.2.3按议器操作规程设置以下条件:试料的识别号、试料的质鼠;
平衡压力容差:13.33Pa:
平衡时间容差:120 s;
样品平衡延迟时间:90s;
样品热延迟时间:90 st
仪器参考工作条件见附录A(资料性附录)。8.3.3测试结果的计算与表述
根据BET方程得出被测样品的比表面积,由计算机控制程序直接打印结果。9精密度
9. 1重复性
在重复性条件下获得的两次独立测试结果的测定值,在以下给出的平均值范围内,这两个测试结果的绝对差值不超过重复性限(),超过重复性限(r)的情况不超过5%,重复性限(r)按表2数据采用线性内插法求得。
稀土化合物
比表积值/(m/g)
注:重立性限()为2.8×S,Sr为重复性标准些。9.2允许差
实验究之间分析结果的差值应不火于表3所列允许差。表3
稀上化合物
质量保证与控制
比表面积范围 /(m/g)
0. 20 ~1. 00
>1. 00~10. 0
>10. 0--150
>150~300
查复性限(r) /【m'/g)
相对允许差 / %
每周用自制的控制样品(如有国家级或行业级标样时,应首先使用)校核一次本标准分析方法的有效性。当过程失挖时,应找出原因,约正错误,重新进行校核。附录A
(资料性附录)
器参考工作条件
贝克曼-库尔特比表面积分析仪参考工作条件见表A.1。表A.1
最小相对压力/Pa
6X10-5
分辨率/Pa
动率/W
脱气定时时间/min
脱气温度/℃
GB/T20170.2—2006
吸附质
标正气体
小提示:此标准内容仅展示完整标准里的部分截取内容,若需要完整标准请到上方自行免费下载完整标准文档。
中华人民共和国国家标准
GB/T 20170.2--2006
稀士金属及其化合物物理性能测试方法稀土化合物比表面积的测定
Test method of physical characters of rare earth metals and compounds-Determination on specific surface area of rare earth compounds2006-04-13发布
中华人民共和国国家质量监督检验检疫总局中国国家标准化管理委员会
2006-10-01实施
本标准附录A为资料性附录。
本标推由国家发展和改革委员会稀土办公室提出。本标准由全国稀土标准化技术委员会归口并负责解释。本标准由江阴加华新材料资源有限公司负声起草GB/T 20170.2—2006
本标准由上海跃龙新材料股份有限公司、淄博加华新材料资源有限公司、美国康塔仪器公司参加起草。
本标准主要起草人:谢建伟、张彩英、樊成美。本标准主要验证人:吴克平、刘延漠T
稀主金属及其化合物物理性能测试方法稀主化合物比表面积的测定
本标难规定了稀土化合物的比表面积浏定方祛。GB/T 20170.2—2006
本标准诱用于稀:t:化合物比表丽积的浏定,测定范围:0.20m/g--3Com/g。本标准所测面积为粉束的总表面积,包括氮分子可进人粉末体的任何开孔表菌积。2规范性引用文体
至列文件中的条款通过本标准的引用薇成为本标准的条款。死是独日期的引再文件,其随后所将的修效单(不包括动读的内容)或修订版玛不请用于本标谁,器而,放新根本标推达感协段的各方研究楚秀可使用慰些文件的最新版本。托是不注日期的用文停,其殿新服本适推新本标谁。GH/T35676稀士术语
GE/T 16418颗粒系统术语
3太语、符导
3. 1术语和定义
GB/T 1567台和GB/T 16418 确立的以及下列术谱和定义适两于本标准。3. 1. 3
比表面积(speeific surface area)比表面积有体积比装面积和质盘比表面积两种。体积比表面积是指单位体积题粒群所具有的表面积,质册比素面积是指单忙质读颗粒群所真有的表菌积,后者又真接称为比表葡积。3. 1.2
吸谢质(adsrhate)
被吸附的气体。
吸附(adsmrhen1)
发生吸附的粉末。
平衡吸附压力(eqailibriam adsorption pressure)当吸随达到乎衡时吸附质气体的压力。3. 1. 5
饱和蒸汽压力
(saturatlon vagour pressure)在吸附温皮下,吸附质究金游化时的蒸汽压力,3. 1. 6
格对座力(ralative pressure)平衔吸谢压力与饱御燕汽压力的比值。3. 1. 7
吸附体积(adsorbedvolume)
在平衡吸附压力下,吸附剂吸附的气体体积。1
GB/T 20170.2—2006
3.2符号
本标难中所用符号见表1.
4原理
HET图斜率
BFT图裁距
与吸附热和冷凝热有关的常数
试样质量
阿仰加德罗常数,6.022×10*
平衡吸陆医力
吸附温度,时氮的他和燕气压
和对压力
体积比表面积
质至比表面积
吸附体积(标准状态)
单分子层吸附体积(标准状态)
1ml氯气的体积(标难状态),22414试样材料的有效密度
氧分子横避面积,18, 2×10-2
总表面积
ut/etn
试样经真空加热脱气庐,在氮气中进行低温物理吸附,当吸附达到平衡时,通过测量平衡吸附压力和样品表面吸附的鼠气体积,想据BET方程式,计算出试样单分子悬吸附体积,从而求出试样的比表面积。函数计算式如式(1):
款(p/)
令/为+i-/)
为A,
=A十B,如图 1所示。
+.....( 1 )
为B,便得到一条斜睾为 A,截距为 B的直线方程v.c
y-AI-B
BET方程图
GB/T 20170.2—-2006
在图1中当相对压力(p/p)在0.05~0.35范周内通带是线性的,而两个端点有时会偏离直线,计算时信离的点应舍掉。
通过一系列相对压力(p/po)和吸附体积(V)的测量,由BET图或最小二乘法求出斜率(A)和截距(B)值,由式(2)计算出单分子层吸附体积(V.),根据氮分子横截面积和标准状态下每摩尔氮气的休积数按式((3)计算出总表面积(S),再由式(4)或式(5)计算出粉末的质量比表面积(S.)或体积比表面积(s.).
Va=A+B
-一般情况下C比较大,即截距()根小,则式(1)可简化为式(6)V. = V(I-P/po)
5试剂或辅助材料
5.1液氮:市售,纯度≥99.9%,无色透明(不显蓝色)。5.2氮气纯度≥99.99%,
6仪器、设备
6.1自动比表面分析仪。
6.2分析天平;感量0.0001g:
6.3样品管:专用玻璃管
7试样
将试样于 105亡烘烤 1 h,置于干燥器中,冷却至室温,立即称量。B分析步骤
B.1试料
...(3)
称取已净化干燥过的专用样品普的质量(精确至0.0001g)。用专用漏斗将试样(7)装人样品管中,控制待测试料总表面积在2m以.8. 2测定数量
独立进行两次测定,取其平均值。8.3测定
8.3.1试料的前处理
吸附前应对试料进行脱气处理。将试料在200T真空中加热脱气2h。8.3.2吸附
8.3.2.1称取已脱附完毕并已冷却至室温的样品管与试料的总质量,精确至0.001g。按式(7)计算试料的实际质量(m):=m
式中:下载标准就来标准下载网
样品管与试料的总质量,单位为克(g);样品管质量,单位为克(g)。
·(7)
GB/T20170.2—2006
8.3.2.2将装有试料的样品管(8.3.2.1)转移至分析站上,给杜瓦瓶注人液氮,8.3.2.3按议器操作规程设置以下条件:试料的识别号、试料的质鼠;
平衡压力容差:13.33Pa:
平衡时间容差:120 s;
样品平衡延迟时间:90s;
样品热延迟时间:90 st
仪器参考工作条件见附录A(资料性附录)。8.3.3测试结果的计算与表述
根据BET方程得出被测样品的比表面积,由计算机控制程序直接打印结果。9精密度
9. 1重复性
在重复性条件下获得的两次独立测试结果的测定值,在以下给出的平均值范围内,这两个测试结果的绝对差值不超过重复性限(),超过重复性限(r)的情况不超过5%,重复性限(r)按表2数据采用线性内插法求得。
稀土化合物
比表积值/(m/g)
注:重立性限()为2.8×S,Sr为重复性标准些。9.2允许差
实验究之间分析结果的差值应不火于表3所列允许差。表3
稀上化合物
质量保证与控制
比表面积范围 /(m/g)
0. 20 ~1. 00
>1. 00~10. 0
>10. 0--150
>150~300
查复性限(r) /【m'/g)
相对允许差 / %
每周用自制的控制样品(如有国家级或行业级标样时,应首先使用)校核一次本标准分析方法的有效性。当过程失挖时,应找出原因,约正错误,重新进行校核。附录A
(资料性附录)
器参考工作条件
贝克曼-库尔特比表面积分析仪参考工作条件见表A.1。表A.1
最小相对压力/Pa
6X10-5
分辨率/Pa
动率/W
脱气定时时间/min
脱气温度/℃
GB/T20170.2—2006
吸附质
标正气体
小提示:此标准内容仅展示完整标准里的部分截取内容,若需要完整标准请到上方自行免费下载完整标准文档。

标准图片预览:





- 热门标准
- 国家标准(GB)
- GB/T34077.3-2021 基于云计算的电子政务公共平台管理规范第3部分:运行保障管理
- GB/T10574.1-1989 锡铅焊料化学分析方法 碘酸钾滴定法测定锡量
- GB/T3289.25-1982 可锻铸铁管路连接件型式尺寸 偏心异径外接头
- GB/T3289.26-1982 可锻铸铁管路连接件型式尺寸 内接头
- GB/T21666-2008 尿吸收辅助器具 评价的一般指南
- GB4623-1994 环形预应力混凝土电杆
- GB/T33049-2016 偏光片用光学薄膜 涂层附着力的测定方法
- GB/T11132-2008 液体石油产品烃类的测定 荧光指示剂吸附法
- GB8550.3-1987 白铜化学分析方法 硫酸亚铵滴定法测定锰量
- GB/T14929.2-1994 花生仁、棉籽油、花生油中涕灭威残留量测定方法
- GB/T11982.2-1996 聚氯乙烯卷材地板 第2部分:有基材有背涂层聚氯乙烯卷材地板
- GB/T22807-2008 皮革和毛皮 化学试验 六价铬含量的测定
- GB50508-2010 涤纶工厂设计规范
- GB10133-2014 食品安全国家标准 水产调味品
- GB29987-2014 食品安全国家标准 食品添加剂 胶基及其配料
- 行业新闻
请牢记:“bzxz.net”即是“标准下载”四个汉字汉语拼音首字母与国际顶级域名“.net”的组合。 ©2009 标准下载网 www.bzxz.net 本站邮件:bzxznet@163.com
网站备案号:湘ICP备2023016450号-1
网站备案号:湘ICP备2023016450号-1