- 您的位置:
- 标准下载网 >>
- 标准分类 >>
- 国家标准(GB) >>
- GB/T 14527-1993 复合阻尼隔振器和复合阻尼器
标准号:
GB/T 14527-1993
标准名称:
复合阻尼隔振器和复合阻尼器
标准类别:
国家标准(GB)
英文名称:
Composite damping isolators and composite dampers标准状态:
已作废-
发布日期:
1993-07-21 -
实施日期:
1994-03-01 -
作废日期:
2008-01-01 出版语种:
简体中文下载格式:
.rar.pdf下载大小:
622.73 KB
替代情况:
被GB/T 14527-2007代替采标情况:
MIL-STD-8107,REF
点击下载
标准简介:
标准下载解压密码:www.bzxz.net
本标准规定了无谐振峰非线性复合阻尼隔振器和复合阻尼器的分类、技术要求、试验方法、检验规则以及标志、包装、运输、贮存。本标准适用于电子设备、仪器仪表隔振、防冲击使用的复合阻尼隔振器和复合阻尼器。 GB/T 14527-1993 复合阻尼隔振器和复合阻尼器 GB/T14527-1993
部分标准内容:
UDC 621. 3. 045. 7
中华人民共和国国家标准
GB/T 14527—93
复合阻尼隔振器和复合阻尼器
Compound damping isolator and compound damper1993-07-21发布
1994-03-01实施
国家技术监督局
W.中华人民共和国国家标准
复合阻尼隔振器和复合阻尼器
Compound damping isolator and corapound damper1主题内容与适用范围
GB/T 14527--93
本标雅规定广无谐振峰非线性复合阻尼隔摄器(以下简称为隔振器)和复合阻尼器(以下簡称阻尼器)的分类、技术要求、试验方法,检验规则以及标志、包装,运输、耻存。本标准适用于电子设备、仪器仪表隔振.防冲击使用的复合阻尼厢握器和复台阻尼器。2引用标准
包装储运图示标志
GB 2298机械振动与神击术谱
GB 2423.5
电工电子产品基本环境试验规程试验E*:冲击试验方法电工电子产品转本环境试验规程试验Eb:碰撞试验方法GB 2423.6
GE 2123.10
电工é子产品基本环境试验规程试验Fc:振动(正弦)试验方法逐批检查计数独样程序及抽样表(适用于连续批的检查)GB 2828
G[B150.3军用设备环境试验方法高溢试验GJB150.4军用设备环境试验方法低温试验军用设备环境试验方法盐雾试验GJB150.11
GJB150.16军用设备环境试验方法振动试验军用设备环境试验方法
GJB150.18
3术语
神击试验
本标推除采用 GB 2298 术语外,还规定下列术语。3.1无谐振峰resonane
tee peak-free
无请振峰是指配有预定非线性阻能的隔器与测性负载组成的弹性系统,在规定的振动量级下系统振动传逆率不大于1.5的现象。3.2开锁频率 frequeney only just out of lock-in无谐振峰隔振系统在-定的振动激励量级下锁紧的性状态转变成弹性状态的巅率。3.3振动传递率vibrationtransmissivilv在止张扫描振动时,某一频率下隔振系统的输出试(力、位移,速度、或加速度)与同量纲的输入母之比值。对于非线生隔振系统还必注明振动输人的量级。3.4冲击传递率shocktransmissivity輪人一个符合规定波形穿差的冲击脉冲,隔振系统冲击响应的蜂值加速度与输入冲击脉冲峰值加速度的比值。
国象技术监督局1993-07-21批准1994-03-01实施
W.4产品分类
4.1类型
按使用环境分为:
K类—用T机载环境
J类—用丁舰船环境
C类——用于车环境
4.2基本参数
GB/T 14527—93
隔器和阻尼器的基本参数和主要尺寸如表1所示。4.3产品标记
4.3.1塑号的组成
隔振器和阻尼器的型号出四部分组成:口
4.3.2标记示例
公称载衡.N
一使用环境类别
性能特性
产品总称代号
公称载荷为500N的车用复合阻尼隔振器标记为:隔报器GFC-500GB/T14527—93
可为K,J.C
F表示复合阻尼
G表示匾振
7.表示阳尼器
与公称载荷为500N的隔振器配合使用的舰船用复合随尼器标记为:阻尼器ZFJ500GB/T14527—93
W.GB/T14527 --93
稳向最大变形
勒向乘大变形
诺振频率
QGE--Q22
o11--52
输向载荷范围N
轴向公称载撒
W.5接术要求
5.1静态载荷变形
GB/T 14527—93
隔娠器在垂直方向承受公称静义后的高度H,应符合表1的规定,隔振器和阻尼器在径向均不应承受静载荷。
5.2隔振性能
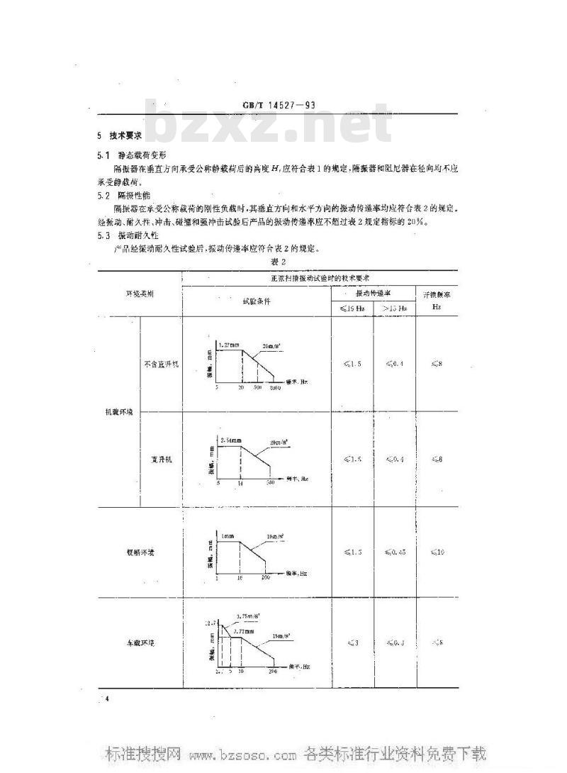
隔振器在序受公称载荷的刚性负载时,其垂直方向和水平方向的报动传递率均应符台表2的规定。经振动、耐久性,冲击、碰谨和强种击试验后产品的据动传递率应不超过表2 规定指标的 20%。5.3报动耐大
产品经摄动耐久性试验后,振动传递率应符合表2的规定。表2
正孩扭描报动试照时的技术要求环境类别
不含开机
机教环境
真开机
裁解不境
车载环境
战验条件
项率.H2
中、H
率,Hz
振动传递率
开锁燃率
W.bzsoso:com5.4抗神击,碰撞性能
GB/T 14527-93
产品在承受公称教的刚性负载时,其冲击传递率应符合表3的规,表3
速度变化些
5.5抗强冲击性能
半正弦冲击脉冲移数
峰值相速度
脉冲待续时间
冲击传逆率bzxZ.net
5.5.1规解用产品应按GJB150.18的规定,左轻型冲击试验桃或中型冲击试验机上进行强冲击试验考核,系统的输出与输入加速度峰值之比应不于0.055.5.2在经过强冲击试验后,产品的金属作充许有少量变形,但不应交付使用。5.6坏境温度要求
5. 6. 1 产品在~10~~+50 ℃温度范围内应能正常工作。5. 6. 2 产品经一50~+70 C的短时储存考核后性能应无明显变化。5.7谢盐雾性能
舰船用的产品应具有耐盐雾性能,经盐窘试验后产品的金属件不应有明显锈蚀,橡胶与金属粘接面不应有剩离。
5.8赋油性
用于经带与油接触的产品应采用耐油的橡胶件。5.9外观质凰
5. 9. 1 产品橡胶件表面应光滑,龙随块、<边、裂纹、气泡及其他缺陷但允许有深度不大于 0.5 Itu 的扇部粗糙纹或模压痕。
5.9.2产品金属件表面应光滑,无裂痕、腐蚀和其他机被损伤,并有防腐蚀涂双层。5.10设计和制造要求
5.10.1产品在受到强冲击时应其有防止设备与基座脱开的保护功能。5.10.2品的橡脏与金属粘接强度应不低2.5MPa。:11:求
隔振器和阻尼器在设备土的安装部位成是光滑乎面,以安装孔为中心其面积不小F×L(见表1)。
W.6试验方法
6.1试验设备与条件
GB/T 14527---93
6.1.1试验设备应经计望部门检验合格并在有效期内。6.1.2隔振器的动态性能(即隔振、防冲击性能)均应以公称载荷(容差士5%)的刚性模拟负载进行试验,
6.1.3产品的标准试验温度为20土5℃,相对湿度和大气压力不作具体规定。6.2静态载葆变形试验
6.2.1试验时从零载荷到上限载荷预加载二次,每次在上限载荷和零载荷至少保持30%。6.2.2以每分钟变形不超过4mm的加载速度按表1规定的载荷范围加载到隔振器的下限载荷、公称载荷和上限载荷,在每一载荷至少保持30s,分别记录各载荷下隔操器的变形量。6.3隔振性能和耐久性试验
6.3.1振动试验台的待性应符合GB2423.10的有关规定。6.3.2通常果用四只隔振器绕刚性质量块的重心均勾布骨的方式进行振动试验。若试验条件不具备,也可采用单只隔振器安装在刚性质量快重心位置进行试验。在水平方向试验时应尽量降低重心高度来避免质量块的摇昂。
6.3.3隔振性能试验按表2规定的试验条件,采用正弦扫描振动试验方法,记录振动传递率。6.3.4耐久试验采用正弦扫指动试验方法,试验条件应符合表2的规定,担描速率为每分钟个假频提,试验时问为2 h
6.3.5试验应分别沿乘直方向和水平面为任意一个方间进行。6.4冲击,碰撞试验
6.4.1除本标准或供需双方另行规定外,冲击、碰摘试验方法应按GB2423.5、GB2423.6的规定进行。
6.4.2测量系统的频率特性应满足图1及表4的要求,图1中的f、f.、f、f按表4选择。测鼠系统在试验前应进行系统校搬,检测点应尽可能靠近冲击机台面中心和刚性载荷的重心,6.4.3试验的产严酷度应根据使用环境从表3中选取。Od
图 1 冲击脉冲测基系统额率特非6
W.脉冲持续时间
18和30
GB/T 1452793
低频截止频率
高频截止额率
响应超过+1R时的题率
6.4. 4在使用和运输过程中承受多次重复作机械碰撞的设备,应进行碰撞试验,试验的严醋度根据使用环境从表3中选取,碰撞的重复频率为每分钟40士5饮,总的碰撞次数为3000上10次。6.5强冲击试验
6.5.1强冲击试验方法按GJB 150.18的规定进行。6.5. 2测量系统应参照 6.4,2 条的规定进行选择、校准、安装。表4中的,/.、J、,分别规定为1 Hz、1 Hz,3 klz,6 kHz。
6.6环境温度试验
试验方法按GJB 150.3和GJB150.'4的规定进行。6.7盐雾试验
试验方法按 GJB 150. 11 的规定进行,试验时问为 48 h。6.8外观质凰检查
产品的外观质量用目测法检查。7检验规则
检验分为出厂检验和型式检验。7.1出广检验
产品应由制造广检验部门对外观全部检查并按抽样规则进行检验合格后方准围厂。7.2型式检验
7.2. 1 有下列情况之一时,一般应进行型式检验a.
新产品或老产品转厂生产的试制定型鉴定:正式生产后,如结构、材料、工艺有较大改变,可能影响产品性能时,正常生产时,定期或积累一定产量后,应周期性进行一饮检验产品长期停产后+恢复生产时!
出厂检验结果与上次型式检验有较大差异时;国家质量监督机构提出进行型式检验的要求时。7.2.2同一型号的产品提交型式检验的样品数为6个.征选其44个试验,7.2.3型式检验应在得到国家计量认证的单位进行并出诚验报告。7.3抵验规则
每个检查批是由同-型号且生产条件和生产时间基本相同的产品组成,每批数量不多于15007. 3. 1
W.GB/T 14527—93
7.3.2规定合格质量水平 AQL=2. 5,-搬检查水平11.=1,按(B 2828进行抽样检查和合格或不台格判断。
7.4出厂检验和型式检验的项目应符合表5的规定。表
检验项目
外观检查
静态载俄变形
隔振性能
振动耐久性
抗冲击性能
抗磁撞性能
抗强冲击性能
环境温度试验
盐募试验
注“\表示必嫩项目
技术要求
检验方法
②抽验表示从有回样橡胶金属件外壳的不同型号隔据器中抽被一组。8标志、包、运輪、贮存
检验分类
型式检验
出厂检验
8.1每个隔振器均应有生产单位、产品名称、型号、生产序号(对应于生产年月)的标志和经检查合格的标志。
8. 2 隔振器应用纸箱或本箱包装并有随锈蚀、防止相互碰撞措施,包装箱上有符合 GB 191 规定的收发货标志、包装储运图示标志。8.3包装好的隔报器可用常规运愉方运输,但须防潮、防晒或强烈的挤压、碰撞。8. 4随摄器应贮存在温度为 0~40 Y,相对湿度不大于 80%的环境中。隔振器应避免阳光直接照射,距离热源 1 m 以上,并防止与酸、碱、油类及其他有害物质接触。85搬器的有效期为五年,有效期从出厂日期起算。开振器的使用期从加载荷之口起算.并应包含在有效期中。
附加说明:
本标准由中国船舶工业总公司提出。本标准由!国船舶工业总公可六三研究所归日。本标准由上海交通大学负责起草,中国船舶工业总公司六)三研究所参加起草。本标准主要起草人勾厚输、刘运安。W.
小提示:此标准内容仅展示完整标准里的部分截取内容,若需要完整标准请到上方自行免费下载完整标准文档。
中华人民共和国国家标准
GB/T 14527—93
复合阻尼隔振器和复合阻尼器
Compound damping isolator and compound damper1993-07-21发布
1994-03-01实施
国家技术监督局
W.中华人民共和国国家标准
复合阻尼隔振器和复合阻尼器
Compound damping isolator and corapound damper1主题内容与适用范围
GB/T 14527--93
本标雅规定广无谐振峰非线性复合阻尼隔摄器(以下简称为隔振器)和复合阻尼器(以下簡称阻尼器)的分类、技术要求、试验方法,检验规则以及标志、包装,运输、耻存。本标准适用于电子设备、仪器仪表隔振.防冲击使用的复合阻尼厢握器和复台阻尼器。2引用标准
包装储运图示标志
GB 2298机械振动与神击术谱
GB 2423.5
电工电子产品基本环境试验规程试验E*:冲击试验方法电工电子产品转本环境试验规程试验Eb:碰撞试验方法GB 2423.6
GE 2123.10
电工é子产品基本环境试验规程试验Fc:振动(正弦)试验方法逐批检查计数独样程序及抽样表(适用于连续批的检查)GB 2828
G[B150.3军用设备环境试验方法高溢试验GJB150.4军用设备环境试验方法低温试验军用设备环境试验方法盐雾试验GJB150.11
GJB150.16军用设备环境试验方法振动试验军用设备环境试验方法
GJB150.18
3术语
神击试验
本标推除采用 GB 2298 术语外,还规定下列术语。3.1无谐振峰resonane
tee peak-free
无请振峰是指配有预定非线性阻能的隔器与测性负载组成的弹性系统,在规定的振动量级下系统振动传逆率不大于1.5的现象。3.2开锁频率 frequeney only just out of lock-in无谐振峰隔振系统在-定的振动激励量级下锁紧的性状态转变成弹性状态的巅率。3.3振动传递率vibrationtransmissivilv在止张扫描振动时,某一频率下隔振系统的输出试(力、位移,速度、或加速度)与同量纲的输入母之比值。对于非线生隔振系统还必注明振动输人的量级。3.4冲击传递率shocktransmissivity輪人一个符合规定波形穿差的冲击脉冲,隔振系统冲击响应的蜂值加速度与输入冲击脉冲峰值加速度的比值。
国象技术监督局1993-07-21批准1994-03-01实施
W.4产品分类
4.1类型
按使用环境分为:
K类—用T机载环境
J类—用丁舰船环境
C类——用于车环境
4.2基本参数
GB/T 14527—93
隔器和阻尼器的基本参数和主要尺寸如表1所示。4.3产品标记
4.3.1塑号的组成
隔振器和阻尼器的型号出四部分组成:口
4.3.2标记示例
公称载衡.N
一使用环境类别
性能特性
产品总称代号
公称载荷为500N的车用复合阻尼隔振器标记为:隔报器GFC-500GB/T14527—93
可为K,J.C
F表示复合阻尼
G表示匾振
7.表示阳尼器
与公称载荷为500N的隔振器配合使用的舰船用复合随尼器标记为:阻尼器ZFJ500GB/T14527—93
W.GB/T14527 --93
稳向最大变形
勒向乘大变形
诺振频率
QGE--Q22
o11--52
输向载荷范围N
轴向公称载撒
W.5接术要求
5.1静态载荷变形
GB/T 14527—93
隔娠器在垂直方向承受公称静义后的高度H,应符合表1的规定,隔振器和阻尼器在径向均不应承受静载荷。
5.2隔振性能
隔振器在序受公称载荷的刚性负载时,其垂直方向和水平方向的报动传递率均应符台表2的规定。经振动、耐久性,冲击、碰谨和强种击试验后产品的据动传递率应不超过表2 规定指标的 20%。5.3报动耐大
产品经摄动耐久性试验后,振动传递率应符合表2的规定。表2
正孩扭描报动试照时的技术要求环境类别
不含开机
机教环境
真开机
裁解不境
车载环境
战验条件
项率.H2
中、H
率,Hz
振动传递率
开锁燃率
W.bzsoso:com5.4抗神击,碰撞性能
GB/T 14527-93
产品在承受公称教的刚性负载时,其冲击传递率应符合表3的规,表3
速度变化些
5.5抗强冲击性能
半正弦冲击脉冲移数
峰值相速度
脉冲待续时间
冲击传逆率bzxZ.net
5.5.1规解用产品应按GJB150.18的规定,左轻型冲击试验桃或中型冲击试验机上进行强冲击试验考核,系统的输出与输入加速度峰值之比应不于0.055.5.2在经过强冲击试验后,产品的金属作充许有少量变形,但不应交付使用。5.6坏境温度要求
5. 6. 1 产品在~10~~+50 ℃温度范围内应能正常工作。5. 6. 2 产品经一50~+70 C的短时储存考核后性能应无明显变化。5.7谢盐雾性能
舰船用的产品应具有耐盐雾性能,经盐窘试验后产品的金属件不应有明显锈蚀,橡胶与金属粘接面不应有剩离。
5.8赋油性
用于经带与油接触的产品应采用耐油的橡胶件。5.9外观质凰
5. 9. 1 产品橡胶件表面应光滑,龙随块、<边、裂纹、气泡及其他缺陷但允许有深度不大于 0.5 Itu 的扇部粗糙纹或模压痕。
5.9.2产品金属件表面应光滑,无裂痕、腐蚀和其他机被损伤,并有防腐蚀涂双层。5.10设计和制造要求
5.10.1产品在受到强冲击时应其有防止设备与基座脱开的保护功能。5.10.2品的橡脏与金属粘接强度应不低2.5MPa。:11:求
隔振器和阻尼器在设备土的安装部位成是光滑乎面,以安装孔为中心其面积不小F×L(见表1)。
W.6试验方法
6.1试验设备与条件
GB/T 14527---93
6.1.1试验设备应经计望部门检验合格并在有效期内。6.1.2隔振器的动态性能(即隔振、防冲击性能)均应以公称载荷(容差士5%)的刚性模拟负载进行试验,
6.1.3产品的标准试验温度为20土5℃,相对湿度和大气压力不作具体规定。6.2静态载葆变形试验
6.2.1试验时从零载荷到上限载荷预加载二次,每次在上限载荷和零载荷至少保持30%。6.2.2以每分钟变形不超过4mm的加载速度按表1规定的载荷范围加载到隔振器的下限载荷、公称载荷和上限载荷,在每一载荷至少保持30s,分别记录各载荷下隔操器的变形量。6.3隔振性能和耐久性试验
6.3.1振动试验台的待性应符合GB2423.10的有关规定。6.3.2通常果用四只隔振器绕刚性质量块的重心均勾布骨的方式进行振动试验。若试验条件不具备,也可采用单只隔振器安装在刚性质量快重心位置进行试验。在水平方向试验时应尽量降低重心高度来避免质量块的摇昂。
6.3.3隔振性能试验按表2规定的试验条件,采用正弦扫描振动试验方法,记录振动传递率。6.3.4耐久试验采用正弦扫指动试验方法,试验条件应符合表2的规定,担描速率为每分钟个假频提,试验时问为2 h
6.3.5试验应分别沿乘直方向和水平面为任意一个方间进行。6.4冲击,碰撞试验
6.4.1除本标准或供需双方另行规定外,冲击、碰摘试验方法应按GB2423.5、GB2423.6的规定进行。
6.4.2测量系统的频率特性应满足图1及表4的要求,图1中的f、f.、f、f按表4选择。测鼠系统在试验前应进行系统校搬,检测点应尽可能靠近冲击机台面中心和刚性载荷的重心,6.4.3试验的产严酷度应根据使用环境从表3中选取。Od
图 1 冲击脉冲测基系统额率特非6
W.脉冲持续时间
18和30
GB/T 1452793
低频截止频率
高频截止额率
响应超过+1R时的题率
6.4. 4在使用和运输过程中承受多次重复作机械碰撞的设备,应进行碰撞试验,试验的严醋度根据使用环境从表3中选取,碰撞的重复频率为每分钟40士5饮,总的碰撞次数为3000上10次。6.5强冲击试验
6.5.1强冲击试验方法按GJB 150.18的规定进行。6.5. 2测量系统应参照 6.4,2 条的规定进行选择、校准、安装。表4中的,/.、J、,分别规定为1 Hz、1 Hz,3 klz,6 kHz。
6.6环境温度试验
试验方法按GJB 150.3和GJB150.'4的规定进行。6.7盐雾试验
试验方法按 GJB 150. 11 的规定进行,试验时问为 48 h。6.8外观质凰检查
产品的外观质量用目测法检查。7检验规则
检验分为出厂检验和型式检验。7.1出广检验
产品应由制造广检验部门对外观全部检查并按抽样规则进行检验合格后方准围厂。7.2型式检验
7.2. 1 有下列情况之一时,一般应进行型式检验a.
新产品或老产品转厂生产的试制定型鉴定:正式生产后,如结构、材料、工艺有较大改变,可能影响产品性能时,正常生产时,定期或积累一定产量后,应周期性进行一饮检验产品长期停产后+恢复生产时!
出厂检验结果与上次型式检验有较大差异时;国家质量监督机构提出进行型式检验的要求时。7.2.2同一型号的产品提交型式检验的样品数为6个.征选其44个试验,7.2.3型式检验应在得到国家计量认证的单位进行并出诚验报告。7.3抵验规则
每个检查批是由同-型号且生产条件和生产时间基本相同的产品组成,每批数量不多于15007. 3. 1
W.GB/T 14527—93
7.3.2规定合格质量水平 AQL=2. 5,-搬检查水平11.=1,按(B 2828进行抽样检查和合格或不台格判断。
7.4出厂检验和型式检验的项目应符合表5的规定。表
检验项目
外观检查
静态载俄变形
隔振性能
振动耐久性
抗冲击性能
抗磁撞性能
抗强冲击性能
环境温度试验
盐募试验
注“\表示必嫩项目
技术要求
检验方法
②抽验表示从有回样橡胶金属件外壳的不同型号隔据器中抽被一组。8标志、包、运輪、贮存
检验分类
型式检验
出厂检验
8.1每个隔振器均应有生产单位、产品名称、型号、生产序号(对应于生产年月)的标志和经检查合格的标志。
8. 2 隔振器应用纸箱或本箱包装并有随锈蚀、防止相互碰撞措施,包装箱上有符合 GB 191 规定的收发货标志、包装储运图示标志。8.3包装好的隔报器可用常规运愉方运输,但须防潮、防晒或强烈的挤压、碰撞。8. 4随摄器应贮存在温度为 0~40 Y,相对湿度不大于 80%的环境中。隔振器应避免阳光直接照射,距离热源 1 m 以上,并防止与酸、碱、油类及其他有害物质接触。85搬器的有效期为五年,有效期从出厂日期起算。开振器的使用期从加载荷之口起算.并应包含在有效期中。
附加说明:
本标准由中国船舶工业总公司提出。本标准由!国船舶工业总公可六三研究所归日。本标准由上海交通大学负责起草,中国船舶工业总公司六)三研究所参加起草。本标准主要起草人勾厚输、刘运安。W.
小提示:此标准内容仅展示完整标准里的部分截取内容,若需要完整标准请到上方自行免费下载完整标准文档。
标准图片预览:





- 其它标准
- 热门标准
- 国家标准(GB)
- GB∕T38992-2020 军民通用资源 语义关系分类与表示
- GB/T32383-2020 城市轨道交通直线电机车辆通用技术条件
- GB/T22264.5-2022 安装式数字显示电测量仪表 第5部分:相位表和功率因数表的特殊要求
- GB/T42459-2023 信息技术 系统间远程通信和信息交换 局域网和城域网 特定要求 站点和媒体访问控制连通性发现
- GBZ/T240.20-2011 化学品毒理学评价程序和试验方法 第20部分:亚慢性吸入毒性试验
- GB16487.9-2017 进口可用作原料的固体废物环境保护控制标准—废电线电缆
- GB/T16606.3-2009 快递封装用品 第3部分:包装袋
- GB∕T29428.2-2014 地震灾害紧急救援队伍救援行动 第2部分:程序和方法
- GB∕T38117-2019 电动汽车产品使用说明 应急救援
- GB/T5694-1985 CAMAC系统中的块传送
- GB/T24496-2009 钢筋混凝土大板间有连接筋并用混凝土浇灌的键槽式竖向接缝 实验室力学试验 平面内切向荷载的影响
- GB9706.29-2006 医用电气设备 第2部分:麻醉系统的安全与基本性能专用要求
- GB/T43266-2023 永磁体磁偏角的测量方法
- GB/T14506.25-1993 硅酸盐岩石化学分析方法 硫酸-苯羟乙酸-辛可宁-氯酸钾底液极谱法连续测定钼量和钨量
- GB/T13536-2018 飞机地面供电连接器
- 行业新闻
请牢记:“bzxz.net”即是“标准下载”四个汉字汉语拼音首字母与国际顶级域名“.net”的组合。 ©2025 标准下载网 www.bzxz.net 本站邮件:bzxznet@163.com
网站备案号:湘ICP备2025141790号-2
网站备案号:湘ICP备2025141790号-2