- 您的位置:
- 标准下载网 >>
- 标准分类 >>
- 国家标准(GB) >>
- GB/T 14364-1993 船舶轴系滑动式中间轴承
- 标准号: - GB/T 14364-1993
- 标准名称: - 船舶轴系滑动式中间轴承
- 标准类别: - 国家标准(GB)
- 英文名称: Sliding intermediate bearings for ship shafting
- 标准状态: 已作废
- 
          	发布日期: 1993-04-17
- 
		 实施日期: 1993-12-01
- 
          	作废日期: 2009-02-01
- 出版语种: 简体中文
- 下载格式: .rar.pdf
- 下载大小: 482.47 KB
 标准简介/下载
标准简介/下载点击下载
标准简介:
										 标准下载解压密码:www.bzxz.net
					 					 
						 
	        
	      本标准规定了滑动式中间轴承的分类、技术要求、检验规则等。本标准适用于其线速度为1.5~8m/s,单位压力为0.6MPa船舶轴系滑动式中间轴承。 GB/T 14364-1993 船舶轴系滑动式中间轴承 GB/T14364-1993
 标准内容
标准内容部分标准内容:
					
					UDC 629. 12. 014
中华人民共和国国家标准
GB/T 14364..-.93
船舶轴系滑动式中间轴承
Marine intermediate shafting sliding bearing1993-04-17发布
国家技术监督局
1993-12-01实施
W.中华人民共和国国家标准
船舶轴系滑动式中间轴承
Marine intermediute shaftiag sliding bearing1主题内容与适用范围
本标准规定了滑动式中谢轴承的分类、技术要求、检验规测等。GB/T 14364—93
本标准适用于其线速度为 1. 5~8 m/s,单立压,力为 0. 6 MPa 船舶轴系滑动式中间轴承。2轴承分类
2.1轴承型式分炎接表1。
单油澳谢动式中间轴承(附上瓦)多油樊评法式中问轴承
第泌肾动式中间输承(附1瓦)
2.2A型轴承的缩构利尺寸按图1及表2。比
1电油盐2注油;3.-轴瓦+4—-控神5观察板;6轴承;了-滴尺13-承座:媒塞;下轴死;11封头(附锌块)国家技术监督局1993-04-17批准颈
80~220
250--80
250801)
下冷印表我:
1993-12-01实施
W.d
型新结概目
GB/T14.364 --93bzxZ.net
(—恐油蓝2—注泄3--观察益,--轴承羞+5-吊环,6-独尺:7 -轴密t8-下独瓦;0 -螺塞;10一封实(附终块
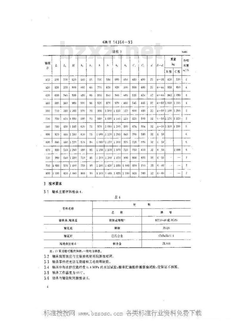
2.4C型轴张的结和尺小,按图3及表3.南
酸却水压
备用测拍
股车水
W.2.5标记示例
GB/T 14364--93
1也油盘;2注油斗:3.-观案盖:4一轴承盖;5一上轴瓦+6·吊:7—浙尺;8—下辅瓦:9—轴承座1L--螺离:11--封头(甜锌块)
轴颈450mmc型多油楔滑动式中间轴承(附土瓦)中间轴承 C450 GB/T14364
610 320
—-32
W.轴
3技术要求
3. 1轴减主要材料按表 4、
零件名称
轴承座、轴承袭
轴瓦底
轴死盐
用油盘注雄斗
GB/T14364—93
续表8
铁或纲
巴民金
铝合金
注:1)军可提供解,一均为铁。3.2轴承润滑油应与主柴油机使用润泽油相同,3.3轴承零件应光潜充裂缝和无毛刺等缺瀚。485
HT20-40或20
ChSnSbll
3.4轴派冷却水腔应能经受0.4MPa的水压试验,轴承贮油腔作灌煤油试验,应保证不损漏。3.5谢承工作温度为65,
3.6轴承与轴装配间隙按表5
W.轴须克径
120~140
:80-201
320-~250
280~320
4检验规则
GH/ 14364--93
装配间頭
0.13~-0.18
0. 15-~0. 21
0. 20--0. 26
0.23~~0.30
0. 27 ~~ 0. 35
0. 36 ~~1. 44
轴强径
350~400
420480
500~600
6301710
750~800
4. 1轴承由制造技术检验部门负贵验收,并比具合路证书。4.2验收时并检查材料证时书、水压试验及灌煤油试验证明书。5标志、包装、运输、贮存
5-1轴承外部未加工表面应修刷整洁,涂底漆及灰色磁漆。5.2每个轴承部应具有铜质铭牌块,刻有:制避广名;
b、类型、规格;
c,制造年、月;
实际质量。
5.3轴承按上厂规定封存,封存的有效期应不大下12个月。5.4轴承的两端口应用本板或阐料盗封住,外虑体的包装应能保证运输不受损伤附加说明:
本标准出中国船航工业总公司提。本称准由上游船铂设计研究院明。本标准由中国船及游学工程设计研究院起萨。术标准主要起草人胡正数、郑源方。自本标准实随之日起原专业标准CB°3054--79作废裂配间
0. 12 ~13, 52
G. 54~ 0. 64
G. 65 ~0.75
0. 15 ~ 0. 85
0. 83 ~. 96
W.
小提示:此标准内容仅展示完整标准里的部分截取内容,若需要完整标准请到上方自行免费下载完整标准文档。
	 
	        
	      中华人民共和国国家标准
GB/T 14364..-.93
船舶轴系滑动式中间轴承
Marine intermediate shafting sliding bearing1993-04-17发布
国家技术监督局
1993-12-01实施
W.中华人民共和国国家标准
船舶轴系滑动式中间轴承
Marine intermediute shaftiag sliding bearing1主题内容与适用范围
本标准规定了滑动式中谢轴承的分类、技术要求、检验规测等。GB/T 14364—93
本标准适用于其线速度为 1. 5~8 m/s,单立压,力为 0. 6 MPa 船舶轴系滑动式中间轴承。2轴承分类
2.1轴承型式分炎接表1。
单油澳谢动式中间轴承(附上瓦)多油樊评法式中问轴承
第泌肾动式中间输承(附1瓦)
2.2A型轴承的缩构利尺寸按图1及表2。比
1电油盐2注油;3.-轴瓦+4—-控神5观察板;6轴承;了-滴尺13-承座:媒塞;下轴死;11封头(附锌块)国家技术监督局1993-04-17批准颈
80~220
250--80
250801)
下冷印表我:
1993-12-01实施
W.d
型新结概目
GB/T14.364 --93bzxZ.net
(—恐油蓝2—注泄3--观察益,--轴承羞+5-吊环,6-独尺:7 -轴密t8-下独瓦;0 -螺塞;10一封实(附终块
2.4C型轴张的结和尺小,按图3及表3.南
酸却水压
备用测拍
股车水
W.2.5标记示例
GB/T 14364--93
1也油盘;2注油斗:3.-观案盖:4一轴承盖;5一上轴瓦+6·吊:7—浙尺;8—下辅瓦:9—轴承座1L--螺离:11--封头(甜锌块)
轴颈450mmc型多油楔滑动式中间轴承(附土瓦)中间轴承 C450 GB/T14364
610 320
—-32
W.轴
3技术要求
3. 1轴减主要材料按表 4、
零件名称
轴承座、轴承袭
轴瓦底
轴死盐
用油盘注雄斗
GB/T14364—93
续表8
铁或纲
巴民金
铝合金
注:1)军可提供解,一均为铁。3.2轴承润滑油应与主柴油机使用润泽油相同,3.3轴承零件应光潜充裂缝和无毛刺等缺瀚。485
HT20-40或20
ChSnSbll
3.4轴派冷却水腔应能经受0.4MPa的水压试验,轴承贮油腔作灌煤油试验,应保证不损漏。3.5谢承工作温度为65,
3.6轴承与轴装配间隙按表5
W.轴须克径
120~140
:80-201
320-~250
280~320
4检验规则
GH/ 14364--93
装配间頭
0.13~-0.18
0. 15-~0. 21
0. 20--0. 26
0.23~~0.30
0. 27 ~~ 0. 35
0. 36 ~~1. 44
轴强径
350~400
420480
500~600
6301710
750~800
4. 1轴承由制造技术检验部门负贵验收,并比具合路证书。4.2验收时并检查材料证时书、水压试验及灌煤油试验证明书。5标志、包装、运输、贮存
5-1轴承外部未加工表面应修刷整洁,涂底漆及灰色磁漆。5.2每个轴承部应具有铜质铭牌块,刻有:制避广名;
b、类型、规格;
c,制造年、月;
实际质量。
5.3轴承按上厂规定封存,封存的有效期应不大下12个月。5.4轴承的两端口应用本板或阐料盗封住,外虑体的包装应能保证运输不受损伤附加说明:
本标准出中国船航工业总公司提。本称准由上游船铂设计研究院明。本标准由中国船及游学工程设计研究院起萨。术标准主要起草人胡正数、郑源方。自本标准实随之日起原专业标准CB°3054--79作废裂配间
0. 12 ~13, 52
G. 54~ 0. 64
G. 65 ~0.75
0. 15 ~ 0. 85
0. 83 ~. 96
W.
小提示:此标准内容仅展示完整标准里的部分截取内容,若需要完整标准请到上方自行免费下载完整标准文档。
 标准图片预览
标准图片预览 标准图片预览:





- 其它标准
- 热门标准
- 国家标准(GB)
- GB/T21666-2008 尿吸收辅助器具 评价的一般指南
- GB/T2828.1-2012 计数抽样检验程序 第1部分:按接收质量限(AQL)检索的逐批检验抽样计划
- GB/T32999-2016 表面化学分析 深度剖析 用机械轮廓仪栅网复型法测量溅射速率
- GB/T39454-2020 国际贸易业务数据规范货物跟踪与追溯
- GB/T13589-2007 锌及锌合金废料
- GB28355-2012 食品添加剂 水杨酸甲酯(柳酸甲酯)
- GB/T38948-2020 沥青混合料低温抗裂性能评价方法
- GB/T38604.4-2020 公共信息导向系统 评价要求 第4部分:公共汽电车车站
- GB/T13070-1991 铀矿石中铀的测定 电位滴定法
- GB14880-2012 食品营养强化剂使用标准
- GB/T43912-2024 铸造机械 再制造 通用技术规范
- GB/T9003-1988 调音台基本特性测量方法
- GB5585.3-1985 电工用铜、铝及其合金母线 第3部分:铝母线
- GB/T19561-2004 寒地节能日光温室建造规程
- GB/T7574-1987 信息处理交换用磁带标号和文卷结构
- 行业新闻
请牢记:“bzxz.net”即是“标准下载”四个汉字汉语拼音首字母与国际顶级域名“.net”的组合。 ©2025 标准下载网 www.bzxz.net 本站邮件:bzxznet@163.com
网站备案号:湘ICP备2025141790号-2
网站备案号:湘ICP备2025141790号-2
