- 您的位置:
- 标准下载网 >>
- 标准分类 >>
- 水产行业标准(SC) >>
- SC/T 8020-1994 渔船吊杆千斤索拉环
标准号:
SC/T 8020-1994
标准名称:
渔船吊杆千斤索拉环
标准类别:
水产行业标准(SC)
标准状态:
现行-
发布日期:
1994-10-01 -
实施日期:
1996-10-01 出版语种:
简体中文下载格式:
.rar.pdf下载大小:
46.39 KB
替代情况:
SC 20-79
起草人:
郭英善起草单位:
青岛海洋渔业公司渔轮修造厂提出单位:
全国渔船标准化技术委员会发布部门:
中华人民共和国农业部相关标签:
渔船
点击下载
标准简介:
标准下载解压密码:www.bzxz.net
本标准规定了渔船吊杆千斤索拉环的型式、尺寸、技术要求、试验方法和检验规则。 SC/T 8020-1994 渔船吊杆千斤索拉环 SC/T8020-1994
部分标准内容:
1主题内容
中华人民共和国水产行业标准
渔船吊杆于斤索拉环
SC/T 8020-94
代替 SC 20---79
本标准规定了渔船吊杆干斤索拉环的型式、尺寸、技术要求、试验方法和检验规则。2引用标准
GB5117碳钢焊条
3型式与尺寸
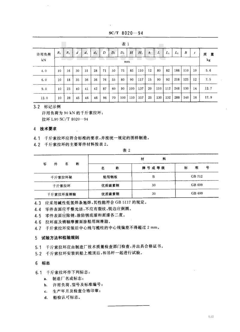
型式与尺寸按下图和表1。
槐或槐扇
按实际尺寸定
1千斤索拉环座架;2销轴;3拉环;4垫圈;5开口销;6--螺母中华人民共和国农业部1994-10-01批准132
1995-01-01实施
许用负荷
3.2标记示例
许用负荷为90kN的千斤索拉环:拉环L90SC/T8020—94
4技术要求
SC/T 8020-—94
4.1干斤索拉环应符合标准的要求,并按统-一规定的图样制造。4.2干斤索拉环的主要零件材料按表2。表2
千斤索拉环架
千斤索拉环
干斤索拉环座销轴
船用钢板
优质碳素钢此内容来自标准下载网
优质碳察钢
牌号或等级
4.3应采用碱性低氢焊条施焊,其性能符合GB5117的规定。4.4零件表面应平整光洁,不应有裂纹,锐边应倒圆。4.5零件表面应除锈,涂防锈底漆和面漆各二度。4.6拉环座及销轴摩擦面涂船用润滑脂。4.7千斤索拉环安装后中心线与榄柱的中心线偏差不得超过2mm。5试验方法和检验规则
5.1千斤索拉环应由制造厂技术质量检查部门检查,并出具合格证书。5.2千斤索拉环安装到船上项后,和吊杆一起进行试验。6标志
6.1千斤索拉环作下列标志:
制造厂名或标志;
许用负荷、型号及标准编号;
生产年月及检查合格印章;
船检认可标志。
GB 712
附加说明:
SC/T8020-94
本标准由全国渔船标准化技术委员会提出。本标准由青岛海洋渔业公司渔轮修造厂负责起草。本标准修订主要起草人郭英善。13.1
小提示:此标准内容仅展示完整标准里的部分截取内容,若需要完整标准请到上方自行免费下载完整标准文档。
中华人民共和国水产行业标准
渔船吊杆于斤索拉环
SC/T 8020-94
代替 SC 20---79
本标准规定了渔船吊杆干斤索拉环的型式、尺寸、技术要求、试验方法和检验规则。2引用标准
GB5117碳钢焊条
3型式与尺寸
型式与尺寸按下图和表1。
槐或槐扇
按实际尺寸定
1千斤索拉环座架;2销轴;3拉环;4垫圈;5开口销;6--螺母中华人民共和国农业部1994-10-01批准132
1995-01-01实施
许用负荷
3.2标记示例
许用负荷为90kN的千斤索拉环:拉环L90SC/T8020—94
4技术要求
SC/T 8020-—94
4.1干斤索拉环应符合标准的要求,并按统-一规定的图样制造。4.2干斤索拉环的主要零件材料按表2。表2
千斤索拉环架
千斤索拉环
干斤索拉环座销轴
船用钢板
优质碳素钢此内容来自标准下载网
优质碳察钢
牌号或等级
4.3应采用碱性低氢焊条施焊,其性能符合GB5117的规定。4.4零件表面应平整光洁,不应有裂纹,锐边应倒圆。4.5零件表面应除锈,涂防锈底漆和面漆各二度。4.6拉环座及销轴摩擦面涂船用润滑脂。4.7千斤索拉环安装后中心线与榄柱的中心线偏差不得超过2mm。5试验方法和检验规则
5.1千斤索拉环应由制造厂技术质量检查部门检查,并出具合格证书。5.2千斤索拉环安装到船上项后,和吊杆一起进行试验。6标志
6.1千斤索拉环作下列标志:
制造厂名或标志;
许用负荷、型号及标准编号;
生产年月及检查合格印章;
船检认可标志。
GB 712
附加说明:
SC/T8020-94
本标准由全国渔船标准化技术委员会提出。本标准由青岛海洋渔业公司渔轮修造厂负责起草。本标准修订主要起草人郭英善。13.1
小提示:此标准内容仅展示完整标准里的部分截取内容,若需要完整标准请到上方自行免费下载完整标准文档。
标准图片预览:



- 其它标准
- 上一篇: SC/T 8019-1994 渔船吊杆承座
- 下一篇: SJ 995-1975 落料凹模引伸模
- 热门标准
- 水产行业标准(SC)
- SC/T6079-2014 渔业行政执法船舶通信设备配备要求
- SC/T9420-2015 水产养殖环境(水体、底泥)中多溴联苯醚的测定 气相色谱-质谱法
- SC/T1117-2014 施氏鲟
- SC/T3502-2016 鱼油
- SC/T9421-2015 水生生物增殖放流技术规范 日本对虾
- SC/T1078-2004 中华绒螯蟹配合饲料
- SC/T8059-2006 渔船隔热层发泡操作规程
- SC/T8006-1997 渔船柴油机选型技术要求
- SC/T1006-1992 淡水网箱养鱼通用技术要求
- SC/T2061-2014 裙带菜 种藻和苗种
- SC/T3602-2016 虾酱
- SC/T1095-2007 怀头鲇 亲鱼、苗种
- SC/T3305-2003 烤虾
- SC/T7209.1-2007 牡蛎小胞虫病诊断规程 第1部分:组织印片的细胞学诊断法
- SC/T2024-2006 种海带
- 行业新闻
请牢记:“bzxz.net”即是“标准下载”四个汉字汉语拼音首字母与国际顶级域名“.net”的组合。 ©2025 标准下载网 www.bzxz.net 本站邮件:bzxznet@163.com
网站备案号:湘ICP备2025141790号-2
网站备案号:湘ICP备2025141790号-2