- 您的位置:
- 标准下载网 >>
- 标准分类 >>
- 煤炭行业标准(MT) >>
- MT/T 664-1997 煤矿用反井钻机钻杆
标准号:
MT/T 664-1997
标准名称:
煤矿用反井钻机钻杆
标准类别:
煤炭行业标准(MT)
标准状态:
现行-
发布日期:
1997-11-10 -
实施日期:
1998-04-01 出版语种:
简体中文下载格式:
.rar.pdf下载大小:
223.59 KB

点击下载
标准简介:
标准下载解压密码:www.bzxz.net
本标准规定了煤矿用反井钻机钻杆的定义和符号、产品分类、基本参数、试验方法、检验规则、标志、包装、运输及储存。本标准适用于煤矿用反井钻机的各种钻杆。 MT/T 664-1997 煤矿用反井钻机钻杆 MT/T664-1997

部分标准内容:
MT/T664—1997
本标准依据MT213一91《煤矿用反井钻机通用技术条件》以及煤矿广泛使用的反井钻机钻杆的材料及尺寸,并参考SY5290—91《石油钻杆接头》JB3671--84《矿用三牙轮钻头》以及石油牙轮钻头的有关资料等编制的。
本标准规定的钻杆材料的力学性能与国内制造反井钻机钻杆的实际情况相一致。由于目前尚无适宜大型反井钻机钻杆螺纹的国家标准,故本标准未涉及导孔外径大于250mm的钻杆。
本标准由煤炭工业部科技教育司提出。本标准由煤炭工业部煤矿专用设备标准化技术委员会归口。本标准起草单位:煤炭科学研究总院北京建井研究所、通化钻采机械厂。本标准主要起草人:刘加、郝日琴。本标准委托煤炭科学研究总院北京建井研究所负责解释。356
1范围
中华人民共和国煤炭行业标准
煤矿用反井钻机钻杆
Drill rod of raise boring machine for coal mineMT/T 664—1997
本标准规定了煤矿用反井钻机钻杆(以下简称“钻杆”)的定义和符号、产品分类、基本参数、试验方法、检验规则、标志、包装、运输及储存。本标准适用于煤矿用反井钻机的各种钻杆。2引用标准
下列标准所包含的条文,通过在本标准中引用而构成为本标准的条文。本标准出版时,所示版本均为有效。所有标准都会被修订,使用本标准的各方应探讨使用下列标准最新版本的可能性。GB/T228-—87金属拉伸试验法
GB/T231—84金属布氏硬度试验方法金属夏比(V型缺口)冲击试验方法GB 2106—803
GB/T3077—88合金结构钢技术条件GB/T4162--91.锻轧钢棒超声波探伤方法GB/T4749—93石油钻杆接头螺纹量规GB/T9253.1—88石油钻杆接头螺纹GB/T10111--88利用随机数般子进行随机抽样的方法JB471—80钢制焊接压力容器技术条件(1)磁粉探伤SY5290--91石油钻杆接头
3定义和符号
本标准采用下列定义。
3.1钻杆drill rod
用来传递轴向力和转矩并输送冲洗液的空心轴,两端分别设有用于钻杆首尾相接的内、外锥形螺纹。
3.2普通钻杆ordinary drill rod没有特殊要求的一般钻杆。
3.3稳定钻杆stabilizing drill rod具有稳定钻进、导向和传递转矩等多种功能的钻杆。3.4开孔钻杆pilot drill rod
用于保证导孔开孔质量的特殊钻杆。3.5接头钻杆joint drill rod
用于联接三牙轮钻头和钻杆或扩孔钻头和钻杆的短钻杆。3.6普通接头钻杆ordinary joint drill rod中华人民共和国煤炭工业部1997-11-10批准1998-04-01实施
MT/T 664--1997
两端螺纹牙型及尺寸相同的接头钻杆。3.7异型接头钻杆special joint drill rod两端螺纹牙型或尺寸不相同的接头钻杆。3.8外径 outer diameter 或O.D钻杆的最大直径D。
3.9内径inner diameter或I.D
钻杆内孔的最小直径d。
3.10有效长度effective length钻杆外螺纹台肩至内螺纹大端端面的长度L。3.11卡方 wrench flat
钻杆上用于装卡装卸钻杆工具的四方部位,分上卡方、下卡方。卡方高度为E。3.12卡方宽度wrench flat width相对平行两方平面的距离G。
4产品分类
4.1品种
钻杆分为普通钻杆、开孔钻杆、稳定钻杆及接头钻杆。稳定钻杆根据其稳定结构型式分为直筋稳定钻杆和螺旋筋稳定钻杆。接头钻杆分普通接头钻杆和异型接头钻杆。根据其导向稳定结构型式又可分为无筋接头钻杆、直筋接头钻杆和螺旋筋接头钻杆。4.2代号
4.2.1钻杆型号
联接螺纹代号:REG-正规型、NC-数字型、FH-贯眼型有效长度,mm
外径,mm
稳定钻杆的稳定结构型式,Z——直筋;L—一螺旋筋
类型,P
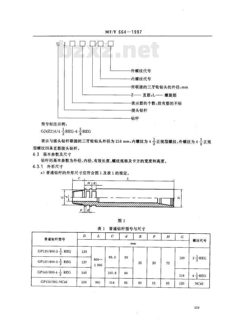
型号标注示例:
GWZ182/1000-6 -
普通钻杆,K-
表示外径为182mm,有效长度为1000mm,联接螺纹为64.2.2接头钻杆型号
开孔钻杆;W—稳定钻杆
正规型螺纹的直筋稳定钻杆。
型号标注示例:
MT/T664—1997
外螺纹代号
内螺纹代号
所联接的三牙轮钻头的外径,mm直筋;L
螺旋筋
表示筋的个数,没有筋的不标
一接头钻杆
REG-6号REG
GJ4Z216/4 -
表示与接头钻杆联接的三牙轮钻头外径为216mm,内螺纹为4型螺纹四条直筋接头钻杆。
4.3基本参数及尺寸
号正规
-正规型螺纹,外螺纹为6-
钻杆的基本参数为外径、内径、有效长度、螺纹规格及卡方的宽度和高度。4.3.1外形尺寸
a)普通钻杆的外形尺寸应符合图1及表1的规定,1
普通钻杆型号
GP120/800-3号REG
GP127/800-3-
GP140/800-4
GP150/991-NC46
普通钻杆型号与尺寸
螺纹代号
普通钻杆型号
GP160/800-NC50
GP172/1000-5 REG
GP176/1000-6 号 REG
GP182/1000-6 REG
GP200/1000-6号FH
注:开孔钻杆与普通钻杆尺寸相同800
MT/T 664—1.997
表1(完)
1000~
b)稳定钻杆的外形尺寸应符合图2、图3及表2的规定。L
2777777777
稳定钻杆型号
GWZ152/800-3 号REG下载标准就来标准下载网
GWL152/800-3
GWZ165/800-4
GWL165/800-4
GWZ190/800-NC50
GWL190/800-NC50
表2稳定钻杆型号与尺寸
800~
螺纹代号
6号FH
螺纹代号
稳定钻杆型号
GWZ200/991-NC46
GWL200/991-NC46
GWZ200/1000-5号REG
GWL200/1000-5 REG
GWZ216/1000-6号 REG
GWL216/1000-6
GWZ244/1000-6 5 REG
GWL244/1000-6
GWZ250/1000-6
GWL250/1000-6 号 FH
MT/T 664--1997
表2(完)
1000~
c)接头钻杆的外形尺寸应符合图2、图3及表3的规定表3
接头型号
3REG-3
GJ4Z152/3
GJ3L152/3-REG-3REG
GJ4Z165/3 →REG-4 -→REG
GJ3L165/3-REG-4号REG
GJ4Z190/4 ↓REG-NC50
GJ3L190/4 -
:REG-NC50
GJ4Z200/NC46-4
GJ3L200/NC46-4
接头钻杆型号与尺寸
螺纹代号
6号REG
6号FH
螺纹代号
内螺纹-外螺纹
3号REG-3REG
3REG-4REG
4 一REG-NC50
NC46-4 ÷REG
GJ4Z200/4
GJ3L200/
GJ42216/4
GJ3L216/4 -
-REG-5
-REG-6
-REG-6
GJ4Z244/6%
-REG-6%REG
GJ3L244/6
-REG-6
GJ4Z250/6REG-6
GJ3L250/6REG-6
4.3.2螺纹的基本尺寸
MT/T664—1997
表3(完)
a)钻杆螺纹牙型和基本尺寸应符合GB/T9253.1-88中第4章的规定。b)钻杆螺纹的公差应符合GB/T9253.1—88中第5章的规定。c)钻杆螺纹的互换性应符合GB/T9253.1--88中第6章的规定。5技术要求
5.1钻杆应符合本标准的要求,并应按照规定程序批准的图样及技术文件制造。螺纹代号
内螺纹-外螺纹
4REG-5REG
-REG-6%REG
SREG-6-
%REG-6
5.2钻杆内、外表面不应有任何裂缝、发裂、结疤、气孔、夹碴、剥层等缺陷,不允许对缺陷部位进行修整、铲除或补焊。钻杆光坏粗加工后,应进行超声波探伤,质量等级按A级调质后应进行磁粉探伤。5.3钻杆外螺纹台肩面和内螺纹不允许有毛刺、龟裂、凹痕及其它影响连接密封性能的缺陷。5.4稳定钻杆和接头钻杆的稳定筋外圆可堆焊或镶嵌耐磨材料。但外径不得大于与其配用的三牙轮钻头的外径。
5.5钻杆材料的化学成分应符合GB/T3077的规定。钻杆应进行调质处理,调质后的力学性能应符合表4的规定。
表 4钻杆的力学性能
外径尺寸
120~200
抗拉强度%
≥930
屈服强度 0o.2
≥690
伸长率
5.6钻杆螺纹表面应进行磷化处理,其厚度为0.005~0.015mm。5.7钻杆内、外螺纹紧密距应符合SY5290—91中4.4的规定。硬
280~320
复比冲击吸收功Aky
5.8钻杆的外径、内螺纹与外螺纹的同轴度公差应不大于$0.12 mm。5.9钻杆外螺纹台肩面和内螺纹端面对螺纹轴线的垂直度公差应不大于0.05mm。5.10开孔钻杆杆体外圆的表面粗糙度参数Ra的上限值为0.8μm。362
6试验方法
6.1钻杆外观质量用目测法检查。MT/T 664-1997
6.2钻杆磁粉探伤检验按JB471方法进行;超声波探伤检验按GB/T4162规定方法进行。6.3钻杆外形尺寸用常规量具检验,螺纹尺寸用螺纹量规检验。6.4钻杆所用材料的化学成分按质量保证书验收,如需验证分析时,应按国家有关标准规定进行取样和分析。
6.5力学性能试验按下列规定进行。钻杆硬度的测定按GB/T231的规定进行,用布氏硬度计测定。冲击和拉伸试样取样方法按SY5290-91中5.2.1方法进行。拉伸试验方法按GB/T228规定进行。冲击试验方法按GB2106规定进行。6.6钻杆的螺纹表面磷化厚度用涂层厚度测量仪测定。6.7钻杆的螺纹紧密距检验前应清除螺纹表面的毛刺、污垢,检验方法按SY5290的规定进行。6.8校对规、工作规和接头螺纹间的关系及它们之间的紧密距值传递按GB/T4749的规定进行。6.9钻杆的形位公差及表面粗糙度按常规方法进行检测。7
检验规则
钻杆检验分出厂检验和型式检验,出厂检验由制造厂质检部门进行检验,型式检验由产品质量监7.1
督检验机构或主管部门指定的单位进行。检验项目按表5的规定进行。表5
检验项目
外观及表面质量
基本参数尺寸
力学性能
表面磷化质量
螺纹紧密距
形位公差及表面粗糙度
5.85.95.10
试验方法
钻杆必须逐件逐项进行出厂检验。检验合格附产品合格证。7.3有下列情况之时应进行型式检验:a)新产品或老产品转厂生产试制定型鉴定时;b)正式生产后如原材料、工艺、结构有较大改变可能影响产品性能时;c)正常生产时,每两年进行一次;d)停产1年以上,再恢复生产时;e)出广检验结果与上次型式检验有较大差异时;出厂
检验类别
f)国家质量监督机构提出进行型式检验的要求时。7.4型式检验的样品,必须从经出厂检验合格的不少于50件产品中按GB/T10111的规定抽取一件,每件做两组试样,在检验项目中检验结果有一项不合格,再从该批产品中加倍抽样进行复验。如在复检中仍有一项不合格,则判该批产品为不合格。363
8标志、包装、运输和贮存
8.1标志
8.1.1产品标志
MT/T 664-1997
应在钻杆下卡方平面的中间部位打印如下标记:a)钻杆的型号;
b)制造厂代号;
c)制造日期。
8.1.2包装标志
a)产品名称及型号;
b)制造单位及厂址,
c)出厂日期。
8.2包装
8.2.1每根钻杆的内、外螺纹部分在包装前应涂螺纹脂并戴金属或橡胶保护帽。8.2.2开孔钻杆的磨加工表面应涂防锈油并用油纸包好,装入专用的铁箱中紧固,并应符合水路、陆路运输及装卸要求。
8.2.3钻杆的包装要有防雨措施,防雨材料可用塑料膜。在塑料膜外用草袋和草绳整体包装。8.3运输
钻杆在运输过程中要固定牢固,不得摔碰。8.4贮存
钻杆应在通风干燥、无腐蚀物质的防雨库房内储存。364
小提示:此标准内容仅展示完整标准里的部分截取内容,若需要完整标准请到上方自行免费下载完整标准文档。
本标准依据MT213一91《煤矿用反井钻机通用技术条件》以及煤矿广泛使用的反井钻机钻杆的材料及尺寸,并参考SY5290—91《石油钻杆接头》JB3671--84《矿用三牙轮钻头》以及石油牙轮钻头的有关资料等编制的。
本标准规定的钻杆材料的力学性能与国内制造反井钻机钻杆的实际情况相一致。由于目前尚无适宜大型反井钻机钻杆螺纹的国家标准,故本标准未涉及导孔外径大于250mm的钻杆。
本标准由煤炭工业部科技教育司提出。本标准由煤炭工业部煤矿专用设备标准化技术委员会归口。本标准起草单位:煤炭科学研究总院北京建井研究所、通化钻采机械厂。本标准主要起草人:刘加、郝日琴。本标准委托煤炭科学研究总院北京建井研究所负责解释。356
1范围
中华人民共和国煤炭行业标准
煤矿用反井钻机钻杆
Drill rod of raise boring machine for coal mineMT/T 664—1997
本标准规定了煤矿用反井钻机钻杆(以下简称“钻杆”)的定义和符号、产品分类、基本参数、试验方法、检验规则、标志、包装、运输及储存。本标准适用于煤矿用反井钻机的各种钻杆。2引用标准
下列标准所包含的条文,通过在本标准中引用而构成为本标准的条文。本标准出版时,所示版本均为有效。所有标准都会被修订,使用本标准的各方应探讨使用下列标准最新版本的可能性。GB/T228-—87金属拉伸试验法
GB/T231—84金属布氏硬度试验方法金属夏比(V型缺口)冲击试验方法GB 2106—803
GB/T3077—88合金结构钢技术条件GB/T4162--91.锻轧钢棒超声波探伤方法GB/T4749—93石油钻杆接头螺纹量规GB/T9253.1—88石油钻杆接头螺纹GB/T10111--88利用随机数般子进行随机抽样的方法JB471—80钢制焊接压力容器技术条件(1)磁粉探伤SY5290--91石油钻杆接头
3定义和符号
本标准采用下列定义。
3.1钻杆drill rod
用来传递轴向力和转矩并输送冲洗液的空心轴,两端分别设有用于钻杆首尾相接的内、外锥形螺纹。
3.2普通钻杆ordinary drill rod没有特殊要求的一般钻杆。
3.3稳定钻杆stabilizing drill rod具有稳定钻进、导向和传递转矩等多种功能的钻杆。3.4开孔钻杆pilot drill rod
用于保证导孔开孔质量的特殊钻杆。3.5接头钻杆joint drill rod
用于联接三牙轮钻头和钻杆或扩孔钻头和钻杆的短钻杆。3.6普通接头钻杆ordinary joint drill rod中华人民共和国煤炭工业部1997-11-10批准1998-04-01实施
MT/T 664--1997
两端螺纹牙型及尺寸相同的接头钻杆。3.7异型接头钻杆special joint drill rod两端螺纹牙型或尺寸不相同的接头钻杆。3.8外径 outer diameter 或O.D钻杆的最大直径D。
3.9内径inner diameter或I.D
钻杆内孔的最小直径d。
3.10有效长度effective length钻杆外螺纹台肩至内螺纹大端端面的长度L。3.11卡方 wrench flat
钻杆上用于装卡装卸钻杆工具的四方部位,分上卡方、下卡方。卡方高度为E。3.12卡方宽度wrench flat width相对平行两方平面的距离G。
4产品分类
4.1品种
钻杆分为普通钻杆、开孔钻杆、稳定钻杆及接头钻杆。稳定钻杆根据其稳定结构型式分为直筋稳定钻杆和螺旋筋稳定钻杆。接头钻杆分普通接头钻杆和异型接头钻杆。根据其导向稳定结构型式又可分为无筋接头钻杆、直筋接头钻杆和螺旋筋接头钻杆。4.2代号
4.2.1钻杆型号
联接螺纹代号:REG-正规型、NC-数字型、FH-贯眼型有效长度,mm
外径,mm
稳定钻杆的稳定结构型式,Z——直筋;L—一螺旋筋
类型,P
型号标注示例:
GWZ182/1000-6 -
普通钻杆,K-
表示外径为182mm,有效长度为1000mm,联接螺纹为64.2.2接头钻杆型号
开孔钻杆;W—稳定钻杆
正规型螺纹的直筋稳定钻杆。
型号标注示例:
MT/T664—1997
外螺纹代号
内螺纹代号
所联接的三牙轮钻头的外径,mm直筋;L
螺旋筋
表示筋的个数,没有筋的不标
一接头钻杆
REG-6号REG
GJ4Z216/4 -
表示与接头钻杆联接的三牙轮钻头外径为216mm,内螺纹为4型螺纹四条直筋接头钻杆。
4.3基本参数及尺寸
号正规
-正规型螺纹,外螺纹为6-
钻杆的基本参数为外径、内径、有效长度、螺纹规格及卡方的宽度和高度。4.3.1外形尺寸
a)普通钻杆的外形尺寸应符合图1及表1的规定,1
普通钻杆型号
GP120/800-3号REG
GP127/800-3-
GP140/800-4
GP150/991-NC46
普通钻杆型号与尺寸
螺纹代号
普通钻杆型号
GP160/800-NC50
GP172/1000-5 REG
GP176/1000-6 号 REG
GP182/1000-6 REG
GP200/1000-6号FH
注:开孔钻杆与普通钻杆尺寸相同800
MT/T 664—1.997
表1(完)
1000~
b)稳定钻杆的外形尺寸应符合图2、图3及表2的规定。L
2777777777
稳定钻杆型号
GWZ152/800-3 号REG下载标准就来标准下载网
GWL152/800-3
GWZ165/800-4
GWL165/800-4
GWZ190/800-NC50
GWL190/800-NC50
表2稳定钻杆型号与尺寸
800~
螺纹代号
6号FH
螺纹代号
稳定钻杆型号
GWZ200/991-NC46
GWL200/991-NC46
GWZ200/1000-5号REG
GWL200/1000-5 REG
GWZ216/1000-6号 REG
GWL216/1000-6
GWZ244/1000-6 5 REG
GWL244/1000-6
GWZ250/1000-6
GWL250/1000-6 号 FH
MT/T 664--1997
表2(完)
1000~
c)接头钻杆的外形尺寸应符合图2、图3及表3的规定表3
接头型号
3REG-3
GJ4Z152/3
GJ3L152/3-REG-3REG
GJ4Z165/3 →REG-4 -→REG
GJ3L165/3-REG-4号REG
GJ4Z190/4 ↓REG-NC50
GJ3L190/4 -
:REG-NC50
GJ4Z200/NC46-4
GJ3L200/NC46-4
接头钻杆型号与尺寸
螺纹代号
6号REG
6号FH
螺纹代号
内螺纹-外螺纹
3号REG-3REG
3REG-4REG
4 一REG-NC50
NC46-4 ÷REG
GJ4Z200/4
GJ3L200/
GJ42216/4
GJ3L216/4 -
-REG-5
-REG-6
-REG-6
GJ4Z244/6%
-REG-6%REG
GJ3L244/6
-REG-6
GJ4Z250/6REG-6
GJ3L250/6REG-6
4.3.2螺纹的基本尺寸
MT/T664—1997
表3(完)
a)钻杆螺纹牙型和基本尺寸应符合GB/T9253.1-88中第4章的规定。b)钻杆螺纹的公差应符合GB/T9253.1—88中第5章的规定。c)钻杆螺纹的互换性应符合GB/T9253.1--88中第6章的规定。5技术要求
5.1钻杆应符合本标准的要求,并应按照规定程序批准的图样及技术文件制造。螺纹代号
内螺纹-外螺纹
4REG-5REG
-REG-6%REG
SREG-6-
%REG-6
5.2钻杆内、外表面不应有任何裂缝、发裂、结疤、气孔、夹碴、剥层等缺陷,不允许对缺陷部位进行修整、铲除或补焊。钻杆光坏粗加工后,应进行超声波探伤,质量等级按A级调质后应进行磁粉探伤。5.3钻杆外螺纹台肩面和内螺纹不允许有毛刺、龟裂、凹痕及其它影响连接密封性能的缺陷。5.4稳定钻杆和接头钻杆的稳定筋外圆可堆焊或镶嵌耐磨材料。但外径不得大于与其配用的三牙轮钻头的外径。
5.5钻杆材料的化学成分应符合GB/T3077的规定。钻杆应进行调质处理,调质后的力学性能应符合表4的规定。
表 4钻杆的力学性能
外径尺寸
120~200
抗拉强度%
≥930
屈服强度 0o.2
≥690
伸长率
5.6钻杆螺纹表面应进行磷化处理,其厚度为0.005~0.015mm。5.7钻杆内、外螺纹紧密距应符合SY5290—91中4.4的规定。硬
280~320
复比冲击吸收功Aky
5.8钻杆的外径、内螺纹与外螺纹的同轴度公差应不大于$0.12 mm。5.9钻杆外螺纹台肩面和内螺纹端面对螺纹轴线的垂直度公差应不大于0.05mm。5.10开孔钻杆杆体外圆的表面粗糙度参数Ra的上限值为0.8μm。362
6试验方法
6.1钻杆外观质量用目测法检查。MT/T 664-1997
6.2钻杆磁粉探伤检验按JB471方法进行;超声波探伤检验按GB/T4162规定方法进行。6.3钻杆外形尺寸用常规量具检验,螺纹尺寸用螺纹量规检验。6.4钻杆所用材料的化学成分按质量保证书验收,如需验证分析时,应按国家有关标准规定进行取样和分析。
6.5力学性能试验按下列规定进行。钻杆硬度的测定按GB/T231的规定进行,用布氏硬度计测定。冲击和拉伸试样取样方法按SY5290-91中5.2.1方法进行。拉伸试验方法按GB/T228规定进行。冲击试验方法按GB2106规定进行。6.6钻杆的螺纹表面磷化厚度用涂层厚度测量仪测定。6.7钻杆的螺纹紧密距检验前应清除螺纹表面的毛刺、污垢,检验方法按SY5290的规定进行。6.8校对规、工作规和接头螺纹间的关系及它们之间的紧密距值传递按GB/T4749的规定进行。6.9钻杆的形位公差及表面粗糙度按常规方法进行检测。7
检验规则
钻杆检验分出厂检验和型式检验,出厂检验由制造厂质检部门进行检验,型式检验由产品质量监7.1
督检验机构或主管部门指定的单位进行。检验项目按表5的规定进行。表5
检验项目
外观及表面质量
基本参数尺寸
力学性能
表面磷化质量
螺纹紧密距
形位公差及表面粗糙度
5.85.95.10
试验方法
钻杆必须逐件逐项进行出厂检验。检验合格附产品合格证。7.3有下列情况之时应进行型式检验:a)新产品或老产品转厂生产试制定型鉴定时;b)正式生产后如原材料、工艺、结构有较大改变可能影响产品性能时;c)正常生产时,每两年进行一次;d)停产1年以上,再恢复生产时;e)出广检验结果与上次型式检验有较大差异时;出厂
检验类别
f)国家质量监督机构提出进行型式检验的要求时。7.4型式检验的样品,必须从经出厂检验合格的不少于50件产品中按GB/T10111的规定抽取一件,每件做两组试样,在检验项目中检验结果有一项不合格,再从该批产品中加倍抽样进行复验。如在复检中仍有一项不合格,则判该批产品为不合格。363
8标志、包装、运输和贮存
8.1标志
8.1.1产品标志
MT/T 664-1997
应在钻杆下卡方平面的中间部位打印如下标记:a)钻杆的型号;
b)制造厂代号;
c)制造日期。
8.1.2包装标志
a)产品名称及型号;
b)制造单位及厂址,
c)出厂日期。
8.2包装
8.2.1每根钻杆的内、外螺纹部分在包装前应涂螺纹脂并戴金属或橡胶保护帽。8.2.2开孔钻杆的磨加工表面应涂防锈油并用油纸包好,装入专用的铁箱中紧固,并应符合水路、陆路运输及装卸要求。
8.2.3钻杆的包装要有防雨措施,防雨材料可用塑料膜。在塑料膜外用草袋和草绳整体包装。8.3运输
钻杆在运输过程中要固定牢固,不得摔碰。8.4贮存
钻杆应在通风干燥、无腐蚀物质的防雨库房内储存。364
小提示:此标准内容仅展示完整标准里的部分截取内容,若需要完整标准请到上方自行免费下载完整标准文档。

标准图片预览:





- 其它标准
- 热门标准
- 煤炭行业标准(MT)
- MT239-1991 褐煤蜡技术条件
- MT/T1112-2011 煤矿图像监视系统通用技术条件
- MT559-1996 煤矿用带式输送机橡胶缓冲托辊安全性能检验规范
- MT187.7-1988 刮板输送机紧固件 半圆头方颈螺栓
- MT542-1996 单体支柱柱鞋
- MT/T619-1996 煤炭试验室分级和评定
- MT/T188.4-2000 煤矿用乳化液泵站 过滤器技术条件
- MT/T408-1995 煤矿用直流稳压电源
- MT/T569-1995 矿用板翅式冷却器技术条件
- MT234-1991 3吨矿车 立井多绳罐笼
- MT962-2005 煤矿带式输送机滚筒用橡胶包覆层技术条件
- MT306.4-1992 常压固定床煤气发生炉用铜川矿务局煤技术条件
- MT871-2000 矿用隔爆型低压交流真空馈电开关
- MT299.4-1992 水泥回转窑用鹤岗矿务局煤技术条件
- MT/T1094-2008 煤用盘式加压过滤机
- 行业新闻
请牢记:“bzxz.net”即是“标准下载”四个汉字汉语拼音首字母与国际顶级域名“.net”的组合。 ©2009 标准下载网 www.bzxz.net 本站邮件:bzxznet@163.com
网站备案号:湘ICP备2023016450号-1
网站备案号:湘ICP备2023016450号-1