- 您的位置:
- 标准下载网 >>
- 标准分类 >>
- 煤炭行业标准(MT) >>
- MT 522-1995 矿用高强度圆环链检验规范
标准号:
MT 522-1995
标准名称:
矿用高强度圆环链检验规范
标准类别:
煤炭行业标准(MT)
标准状态:
已作废-
发布日期:
1996-01-15 -
实施日期:
1994-10-01 -
作废日期:
2005-06-01 出版语种:
简体中文下载格式:
.rar.pdf下载大小:
195.63 KB
替代情况:
被MT/T 522-2004代替

部分标准内容:
中华人民共和国煤炭行业标准
矿用高强度圆环链检验规范
1主题内容与适用范围
MT 522—1995
本标准规定了矿用高强度圆环链(以下简称圆环链)的检验项目、抽样方法与数量、检验方法、检验结果的评定。
本标准适用于按GB/T12718所规定的矿用高强度圆环链的检验。2引用标准
GB1250极限数值的表示方法和判定方法GB2828逐批检查计数抽样程序及抽样表(适用于连续批的检查)GB3159
液压式万能试验机
GB8170
数值修约规则
GB 10111
利用随机数殷子进行随机抽样的方法GB/T12718矿用高强度圆环链
3术语
3.1检查批
为实施抽样检查汇集起来的圆环链的条(米)数量总和。3.2样本单位
从检查批中抽取用于检验的单位圆环链,以条(米)、环表示。3.3样本
受检圆环链样本单位的全体。
3.4样本大小
样本中所包含的样本单位数,即检验数量,称为样本大小。3.5不合格
圆环链的质量特性不符合标准规定,称为不合格,按其质量特性不符合的严重程度分类,分为A类不合格,B类不合格。
4检验种类和检验项目
圆环链检验分为型式检验和出厂检验两种。4.1
4.2凡符合GB/T12718第7.6.1条规定之一者,应进行型式检验。4.3检验项目:
圆环链型式检验和出厂检验项目应按表1规定进行。中华人民共和国煤炭工业部1996-01-15批准1996-05-01实施
静拉伸强度
注:①V表示为必检项目。
MT522—1995
检验项目
表面质量
试验负荷下伸长率
破断负荷
破断总伸长率
疲劳强度
弯曲挠度值
缺口冲击值
型式检验
检验种类
②※表示为协商检验项目,当用户在订货中提出要求检验时,由用户与制造厂协商确定。出厂检验
③缺口冲击值试验由用户提出特殊要求时进行,10mm×40mm、14mm×50mm圆环链不作缺口冲击试验。5抽样
5.1样本检查批:
短链条以条计数,长链条以米计数,检查批中所含圆环链数量总和一般应大于等于200条(米),不足200条(米)时按200条(米)计。5.2检验样本应按照GB10111规定的方法从受检产品中随机抽样。5.3长链条取样时应从圆环链成品的端头取样。5.4受检样本不允许带有任何可能避蔽缺陷的涂层。圆环链的各类检验均采用GB2828规定的一、二次正常检查抽样方案,合格质量水平AQL=15。5.5
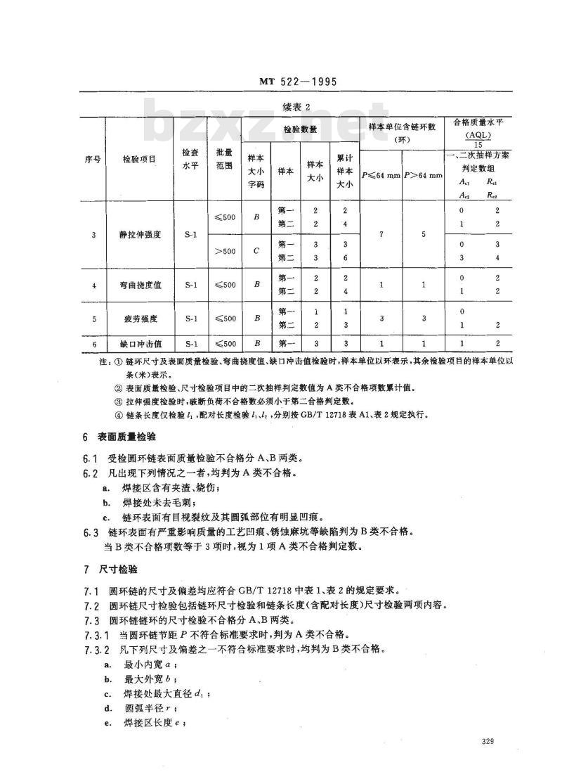
各检验项目的样本大小,样本单位所含链环数量及一、二次抽样判定数组见表2。表2
检验数量
检验项目
链环尺寸
链条(配
对)长度
表面质量
≤500
样本单位含链环数
(环)
P≤64 mmP>64 mm
合格质量水平
二次抽样方案
判定数组
检验项目
静拉伸强度
弯曲挠度值
疲劳强度
缺口冲击值
≤500
MT 522--1995
续表2
检验数量
样本单位含链环数
(环)
P≤64 mmP>64 mm
合格质量水平
、二次抽样方案
判定数组
注:①链环尺寸及表面质量检验、弯曲挠度值、缺口冲击值检验时,样本单位以环表示,其余检验项目的样本单位以条(米)表示。
②表面质量检验、尺寸检验项目中的二次抽样判定数值为A类不合格项数累计值。③拉伸强度检验时,敲断负荷不合格数必须小于第二合格判定数。④链条长度仅检验11,配对长度检验11、2,分别按GB/T12718表A1、表2规定执行。6表面质量检验
6.1受检圆环链表面质量检验不合格分A、B两类。6.2凡出现下列情况之一者,均判为A类不合格。a。焊接区含有夹渣、烧伤,
b.焊接处未去毛刺;
链环表面有目视裂纹及其圆弧部位有明显凹痕。6.3链环表面有严重影响质量的工艺凹痕、锈蚀麻坑等缺陷判为B类不合格。当B类不合格项数等于3项时,视为1项A类不合格判定数。7尺寸检验
圆环链的尺寸及偏差均应符合GB/T12718中表1、表2的规定要求。7.1
7.2圆环链尺寸检验包括链环尺寸检验和链条长度(含配对长度)尺寸检验两项内容。7.3圆环链链环的尺寸检验不合格分A、B两类。7. 3. 1
当圆环链节距P不符合标准要求时,判为A类不合格。凡下列尺寸及偏差之一不符合标准要求时,均判为B类不合格。最小内宽a;
最大外宽b;
焊接处最大直径d;;
圆孤半径r;
焊接区长度;
f.对焊错口量。
MT 522-—1995
当B类不合格项数等于3项时,视为1项A类不合格判定数。7.3.3检验量具:
链环尺寸检验用量具可为专用量具、游标卡尺、千分尺,其准确度不得低于0.05mm,其量程应满足使用要求,并要定期计量检定,应具有计量检定合格证书。7.3.4检验链环尺寸时在所抽取的每条(或每米)样品中,随机抽取链环,按标准要求检验。7.4链条长度1和链条配对长度11、1.的检验7.4.1链条长度检验1,配对链条长度检验11、12,分别按GB/T12718表A1、表2规定执行。7.4.2检验链条长度和配对长度应在初始负荷下进行,初始负荷数值按GB/T12718表10。7.4.3检验链条长度和配对长度所用加载设备的负荷测量精度为1级(示值相对误差土1.0%),尺寸测量准确度不得低于土0.2 mm。7.5圆环链尺寸检验结果按表2规定判定,当链环尺寸和链条(配对)长度两分项均合格时,判尺寸检验项目合格。
8静拉伸强度试验
8.1试验机
8.1.1试验机应满足本试验程序的各项要求,并符合GB3159-级精度要求,试验加载范围应符合试验机检定证书所规定的范围,试验机应配有负荷-伸长量自动测量记录系统,自动记录绘制拉伸曲线图。8.1.2在检定周期内的试验机方可用于检验。8.2试验样本
拉伸试验样本及样本单位应符合表2规定。8.3链条的固定装置
拉伸试验夹具与链环之间的接触表面应与链环实际承载时的接触面相吻合,拉伸试验时的链条固定方式按GB/T12718中6.1.3条规定。8.4试验负荷下伸长率的测定
8.4.1测定试验负荷下伸长率所用装置及量具的测量准确度不低于0.1mm。8.4.2测试程序:
样本单位在试验机上夹紧后,加载至GB/T12718中表5规定的试验负荷的-半,然后再将负荷降至初始负荷,并标定其长度,初始负荷和标定长度L。应符合GB/T12718表10规定,然后以最大为每秒20N/mm2的速度加载到GB/T:12718中表5所规定的试验负荷值F~~110%F,,这时测出施加试验负荷下的长度L。,试验负荷下的伸长率按式(1)计算:L- Lo×100
式中:1—试验负荷下伸长率,%L—试验负荷下测量的标定长度,mmL。初始负荷下的标定长度,mm。Lo
测得的试验负荷下伸长率应不大于GB/T12718中表4所规定的试验负荷下最大伸长率。(1)
8.5破断负荷及破断总伸长率的测定样本单位继续加载,直到断裂为止,这时测出破断负荷和破断总伸长量△L,破断总伸长率按式(2)计算:
式中:2—破断总伸长率,%;
(2)
破断总伸长量,mm;
MT 522—1995
L,一样本单位链环节距之和,mm。△L可从负荷拉伸曲线上直接测量(见图1)。规定最小破断负荷
规定试验负荷
初始负荷
试验负荷下的伸长量
断裂时总的伸长量4!
图1拉伸曲线
一破断负荷
断裂点
二伸长量此内容来自标准下载网
测得的破断负荷和破断总伸长率应不低于GB/T12718中表4和表5所规定的数值。8.6静拉伸强度试验的合格判定数及不合格判定数按表2规定执行。
9疲劳试验
9.1对疲劳试验机的要求
9.1.1静负荷示值精度
疲劳试验机的精度等级应不低于1级,负荷示值误差不大于士1%;a.
负荷示值变动不大于1%。
9.1.2在连续试验10h内,动负荷示值波动度a.
平均负荷示值波动度不大于使用负荷满量程的士1%;负荷振幅示值波动度不大于使用负荷满量程的土2%。b.
9.1.3试验机负荷量程应满足施加GB/T12718表7规定负荷的要求。9.1.4试验机的工作频率范围应能满足试验要求。9.1.5试验机应每年检定一次。
9.2试验样本及样本单位
应符合表2规定。
9.3链条固定装置
按GB/T12718中6.2.3条规定执行。331
9.4试验程序
MT 522--- 1995
被试样本单位在试验机上夹紧后,按GB/T12718中表7规定的疲劳负荷加载,疲劳负荷作用频率为200~1000次/min,当型式检验、国家技术监督部门抽检和仲裁检验时为500次/min。经疲劳试验的样本单位循环次数应不低于3.0000次。9.5疲劳强度检验结果的判定准则圆环链疲劳强度的检验结果按表2的规定执行10弯曲挑度值检验
10.1试验机应符合8.1条的规定。10.2弯曲试验样本大小按表2规定,各试样表面不得涂漆。试验夹具及加载方式按GB/T12718中6.3.3条规定执行。10.3
10.4试验程序:
试验弯曲加载应在无冲击状态下进行,最大加载速度为每秒20N/mm。测得最小弯曲挠度值应符合GB/T12718表8所规定的数值。10.5判定准则,按表2判定数组判定该项目是否合格。11
缺口冲击值检验
按GB/T12718附录B进行。
12数据处理
12.1数据的修约应符合GB8170的规定。12.2尺寸测量有效位数取小数点后1位数,试验负荷下伸长率、破断负荷、破断总伸长率、弯曲挠度值有效位数取小数点后两位数。
12.3测定值或其计算值与标准规定的极限数值作比较判定时,应符合GB1250的规定。13圆环链检验综合判定准则
13.1受检圆环链型式检验的各项目均合格,判该批产品型式检验合格,否则判型式检验不合格。13.2受检圆环链出厂检验的各项目均合格,判该批产品出厂检验合格,否则,判出厂检验不合格。14检验过程中异常现象的处理
14.1若受检产品的表面质量有裂纹等严重缺陷被判为不合格,不再继续进行其他项目的检验。14.2在检验产品的机械性能时,若发生以下情况之一者,检验无效,须重新检验。突然停电、停水中断检验;
设备及仪表出现故障或意外损坏;b.
其他不可避免的灾害等事故。
附加说明:
本标准由煤炭科学研究总院提出。MT522—1995
本标准由煤炭部煤矿专用设备标准化技术委员会刮板输送机分会归口。本标准由煤炭科学研究总院太原分院负责起草。本标准主要起草人罗庆吉、钱观生。本标准委托煤炭科学研究总院太原分院负责解释。333
小提示:此标准内容仅展示完整标准里的部分截取内容,若需要完整标准请到上方自行免费下载完整标准文档。
矿用高强度圆环链检验规范
1主题内容与适用范围
MT 522—1995
本标准规定了矿用高强度圆环链(以下简称圆环链)的检验项目、抽样方法与数量、检验方法、检验结果的评定。
本标准适用于按GB/T12718所规定的矿用高强度圆环链的检验。2引用标准
GB1250极限数值的表示方法和判定方法GB2828逐批检查计数抽样程序及抽样表(适用于连续批的检查)GB3159
液压式万能试验机
GB8170
数值修约规则
GB 10111
利用随机数殷子进行随机抽样的方法GB/T12718矿用高强度圆环链
3术语
3.1检查批
为实施抽样检查汇集起来的圆环链的条(米)数量总和。3.2样本单位
从检查批中抽取用于检验的单位圆环链,以条(米)、环表示。3.3样本
受检圆环链样本单位的全体。
3.4样本大小
样本中所包含的样本单位数,即检验数量,称为样本大小。3.5不合格
圆环链的质量特性不符合标准规定,称为不合格,按其质量特性不符合的严重程度分类,分为A类不合格,B类不合格。
4检验种类和检验项目
圆环链检验分为型式检验和出厂检验两种。4.1
4.2凡符合GB/T12718第7.6.1条规定之一者,应进行型式检验。4.3检验项目:
圆环链型式检验和出厂检验项目应按表1规定进行。中华人民共和国煤炭工业部1996-01-15批准1996-05-01实施
静拉伸强度
注:①V表示为必检项目。
MT522—1995
检验项目
表面质量
试验负荷下伸长率
破断负荷
破断总伸长率
疲劳强度
弯曲挠度值
缺口冲击值
型式检验
检验种类
②※表示为协商检验项目,当用户在订货中提出要求检验时,由用户与制造厂协商确定。出厂检验
③缺口冲击值试验由用户提出特殊要求时进行,10mm×40mm、14mm×50mm圆环链不作缺口冲击试验。5抽样
5.1样本检查批:
短链条以条计数,长链条以米计数,检查批中所含圆环链数量总和一般应大于等于200条(米),不足200条(米)时按200条(米)计。5.2检验样本应按照GB10111规定的方法从受检产品中随机抽样。5.3长链条取样时应从圆环链成品的端头取样。5.4受检样本不允许带有任何可能避蔽缺陷的涂层。圆环链的各类检验均采用GB2828规定的一、二次正常检查抽样方案,合格质量水平AQL=15。5.5
各检验项目的样本大小,样本单位所含链环数量及一、二次抽样判定数组见表2。表2
检验数量
检验项目
链环尺寸
链条(配
对)长度
表面质量
≤500
样本单位含链环数
(环)
P≤64 mmP>64 mm
合格质量水平
二次抽样方案
判定数组
检验项目
静拉伸强度
弯曲挠度值
疲劳强度
缺口冲击值
≤500
MT 522--1995
续表2
检验数量
样本单位含链环数
(环)
P≤64 mmP>64 mm
合格质量水平
、二次抽样方案
判定数组
注:①链环尺寸及表面质量检验、弯曲挠度值、缺口冲击值检验时,样本单位以环表示,其余检验项目的样本单位以条(米)表示。
②表面质量检验、尺寸检验项目中的二次抽样判定数值为A类不合格项数累计值。③拉伸强度检验时,敲断负荷不合格数必须小于第二合格判定数。④链条长度仅检验11,配对长度检验11、2,分别按GB/T12718表A1、表2规定执行。6表面质量检验
6.1受检圆环链表面质量检验不合格分A、B两类。6.2凡出现下列情况之一者,均判为A类不合格。a。焊接区含有夹渣、烧伤,
b.焊接处未去毛刺;
链环表面有目视裂纹及其圆弧部位有明显凹痕。6.3链环表面有严重影响质量的工艺凹痕、锈蚀麻坑等缺陷判为B类不合格。当B类不合格项数等于3项时,视为1项A类不合格判定数。7尺寸检验
圆环链的尺寸及偏差均应符合GB/T12718中表1、表2的规定要求。7.1
7.2圆环链尺寸检验包括链环尺寸检验和链条长度(含配对长度)尺寸检验两项内容。7.3圆环链链环的尺寸检验不合格分A、B两类。7. 3. 1
当圆环链节距P不符合标准要求时,判为A类不合格。凡下列尺寸及偏差之一不符合标准要求时,均判为B类不合格。最小内宽a;
最大外宽b;
焊接处最大直径d;;
圆孤半径r;
焊接区长度;
f.对焊错口量。
MT 522-—1995
当B类不合格项数等于3项时,视为1项A类不合格判定数。7.3.3检验量具:
链环尺寸检验用量具可为专用量具、游标卡尺、千分尺,其准确度不得低于0.05mm,其量程应满足使用要求,并要定期计量检定,应具有计量检定合格证书。7.3.4检验链环尺寸时在所抽取的每条(或每米)样品中,随机抽取链环,按标准要求检验。7.4链条长度1和链条配对长度11、1.的检验7.4.1链条长度检验1,配对链条长度检验11、12,分别按GB/T12718表A1、表2规定执行。7.4.2检验链条长度和配对长度应在初始负荷下进行,初始负荷数值按GB/T12718表10。7.4.3检验链条长度和配对长度所用加载设备的负荷测量精度为1级(示值相对误差土1.0%),尺寸测量准确度不得低于土0.2 mm。7.5圆环链尺寸检验结果按表2规定判定,当链环尺寸和链条(配对)长度两分项均合格时,判尺寸检验项目合格。
8静拉伸强度试验
8.1试验机
8.1.1试验机应满足本试验程序的各项要求,并符合GB3159-级精度要求,试验加载范围应符合试验机检定证书所规定的范围,试验机应配有负荷-伸长量自动测量记录系统,自动记录绘制拉伸曲线图。8.1.2在检定周期内的试验机方可用于检验。8.2试验样本
拉伸试验样本及样本单位应符合表2规定。8.3链条的固定装置
拉伸试验夹具与链环之间的接触表面应与链环实际承载时的接触面相吻合,拉伸试验时的链条固定方式按GB/T12718中6.1.3条规定。8.4试验负荷下伸长率的测定
8.4.1测定试验负荷下伸长率所用装置及量具的测量准确度不低于0.1mm。8.4.2测试程序:
样本单位在试验机上夹紧后,加载至GB/T12718中表5规定的试验负荷的-半,然后再将负荷降至初始负荷,并标定其长度,初始负荷和标定长度L。应符合GB/T12718表10规定,然后以最大为每秒20N/mm2的速度加载到GB/T:12718中表5所规定的试验负荷值F~~110%F,,这时测出施加试验负荷下的长度L。,试验负荷下的伸长率按式(1)计算:L- Lo×100
式中:1—试验负荷下伸长率,%L—试验负荷下测量的标定长度,mmL。初始负荷下的标定长度,mm。Lo
测得的试验负荷下伸长率应不大于GB/T12718中表4所规定的试验负荷下最大伸长率。(1)
8.5破断负荷及破断总伸长率的测定样本单位继续加载,直到断裂为止,这时测出破断负荷和破断总伸长量△L,破断总伸长率按式(2)计算:
式中:2—破断总伸长率,%;
(2)
破断总伸长量,mm;
MT 522—1995
L,一样本单位链环节距之和,mm。△L可从负荷拉伸曲线上直接测量(见图1)。规定最小破断负荷
规定试验负荷
初始负荷
试验负荷下的伸长量
断裂时总的伸长量4!
图1拉伸曲线
一破断负荷
断裂点
二伸长量此内容来自标准下载网
测得的破断负荷和破断总伸长率应不低于GB/T12718中表4和表5所规定的数值。8.6静拉伸强度试验的合格判定数及不合格判定数按表2规定执行。
9疲劳试验
9.1对疲劳试验机的要求
9.1.1静负荷示值精度
疲劳试验机的精度等级应不低于1级,负荷示值误差不大于士1%;a.
负荷示值变动不大于1%。
9.1.2在连续试验10h内,动负荷示值波动度a.
平均负荷示值波动度不大于使用负荷满量程的士1%;负荷振幅示值波动度不大于使用负荷满量程的土2%。b.
9.1.3试验机负荷量程应满足施加GB/T12718表7规定负荷的要求。9.1.4试验机的工作频率范围应能满足试验要求。9.1.5试验机应每年检定一次。
9.2试验样本及样本单位
应符合表2规定。
9.3链条固定装置
按GB/T12718中6.2.3条规定执行。331
9.4试验程序
MT 522--- 1995
被试样本单位在试验机上夹紧后,按GB/T12718中表7规定的疲劳负荷加载,疲劳负荷作用频率为200~1000次/min,当型式检验、国家技术监督部门抽检和仲裁检验时为500次/min。经疲劳试验的样本单位循环次数应不低于3.0000次。9.5疲劳强度检验结果的判定准则圆环链疲劳强度的检验结果按表2的规定执行10弯曲挑度值检验
10.1试验机应符合8.1条的规定。10.2弯曲试验样本大小按表2规定,各试样表面不得涂漆。试验夹具及加载方式按GB/T12718中6.3.3条规定执行。10.3
10.4试验程序:
试验弯曲加载应在无冲击状态下进行,最大加载速度为每秒20N/mm。测得最小弯曲挠度值应符合GB/T12718表8所规定的数值。10.5判定准则,按表2判定数组判定该项目是否合格。11
缺口冲击值检验
按GB/T12718附录B进行。
12数据处理
12.1数据的修约应符合GB8170的规定。12.2尺寸测量有效位数取小数点后1位数,试验负荷下伸长率、破断负荷、破断总伸长率、弯曲挠度值有效位数取小数点后两位数。
12.3测定值或其计算值与标准规定的极限数值作比较判定时,应符合GB1250的规定。13圆环链检验综合判定准则
13.1受检圆环链型式检验的各项目均合格,判该批产品型式检验合格,否则判型式检验不合格。13.2受检圆环链出厂检验的各项目均合格,判该批产品出厂检验合格,否则,判出厂检验不合格。14检验过程中异常现象的处理
14.1若受检产品的表面质量有裂纹等严重缺陷被判为不合格,不再继续进行其他项目的检验。14.2在检验产品的机械性能时,若发生以下情况之一者,检验无效,须重新检验。突然停电、停水中断检验;
设备及仪表出现故障或意外损坏;b.
其他不可避免的灾害等事故。
附加说明:
本标准由煤炭科学研究总院提出。MT522—1995
本标准由煤炭部煤矿专用设备标准化技术委员会刮板输送机分会归口。本标准由煤炭科学研究总院太原分院负责起草。本标准主要起草人罗庆吉、钱观生。本标准委托煤炭科学研究总院太原分院负责解释。333
小提示:此标准内容仅展示完整标准里的部分截取内容,若需要完整标准请到上方自行免费下载完整标准文档。

标准图片预览:





- 其它标准
- 上一篇: MT 52-1996 煤矿用岩石电钻
- 下一篇: MT 53-1980 静电显影记录仪
- 热门标准
- 煤炭行业标准(MT)
- MT239-1991 褐煤蜡技术条件
- MT/T1112-2011 煤矿图像监视系统通用技术条件
- MT559-1996 煤矿用带式输送机橡胶缓冲托辊安全性能检验规范
- MT187.7-1988 刮板输送机紧固件 半圆头方颈螺栓
- MT542-1996 单体支柱柱鞋
- MT/T619-1996 煤炭试验室分级和评定
- MT/T188.4-2000 煤矿用乳化液泵站 过滤器技术条件
- MT/T408-1995 煤矿用直流稳压电源
- MT/T569-1995 矿用板翅式冷却器技术条件
- MT234-1991 3吨矿车 立井多绳罐笼
- MT962-2005 煤矿带式输送机滚筒用橡胶包覆层技术条件
- MT306.4-1992 常压固定床煤气发生炉用铜川矿务局煤技术条件
- MT871-2000 矿用隔爆型低压交流真空馈电开关
- MT299.4-1992 水泥回转窑用鹤岗矿务局煤技术条件
- MT/T1094-2008 煤用盘式加压过滤机
- 行业新闻
请牢记:“bzxz.net”即是“标准下载”四个汉字汉语拼音首字母与国际顶级域名“.net”的组合。 ©2009 标准下载网 www.bzxz.net 本站邮件:bzxznet@163.com
网站备案号:湘ICP备2023016450号-1
网站备案号:湘ICP备2023016450号-1