- 您的位置:
- 标准下载网 >>
- 标准分类 >>
- 国家标准(GB) >>
- GB/T 3076-1982 金属薄板(带)拉伸试验方法
标准号:
GB/T 3076-1982
标准名称:
金属薄板(带)拉伸试验方法
标准类别:
国家标准(GB)
标准状态:
已作废-
发布日期:
1982-05-10 -
实施日期:
1983-03-01 -
作废日期:
2002-07-01 出版语种:
简体中文下载格式:
.rar.pdf下载大小:
341.41 KB
替代情况:
被GB/T 228-2002代替
部分标准内容:
中华人民共和国国家标准
金属薄板(带)拉伸试验方法
Method for tensiie testing of metallic sheet and stripUDC 669:620.172
GB3076
本标准适用于测定厚度为0.15~0.5mm金属薄板(带)的拉伸性能。厚度小十0.15mm时,经双方协议办可参考本标准进行试验。般规定
1.1定义:
1.1.1试样平行长度:试样两头部或两夹持部分(不带头试样)之间的平行部分长度。1.1.2试样标距:拉伸试验过程中的任---时刻,用以测量试样伸长的那一部分长度。a。试样原始标距:测量试样伸长的原始长度。b。试样断后标距:试样拉断后,断裂的两段对接在一起,使其轴线同处于·直线上时的标距。1.1.3引伸计标距:引伸计测量试样伸长的原始长度。1.1.4负荷:拉伸试验过程中试样承受的轴向拉力。1.1.5最大负荷:拉伸试验过程中试样所能承受的最大负荷。1.1.6应力:拉伸试验过程中的任一时刻,负荷除以试样原始横截面面积的商。1.1.7规定非比例伸长应力:拉伸试验加荷过程中,试样标距部分的非比例伸长达到原始标距的规定百分数(例如0.01%、0.2%等)时的应力。注:在拉伸负荷下测定非比例伸长与卸荷后测定残余长所确定的规定伸长应力略有不同,为了加以区分,前者称为规定非比例伸长应力,后者称为规定残余伸长应力。1.1.8席服点:试样在拉伸过程中,达到产生塑性变形而负荷不增加仍继续伸长时所对应的应力。上屈服点:试样在拉伸过程中,试样发生屈服而负荷首次下降前的最大负荷所对应的应力。1.1.9
下屈服点:试样在屈服阶段最低负荷所对应的应力,当出现多个负荷降低的凹时,应为第个山谷之后最低负荷所对应的应力。抗拉强度:拉伸试验过程中,试样承受的最大负荷所对应的应力。1.1.1
伸长率:试样拉断后原始标距的增量与原始标距的百分比。1.2符号、名称及单位见表1:
试样厚度
试样宽度
试样总长度
试样平行长度
国家标准总局1982-05-10发布
1983-03-01实施
GB 3076—82
续表1
试样原始标距
试样断后标距
御计标距
试样原始横截而面积
规定非比例伸长负荷
服负荷
上展服负荷
下妮服负
最大负荷
规定非比例伸长应力
好服点
上解服点
下届服点
抗拉强度
伸长率
规定非比例伸长率
伸长放大倍数
注:可以采用1kgf=9.80N、1N/mm2=1MPa的换算关系。2试样
2.1试样的形状及尺寸
N(kgf)
N(kgf)
N(kgf)
N(kgf)
N(kgf)
N/mm2 (kgf/mm2 )
N/mm\ (kgf/ mm2)
N/mm\ (kgf/ mm°)
N/mm2 (kgf/mm\)
N/mm2 (kgf/ mm\)
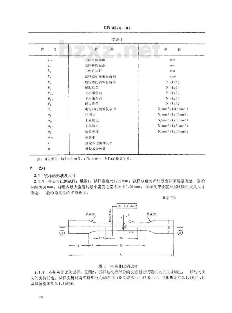
2.1.1带头非比例试样:见图1,试样宽度为12.5mm,试样厚度为产品厚度并保留原表面,原始标距为50mm,标距内最大宽度与最小宽度之差不大于0.06mm,试样头部长度根据试验机央头尺寸·般约为夹头的火持长度。
其余V3
R≥20
图1带头非比例试样
R≥20
2.1.2不带头非比例试样:见图2,试样被夹持部分的长度根据试验机火头尺寸确定,-般约为火
头的夹持长度。试样夹持时两夹持部分之间的由长度应不小于87.5mm。其他规定与2.1.1相间,件裁试验应采用2.1.1试样。
GB3076—82
图2不带头非比例试样
其东73
2.1.3当仪测定规定非比例伸长应力时,也可采用图3所示原始标距为50mm带5比的非比例试样。注:引仲计小装卡在距择根部0.5mm以外。2 .5
R≥20
.50 ± 6.
图3带凸耳非比例试样
其杂V3
2.1.4如有关标准或双方协议规定采用其他类型试样,可按其规定执行。2.2样坏切取及试样制备
2.2.1样坏切取的数遗、部位、取向应由有关燃准或双方协议规定。2.2.2切取样坏和机加工试样时,应防正冷加「或热影响南改变材料的性能。2.2.3机加上后的试样应直、无毛刺、划伤及其他人为损伤。从板卷或带卷1切取的试样允产哗有不影响性能测定的轻度嵌。
2.3试样的贮存
GB 3076 --- 82
试验前,试样应在干燥、无腐蚀介质的空温环境下存放,并应防止存放期间试样变形和表面受到损伤。
3试验设备
3.1试验枕
3.1.1各种类型试验机均可使用,其误差应符合下列要求:a.
负荷示值误差不应超过土1%:
b.负荷变动度不应超过1%,
负荷进回程示值相对误差不应超过1.5%,d.负荷指示装置的相对分辨率不应超过0.5%。注:在负指示装置上能够可靠地估读一个量的最小值(它不大于每级测最范围下限示值相对误差的-半,对于数字指示装置应是稳定数字指示值的最小变化慰)与实际负荷的百分比称为指装置的相对分难率。3.1.2试验机应备有调速指示装置,其速度能在本标准规定的范围内控制和调节,并保持加卸荷!稳而无冲击现象。
3.1.3试验机应备有记录装置,能满足本标准规定的负荷一伸长和负荷~夹头位移作图的要求。3.1.4试验机的夹头应具有下述性能:a。在试验过程中应能牢固夹持本标准规定厚度范围内的试样。b。夹持试样时应能指示试样纵轴中心线与夹头的夹持中心线重合,并H加莅时,试样和、下火头的中心线应与试验机拉力轴线重合。3.1.5试验机应由计量部门定期检定。3.2引伸计
3.2.1仰计应进行标定,标定时引伸计的T作状态应尽可能与试验1作状态相同。引钟计的标定与分级方法见附录A、B。
3.2.2经过标定的引伸计,在日常试验前应汀意检查,即在全量程内标定一组完整的数据,用原标定系数计算核对应变误差。当发现异常或经使用一段时间后,仍需按附求方法重新进行标定。3.2.3应根据表2选用相应级别的引伸计。表2
规定非比例伸长率,%
2 0. 05 ~ 0. 2
允许使的最您级别
3.2.4引伸计标距应不人丁试样原始标距,如果使用引伸计标称标距,其实际标距与标称标距的偏差符合表3规定,否则需测量实际标距。社:引仲让实际标距系指引伸计装卡在试样上测斑试栏伸长的实际距离。134
引伸许级别
4试样尺寸的测量
GB 3076-82
标理充许備
4.1试样厚度应在试样标的两端及!确处浏量,测量精度后不低10.(02mm。4.2试样宽度应在试样标距的两端及:间处测量,载精度应不低!0.(5mm4.3试样的原始横截面面积应取三处测定的横截面衡积中最小者。4.4如由严测量具所限,可以用重最法测定不带头非比例试样的丫均原始赖截而面积,按(1)式计算:
式中:F,—一试样半均原始截面面积,mm;W
一试样质,g,测量精度不低j0.5%;一材料密度,/cm,取=信有效数宁:L—一试样长度,mm,测最精度不低F0.5mm:(1)
4.5原始标距的标记应准确,般偏老不应大!+0.2扭m,倡对于长率低的材料侧不应大=0.1 mm。测量断后标避的精度应不低F0.1mm,5试验条件
5.1拉伸速度:除有关标准或双方协设另有规定外,拉伸速度应为:5.1.1测定规定非比例伸长应力和服点时,点服前的应力增加速度验控制在5~101:mm2,(0.5~1kgf/mm”·s)范图内。在能够控倒应变速度的情况下,可以案用相应的应变速度进得试验:在达到规定非比例伸长应力或版服点一半之前可以来用适当的速度。中裁试验应为5N,mm=·(0.5kgf/mm2.s)。
注:在不影响性能测定的情况下,生产检验充许采用5~30N/mm2.s(0.5~3kgl/mm2,s)的应力拍册连度5.1.2不测规定非比例伸长应力、用服点或测定这些性能后,试验机央头移动率度为0.1-0.51.mm/min。速度的改变应平滑光冲击。仲裁试验采用0.1lcmm/min的速度。5.2试验应在室温(10~35℃)下进行。6性能测定
6.1规定非比例伸长应力的测定
6.1.1规定非比例伸长应力用负荷一御长作图法测定。在自动记录装置绘出的负荷一神长函线!.自弹性直线段与横坐标轴的交点O起,截取相应十规定非比例作长的距离(C(等L*%)过C点作平行F弹性直线段的CA线交于负荷伸长比线护4点。A点对成的鱼荷即为规定非比例他长负荷,见图4(a),规定非比例伸长应力按(2)式计算:GB3076—82
绘制负荷一伸长曲线时,负荷坐标轴每毫米所代表的负荷应使应力不大子10N/mm(1kgt/mm2):负荷一伸长曲线的高度应使P。处于负荷轴量程的-平以上,伸长轴放大倍数的选择应使图4中OC段的长度不小于5mm。
6.1.2如果负荷一伸长曲线无明显弹性直线段,以致无法确定相应的规定非比例仲长负衔,则应采用下述方法确定。
6.1.2.1对试样连续加荷至超过预期规定非比例伸长应力对应的负荷后,立即卸衙降至接近零负荷,接着再连续加荷,同时绘出加荷一一卸荷一一再加荷的负荷一伸长曲线。在再加荷的负荷一伸长也线上确定弹性直线段,并按6.1.1作平行线法确定规定非比例伸长负荷。见图4(b)。6.1.2.2如果再加荷的负荷一伸长曲线仍无明显弹性直线段,在这种情况下,卸荷线与再加荷线般会构成一个滞后环。过滞后环两端点作一直线,按照6.1,1作平行线法确定非比例伸长负荷。见图4(c)。
6.1.2.3如采用6.1.2.1或6.1.2.2法作图有困难时,也可在负荷~伸长曲线上取B、D两点,其对应负荷分别为0.1Po.2、0.5Po.2,以BD连线为基准按6.1.1作平行线法确定规定非比例伸长负荷。见图4(d)。仲裁试验不采用此法。注:首先从负衔一伸长曲线直观估计Po.2的值,确定B、D两点连线,用作平行线法求出第次逼近的Po.2值,以此值作第次逼近。般做两次逼近已足够。以最后一次确定B、D两点连线的斜率为基准确定规定非比例伸长负荷。
n·Le·e%
图4(a、b)
GB3076-82
n· Le.t%
图4(c、d)
6.1.3生产检验允许使用负荷-央头位移作图法测定规定非比例伸长应力o.2。如果负荷-夹头位移曲线无朋显弹性直线段,确定规定非比例伸长负荷P.2按照6.1.2.1、6.1.2.2或6.1.2.3进行。负荷轴和位移轴放大倍数的选择按6.1.1规定。仲裁试验则采用负荷一伸长作图法。6.2屈服点的测定
6.2.1除有关标准或双方协议另有规定外,一般具有上服点和下屈服点的材料,应测定其下屈服点,并仅以屈服点的符号表示。无明显屈服现象的材料,一般应测定其规定非比例伸长应力00.2。6.2.2负荷一伸长作图法:在自动装置绘出的负荷一伸长曲线上,找出屈服平台的恒定负荷或屈服阶段的最低负荷,当出现多个负荷下降的凹谷时,应取第一个凹谷之后的最低负荷作为屈服负衙。见图5。服点按(3)式计算:
绘制负荷伸长曲线时,负荷轴的选择与6.1.1相同,伸长轴的放大倍数一般应不小下50倍。Ps
图5(a、b)
GB3076-82
图5(c、d)
6.2.3负荷一夹头位移作图法:在自动记录装置绘出的负荷一夹头位移曲线上确定屈服负荷。癌服负荷的确定、屈服点的计算、负荷轴和位移轴放大倍数的选择均与6.2.2相同。6.2.4指针法:生产检验中允许使用此方法测定屈服负荷。即对试样连续加荷,读取当测力度盘指针停止转动时指示的恒定负荷或指针回转期间指示的最低负荷。当指针出现多次回转时,应读取第次回转之后指示的最低负荷。仲裁试验则采用负荷一伸长作图法。注:采用此方法时应确保试样夹持牢固,以免试验过程中夹头与试样发生相对滑动而造成屈服假象。6.3抗拉强度的测定
对试样连续加荷,从测力度盘或负荷一伸长曲线、负荷一夹头位移曲线上读取最大负荷。见图6。抗拉强度按(4)式计算:
(4)
GB 3076—82
6.4伸长率的测定
6.4.1试验前采用适当的方法在试样上标出纵轴中心线及原始标距,原始标距内应分成若干等分格。标距标记和等分格标记不应刻到试样棱边上。6.4.2断启标距L,的测量:试样拉断后的两段在拉断处紧密对接起来,使其轴线处于一-直线上,此时拉断处的缝隙应计人试样拉断后的标距L,内。L,用下述方法之…-测定:6.4.2.1直测法:如果拉断处到最邻近的标距端点的距离大于1/3L。时,可真接测量标距两端点的距离即为Lt
6.4.2.2如果拉断处到最邻近的标距端点的距离小于或等于1/3L。时,则可按下述方法确定L1:在长段上从拉断处O取基本等于短段格数得B点,如果长段所余格数为偶数,则取其--半得C点,移位后的L,为AO+OB+2BC。见图7(a)。如果长段所余格数为奇数,则取其所余格数减一的半得C点,所余格数加一的一半得C,点。移位后的L,为AO+OB+BC+BC1。见图7(b)。A
6.4.3伸长率按(5)式计算:
L,(实际的)
L,(移位后的)
1(实际的)
L,(移位后的)
Li- L。
X 100%
·(5)
注;如果用直测法求得的伸长率达到有关标准规定的最小值,则无论拉断处位于标距内何处,均可不采用移位法,试验结果仍为有效。
6.5测得性能数值的化整
按相应标准规定的位数化整,但至少应保留两位有效数字,所需位数后的数字均按四舍六人五单双法修约。
?试验结果处理
7.1试验出现下列情况之-一者,试验结果无效,此时应补做同样数量的试验。a。试样断在标记上或断在标距外而且造成其中一项或多项性能不符合规定要求者b。试验中操作不当:
试验期间设备仪器发生故障。
GB 3076--82
附录AwwW.bzxz.Net
引伸计的标定与分级方法
(补充件)
本方法适用于标定自动记求长度变化的引伸计。A.1定义
A.1.1引伸计:测定试样伸长的装置,它包括变形传感器和记录或指示装置。A.1.2引伸计标距:引伸让测量试样伸长的原始长度。A.1.3伸长示值:引伸计标距相对原始标距变化的指示值。A.1.4应变:标距内单位长度的伸长。A.1.5标定:测定引伸计伸长示值与标定器给定位移的关系。A.1.6伸长放大倍数:引伸计伸长示值与标定器给定位移量关系曲线的斜率。A.1.7标定系数:标定器的位移量与引伸计标距和引伸计伸长示值乘积之比。标定系数乘以引伸计伸长示值即可得相应的应变。用下式表示:A
f = LeAle
式中:了标定系数
Le引伸计标距;
41—标定器给定位移量;
Ale—引伸计仲长示值。
A.1.8应变示值误养:引伸计的应变示值减去标定器给定的应变值。引伸计等级:规定的应变示值误差级别。A.1.9
A.2标定器
A.2.1标定器是用以对被标定的伸计施加精确位移量的仪器。它由刚性支架。两个严格问轴的心轴或装卡引伸计的夹具、精确测量沿心轴轴向位移变化的测微计(或干分表,下同)组成。引仲计装卡子上下心轴上,个心轴固定,一个心轴与测微计结合,并可由测微计上:下带动而变化固心轴的相对距离。
A.2.2标定器的精度可以用1涉仪或块规标定,标定器允许误差不大于引伸计允许误差的1/3。A.2.3
标定器测微计的最小分度不大0.001mm。A.2.4标定器应具有标定不同结构型式引伸计的能力。A.3标定
A.3.1标定是在室温下进行,室温应尽可能保持恒定。标定前,引伸计与标定器应置于标定地点足够长的时间,确信与周圈环境温度达到平衡后才能开始标定。A.3.2标时引伸计的工作状态应尽可能与使用时F常的.L作状态(例如标距、放人倍数、增应变或减应变、装卡方法、室温等)相…·致。A.3.3标定时引伸计标距的误差应符合表A.1规定:1-j0
引伸计级
GB 3076—82
充许误袭
0.20h : 0.06 mm
应小心地把引伸计的变形传感器装卡于标定器上。建议在正式开始标定前,旋动标定器使A.3.4
从零点进程到满最程的10!左右,然后退回零点,复两次。最后一次退过苓点然后进到零点,此时作为引仲计的零点。将标定的全量程的位移量分成8~10级(建议分成10级),旋动测微计逐级施川位移量,引伸计自动记录相应的长度变化,直到满量程为止。然后将标定器退固到签点,卸下引伸的变形传感器并重新装卡,按上述程序重复进行标定。重复装卡和标定两次,共得:三组完整的引伴计目!动记录数据。
引伸计应变示值误差及分级
A,4.1在每级位移量卜计算引伸计的应变示值误差(计算时取零点到每级的位移虽)。A.4.2
从三组完整的标定数据中计算出强伸让应变示值误差,其最大值即为引伸计的最人应变示值误差。
引仲计以其最大应变示值误差分级,规定如表A2。表A2
引伸计等级
A.5引伸计伸长进回程示值相对误差引伸计伸长进间程示值相对误差应符合表A3规定。表A3
引伸等级
充许最大应变小值误希
进程示值相对误差,
社:在引伸计全欺程内分。一10级,作次进程和间程标定,算出各级进间强差进星的自分比,取最人假为声仲的伸长进创程示值相对误差。A.6
标定报告
A.6.1标定报告应包括下列内容:a.
引伸计名称、型号;
引伸计标距;
标定器和引伸计的标定数据:
伸长放大倍数;
标定系数;
引伸计最太应变示值误差;
引伸计伸长进回程示值相对误差;引伸计等级:
标定时的室温;
标定者及标定日期。
GB3076—82
小提示:此标准内容仅展示完整标准里的部分截取内容,若需要完整标准请到上方自行免费下载完整标准文档。
金属薄板(带)拉伸试验方法
Method for tensiie testing of metallic sheet and stripUDC 669:620.172
GB3076
本标准适用于测定厚度为0.15~0.5mm金属薄板(带)的拉伸性能。厚度小十0.15mm时,经双方协议办可参考本标准进行试验。般规定
1.1定义:
1.1.1试样平行长度:试样两头部或两夹持部分(不带头试样)之间的平行部分长度。1.1.2试样标距:拉伸试验过程中的任---时刻,用以测量试样伸长的那一部分长度。a。试样原始标距:测量试样伸长的原始长度。b。试样断后标距:试样拉断后,断裂的两段对接在一起,使其轴线同处于·直线上时的标距。1.1.3引伸计标距:引伸计测量试样伸长的原始长度。1.1.4负荷:拉伸试验过程中试样承受的轴向拉力。1.1.5最大负荷:拉伸试验过程中试样所能承受的最大负荷。1.1.6应力:拉伸试验过程中的任一时刻,负荷除以试样原始横截面面积的商。1.1.7规定非比例伸长应力:拉伸试验加荷过程中,试样标距部分的非比例伸长达到原始标距的规定百分数(例如0.01%、0.2%等)时的应力。注:在拉伸负荷下测定非比例伸长与卸荷后测定残余长所确定的规定伸长应力略有不同,为了加以区分,前者称为规定非比例伸长应力,后者称为规定残余伸长应力。1.1.8席服点:试样在拉伸过程中,达到产生塑性变形而负荷不增加仍继续伸长时所对应的应力。上屈服点:试样在拉伸过程中,试样发生屈服而负荷首次下降前的最大负荷所对应的应力。1.1.9
下屈服点:试样在屈服阶段最低负荷所对应的应力,当出现多个负荷降低的凹时,应为第个山谷之后最低负荷所对应的应力。抗拉强度:拉伸试验过程中,试样承受的最大负荷所对应的应力。1.1.1
伸长率:试样拉断后原始标距的增量与原始标距的百分比。1.2符号、名称及单位见表1:
试样厚度
试样宽度
试样总长度
试样平行长度
国家标准总局1982-05-10发布
1983-03-01实施
GB 3076—82
续表1
试样原始标距
试样断后标距
御计标距
试样原始横截而面积
规定非比例伸长负荷
服负荷
上展服负荷
下妮服负
最大负荷
规定非比例伸长应力
好服点
上解服点
下届服点
抗拉强度
伸长率
规定非比例伸长率
伸长放大倍数
注:可以采用1kgf=9.80N、1N/mm2=1MPa的换算关系。2试样
2.1试样的形状及尺寸
N(kgf)
N(kgf)
N(kgf)
N(kgf)
N(kgf)
N/mm2 (kgf/mm2 )
N/mm\ (kgf/ mm2)
N/mm\ (kgf/ mm°)
N/mm2 (kgf/mm\)
N/mm2 (kgf/ mm\)
2.1.1带头非比例试样:见图1,试样宽度为12.5mm,试样厚度为产品厚度并保留原表面,原始标距为50mm,标距内最大宽度与最小宽度之差不大于0.06mm,试样头部长度根据试验机央头尺寸·般约为夹头的火持长度。
其余V3
R≥20
图1带头非比例试样
R≥20
2.1.2不带头非比例试样:见图2,试样被夹持部分的长度根据试验机火头尺寸确定,-般约为火
头的夹持长度。试样夹持时两夹持部分之间的由长度应不小于87.5mm。其他规定与2.1.1相间,件裁试验应采用2.1.1试样。
GB3076—82
图2不带头非比例试样
其东73
2.1.3当仪测定规定非比例伸长应力时,也可采用图3所示原始标距为50mm带5比的非比例试样。注:引仲计小装卡在距择根部0.5mm以外。2 .5
R≥20
.50 ± 6.
图3带凸耳非比例试样
其杂V3
2.1.4如有关标准或双方协议规定采用其他类型试样,可按其规定执行。2.2样坏切取及试样制备
2.2.1样坏切取的数遗、部位、取向应由有关燃准或双方协议规定。2.2.2切取样坏和机加工试样时,应防正冷加「或热影响南改变材料的性能。2.2.3机加上后的试样应直、无毛刺、划伤及其他人为损伤。从板卷或带卷1切取的试样允产哗有不影响性能测定的轻度嵌。
2.3试样的贮存
GB 3076 --- 82
试验前,试样应在干燥、无腐蚀介质的空温环境下存放,并应防止存放期间试样变形和表面受到损伤。
3试验设备
3.1试验枕
3.1.1各种类型试验机均可使用,其误差应符合下列要求:a.
负荷示值误差不应超过土1%:
b.负荷变动度不应超过1%,
负荷进回程示值相对误差不应超过1.5%,d.负荷指示装置的相对分辨率不应超过0.5%。注:在负指示装置上能够可靠地估读一个量的最小值(它不大于每级测最范围下限示值相对误差的-半,对于数字指示装置应是稳定数字指示值的最小变化慰)与实际负荷的百分比称为指装置的相对分难率。3.1.2试验机应备有调速指示装置,其速度能在本标准规定的范围内控制和调节,并保持加卸荷!稳而无冲击现象。
3.1.3试验机应备有记录装置,能满足本标准规定的负荷一伸长和负荷~夹头位移作图的要求。3.1.4试验机的夹头应具有下述性能:a。在试验过程中应能牢固夹持本标准规定厚度范围内的试样。b。夹持试样时应能指示试样纵轴中心线与夹头的夹持中心线重合,并H加莅时,试样和、下火头的中心线应与试验机拉力轴线重合。3.1.5试验机应由计量部门定期检定。3.2引伸计
3.2.1仰计应进行标定,标定时引伸计的T作状态应尽可能与试验1作状态相同。引钟计的标定与分级方法见附录A、B。
3.2.2经过标定的引伸计,在日常试验前应汀意检查,即在全量程内标定一组完整的数据,用原标定系数计算核对应变误差。当发现异常或经使用一段时间后,仍需按附求方法重新进行标定。3.2.3应根据表2选用相应级别的引伸计。表2
规定非比例伸长率,%
2 0. 05 ~ 0. 2
允许使的最您级别
3.2.4引伸计标距应不人丁试样原始标距,如果使用引伸计标称标距,其实际标距与标称标距的偏差符合表3规定,否则需测量实际标距。社:引仲让实际标距系指引伸计装卡在试样上测斑试栏伸长的实际距离。134
引伸许级别
4试样尺寸的测量
GB 3076-82
标理充许備
4.1试样厚度应在试样标的两端及!确处浏量,测量精度后不低10.(02mm。4.2试样宽度应在试样标距的两端及:间处测量,载精度应不低!0.(5mm4.3试样的原始横截面面积应取三处测定的横截面衡积中最小者。4.4如由严测量具所限,可以用重最法测定不带头非比例试样的丫均原始赖截而面积,按(1)式计算:
式中:F,—一试样半均原始截面面积,mm;W
一试样质,g,测量精度不低j0.5%;一材料密度,/cm,取=信有效数宁:L—一试样长度,mm,测最精度不低F0.5mm:(1)
4.5原始标距的标记应准确,般偏老不应大!+0.2扭m,倡对于长率低的材料侧不应大=0.1 mm。测量断后标避的精度应不低F0.1mm,5试验条件
5.1拉伸速度:除有关标准或双方协设另有规定外,拉伸速度应为:5.1.1测定规定非比例伸长应力和服点时,点服前的应力增加速度验控制在5~101:mm2,(0.5~1kgf/mm”·s)范图内。在能够控倒应变速度的情况下,可以案用相应的应变速度进得试验:在达到规定非比例伸长应力或版服点一半之前可以来用适当的速度。中裁试验应为5N,mm=·(0.5kgf/mm2.s)。
注:在不影响性能测定的情况下,生产检验充许采用5~30N/mm2.s(0.5~3kgl/mm2,s)的应力拍册连度5.1.2不测规定非比例伸长应力、用服点或测定这些性能后,试验机央头移动率度为0.1-0.51.mm/min。速度的改变应平滑光冲击。仲裁试验采用0.1lcmm/min的速度。5.2试验应在室温(10~35℃)下进行。6性能测定
6.1规定非比例伸长应力的测定
6.1.1规定非比例伸长应力用负荷一御长作图法测定。在自动记录装置绘出的负荷一神长函线!.自弹性直线段与横坐标轴的交点O起,截取相应十规定非比例作长的距离(C(等L*%)过C点作平行F弹性直线段的CA线交于负荷伸长比线护4点。A点对成的鱼荷即为规定非比例他长负荷,见图4(a),规定非比例伸长应力按(2)式计算:GB3076—82
绘制负荷一伸长曲线时,负荷坐标轴每毫米所代表的负荷应使应力不大子10N/mm(1kgt/mm2):负荷一伸长曲线的高度应使P。处于负荷轴量程的-平以上,伸长轴放大倍数的选择应使图4中OC段的长度不小于5mm。
6.1.2如果负荷一伸长曲线无明显弹性直线段,以致无法确定相应的规定非比例仲长负衔,则应采用下述方法确定。
6.1.2.1对试样连续加荷至超过预期规定非比例伸长应力对应的负荷后,立即卸衙降至接近零负荷,接着再连续加荷,同时绘出加荷一一卸荷一一再加荷的负荷一伸长曲线。在再加荷的负荷一伸长也线上确定弹性直线段,并按6.1.1作平行线法确定规定非比例伸长负荷。见图4(b)。6.1.2.2如果再加荷的负荷一伸长曲线仍无明显弹性直线段,在这种情况下,卸荷线与再加荷线般会构成一个滞后环。过滞后环两端点作一直线,按照6.1,1作平行线法确定非比例伸长负荷。见图4(c)。
6.1.2.3如采用6.1.2.1或6.1.2.2法作图有困难时,也可在负荷~伸长曲线上取B、D两点,其对应负荷分别为0.1Po.2、0.5Po.2,以BD连线为基准按6.1.1作平行线法确定规定非比例伸长负荷。见图4(d)。仲裁试验不采用此法。注:首先从负衔一伸长曲线直观估计Po.2的值,确定B、D两点连线,用作平行线法求出第次逼近的Po.2值,以此值作第次逼近。般做两次逼近已足够。以最后一次确定B、D两点连线的斜率为基准确定规定非比例伸长负荷。
n·Le·e%
图4(a、b)
GB3076-82
n· Le.t%
图4(c、d)
6.1.3生产检验允许使用负荷-央头位移作图法测定规定非比例伸长应力o.2。如果负荷-夹头位移曲线无朋显弹性直线段,确定规定非比例伸长负荷P.2按照6.1.2.1、6.1.2.2或6.1.2.3进行。负荷轴和位移轴放大倍数的选择按6.1.1规定。仲裁试验则采用负荷一伸长作图法。6.2屈服点的测定
6.2.1除有关标准或双方协议另有规定外,一般具有上服点和下屈服点的材料,应测定其下屈服点,并仅以屈服点的符号表示。无明显屈服现象的材料,一般应测定其规定非比例伸长应力00.2。6.2.2负荷一伸长作图法:在自动装置绘出的负荷一伸长曲线上,找出屈服平台的恒定负荷或屈服阶段的最低负荷,当出现多个负荷下降的凹谷时,应取第一个凹谷之后的最低负荷作为屈服负衙。见图5。服点按(3)式计算:
绘制负荷伸长曲线时,负荷轴的选择与6.1.1相同,伸长轴的放大倍数一般应不小下50倍。Ps
图5(a、b)
GB3076-82
图5(c、d)
6.2.3负荷一夹头位移作图法:在自动记录装置绘出的负荷一夹头位移曲线上确定屈服负荷。癌服负荷的确定、屈服点的计算、负荷轴和位移轴放大倍数的选择均与6.2.2相同。6.2.4指针法:生产检验中允许使用此方法测定屈服负荷。即对试样连续加荷,读取当测力度盘指针停止转动时指示的恒定负荷或指针回转期间指示的最低负荷。当指针出现多次回转时,应读取第次回转之后指示的最低负荷。仲裁试验则采用负荷一伸长作图法。注:采用此方法时应确保试样夹持牢固,以免试验过程中夹头与试样发生相对滑动而造成屈服假象。6.3抗拉强度的测定
对试样连续加荷,从测力度盘或负荷一伸长曲线、负荷一夹头位移曲线上读取最大负荷。见图6。抗拉强度按(4)式计算:
(4)
GB 3076—82
6.4伸长率的测定
6.4.1试验前采用适当的方法在试样上标出纵轴中心线及原始标距,原始标距内应分成若干等分格。标距标记和等分格标记不应刻到试样棱边上。6.4.2断启标距L,的测量:试样拉断后的两段在拉断处紧密对接起来,使其轴线处于一-直线上,此时拉断处的缝隙应计人试样拉断后的标距L,内。L,用下述方法之…-测定:6.4.2.1直测法:如果拉断处到最邻近的标距端点的距离大于1/3L。时,可真接测量标距两端点的距离即为Lt
6.4.2.2如果拉断处到最邻近的标距端点的距离小于或等于1/3L。时,则可按下述方法确定L1:在长段上从拉断处O取基本等于短段格数得B点,如果长段所余格数为偶数,则取其--半得C点,移位后的L,为AO+OB+2BC。见图7(a)。如果长段所余格数为奇数,则取其所余格数减一的半得C点,所余格数加一的一半得C,点。移位后的L,为AO+OB+BC+BC1。见图7(b)。A
6.4.3伸长率按(5)式计算:
L,(实际的)
L,(移位后的)
1(实际的)
L,(移位后的)
Li- L。
X 100%
·(5)
注;如果用直测法求得的伸长率达到有关标准规定的最小值,则无论拉断处位于标距内何处,均可不采用移位法,试验结果仍为有效。
6.5测得性能数值的化整
按相应标准规定的位数化整,但至少应保留两位有效数字,所需位数后的数字均按四舍六人五单双法修约。
?试验结果处理
7.1试验出现下列情况之-一者,试验结果无效,此时应补做同样数量的试验。a。试样断在标记上或断在标距外而且造成其中一项或多项性能不符合规定要求者b。试验中操作不当:
试验期间设备仪器发生故障。
GB 3076--82
附录AwwW.bzxz.Net
引伸计的标定与分级方法
(补充件)
本方法适用于标定自动记求长度变化的引伸计。A.1定义
A.1.1引伸计:测定试样伸长的装置,它包括变形传感器和记录或指示装置。A.1.2引伸计标距:引伸让测量试样伸长的原始长度。A.1.3伸长示值:引伸计标距相对原始标距变化的指示值。A.1.4应变:标距内单位长度的伸长。A.1.5标定:测定引伸计伸长示值与标定器给定位移的关系。A.1.6伸长放大倍数:引伸计伸长示值与标定器给定位移量关系曲线的斜率。A.1.7标定系数:标定器的位移量与引伸计标距和引伸计伸长示值乘积之比。标定系数乘以引伸计伸长示值即可得相应的应变。用下式表示:A
f = LeAle
式中:了标定系数
Le引伸计标距;
41—标定器给定位移量;
Ale—引伸计仲长示值。
A.1.8应变示值误养:引伸计的应变示值减去标定器给定的应变值。引伸计等级:规定的应变示值误差级别。A.1.9
A.2标定器
A.2.1标定器是用以对被标定的伸计施加精确位移量的仪器。它由刚性支架。两个严格问轴的心轴或装卡引伸计的夹具、精确测量沿心轴轴向位移变化的测微计(或干分表,下同)组成。引仲计装卡子上下心轴上,个心轴固定,一个心轴与测微计结合,并可由测微计上:下带动而变化固心轴的相对距离。
A.2.2标定器的精度可以用1涉仪或块规标定,标定器允许误差不大于引伸计允许误差的1/3。A.2.3
标定器测微计的最小分度不大0.001mm。A.2.4标定器应具有标定不同结构型式引伸计的能力。A.3标定
A.3.1标定是在室温下进行,室温应尽可能保持恒定。标定前,引伸计与标定器应置于标定地点足够长的时间,确信与周圈环境温度达到平衡后才能开始标定。A.3.2标时引伸计的工作状态应尽可能与使用时F常的.L作状态(例如标距、放人倍数、增应变或减应变、装卡方法、室温等)相…·致。A.3.3标定时引伸计标距的误差应符合表A.1规定:1-j0
引伸计级
GB 3076—82
充许误袭
0.20h : 0.06 mm
应小心地把引伸计的变形传感器装卡于标定器上。建议在正式开始标定前,旋动标定器使A.3.4
从零点进程到满最程的10!左右,然后退回零点,复两次。最后一次退过苓点然后进到零点,此时作为引仲计的零点。将标定的全量程的位移量分成8~10级(建议分成10级),旋动测微计逐级施川位移量,引伸计自动记录相应的长度变化,直到满量程为止。然后将标定器退固到签点,卸下引伸的变形传感器并重新装卡,按上述程序重复进行标定。重复装卡和标定两次,共得:三组完整的引伴计目!动记录数据。
引伸计应变示值误差及分级
A,4.1在每级位移量卜计算引伸计的应变示值误差(计算时取零点到每级的位移虽)。A.4.2
从三组完整的标定数据中计算出强伸让应变示值误差,其最大值即为引伸计的最人应变示值误差。
引仲计以其最大应变示值误差分级,规定如表A2。表A2
引伸计等级
A.5引伸计伸长进回程示值相对误差引伸计伸长进间程示值相对误差应符合表A3规定。表A3
引伸等级
充许最大应变小值误希
进程示值相对误差,
社:在引伸计全欺程内分。一10级,作次进程和间程标定,算出各级进间强差进星的自分比,取最人假为声仲的伸长进创程示值相对误差。A.6
标定报告
A.6.1标定报告应包括下列内容:a.
引伸计名称、型号;
引伸计标距;
标定器和引伸计的标定数据:
伸长放大倍数;
标定系数;
引伸计最太应变示值误差;
引伸计伸长进回程示值相对误差;引伸计等级:
标定时的室温;
标定者及标定日期。
GB3076—82
小提示:此标准内容仅展示完整标准里的部分截取内容,若需要完整标准请到上方自行免费下载完整标准文档。
标准图片预览:





- 其它标准
- 热门标准
- 国家标准(GB)
- GB/T2828.1-2012 计数抽样检验程序 第1部分:按接收质量限(AQL)检索的逐批检验抽样计划
- GB/T228.1-2021 金属材料 拉伸试验 第1部分:室温试验方法
- GB/T18204.4-2000 公共场所毛巾、床上卧具微生物检验方法细菌总数测定
- GB/T97.1-2002 平垫圈A级
- GB/T23892.3-2009 滑动轴承 稳态条件下流体动压可倾瓦块止推轴承 第3部分:可倾瓦块止推轴承计算的许用值
- GB/T11839-1989 二氧化铀芯块中硼的测定 姜黄素萃取光度法
- GB15603-2022 危险化学品仓库储存通则
- GB/T1804-2000 一般公差 未注公差的线性和角度尺寸的公差
- GB/T7433-1987 对称电缆载波通信系统抗无线电广播和通信干扰的指标
- GB/T21238-2007 玻璃纤维增强塑料夹砂管
- GB/T28809-2012 轨道交通 通信、信号和处理系统 信号用安全相关电子系统
- GB/T9239-1988 刚性转子平衡品质 许用不平衡的确定
- GB/T15917.3-1995 金属镝及氧化镝化学分析方法 对氯苯基荧光酮--溴化十六烷基三甲基胺分光光度法测定钽量
- GB/T5738-1995 瓶装酒、饮料塑料周转箱
- GB/T13985-1992 照相机操作力和强度
- 行业新闻
请牢记:“bzxz.net”即是“标准下载”四个汉字汉语拼音首字母与国际顶级域名“.net”的组合。 ©2025 标准下载网 www.bzxz.net 本站邮件:bzxznet@163.com
网站备案号:湘ICP备2025141790号-2
网站备案号:湘ICP备2025141790号-2