- 您的位置:
- 标准下载网 >>
- 标准分类 >>
- 电子行业标准(SJ) >>
- SJ 2732-1986 2CZ318型硅快开关整流二极管详细规范
标准号:
SJ 2732-1986
标准名称:
2CZ318型硅快开关整流二极管详细规范
标准类别:
电子行业标准(SJ)
标准状态:
现行-
发布日期:
1986-10-24 -
实施日期:
1987-10-01 出版语种:
简体中文下载格式:
.rar.pdf下载大小:
468.70 KB
点击下载
标准简介:
标准下载解压密码:www.bzxz.net
在彩色电视机及其它无线电电子设备中作中速开关或整流用。 SJ 2732-1986 2CZ318型硅快开关整流二极管详细规范 SJ2732-1986
部分标准内容:
中华人民共和国电子工业部部标准SJ2782-86
2CZ318型硅快开关整流二极管详细规范中华人民共和国电子工业部
器件质量评定是根据:
GB4936.1--85
《半导体分立器件总规范》
2CZ318型硅决开关整流二极管详细规范订货资料:见本规范第7元www.bzxz.net
1机械说明
外形符合GB7581--87D2--05C
的要求(见本规范第10.2条)
SJ2732—86
2简略说明
半导体材料:N型硅单晶
封装:非空腔塑料封装
应用:在彩色电视机及其它无线电电子设备中作快速开关或整流用。
3质盘评定类别
参考数据:
2CZ318C
2CZ318E
2CZ318G
2CZ318H
中华人民共和国电子工业部1986—10-24发布1
Ip(Av)
1987—10-01买施
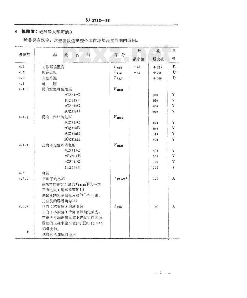
极限值(绝对最大额定值)
SJ2732-86
除非另有规定,这些极限值在整个工作环境温度范围内适用。条款号
工作环境温度
地存温度
有效结温
反向承复峰值电压
2CZ318C
2CZ318E
2CZ31RG
2CZ318H
反向工作峰值电压
2CZ318C
2CZ318E
2CZ318G
2CZ318H
反向不重复峰值电压
2CZ318C
2CZ318E
2CZ318G
2CZ318H
正向平均电流
在规定的转折点温度Tbr下的平均正向电流(见本规范图1)
测试电路为电阻性负载的单相心路。正弦波的导通角为180
正向(不重复)浪涌电流
正向(不重复)浪涌速流额定值为:在最大平均正向电流下连续工作之后所加的正弦半波电流(50Hz、10mS)的最大值,
试验时不加反向电压
最小值
最大值
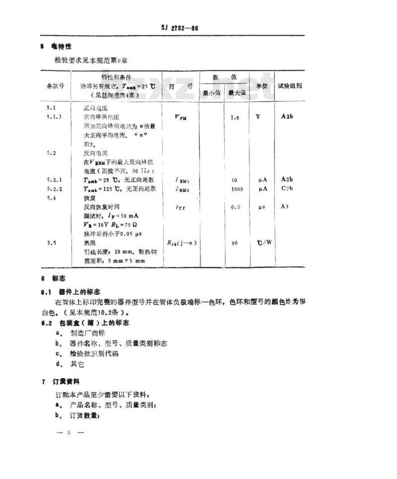
电特性
检验要求见本规范第8章
条款号
6标志
特性和条件
除非另有规定,Tab=25℃
(见总规范第4章)
正向电压
正向峰值电压
所加正向峰值电汽为元倍最
大正向平均电流。“元”
取3。
反向电流
在VERM下的最大反向峰值
电流(正弦半波,50IIz)
T.=25C,无正向耗散
Tanb=125C,无正向耗散
反向恢复时间
测试时,【g=50mA
Y=10VRL-75Q
脉冲前小于0.05μs
引线长度:10mm,散热铜
箔面积:5mm×5mm
6.1器件上的标志
SJ2732-86
Rth(j-a)
最小值
最大值
试验组别
在管体上标印完整的器件型号并在管体负极端标一色环,色环和型号的颜色均为银白色。(见本规范10.2条)。
6.2包装盒(箱)上的标志
制造广商标
b。器件名称、型号、质摄类别标志检验批识别代码
d其它
订赁资料
订购本产品至少需要以下资料:,产品名称、型号、质量类别,b,订货数量,
c.产品详细规范号。
d.其它,
8试验祭件和检验娶求
SJ2732—86
本章中,除非另有规定,引用的条款号对应于总规范GB4936.1一85的条款号。测试方法引自GB4936.1--85的6.1.1次。A组一逐批
所有试验都是非破坏性的(3.6.6)条
检验或试验
A1分组
外观检查
A28分组
不工作器件
A2b分组
A3分组
引用准
D--011
D--004
除非另有规定,Tamb=25℃
(见总规范第4章)
tp=lms,
VRMVRRM(正证,50Hz)
tp=1ms,
RRM(正弦半波,50Hz)
Ig=50mA
VR-10 V
RL=752
脉冲前沿小于0.05μs
最小值
最大信
极性颠倒
SJ2732--86
B组一逐批
只有标明(D)的试验是破坏性的(3.6.6)条
检验或试验
B1分组
B3分组
引线弯曲(D)
B4分组
可焊性
B5分组
温度变化
继之以
交变湿热(D)
最后测试
同A2b分组
B8分组
电耐久性
最后测试
CRRL分组
引用标准
GB4937—85
GB4937--85
GB4937-85
IEC68-2
GB4938—85
除非另有规定,Tamb=25C
(见总规范第4章)
试验采用方法1
受试引线数:2
外加力,5N
优先采用焊槽法
受试引线数:2
其它要求见本规范附录A
TA=0℃Tn=100℃
循环次数:10次
严格度,55℃
采用方式2
严格度:55℃
循环次数:2次
工作寿命
IF(AV)=0.5A
VRM-VRRM
时间:168h
试验时,夹具夹在距管体
10~15mm的引线上
IFM=1.5A,tp=1mS,6=2%
VRM=VRRM(正弦半波,50Hz)
B3、B4、B5和B8分组的属性资料检
最小值
最大值
无损坏
润湿良好
SJ2732-86
C组一周期
只有标明(D)的试验是破坏性的(3.6.6)条
检验或试验
C1分组
C2b分组
C2c分组
最后测试
同A2b分组
C4分组
耐焊接热(D)
最后测试
同A2b分组
引用标准
本规范
附录B
除非另行定,Tamb=25℃
(见总规范第4章)
Toab=125
VRM=VRRM(正弦半波,50Hz)
Tamb=60℃
IFSM=20A
周波数和浪涌数均为1
GB4937-85
C7分组
IEC68-2—
交变源热(D)
最后测试
筒B8分组
C8分组
电耐久性
最后测试
同B8分组
C9分组
高温必存(D)
最后测试
同B8分组
C11分组
标志耐久性
C12分组
易燃性
CRRL分组
采用方法1A
采用方式2
严格度:55℃
循环次数:6次
GB4938-85
工作寿命
时间不少于1000h
其它条件同B8分组
GB4937--85
To盘-140C
时间不少于1000h
GB4937-85试验采用方法2
GB4937-85
溶液:100%三氯乙烯
最小值
最大值
见GB4937-85
C4、C5、C7、C8、C9、C11和C12分组的属性资料要
D组检验(不适用)
10附加资料
电流降额曲线
TF(AN)(A)
SJ2782-86
10.2外图
电流降额曲线
最小值
标称值
外形图
Tamb(b)
负极标志
单位:mm
最大值
A.1加速老化
SJ2732—86
附录A
可焊性试验的补充要求
(补充件)
对于在器件制成后,又进行沾锡(或镀锡)的器件,需做加速老化。其条件是,100℃水蒸汽中置放1小时。
A.2试验方法
a。优先采用焊槽法。
b。必要时,可采用润湿称量法。按图家标准GB2423.3285《电工电子产品基本环境试验规程润湿称法的可焊性试验方法》进行。润湿过程,按使用非活性焊剂时,在3秒钟内达到理论润壶力的35%。附录B
正向(不量复)浪涌电流测试方法B.1目的
(补充件)
在规定条件下,验证二极管正向(不重复)涌浪电流的额定值。B.2电路图正向(不重复)浪涌电流测试电原理图如下:R1
电路说明和要求
电路说明
图B1电路图
P1为测试通过被测二极管正向平均电流的仪表P2为峰值读数仪表或示波器等
为被测二极管。
R3为取样电阻。
R1为正向平均电流调定电阻。
R2为浪涌电流的调定电阻。
为控制器
SJ2732--86
G1为向被测管提供正向平均电流的电源。G2为向被测管提供正向浪涌电流的电源。B.3.2电路要求
流过被测管的正向平均电流应与正向浪涌电流相位一致(见图B2)IA)
图B2IrsA与Ipm的相位示意图
IrsM正向浪涌电流
[M正向峰值电流
B.4测试步骤
将G1和G2两电源都调至零。
将被测管按其极性标志插人测试台的管座,并检查环境温度。调节G1和R],使P1上测得的正向平均电流达到规定值。调节G2和R2,使P2上测得的峰值电压达到规定值,此时正向浪涌电流也达到规定值。
开启控制器,按B.5规定的条件对被测管施加正向浪涌电流。根据试验后的测试来验证被测管承受正向浪涌电流额定值的能力。B.5规定条件
正向浪涌电流的数值;
每次浪涌的周波数、浪涌次数和重复率;环境温度,
试验后测试项目、极限值、测试条件。9
附加说明:
国内型号
SJ2732—86
附录C
国内外型号参考对照表
(参考件)
国外型号
2CZ31SC
2CZ318E
2CZ318G
本标准由中国电子技术标准化研究所提出。本标准由天津第三半导体器件厂负责起草。S5295D
S5295G
S5295J
本标准主要起草人,王思平、孙志昌、黄宗芬、李新华。10
小提示:此标准内容仅展示完整标准里的部分截取内容,若需要完整标准请到上方自行免费下载完整标准文档。
2CZ318型硅快开关整流二极管详细规范中华人民共和国电子工业部
器件质量评定是根据:
GB4936.1--85
《半导体分立器件总规范》
2CZ318型硅决开关整流二极管详细规范订货资料:见本规范第7元www.bzxz.net
1机械说明
外形符合GB7581--87D2--05C
的要求(见本规范第10.2条)
SJ2732—86
2简略说明
半导体材料:N型硅单晶
封装:非空腔塑料封装
应用:在彩色电视机及其它无线电电子设备中作快速开关或整流用。
3质盘评定类别
参考数据:
2CZ318C
2CZ318E
2CZ318G
2CZ318H
中华人民共和国电子工业部1986—10-24发布1
Ip(Av)
1987—10-01买施
极限值(绝对最大额定值)
SJ2732-86
除非另有规定,这些极限值在整个工作环境温度范围内适用。条款号
工作环境温度
地存温度
有效结温
反向承复峰值电压
2CZ318C
2CZ318E
2CZ31RG
2CZ318H
反向工作峰值电压
2CZ318C
2CZ318E
2CZ318G
2CZ318H
反向不重复峰值电压
2CZ318C
2CZ318E
2CZ318G
2CZ318H
正向平均电流
在规定的转折点温度Tbr下的平均正向电流(见本规范图1)
测试电路为电阻性负载的单相心路。正弦波的导通角为180
正向(不重复)浪涌电流
正向(不重复)浪涌速流额定值为:在最大平均正向电流下连续工作之后所加的正弦半波电流(50Hz、10mS)的最大值,
试验时不加反向电压
最小值
最大值
电特性
检验要求见本规范第8章
条款号
6标志
特性和条件
除非另有规定,Tab=25℃
(见总规范第4章)
正向电压
正向峰值电压
所加正向峰值电汽为元倍最
大正向平均电流。“元”
取3。
反向电流
在VERM下的最大反向峰值
电流(正弦半波,50IIz)
T.=25C,无正向耗散
Tanb=125C,无正向耗散
反向恢复时间
测试时,【g=50mA
Y=10VRL-75Q
脉冲前小于0.05μs
引线长度:10mm,散热铜
箔面积:5mm×5mm
6.1器件上的标志
SJ2732-86
Rth(j-a)
最小值
最大值
试验组别
在管体上标印完整的器件型号并在管体负极端标一色环,色环和型号的颜色均为银白色。(见本规范10.2条)。
6.2包装盒(箱)上的标志
制造广商标
b。器件名称、型号、质摄类别标志检验批识别代码
d其它
订赁资料
订购本产品至少需要以下资料:,产品名称、型号、质量类别,b,订货数量,
c.产品详细规范号。
d.其它,
8试验祭件和检验娶求
SJ2732—86
本章中,除非另有规定,引用的条款号对应于总规范GB4936.1一85的条款号。测试方法引自GB4936.1--85的6.1.1次。A组一逐批
所有试验都是非破坏性的(3.6.6)条
检验或试验
A1分组
外观检查
A28分组
不工作器件
A2b分组
A3分组
引用准
D--011
D--004
除非另有规定,Tamb=25℃
(见总规范第4章)
tp=lms,
VRMVRRM(正证,50Hz)
tp=1ms,
RRM(正弦半波,50Hz)
Ig=50mA
VR-10 V
RL=752
脉冲前沿小于0.05μs
最小值
最大信
极性颠倒
SJ2732--86
B组一逐批
只有标明(D)的试验是破坏性的(3.6.6)条
检验或试验
B1分组
B3分组
引线弯曲(D)
B4分组
可焊性
B5分组
温度变化
继之以
交变湿热(D)
最后测试
同A2b分组
B8分组
电耐久性
最后测试
CRRL分组
引用标准
GB4937—85
GB4937--85
GB4937-85
IEC68-2
GB4938—85
除非另有规定,Tamb=25C
(见总规范第4章)
试验采用方法1
受试引线数:2
外加力,5N
优先采用焊槽法
受试引线数:2
其它要求见本规范附录A
TA=0℃Tn=100℃
循环次数:10次
严格度,55℃
采用方式2
严格度:55℃
循环次数:2次
工作寿命
IF(AV)=0.5A
VRM-VRRM
时间:168h
试验时,夹具夹在距管体
10~15mm的引线上
IFM=1.5A,tp=1mS,6=2%
VRM=VRRM(正弦半波,50Hz)
B3、B4、B5和B8分组的属性资料检
最小值
最大值
无损坏
润湿良好
SJ2732-86
C组一周期
只有标明(D)的试验是破坏性的(3.6.6)条
检验或试验
C1分组
C2b分组
C2c分组
最后测试
同A2b分组
C4分组
耐焊接热(D)
最后测试
同A2b分组
引用标准
本规范
附录B
除非另行定,Tamb=25℃
(见总规范第4章)
Toab=125
VRM=VRRM(正弦半波,50Hz)
Tamb=60℃
IFSM=20A
周波数和浪涌数均为1
GB4937-85
C7分组
IEC68-2—
交变源热(D)
最后测试
筒B8分组
C8分组
电耐久性
最后测试
同B8分组
C9分组
高温必存(D)
最后测试
同B8分组
C11分组
标志耐久性
C12分组
易燃性
CRRL分组
采用方法1A
采用方式2
严格度:55℃
循环次数:6次
GB4938-85
工作寿命
时间不少于1000h
其它条件同B8分组
GB4937--85
To盘-140C
时间不少于1000h
GB4937-85试验采用方法2
GB4937-85
溶液:100%三氯乙烯
最小值
最大值
见GB4937-85
C4、C5、C7、C8、C9、C11和C12分组的属性资料要
D组检验(不适用)
10附加资料
电流降额曲线
TF(AN)(A)
SJ2782-86
10.2外图
电流降额曲线
最小值
标称值
外形图
Tamb(b)
负极标志
单位:mm
最大值
A.1加速老化
SJ2732—86
附录A
可焊性试验的补充要求
(补充件)
对于在器件制成后,又进行沾锡(或镀锡)的器件,需做加速老化。其条件是,100℃水蒸汽中置放1小时。
A.2试验方法
a。优先采用焊槽法。
b。必要时,可采用润湿称量法。按图家标准GB2423.3285《电工电子产品基本环境试验规程润湿称法的可焊性试验方法》进行。润湿过程,按使用非活性焊剂时,在3秒钟内达到理论润壶力的35%。附录B
正向(不量复)浪涌电流测试方法B.1目的
(补充件)
在规定条件下,验证二极管正向(不重复)涌浪电流的额定值。B.2电路图正向(不重复)浪涌电流测试电原理图如下:R1
电路说明和要求
电路说明
图B1电路图
P1为测试通过被测二极管正向平均电流的仪表P2为峰值读数仪表或示波器等
为被测二极管。
R3为取样电阻。
R1为正向平均电流调定电阻。
R2为浪涌电流的调定电阻。
为控制器
SJ2732--86
G1为向被测管提供正向平均电流的电源。G2为向被测管提供正向浪涌电流的电源。B.3.2电路要求
流过被测管的正向平均电流应与正向浪涌电流相位一致(见图B2)IA)
图B2IrsA与Ipm的相位示意图
IrsM正向浪涌电流
[M正向峰值电流
B.4测试步骤
将G1和G2两电源都调至零。
将被测管按其极性标志插人测试台的管座,并检查环境温度。调节G1和R],使P1上测得的正向平均电流达到规定值。调节G2和R2,使P2上测得的峰值电压达到规定值,此时正向浪涌电流也达到规定值。
开启控制器,按B.5规定的条件对被测管施加正向浪涌电流。根据试验后的测试来验证被测管承受正向浪涌电流额定值的能力。B.5规定条件
正向浪涌电流的数值;
每次浪涌的周波数、浪涌次数和重复率;环境温度,
试验后测试项目、极限值、测试条件。9
附加说明:
国内型号
SJ2732—86
附录C
国内外型号参考对照表
(参考件)
国外型号
2CZ31SC
2CZ318E
2CZ318G
本标准由中国电子技术标准化研究所提出。本标准由天津第三半导体器件厂负责起草。S5295D
S5295G
S5295J
本标准主要起草人,王思平、孙志昌、黄宗芬、李新华。10
小提示:此标准内容仅展示完整标准里的部分截取内容,若需要完整标准请到上方自行免费下载完整标准文档。
标准图片预览:





- 其它标准
- 热门标准
- 电子行业标准(SJ)
- SJ50681.65-1994 TNC系列(接半硬电缆)插孔接触件法兰安装2级射频同轴插座连接器详细规范
- SJ/T11247-2001 永磁铁氧体瓦形磁体公差及外形缺陷
- SJ995-75 双动冲床引伸模 落料凹模 引伸凹模
- SJ50599/10-2006 系列Ⅰ JY27466卡口连接压接式接触件墙式法兰安装固定电连接器(T类)详细规范
- SJ20792-2000 微通道板光电倍增管测试方法
- SJ1807-1981 2CC120(122、124)~2CC420(422、424)型硅调谐变容二极管
- SJ1736-1981 通信用送话器电声试验方法
- SJ20398-1994 机载雷达用栅控行波管钛泵电源通用规范
- SJ/T10586.3-1994 DW-217型电子玻璃技术数据
- SJ/T10783-1996 电子器件详细规范 半导体集成电路CD7176CP伴音中频放大电路(可供认证用)
- SJ1553-1980 测温型负温度系数热敏电阻器总技术条件
- SJ1805-1981 2CC126型硅调频变容二极管
- SJ3004.7-1988 组合冲模 异形刃口
- SJ3234-1989 电子材料真空放气性能的动态测试方法
- SJ/T1146-1993 电容器用有机薄膜体积电阻率试验方法
- 行业新闻
请牢记:“bzxz.net”即是“标准下载”四个汉字汉语拼音首字母与国际顶级域名“.net”的组合。 ©2025 标准下载网 www.bzxz.net 本站邮件:bzxznet@163.com
网站备案号:湘ICP备2025141790号-2
网站备案号:湘ICP备2025141790号-2