- 您的位置:
- 标准下载网 >>
- 标准分类 >>
- 国家标准(GB) >>
- GB/T 20327-2006 车刀和刨刀刀杆 截面形状和尺寸
标准号:
GB/T 20327-2006
标准名称:
车刀和刨刀刀杆 截面形状和尺寸
标准类别:
国家标准(GB)
标准状态:
现行-
发布日期:
2006-07-20 -
实施日期:
2007-01-01 出版语种:
简体中文下载格式:
.rar.pdf下载大小:
248.93 KB
点击下载
标准简介:
标准下载解压密码:www.bzxz.net
本标准规定了高速钢和焊硬质合金刀头的车刀和刨刀的截面形状和单位为毫米的截面尺寸。 本标准适用于车刀和刨刀刀杆。 GB/T 20327-2006 车刀和刨刀刀杆 截面形状和尺寸 GB/T20327-2006
部分标准内容:
ICS25.100.10;25.100.25
中华人民共和国国家标准
GB/T 20327---2006/ISO 241:1994车刀和刨刀刀杆
截面形状和尺寸
Shanks for turning and planing tools---Shapes and dimensions of the section(ISO241:1994.IDT)
2006-07-20发布
中华人民共和国国家质量监督检验检疫总局中国国家标准化管理委员会
2007-01-01实施
本标推等同采用ISO241:1994《车刀和刨刀刀杆本标准等同翻译ISO241:1994。为便于使用,本标推做了下列编辑性修改:一用小数点“。”代替作为小数点的逗号“,”;—用“本标准\代替“本国际标准”;删除了国际标准前言。wwW.bzxz.Net
本标准由中国机械工业联合会提出。本标准由全国刀具标准化技术委员会归口。本标准主要起草单位:成都工具研究所。本标准主要起草人:樊瑾。
GB/T 20327—2006/1SO 241:1994截面形状和尺寸》(英文版)。
GB/T 20327.--2006/ISO 241 : 1994截面形状和尺寸
车刀和刨刀刀杆
本标准规定了高速钢和焊硬质合金刀头的车刀和刨刀的截面形状和单位为毫米的截面尺寸。三种截面型式命名为:
圆形截面;
正方形截面:
高和宽的比率分别为下列值的矩形截面:c)
近似为1.25;
近似为1.6;
近似为2。
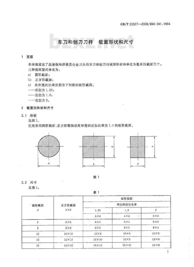
2截面的形状和尺寸
2.1形状
见图1。
优先采用圆形截面、正方形截面或高和宽的近似比率为1.6的矩形截面。图1
2.2尺寸
见表1。
矩形截面
圆形截面
正方形截面
10×10
12×12
16×16
12×10
16×12
两边的近似比率
GB/T 20327--2006/IS0 241: 1994圆形截面
2.3公差
正方形截面
20×20
25×25
40×40
刀杆没有规定专门的精度要求:a)未加工的刀杆就制崴锻制的
已加工的刀样h
表1(续)
20×16
32×25
矩形截面
两边的近似比率
20×12
20×10
25×12
32×16
40×20
50×25
GB/T 20327-2006
中华人民共和国
国家标
车刀和刨刀刀杆截面形状尺寸
GB/T 20327--2006/ISO 241:1994中国标准出版社出版发行
北京复兴门外三塑河北街16号
邮政编码:100045
网址bzcbs.com
电话:6852394668517548
中国标准出版社素皇岛印刷广印刷各地新华书店经销
开本880×12301/16印张0.5字数4千字2007年1月第一版2007年1月第一次印刷*
定价8.00元
书号:1550661-28625
如有印装差错
由本社发行中心调换
版权专有
侵权必究
举报电话:(010)68533533
小提示:此标准内容仅展示完整标准里的部分截取内容,若需要完整标准请到上方自行免费下载完整标准文档。
中华人民共和国国家标准
GB/T 20327---2006/ISO 241:1994车刀和刨刀刀杆
截面形状和尺寸
Shanks for turning and planing tools---Shapes and dimensions of the section(ISO241:1994.IDT)
2006-07-20发布
中华人民共和国国家质量监督检验检疫总局中国国家标准化管理委员会
2007-01-01实施
本标推等同采用ISO241:1994《车刀和刨刀刀杆本标准等同翻译ISO241:1994。为便于使用,本标推做了下列编辑性修改:一用小数点“。”代替作为小数点的逗号“,”;—用“本标准\代替“本国际标准”;删除了国际标准前言。wwW.bzxz.Net
本标准由中国机械工业联合会提出。本标准由全国刀具标准化技术委员会归口。本标准主要起草单位:成都工具研究所。本标准主要起草人:樊瑾。
GB/T 20327—2006/1SO 241:1994截面形状和尺寸》(英文版)。
GB/T 20327.--2006/ISO 241 : 1994截面形状和尺寸
车刀和刨刀刀杆
本标准规定了高速钢和焊硬质合金刀头的车刀和刨刀的截面形状和单位为毫米的截面尺寸。三种截面型式命名为:
圆形截面;
正方形截面:
高和宽的比率分别为下列值的矩形截面:c)
近似为1.25;
近似为1.6;
近似为2。
2截面的形状和尺寸
2.1形状
见图1。
优先采用圆形截面、正方形截面或高和宽的近似比率为1.6的矩形截面。图1
2.2尺寸
见表1。
矩形截面
圆形截面
正方形截面
10×10
12×12
16×16
12×10
16×12
两边的近似比率
GB/T 20327--2006/IS0 241: 1994圆形截面
2.3公差
正方形截面
20×20
25×25
40×40
刀杆没有规定专门的精度要求:a)未加工的刀杆就制崴锻制的
已加工的刀样h
表1(续)
20×16
32×25
矩形截面
两边的近似比率
20×12
20×10
25×12
32×16
40×20
50×25
GB/T 20327-2006
中华人民共和国
国家标
车刀和刨刀刀杆截面形状尺寸
GB/T 20327--2006/ISO 241:1994中国标准出版社出版发行
北京复兴门外三塑河北街16号
邮政编码:100045
网址bzcbs.com
电话:6852394668517548
中国标准出版社素皇岛印刷广印刷各地新华书店经销
开本880×12301/16印张0.5字数4千字2007年1月第一版2007年1月第一次印刷*
定价8.00元
书号:1550661-28625
如有印装差错
由本社发行中心调换
版权专有
侵权必究
举报电话:(010)68533533
小提示:此标准内容仅展示完整标准里的部分截取内容,若需要完整标准请到上方自行免费下载完整标准文档。
标准图片预览:





- 其它标准
- 热门标准
- 国家标准(GB)
- GB/T2828.1-2012 计数抽样检验程序 第1部分:按接收质量限(AQL)检索的逐批检验抽样计划
- GB/T228.1-2021 金属材料 拉伸试验 第1部分:室温试验方法
- GB/T18204.4-2000 公共场所毛巾、床上卧具微生物检验方法细菌总数测定
- GB/T97.1-2002 平垫圈A级
- GB/T23892.3-2009 滑动轴承 稳态条件下流体动压可倾瓦块止推轴承 第3部分:可倾瓦块止推轴承计算的许用值
- GB/T11839-1989 二氧化铀芯块中硼的测定 姜黄素萃取光度法
- GB15603-2022 危险化学品仓库储存通则
- GB/T1804-2000 一般公差 未注公差的线性和角度尺寸的公差
- GB/T7433-1987 对称电缆载波通信系统抗无线电广播和通信干扰的指标
- GB/T21238-2007 玻璃纤维增强塑料夹砂管
- GB/T28809-2012 轨道交通 通信、信号和处理系统 信号用安全相关电子系统
- GB/T9239-1988 刚性转子平衡品质 许用不平衡的确定
- GB/T15917.3-1995 金属镝及氧化镝化学分析方法 对氯苯基荧光酮--溴化十六烷基三甲基胺分光光度法测定钽量
- GB/T5738-1995 瓶装酒、饮料塑料周转箱
- GB/T13985-1992 照相机操作力和强度
- 行业新闻
请牢记:“bzxz.net”即是“标准下载”四个汉字汉语拼音首字母与国际顶级域名“.net”的组合。 ©2025 标准下载网 www.bzxz.net 本站邮件:bzxznet@163.com
网站备案号:湘ICP备2025141790号-2
网站备案号:湘ICP备2025141790号-2