- 您的位置:
- 标准下载网 >>
- 标准分类 >>
- 电子行业标准(SJ) >>
- SJ/T 10154-1991 电子器件详细规范 混合厚膜集成电路HM0005、HM0225视频输出电路
【电子行业标准(SJ)】 电子器件详细规范 混合厚膜集成电路HM0005、HM0225视频输出电路
本网站 发布时间:
2024-07-14 06:50:54
- SJ/T10154-1991
- 现行
- 点击下载此标准
标准号:
SJ/T 10154-1991
标准名称:
电子器件详细规范 混合厚膜集成电路HM0005、HM0225视频输出电路
标准类别:
电子行业标准(SJ)
标准状态:
现行-
发布日期:
1991-04-02 -
实施日期:
1991-07-01 出版语种:
简体中文下载格式:
.rar.pdf下载大小:
179.43 KB
点击下载
标准简介:
标准下载解压密码:www.bzxz.net
SJ/T 10154-1991 电子器件详细规范 混合厚膜集成电路HM0005、HM0225视频输出电路 SJ/T10154-1991
部分标准内容:
中华人民共和国电子工业行业标准S/T10153--10156—-91
电子元器件详细规范
膜和混合膜集成电路
1991-04-02发布
1991-07-01实施
中华人民共和国机械电子工业部发布中华人民共和国电子工业行业标准电子元器件详细规范
厚膜集成电路HMOFCs
(IIM0225)
视放负载电路
$J/T:015491
本规范规定丁浮膜集减电路1M000%(11MD225:视放负载电路的器定和质或评定的全部内穿,
中华人居共和胞机撑电子工业部1S91-04-02批准1991-07-01实施
中华人民共和国机械电于工业部评定器件质量的快带:
SJ/T 10154-91
GB8976膜集成电路租混食膜兼成电路总规范了
GB11193膜量成也路和漏合膜单必也路分规范(采用要定批准程疗)?11M0005、(1MD225)视放资微电路(以下简剂电路)详细规范订货资籽:先本规范弟B章下载标准就来标准下载网
想越说明
外形图和尺寸,见本规范第9年
安装,用锣焊,
标卷:按0BS76弟3.6条和本见范第7章。
法:1)*三防括防潮换、防寒、防零函,2首要说明
S/1O141
膜费宽电路
性装“用\三欧“染料包封。
应用用于能色电挑机视放负懿电路。原量评定水平
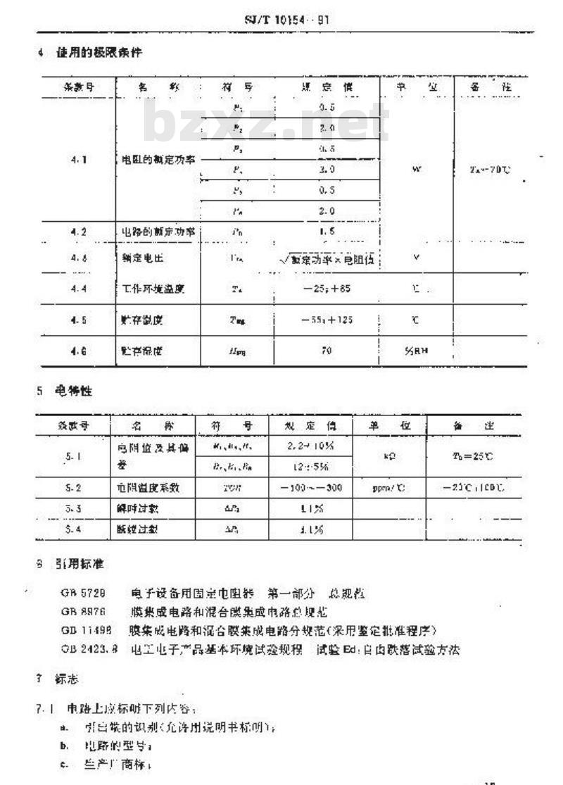
使用的极限冻性
电特性
效理中
引用标准
GR572B
GR8976
电的机定项率
出路的颤定功率
翁定电
工作不境盗度
野存疑度
世产保使
心限盘度系效
既控过
SJ/T 10154: : 91
额案动率义意阻径
25;+85
55# +125
双定仰
12··556
100--—300
电于设备用固定电阻第一部分总舰载模集成电路和混合麒果盛电路总规池GD1149R
ppna/ r
膜集成电路和混台膜策成电路分规范(深用鉴定批准程序)备
2--70T
电生心子产品基本环境试检规程试验Ed:自凸跌落试验克法电路上成标明下列内容
白带的识别允许用说明书标明}:b.
电路的型:
兰产广商栋,
生产口期。
7.2外包装上家标明下列内穿:
电的型号:
生产日期:
生产F名称:
生产两标
电路合路标志。
8订货资料
订的电络时至少带要下列资料::·电路名诉疫型!
详细规范的综号:
c、评案水平。
外形留和尺寸
电路的外形图知尺寸图所示
S3/T10154. -·91
5×5, C3(=3r. 42)
5附加资料
电路图
如2新示。
10.2耐久准试验线路图
每图3所示,
减验案性和检验要求
SI/T10154—91
试验条件和检验要求按表1和表2的规定,若无其他规定+表!和表2所引用的条款均为B%76的杀款。在表1和表2巾
期期(以月为单位);
禅本大小;
合格判定数(允许的不合格品数):,
蔽坏性的:
ND:非破坏性的,
检载求平;
格质量水平,
条数导、试验和试验程序
A4险除谨抵)
外说和标志核产
42分组
方室过下的土要电性能
组()
可焊性
4. 3. 3尺+
安本规范求AI
按本规证附录A2.1
-题凡专月量
H理行测量
按规范附AI
核本规范附量A2.1
按本规时录4
抢小共第自章
杀救书,试整和试验程序
《“组控验(同则》
C1A好单
电压报度系数
附时让载
新续过赖
CIB分
4.4.11-惯限工品度下的电持性
C2分至
4.4.11切始测量
.. 5.5录动
4.4.11量后谢压
c分组
打迎量
4. 5.11耐焊控热
1-5.8避度变化
4.品.3抢本热
4. 1. 11录后耐量
1- 1-11前始耐查
4. 5. 1高温亡存
. 9. 11 最片测量
D温格验:因期】
4- 4. 11 利缺制量
耐久性,1000
4. 4. 1 1 录后到量
4. 4.13始量
4.5. :2.3李曲
4. 4. 11 量适测量
SJ/T10154-91
试验柔件
本规范时录2.2
按本爆范时录A2.3
技本起范时节42.
按本规范附求A3
间2分
按本址也附录A5
:接本相范附录A6
同A2分组
按本规范能资了
技本想芯防A
按水提微附录A9
同 A2 分组
按本比范附承410
按中现益南量A1
EA2分
按本规他谢录A12
同2分组
按A2分组
按本规范附求13
按本规范时录A1c
性能雅
按本规范附录 A2.2
接本规商附录A2.3
按本期范附承A2. 1
按本附A3
同2分期
按4规范成A5
按本规光时球AG
A2分组
同A2分组
股本规蓝附量AT
按本规范附承 AB
按规临时来5
可分组
安本规能耐录A10
.换车规范附录AI1
同42分期
同A2分朗
技本规范降112
司2分理
按本托范网景113
按本姚范降录A14
同2分纠
A1外观
试验方汰日检,
S1/T 10154--91
附录A
试验方法和检验要求
(补究)
验费求,板志精晰,电路死变退、记卖保护层不成起池或格率点光滑,无出悼,谛率:引出编无科、断最和松数现象。32电性能
42.1电盟道
试验送,控G72宽5条逆行测盘
检验要求:满足木规范筛5.1条的规定。42.2自迅制度系效
试验克法按(1B5723第1.8余进行:接提:下探,下限温将一207:,上限源109℃个电路上拍同阳值的电院选测一只.共测两只。检验恶求:满本车现范第.2条的规定。A2.3解F讨期
试验方法:按G日5729第,1:录证行:施加表A」规定的辨时过载中压,作用时间:颖定电小下式求出:
是电止,:
新定功耗,W:
标称图偿.3
险验要求:满足今规范策5.3涤的是。表AI
A 2. 1断要过恨
额定尚
费:过压
成洗过快电压
电用施加和电出测塑点
4.1与(2引出之用
(3引山统之间
(471:学之
试给克大:按65729第4.3条进行施加表人1即定的断续过载电业:施通心压按接证SJ/T10154—91
15,断开2.5s的周期式,共地电乐1200个周期。箱定电压按式(A1)求出。检验要求:满足本熟范第5.4承的规定,A3在极限工作温度下的电特性
试龄方达:按本附录A2.【进行试验,在盘度为一25和十8么下分别放置30mm后测早电阻信,
境验要状:满足车规范弟5。1条的规定。A4可焊性
试为法:括GB8976第4.F.:n.1条进行试验,格验要求:按CB8976第4.5.10.1兼进行验,好锅附若面积为品以.上。A 5 跌落
让验片法:接B2422.8中方法1进行试酸:试验台面为硬木楼跌举商为1000ru,以任意资穿跌券一次,
检验要求消汇本规范表1中A2分组的规定,电路无断婴;引出简无松动。A拆动(扫摧频率)
试验法按(135975第4.5.心录扣下列承件进行:国20~150Hz
加:49m/(5g);
总扩续时间,在平个互相乘占的方间一各扫描5个循环。位股要求:海足本规范表:中A1、A8分组的规定:A7耐焊接热
试验方法:按(H8976英4.5.,:条的方法1A进:试验,流深度应他炉情小烟料表;i离引端安装面2.~2.5mm,温为2c0±5c:淡读时间10±1*。快复对间1h.检验些求:满足本规范表1中A2分组内现是。A&温变化
试验力签转G第1..8.1系过行验。签验要求,满足本规克在1A1.A2分距的规定,A9稳态湿热
试验方法,载B3976G第4.5.?多件1进行试验,估续作间为96格冷要求:满足本现距态1中A1、A2分组的规定。A‘低逼
试验方法:按G38976第4.6.2条进行试验温变一4G:持续时间为961%18
51015491
捡龄学浆,滴足本规港丧1A1、A2分组药秘定。A11高温片存
试验方达;按 GB 8976 第 4. 5. 1 录的要求进行,试验误度 125亡,持续时间 33%检验累求满见本规范表1中入1、人2分组的规定,A12耐久性
试验方法,达验样品按牢规也第10.2条接践于60主2的恒温新内,加电持路上推10DS,恢签时间大h,
检验要求:满尿本规范表:中A1.A2行组的规定。4*3拉力
试验方法:按GB8976第4.5.12.1条的要求行试验,拉力为N.持续时间为55检验要求:引出端应尤脱格。
A14弯曲
试验方法,按GB6976第4.5.12.3承方快进行试验·次数为2达,变曲力为2.5N检验要求,出端证无拆断,
的加说期。
本标准由中华人民共和西凯械电子工业部电子标准化研流所提出,本标准由国此第七九大货费起草,本标准市要起草人:王秀琳,刘华珍。19
小提示:此标准内容仅展示完整标准里的部分截取内容,若需要完整标准请到上方自行免费下载完整标准文档。
电子元器件详细规范
膜和混合膜集成电路
1991-04-02发布
1991-07-01实施
中华人民共和国机械电子工业部发布中华人民共和国电子工业行业标准电子元器件详细规范
厚膜集成电路HMOFCs
(IIM0225)
视放负载电路
$J/T:015491
本规范规定丁浮膜集减电路1M000%(11MD225:视放负载电路的器定和质或评定的全部内穿,
中华人居共和胞机撑电子工业部1S91-04-02批准1991-07-01实施
中华人民共和国机械电于工业部评定器件质量的快带:
SJ/T 10154-91
GB8976膜集成电路租混食膜兼成电路总规范了
GB11193膜量成也路和漏合膜单必也路分规范(采用要定批准程疗)?11M0005、(1MD225)视放资微电路(以下简剂电路)详细规范订货资籽:先本规范弟B章下载标准就来标准下载网
想越说明
外形图和尺寸,见本规范第9年
安装,用锣焊,
标卷:按0BS76弟3.6条和本见范第7章。
法:1)*三防括防潮换、防寒、防零函,2首要说明
S/1O141
膜费宽电路
性装“用\三欧“染料包封。
应用用于能色电挑机视放负懿电路。原量评定水平
使用的极限冻性
电特性
效理中
引用标准
GR572B
GR8976
电的机定项率
出路的颤定功率
翁定电
工作不境盗度
野存疑度
世产保使
心限盘度系效
既控过
SJ/T 10154: : 91
额案动率义意阻径
25;+85
55# +125
双定仰
12··556
100--—300
电于设备用固定电阻第一部分总舰载模集成电路和混合麒果盛电路总规池GD1149R
ppna/ r
膜集成电路和混台膜策成电路分规范(深用鉴定批准程序)备
2--70T
电生心子产品基本环境试检规程试验Ed:自凸跌落试验克法电路上成标明下列内容
白带的识别允许用说明书标明}:b.
电路的型:
兰产广商栋,
生产口期。
7.2外包装上家标明下列内穿:
电的型号:
生产日期:
生产F名称:
生产两标
电路合路标志。
8订货资料
订的电络时至少带要下列资料::·电路名诉疫型!
详细规范的综号:
c、评案水平。
外形留和尺寸
电路的外形图知尺寸图所示
S3/T10154. -·91
5×5, C3(=3r. 42)
5附加资料
电路图
如2新示。
10.2耐久准试验线路图
每图3所示,
减验案性和检验要求
SI/T10154—91
试验条件和检验要求按表1和表2的规定,若无其他规定+表!和表2所引用的条款均为B%76的杀款。在表1和表2巾
期期(以月为单位);
禅本大小;
合格判定数(允许的不合格品数):,
蔽坏性的:
ND:非破坏性的,
检载求平;
格质量水平,
条数导、试验和试验程序
A4险除谨抵)
外说和标志核产
42分组
方室过下的土要电性能
组()
可焊性
4. 3. 3尺+
安本规范求AI
按本规证附录A2.1
-题凡专月量
H理行测量
按规范附AI
核本规范附量A2.1
按本规时录4
抢小共第自章
杀救书,试整和试验程序
《“组控验(同则》
C1A好单
电压报度系数
附时让载
新续过赖
CIB分
4.4.11-惯限工品度下的电持性
C2分至
4.4.11切始测量
.. 5.5录动
4.4.11量后谢压
c分组
打迎量
4. 5.11耐焊控热
1-5.8避度变化
4.品.3抢本热
4. 1. 11录后耐量
1- 1-11前始耐查
4. 5. 1高温亡存
. 9. 11 最片测量
D温格验:因期】
4- 4. 11 利缺制量
耐久性,1000
4. 4. 1 1 录后到量
4. 4.13始量
4.5. :2.3李曲
4. 4. 11 量适测量
SJ/T10154-91
试验柔件
本规范时录2.2
按本爆范时录A2.3
技本起范时节42.
按本规范附求A3
间2分
按本址也附录A5
:接本相范附录A6
同A2分组
按本规范能资了
技本想芯防A
按水提微附录A9
同 A2 分组
按本比范附承410
按中现益南量A1
EA2分
按本规他谢录A12
同2分组
按A2分组
按本规范附求13
按本规范时录A1c
性能雅
按本规范附录 A2.2
接本规商附录A2.3
按本期范附承A2. 1
按本附A3
同2分期
按4规范成A5
按本规光时球AG
A2分组
同A2分组
股本规蓝附量AT
按本规范附承 AB
按规临时来5
可分组
安本规能耐录A10
.换车规范附录AI1
同42分期
同A2分朗
技本规范降112
司2分理
按本托范网景113
按本姚范降录A14
同2分纠
A1外观
试验方汰日检,
S1/T 10154--91
附录A
试验方法和检验要求
(补究)
验费求,板志精晰,电路死变退、记卖保护层不成起池或格率点光滑,无出悼,谛率:引出编无科、断最和松数现象。32电性能
42.1电盟道
试验送,控G72宽5条逆行测盘
检验要求:满足木规范筛5.1条的规定。42.2自迅制度系效
试验克法按(1B5723第1.8余进行:接提:下探,下限温将一207:,上限源109℃个电路上拍同阳值的电院选测一只.共测两只。检验恶求:满本车现范第.2条的规定。A2.3解F讨期
试验方法:按G日5729第,1:录证行:施加表A」规定的辨时过载中压,作用时间:颖定电小下式求出:
是电止,:
新定功耗,W:
标称图偿.3
险验要求:满足今规范策5.3涤的是。表AI
A 2. 1断要过恨
额定尚
费:过压
成洗过快电压
电用施加和电出测塑点
4.1与(2引出之用
(3引山统之间
(471:学之
试给克大:按65729第4.3条进行施加表人1即定的断续过载电业:施通心压按接证SJ/T10154—91
15,断开2.5s的周期式,共地电乐1200个周期。箱定电压按式(A1)求出。检验要求:满足本熟范第5.4承的规定,A3在极限工作温度下的电特性
试龄方达:按本附录A2.【进行试验,在盘度为一25和十8么下分别放置30mm后测早电阻信,
境验要状:满足车规范弟5。1条的规定。A4可焊性
试为法:括GB8976第4.F.:n.1条进行试验,格验要求:按CB8976第4.5.10.1兼进行验,好锅附若面积为品以.上。A 5 跌落
让验片法:接B2422.8中方法1进行试酸:试验台面为硬木楼跌举商为1000ru,以任意资穿跌券一次,
检验要求消汇本规范表1中A2分组的规定,电路无断婴;引出简无松动。A拆动(扫摧频率)
试验法按(135975第4.5.心录扣下列承件进行:国20~150Hz
加:49m/(5g);
总扩续时间,在平个互相乘占的方间一各扫描5个循环。位股要求:海足本规范表:中A1、A8分组的规定:A7耐焊接热
试验方法:按(H8976英4.5.,:条的方法1A进:试验,流深度应他炉情小烟料表;i离引端安装面2.~2.5mm,温为2c0±5c:淡读时间10±1*。快复对间1h.检验些求:满足本规范表1中A2分组内现是。A&温变化
试验力签转G第1..8.1系过行验。签验要求,满足本规克在1A1.A2分距的规定,A9稳态湿热
试验方法,载B3976G第4.5.?多件1进行试验,估续作间为96格冷要求:满足本现距态1中A1、A2分组的规定。A‘低逼
试验方法:按G38976第4.6.2条进行试验温变一4G:持续时间为961%18
51015491
捡龄学浆,滴足本规港丧1A1、A2分组药秘定。A11高温片存
试验方达;按 GB 8976 第 4. 5. 1 录的要求进行,试验误度 125亡,持续时间 33%检验累求满见本规范表1中入1、人2分组的规定,A12耐久性
试验方法,达验样品按牢规也第10.2条接践于60主2的恒温新内,加电持路上推10DS,恢签时间大h,
检验要求:满尿本规范表:中A1.A2行组的规定。4*3拉力
试验方法:按GB8976第4.5.12.1条的要求行试验,拉力为N.持续时间为55检验要求:引出端应尤脱格。
A14弯曲
试验方法,按GB6976第4.5.12.3承方快进行试验·次数为2达,变曲力为2.5N检验要求,出端证无拆断,
的加说期。
本标准由中华人民共和西凯械电子工业部电子标准化研流所提出,本标准由国此第七九大货费起草,本标准市要起草人:王秀琳,刘华珍。19
小提示:此标准内容仅展示完整标准里的部分截取内容,若需要完整标准请到上方自行免费下载完整标准文档。
标准图片预览:





- 热门标准
- 电子行业标准(SJ)
- SJ3166-1988 GZS12-4-3型彩色显像管插座
- SJ783-1974 3DG101型NPN硅外延平面高频小功率三极管
- SJ2857.2-1988 温差电致冷材料性能的测试方法 电导率的测试方法
- SJ2879-1988 彩色电视接收机用色纯静会聚磁体组合件总规范
- SJ/T9546-1993 无金属化孔单、双面印制板的质量分等标准
- SJ/T31441-1994 离心式制冷机组完好要求和检查评定方法
- SJ20837-2002 仪表着陆系统选址要求
- SJ/T10669-1995 表面组装器件可焊性试验
- SJ/Z3206.2-1989 发射光谱分析用激发源及其性能要求
- SJ/Z3206.5-1989 光谱化学分析用感光板和胶片的照相处理方法
- SJ/Z9010.27-1987 电子管电性能的测试 第27部分:发射管中相互调制分量的测试方法
- SJ/T10253-1991 电子器件详细规范 半导体集成电路CC4046型CMOS数字锁相环详细规范
- SJ1558-1980 MF41型和MF44型旁热型负温度系数热敏电阻器
- SJ2168-1982 涂覆用环氧粉末
- SJ2488-1984 电子设备用变压器、阻流圈和铁芯噪声测试方法
- 行业新闻
请牢记:“bzxz.net”即是“标准下载”四个汉字汉语拼音首字母与国际顶级域名“.net”的组合。 ©2025 标准下载网 www.bzxz.net 本站邮件:bzxznet@163.com
网站备案号:湘ICP备2025141790号-2
网站备案号:湘ICP备2025141790号-2